JAKA Zu sp使用手册 -英文版.pdf - 第12页
12 JAKA Zu Sp 6.2 JAKA Zu7 s p 图 8. F/T Sensor 2 -D drawing 图 9. Fl ange 2-D drawing 图 10. Coordinate system of F/T sensor

JAKA Zu Sp 11
Chapter 6 Sensor Size of Each type of JAKA zu sp
6.1 JAKA Zu3 sp
图 8. F/T Sensor 2-D drawing
图 9. Flange 2-D drawing
图 10.
Coordinate system of F/T sensor

12 JAKA Zu Sp
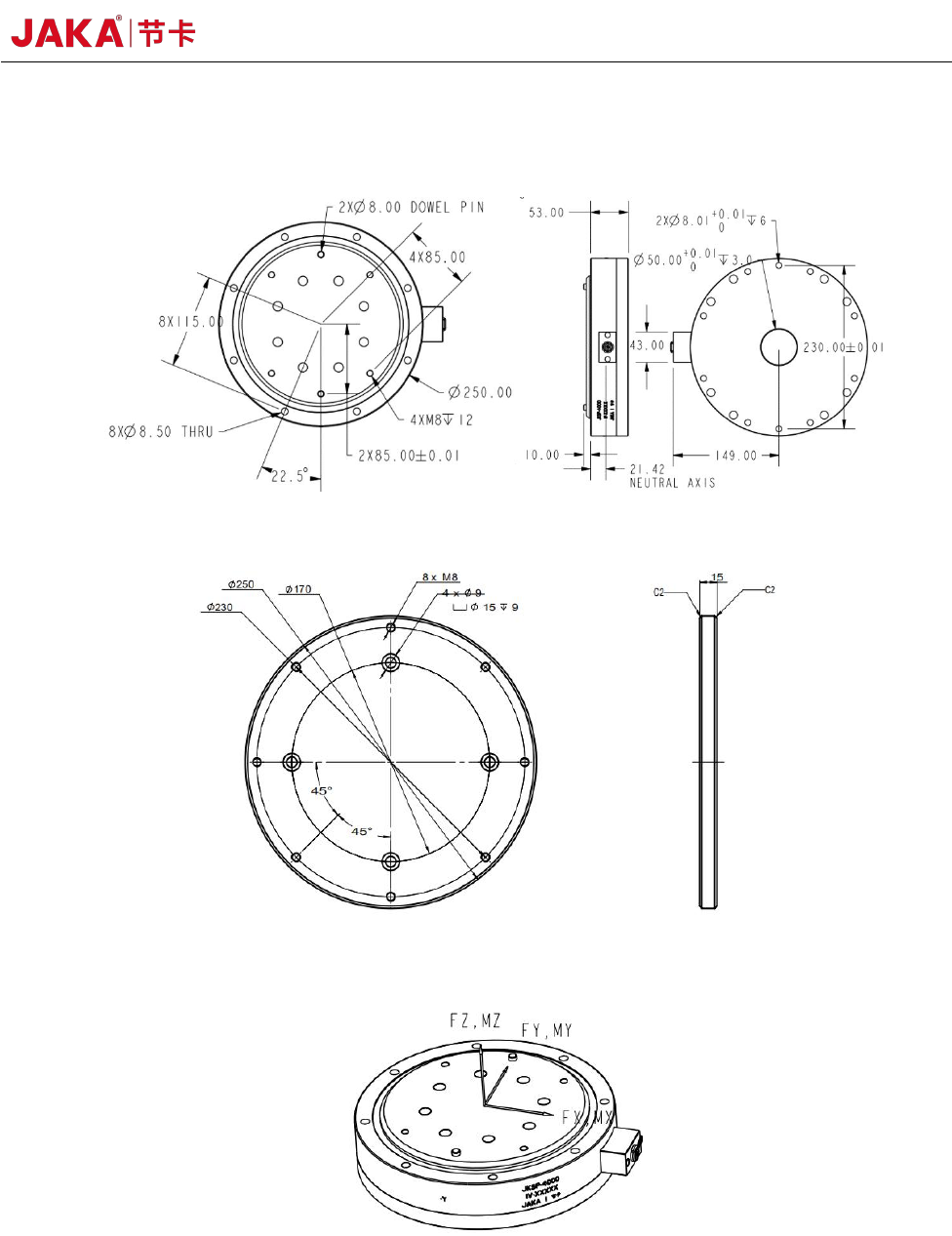
6.2 JAKA Zu7 sp
图 8. F/T Sensor 2-D drawing
图 9. Flange 2-D drawing
图 10. Coordinate system of F/T sensor

JAKA Zu Sp 13
6.3 JAKA Zu12 sp and JAKA Zu18 sp
图 8. F/T Sensor 2-D drawing
图 9. Flange 2-D drawing
图 10. Coordinate system of F/T sensor