8800401-3F_VT-S730_MaintenanceManual(C)PDFA.pdf - 第35页
2 . 装置规格 2- 11 上下游连接器规格 上游 下游侧 Pin No. I/O 信号名 (标准规格) 备注 1 O 上游 READY 2 - OUT_COM1 (Pin No.1 的通 用引 脚 ) 3 I 上游 END 4 - IN_COM (Pin No.3 的通 用引 脚 ) 5 - - 6 - - 7 - - 8 - - 9 - - 10 - - 11 - - 12 - - 13 - - 14 - - P in N…

2.装置规格
2-10
时序图(SMEMA 模式)
(1)基板搬入时序图(上游装置搬入基板)
上游装置持有基板,当本装置接收到可以搬出基板信号(上游输出的准备完成信号)后、
且装置本身处于可以接收基板的状态(从发出检查指令到到位传感器ON(传感器关闭))时、
向上游输出READY信号。(开始输出READY信号的同时,传送带开始运转、直至到位传
感器ON。)
传送带根据上游输出的准备完成信号进行运转。
当本装置处于不能接收基板的状态时(可以接收基板状态之外的状态),READY信号将
OFF。
(2)基板搬出时序图(搬出基板至下游装置)
本装置处于可以搬出基板状态时,输出检查结果信号(良品基板/不良品基板)。当下游装
置接收到检查结果信号后、会输出READY信号给本装置,本装置对READY信号进行确认
并开始搬出基板。
输送机上没有基板后、确认下游READY信号OFF、且检查结果信号OFF后,传送带将停止
运转(基板搬出完成)。
※ SMEMA 模式情况下,判定为良品基板时输出结果 A、判定为不良品基板时输出结果 A 与
结果 B。
传送带
上游 READY
( 输 出 给 上 游 装 置 的
READY 信号)
READY
到位传感器 ON
BUSY
ON
OFF
运转
ON
停止
OFF
输出结果 A 或结果 B 信号※
上游 END
(从上游装置输入的“上游
准备完成”信号)
输送机运转
下游 READY
(从下游装置输入的
“READY”信号)
READY
下游 READY
( 从 下 游 装 置 输 入 的
“READY”信号)
BUSY
ON
OFF
ON
OFF
ON
OFF
从下游装置下游 Ready信号
OFF

2.装置规格
2-11
上下游连接器规格
上游
下游侧
Pin No.
I/O
信号名
(标准规格)
备注
1
O
上游 READY
2
-
OUT_COM1
(Pin No.1 的通用引
脚)
3
I
上游 END
4
-
IN_COM
(Pin No.3 的通用引
脚)
5
-
-
6
-
-
7
-
-
8
-
-
9
-
-
10
-
-
11
-
-
12
-
-
13
-
-
14
-
-
Pin No.
I/O
信号名
(标准规格)
备注
1
I
下游 READY
2
-
IN_COM
(Pin No.1 的通用引
脚)
3
O
結果 A
4
-
OUT_COM3
(Pin No.3、5 的通用
引脚)
5
O
結果 B
6
-
-
7
-
-
8
-
-
9
-
-
10
-
-
11
-
-
12
-
-
13
-
-
14
-
-
检查装置侧的连接器(S720)
连接器 206043-1(AMP)
接触件 66105-3 (AMP)
外接设备指定连接器(UNLD)
连接器 206044-1(AMP)
连接器外壳 206070-1(AMP)
引脚 170250-1(AMP)
检查装置侧的连接器(S720)
连接器 206043-1(AMP)
接触件 66105-3 (AMP)
外接设备指定连接器(LD)
连接器 206044-1(AMP)
连接器外壳 206070-1(AMP)
引脚 170250-1(AMP)

2.装置规格
2-12
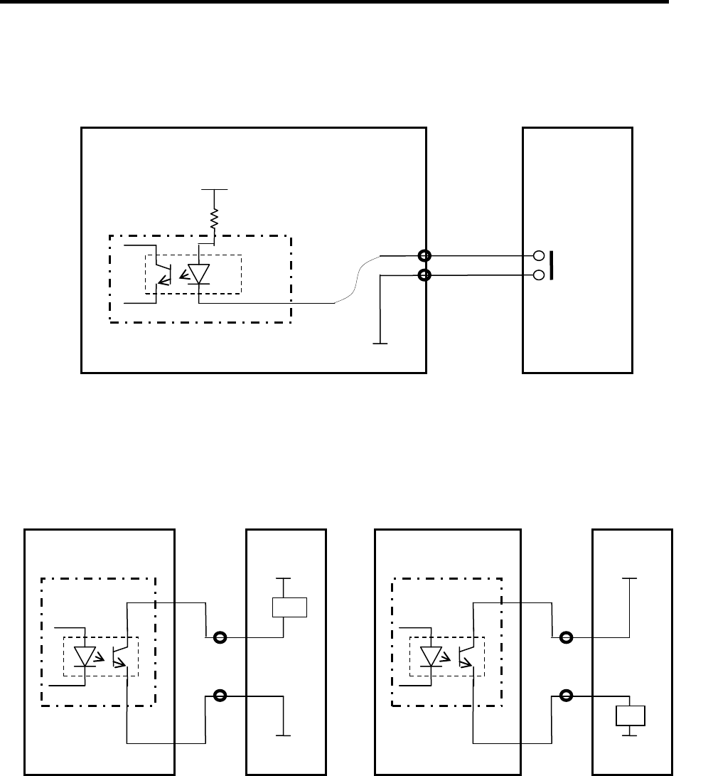
输入输出内部连接
(1)输入模式
注:IN-COM是上下游所有输入的公共端。
(2)输出模式
注:OUT-COM 是各输出单独的接地点。
上下游装置最大流经电流为 500mA。
Vcc(连接器)侧及 GND(发射极)侧均可连接负载。
流经本装置内的非接触式继电器的最大电流为 10mA。
本装置
上下游装置
输入部分
IN
IN_COM
GND
24V
上下游装置
输出部分
OUT
OUT
_COM
VCC
负载
上下游装置
输出部分
OUT
OUT
_COM
VCC
负载
连接器负载
发射极负载