KE-3020_KE-3020R-Rev06.pdf - 第201页
- 194 - NOTE( 注記 ) #01....FOR EN EN 用 #02....OPTIONAL PARTS オプション部品 #03....UNTIL MACHINE REV.C マシン Rev.C まで #04....AFTER MACHINE REV.D マシン Rev.D 以降 REF.NO NO TE PART NO D E S C R I P T I O N 品 名 Qty 1 400-92568 LEFT SENS…

- 193 -
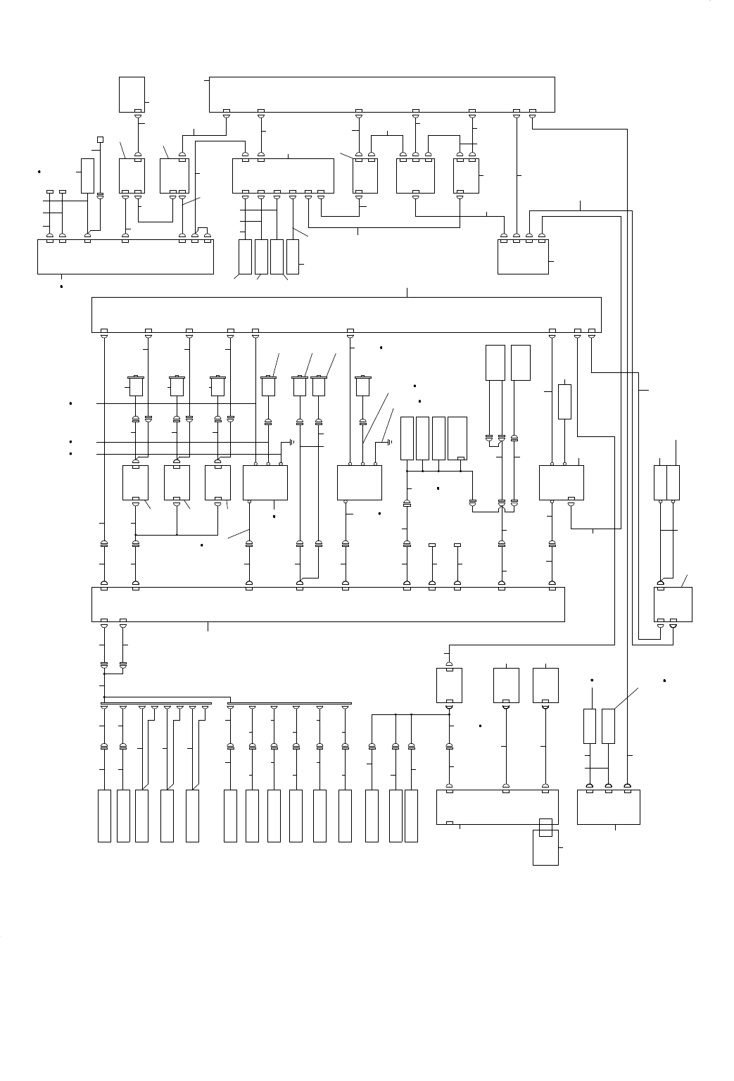
97.SYSTEM DIAGRAM(4)
SYSTEM DIAGRAM(4)
MONITOR(F)
MONITOR(R)
ATX-POWER
MOUSE
KEY BOARD
MOUSE
KEY BOARD
VCS CAMERA
VCS CAMERA
LENZE
OP
LENZE
ST
VCS S.V.
CABLE ASM
VCS ST SENSOR
ASM
VCS OP SENSOR
ASM
LOAD CELL
ASM
LOAD
CELL AMP
RIGHT SENSOR
AWC ORG
SENSOR
T.PIN SENSOR
BU PIN SENSOR
(RECEIVING)
BU LOCK
SENSOR
BU ORG SENSOR
COUT SENSOR
STOP SENSOR
WAIT SENSOR
BU PIN SENSOR
(EMISSION)
LEFT SENSOR
SMEMA
(UPPER
UNIT)
SMEMA
(LOWER
UNIT)
(BU L LOCK SV)
SHAPE Y SV
AWC
MOTOR
5PHASE DRIVER
AWC
MOTOR
BU UP
ENCODER
BU UP
MOTOR
5PHASE DRIVER
OUT
MOTOR
CENT
MOTOR
IN
MOTOR
OUT MOTOR DRV
CENT MOTOR DRV
IN MOTOR DRV
STOPPER SV
3-5B
1-2D
RS232C
DC12V
VIDEO
RS232C
CN8
CN10
HOST
COM
RS2
NTSC1
0ONSOL
SW
RSPC
DCIN
VIDEO
DC12V
CN5
LCDB
LCDA
RS1
MS2
KB2
MS1
KB1
KB/MS PC
CN22
VOUT
AC2
AC1
2-1B
IP-X7
PCB
COAXIAL
LIGHT PCB
2-1A
SIDE LIGHT
UNIT
BACK
LIGHT PCB
LIGHT
CTRL PCB
BOTTOM
LIGHT PCB
CN4
CN1
CN3
CN1
CN1
CN2
CN476
CN474
CN475
CN471
(CN470)
CN1
CN2 CN6
CN10
CN1
CN8
CN5
CN15
FLUXER
UNIT ASM
(BANK)
FLUX BANK
4P
2P
FLUXER
UNIT ASM
(BASE)
FLUXER1
FLUX SV
EV
CN8
CN21
SB2
CN10
CN9
CN23
CN22
SB1
CN4
CN3
CN909
(SAFTY UNIT)
CN13
CN25
CN27
CN12
CN16
AWCM
CN11
AWCE
BUE
BUM
CN12
CN14
CN14
CN17
CN18
CN17
CN15
CN14
CN33
CN35
CN34
INM-P
INM
INM-P
INM
INM-P
INM
CN2
CN1
CN2
CN1
CN2
CN1
CN16
CN12
2-5B
BASE I/O
PCB
3-3B
POWER
UNIT
1
2
3
4
579
11
12
13
14
15
16
17
18
19
20
21
22
23
24
25
26
27
28
29
30 32
31 33
42
43
44 45
34
35
37
39
36
40
46 48
4947
50
51
53
54 56
575552
60
61
62
58
59
63
64
99
98
97
94
95
96
91
90
898884
85
86
87
82
83
80
81
78 79
7572
76
77
73
70
69 71 74
107
108
109
110
111
112
116
117
118
119
120
114
115
113
121
122
8
100
106
65
66
67
68
50 50
53 53
IEEE1394 BOARD
CVS
CONTACT(-)
CVS
CONTACT(+)
CN3
CN1
CN2
CN28
CVS PCB
COMC
2-4B
COMD
COMB
COMA
COPLA
SENSOR HEAD
COPLA MONITOR
SWITCH BOARD
COPLA CPU BOAD
SSD
CPU BOARD
SUPER
IMPOSE
BOARD
1-2D
1-4A
LAN2 LAN
LAN1
LAN
DVI1
CN2
CN3
CN1
2-5B
LAMP
LAMP
HDD
USB
USB
DVI1
KB
MOUSE
HOST
128
107
108
103
102
101
104
143
124
125
106
130
105
127
126
129
123
136
134
137
141
140
139
131
132
135
38
41
133
138 142
FLUXER2
92
93

- 194 -
NOTE( 注記 ) #01....FOR EN EN 用
#02....OPTIONAL PARTS オプション部品
#03....UNTIL MACHINE REV.C マシン Rev.C まで
#04....AFTER MACHINE REV.D マシン Rev.D 以降
REF.NO NOTE PART NO D E S C R I P T I O N
品 名
Qty
1 400-92568 LEFT SENS ASM
レフトセンサ組
1
2 400-92557 LEFT SENS CABLE ASM
レフトセンサケーブル組
1
3 400-92569 BU PIN SENSOR EMISSION ASM
BU PIN 投光センサ組
1
4 400-92558 BU PIN(EMISSION) CABLE ASM
BU PIN 投光センサ中継ケーブル組
1
5 401-87869 WAIT SENSOR ASM
WAITセンサ組
1
6 400-48083 15INCH LCD MODULE
15インチLCDモジュール
1
7 401-87870 STOP SENSOR ASM
STOPセンサ組
1
8 400-48032 PANEL LINK CABLE 4.5M
パネルリンクケーブル 4.5M
1
9 401-87871 C.OUT SENSOR ASM
C.OUTセンサ組
1
10 400-02264 OP-232C CABLE ASM
オプション232Cケーブル組
1
11 400-92573 BU ORG SENS ASM
BU原点センサ組
1
12 400-92562 BU ORG SENS CABLE ASM
BU原点センサケーブル組
1
13 400-92574 BU LOCK SENS ASM
BU ロックセンサ組
1
14 400-92563 BU LOCK SENS CABLE ASM
BU ロックセンサケーブル組
1
15 400-92575 BU PIN SENSOR RECEIVER ASM
BU PIN 受光センサ組
1
16 400-92564 BU PIN(RECEVING) CABLE ASM
BU PIN 受光センサ中継ケーブル組
1
17 400-92576 T.PIN SENS ASM
TPIN センサ組
1
18 400-92565 TPIN SENS CABLE ASM
TPIN センサケーブル組
1
19 400-92577 AWC ORG SENS ASM
AWC原点センサ組
1
20 400-92566 AWC ORG SENS CABLE ASM
AWC原点センサケーブル組
1
21 400-92578 RIGHT SENS ASM
ライトセンサ組
1
22 400-92567 RIGHT SENS CABLE ASM
ライトセンサケーブル組
1
23 400-02147 VCS OP SENS ASM
VCS OPセンサ組
1
24 400-02146 VCS ST SENS ASM
VCS STセンサ組
1
25 400-02148 VCS SV CABLE ASM
VCS SVケーブル組
1
26 400-66578 BOTTOM LIGHT PCB ASM
ボトムライト基板組
1
27
#01
400-02145 VCS LIGHT RELAY CABLE ASM
VCSライトリレーケーブル組
1
28 400-92595 VCS LIGHT CABLE ASM
VCSライトケーブル組
1
29
#02
400-92596 VCS LIGHT (OP) CABLE ASM
VCSライトケーブル組(OP)
1
30 400-02142 BACKLIGHT WIRE ASM
バックライトワイヤ組
1
31 400-66577 BACK LIGHT PCB ASM
バックライト基板組
1
32 400-02143 SIDELIGHT WIRE ASM
サイドライトワイヤ組
1
33 400-71183 SIDE LIGHT ASM
サイドライト組
1
34 400-66576 COAXIAL LIGHT PCB ASM
同軸照明基板組
1
35 400-92597 VCS CAMERA ST CABLE ASM
VCSカメラケーブル組(ST)
1
36 400-71669 VCS CAMERA
VCSカメラ
1
37 400-92598 VCS CAMERA OP CABLE ASM
VCSカメラケーブル組(OP)
1
38 400-71669 VCS CAMERA
VCSカメラ
1
39 E9623-721-000 PORTRAIT MONITOR CABLE
画像モニタケーブル
1
40 400-71668 LENZE STD
レンズSTD
1
41 400-71667 LENZE OPT
レンズOPT
1
42 400-92594 LIGHT CONTROL POWER ASM
ライトコントロール電源ケーブル組
1
43 400-92556 SB CABLE ASM
センサブロック束線組
1
44 400-92634 BASE-IO SPWR-LR RLY CABLE ASM
BASE−IO SPWR−LR
1
45 400-92631 BASE-IO SENS RLY CABLE ASM
BASE−IO SENS 中継
1
46 400-92630 BASE-IO POWER RLY CABLE ASM
BASE−IO パワー中継ケーブル組
1
47 400-92552 BASE-IO PWR CABLE ASM
BASE−IO 電源ケーブル組
1
48 400-92628 BASE-IO MTR1-3 RLY CABLE ASM
BASE−IO MTR1−3中継ケーブル組
1
49 400-92543 MT1-3 PULSE CABLE ASM
モータ1−3パルスケーブル組
1
50 HM-0013200-00 MOTOR DRIVER
モータドライバ
3
51 400-92540 IN-MOTOR CABLE ASM
IN モータリレーケーブル組
1
52 400-92537 IN MOTOR PWR CABLE ASM
IN モータ電源ケーブル組
1
53 400-48074 CENTER MOTOR ASM
センタモータ組
3
54 400-92541 CENT-MOTOR CABLE ASM
CENT モータリレーケーブル組
1
55 400-92538 CENT MOTOR PWR CABLE ASM
CENT モータ電源ケーブル組
1
56 400-92542 OUT-MOTOR CABLE ASM
OUT モータリレーケーブル組
1
57 400-92539 OUT MOTOR PWR CABLE ASM
OUT モータ電源ケーブル組
1
58 HX-0042000-00 5 PHASE STEP DRIVER
5相ステッピングモータドライバ
1
59
#01
HX-0054500-00 5 PHASE STEP DRIVER
5相ステッピングモータドライバ
1
60 400-92629 BASE-IO MTR4-5 RLY CABLE ASM
BASE−IO MTR4−5中継ケーブル組
1
61 400-92544 BU DRIVE CABLE ASM
バックアップモータケーブル組
1
62
#01
400-92545 BU DRIVE CABLE ASM(EN)
バックアップモータケーブル組(EN)
1
63 400-92429 BU DRV PWR CABLE ASM
BU ドライバ電源ケーブル組
1
64
#01
400-92430 BU DRV PWR CABLE ASM(EN)
BU ドライバ電源ケーブル組(EN)
1
65 400-92546 BU MOTOR CABLE ASM
バックアップモータケーブル組
1
66
#01
400-92547 BU MOTOR CABLE ASM(EN)
バックアップモータケーブル組(
1
67 400-92431 BU DRV FG CABLE ASM
BU ドライバ FG ケーブル組
1
68
#01
400-92432 BU DRV FG CABLE ASM(EN)
BU ドライバ FG ケーブル組
1
69 400-48076 BACK UP MOTOR ASM
バックアップモータ組
1
70 400-92548 BU ENC CABLE ASM
BU エンコーダケーブル組
1
71 E9433-729-0A0 BU ENC ASM.
BU ENC組
1
72 400-92626 BASE-IO ENC RLY CABLE ASM
BASE−IO ENC 中継ケーブル組
1
73 400-92551 AWC ENC CABLE ASM
AWC エンコーダケーブル組
1
74 400-48077 AWC MOTOR ASM
幅調モータ組
1
75 400-92629 BASE-IO MTR4-5 RLY CABLE ASM
BASE−IO MTR4−5中継ケーブル組
1
76 400-92660 AWC DRIVE CABLE ASM
AWCモータケーブル組
1
77
#01
400-92661 AWC DRIVE CABLE ASM(EN)
AWCモータケーブル組(EN)
1
78 400-92425 AWC DRV PWR CABLE ASM
AWC ドライバ電源ケーブル組
1
79
#01
400-92426 AWC DRV PWR CABLE ASM(EN)
AWC ドライバ電源ケーブル組
1
80 400-92549 AWC MOTOR CABLE ASM
AWC モータケーブル組
1
81
#01
400-92550 AWC MOTOR CABLE ASM(EN)
AWC モータケーブル組(EN
1
82 400-92427 AWC DRV FG CABLE ASM
AWC ドライバ FG ケーブル組
1
83
#01
400-92428 AWC DRV FG CABLE ASM(EN)
AWC ドライバ FG ケーブル組
1
84 400-92633 BASE-IO SOL RLY CABLE ASM
BASE−IO SOL 中継ケーブル組
1
85 400-97625 SV CABLE ASM
ソレノイドバルブケーブル組
1
86 400-97606 SV WIRE ASM
ソレノイドバルブ ワイヤー組
1
87
#01
400-97607 SV WIRE ASM (EN)
ソレノイドバルブ(EN)ワイヤ
1
88 400-92554 SMEMA IN CABLE ASM
スメマ INケーブル組
1
89 400-92555 SMEMA OUT CABLE ASM
スメマ OUT ケーブル組
1
90 400-92632 BASE-IO SENS-FX RLY CABLE ASM
BASE−IO SENS−FX中継ケーブル組
1
91 400-97608 FLUXER RELAY CABLE ASM
フラクサ中継ケーブル組
1
92 400-99908 FLUXER BASE RELAY CABLE ASM
フラクサベース中継ケーブル組
1
93 400-99909 FLUXER BANK RELAY CABLE ASM
フラクサバンク中継ケーブル組
1
94 400-92624 BASE-IO AN-IN RLY CABLE ASM
BASE−IO AN−IN 中
1
95 400-95132 LOAD CELL ANAROG CABLE ASM
ロードセルアナログケーブル組
1
96 400-32128 LOAD CELL AMPLIFIER
ロードセルアンプ
1
97 400-92592 LOAD CELL CTRL CABLE ASM
ロードセルコントロールケーブル
1
98 400-31620 LOAD CELL ASM
ロードセル組
1
99 400-92591 LOAD CELL AMP PWR CABLE ASM
ロードセルアンプ電源ケーブル組
1
100 400-92589 R LCD POWER CABLE ASM
リア LCD 電源ケーブル組
1
101 400-44522 USB RELAY CABLE
USB延長ケーブル
1
102 400-44522 USB RELAY CABLE
USB延長ケーブル
1
103 400-47492 HDD I/F CABLE ASM
HDDインターフェイスケーブル組
1
104
#03
400-71558 SSD ASM
SSD組
1
105 400-03312 PANEL LINK CABLE
パネルリンクケーブル
1
106 400-03282 MOUSE/KEYBOARD SELECTOR CABLE ASM.
マウス/キーボード切換器ケーブル組
1
107 400-03318 KEY BOARD SP ASM
キーボードスペーサ追加組
2
108 400-80173 OPTICAL SCROLL MOUSE
光学式スクロールマウス
2
109 400-02302 KEYBOARD CABLE ASM
キーボードケーブル組
1
110 400-02301 MOUSE CABLE ASM
マウスケーブル組
1
111 400-99474 R-KEY BOARD CABLE ASM
R−キーボードケーブル組
1
112 400-99473 R-MOUSE CABLE ASM
R−マウスケーブル組
1
113 400-03281 MOUSE/KEYBOARD SELECTOR
マウス/キーボード切換器
1
114 400-02264 OP-232C CABLE ASM
オプション232Cケーブル組
1
115 400-48082 SUPER INPAUSE BOARD
スーパーインポーズボード
1
116 400-47937 OP-232C CABLE (R) ASM
232Cケーブル(R)組
1
117 400-27815 F-232C CABLE ASM
F−232Cケーブル組
1
118 400-48083 15INCH LCD MODULE
15インチLCDモジュール
1
119 400-48031 PANEL LINK CABLE 1M
パネルリンクケーブル 1M
1
120 400-92588 F LCD POWER CABLE ASM
フロント LCD 電源ケーブル組
1
121 400-48030 UPS 232C CABLE ASM
UPS通信ケーブル組
1
122 400-92590 INPAUSE BOARD PWR CABLE ASM
インポーズ基板電源ケーブル組
1
123 400-02325 HDD ACCESS LAMP ASM
HDDアクセスランプ組
1
124 HW-0018100-80 SHIELDED CABLE
LANケーブル
1
125 400-48031 PANEL LINK CABLE 1M
パネルリンクケーブル 1M
1
126 400-97209 CPU BOARD
CPUボード
1
127 400-97426 COPLA LAN CABLE
コプラLANケーブル
1
128 400-97422 COPLANARITY SENSOR
コプラナリティセンサー
1
129 400-97434 COPLA MONITOR SWITCH BOARD
コプラモニタ切換えボード
1
130 400-48031 PANEL LINK CABLE 1M
パネルリンクケーブル 1M
1
131 400-48003 IEEE1394 BOARD
IEEE1394ボード
1
132 401-01187 CVS COMM CABLE ASM
CVS通信ケーブル組
1
133 401-01186 CVS POWER CABLE ASM
CVS電源ケーブル組
1
134 401-03180 CVS CONTACT CABLE(+) ASM
CVSコンタクトケーブル(+)組
1
135 401-05380 CVS CONTACT CABLE(-) ASM
CVSコンタクトケーブル(−)組
1
136 401-01188 CVS PROBE CABLE ASM
CVSプローブケーブル組
1
137 400-95117 CVS PCB ASM
CVS基板組
1
138
#03
400-44475 CPU BOARD
CPUボード
1
139 400-94736 POWER UNIT
電源ユニット
1
140 400-71680 BASE IO PCB ASM
ベースI0基板組
1
141 400-71300 IPX7 ASM
IPX7組
1
142
#04
401-13723 CPU BOARD
CPUボード
1
143
#04
401-13004 SSD ASM(132)
SSD組(132)
1

- 195 -
98.SYSTEM DIAGRAM(5)
SYSTEM DIAGRAM(5)
㹁㹌㸮㸯ࠉ㹄㹐㹍㹌㹒ࠉ㸯
ࠉࠉࠉࠉ㸦㹐㹃㸿㹐ࠉࠉ㸲㸮㸧
㸿㹌㹒
㹍㹓㹒
㹇㹌
㹐㹄㹇㹂
㹐㹄㹇㹂ࠉ㸿㹌㹒㹃㹌㹌㸿
㹍㹎㹒㹇㹍㹌
㸦㹐㹄㹇㹂ࠉ㸦㹄㸧ࠉ㸧
㹐㹄ࠉ㹇㹂
㹀㸿㹌㹉㸱㸴㸫㸲㸮
㹀㸿㹌㹉㸱㸯㸫㸱㸳
㹀㸿㹌㹉㸰㸴㸫㸱㸮
㹀㸿㹌㹉㸰㸯㸫㸰㸳
㹀㸿㹌㹉㸯㸴㸫㸰㸮
㹀㸿㹌㹉㸯㸯㸫㸯㸳
㹀㸿㹌㹉㸮㸴㸫㸯㸮
㹀㸿㹌㹉㸮㸯㸫㸮㸳
㹁㹎ࠉ㹇㹌
㹁㹎ࠉ㹍㹓㹒
㹃ࠉ㹀㸿㹌㹉ࠉ㹒㹐㹍㹊㹊㹃㹗ࠉ㹓㹌㹇㹒㸦㹄㸧
㹁㹌㸱㸴㸫㸲㸮
㹁㹌㸱㸯㸫㸱㸳
㹁㹌㸰㸴㸫㸱㸮
㹁㹌㸰㸯㸫㸰㸳
㹁㹌㸱㸳ࠉࠉ㹄㹐㹍㹌㹒ࠉ㸱㸳
㹁㹌㸱㸲ࠉࠉ㹄㹐㹍㹌㹒ࠉ㸱㸲
㹁㹌㸱㸱ࠉࠉ㹄㹐㹍㹌㹒ࠉ㸱㸱
㹁㹌㸱㸰ࠉࠉ㹄㹐㹍㹌㹒ࠉ㸱㸰
㹁㹌㸱㸯ࠉࠉ㹄㹐㹍㹌㹒ࠉ㸱㸯
㹁㹌㸲㸮ࠉࠉ㹄㹐㹍㹌㹒ࠉ㸲㸮
㹁㹌㸱㸷ࠉࠉ㹄㹐㹍㹌㹒ࠉ㸱㸷
㹁㹌㸱㸶ࠉࠉ㹄㹐㹍㹌㹒ࠉ㸱㸶
㹁㹌㸱㸵ࠉࠉ㹄㹐㹍㹌㹒ࠉ㸱㸵
㹁㹌㸱㸴ࠉࠉ㹄㹐㹍㹌㹒ࠉ㸱㸴
㹁㹌㸰㸳ࠉࠉ㹄㹐㹍㹌㹒ࠉ㸰㸳
㹁㹌㸰㸲ࠉࠉ㹄㹐㹍㹌㹒ࠉ㸰㸲
㹁㹌㸰㸱ࠉࠉ㹄㹐㹍㹌㹒ࠉ㸰㸱
㹁㹌㸰㸰ࠉࠉ㹄㹐㹍㹌㹒ࠉ㸰㸰
㹁㹌㸰㸯ࠉࠉ㹄㹐㹍㹌㹒ࠉ㸰㸯
㹁㹌㸱㸮ࠉࠉ㹄㹐㹍㹌㹒ࠉ㸱㸮
㹁㹌㸰㸷ࠉࠉ㹄㹐㹍㹌㹒ࠉ㸰㸷
㹁㹌㸰㸶ࠉࠉ㹄㹐㹍㹌㹒ࠉ㸰㸶
㹁㹌㸰㸵ࠉࠉ㹄㹐㹍㹌㹒ࠉ㸰㸵
㹁㹌㸰㸴ࠉࠉ㹄㹐㹍㹌㹒ࠉ㸰㸴
㹁㹌㸯㸴㸫㸰㸮
㹁㹌㸮㸴㸫㸯㸮
㹁㹌㸯㸯㸫㸯㸳
㹁㹌㸯㸳ࠉࠉ㹄㹐㹍㹌㹒ࠉ㸯㸳
㹁㹌㸯㸲ࠉࠉ㹄㹐㹍㹌㹒ࠉ㸯㸲
㹁㹌㸯㸱ࠉࠉ㹄㹐㹍㹌㹒ࠉ㸯㸱
㹁㹌㸯㸰ࠉࠉ㹄㹐㹍㹌㹒ࠉ㸯㸰
㹁㹌㸯㸯ࠉࠉ㹄㹐㹍㹌㹒ࠉ㸯㸯
㹁㹌㸰㸮ࠉࠉ㹄㹐㹍㹌㹒ࠉ㸰㸮
㹁㹌㸯㸷ࠉࠉ㹄㹐㹍㹌㹒ࠉ㸯㸷
㹁㹌㸯㸶ࠉࠉ㹄㹐㹍㹌㹒ࠉ㸯㸶
㹁㹌㸯㸵ࠉࠉ㹄㹐㹍㹌㹒ࠉ㸯㸵
㹁㹌㸯㸴ࠉࠉ㹄㹐㹍㹌㹒ࠉ㸯㸴
㹁㹌㸮㸳ࠉࠉ㹄㹐㹍㹌㹒ࠉ㸳
㹁㹌㸮㸲ࠉࠉ㹄㹐㹍㹌㹒ࠉ㸲
㹁㹌㸮㸱ࠉࠉ㹄㹐㹍㹌㹒ࠉ㸱
㹁㹌㸮㸰ࠉࠉ㹄㹐㹍㹌㹒ࠉ㸰
㹁㹌㸮㸯ࠉࠉ㹄㹐㹍㹌㹒ࠉ㸯
㹁㹌㸯㸮ࠉࠉ㹄㹐㹍㹌㹒ࠉ㸯㸮
㹁㹌㸮㸷ࠉࠉ㹄㹐㹍㹌㹒ࠉ㸷
㹁㹌㸮㸶ࠉࠉ㹄㹐㹍㹌㹒ࠉ㸶
㹁㹌㸮㸵ࠉࠉ㹄㹐㹍㹌㹒ࠉ㸵
㹁㹌㸮㸴ࠉࠉ㹄㹐㹍㹌㹒ࠉ㸴
㹁㹌㸮㸯㸫㸮㸳
㹇㹌
㹍㹓㹒
㹁㹎
㹁㹌㸲㸱
㹀㹉㸲㸱
㹁㹌㸲㸯
㹀㹉㸱㸯
㹁㹌㸲㸰
㹀㹉㸲㸲
㸦㹕㹇㹒㹆ࠉ㹁㹍㹔㹃㹐㸧
㹁㹌㸯㸵㸳㸴
㹀㹉㸲㸰
㹐㹊㹗
㹄㹅
㹄㹅
㹃㹊㹃㹁ࠉ㹀㸿㹌㹉ࠉ㸯㸮ࠉ㹎㹁㹀ࠉ㸿㹑㹋ࠉ㹔㸰
㹁㹌㸱㸳ࠉࠉ㹐㹃㸿㹐ࠉ㸴
㹁㹌㸱㸲ࠉࠉ㹐㹃㸿㹐ࠉ㸵
㹁㹌㸱㸱ࠉࠉ㹐㹃㸿㹐ࠉ㸶
㹁㹌㸱㸰ࠉࠉ㹐㹃㸿㹐ࠉ㸷
㹁㹌㸱㸯ࠉࠉ㹐㹃㸿㹐ࠉ㸯㸮
㹁㹌㸲㸮ࠉࠉ㹐㹃㸿㹐ࠉ㸯
㹁㹌㸱㸷ࠉࠉ㹐㹃㸿㹐ࠉ㸰
㹁㹌㸱㸶ࠉࠉ㹐㹃㸿㹐ࠉ㸱
㹁㹌㸱㸵ࠉࠉ㹐㹃㸿㹐ࠉ㸲
㹁㹌㸱㸴ࠉࠉ㹐㹃㸿㹐ࠉ㸳
㹁㹌㸰㸳ࠉࠉ㹐㹃㸿㹐ࠉ㸯㸴
㹁㹌㸰㸲ࠉࠉ㹐㹃㸿㹐ࠉ㸯㸵
㹁㹌㸰㸱ࠉࠉ㹐㹃㸿㹐ࠉ㸯㸶
㹁㹌㸰㸰ࠉࠉ㹐㹃㸿㹐ࠉ㸯㸷
㹁㹌㸰㸯ࠉࠉ㹐㹃㸿㹐ࠉ㸰㸮
㹁㹌㸱㸮ࠉࠉ㹐㹃㸿㹐ࠉ㸯㸯
㹁㹌㸰㸷ࠉࠉ㹐㹃㸿㹐ࠉ㸯㸰
㹁㹌㸰㸶ࠉࠉ㹐㹃㸿㹐ࠉ㸯㸱
㹁㹌㸰㸵ࠉࠉ㹐㹃㸿㹐ࠉ㸯㸲
㹁㹌㸰㸴ࠉࠉ㹐㹃㸿㹐ࠉ㸯㸳
㹁㹌㸯㸳ࠉࠉ㹐㹃㸿㹐ࠉ㸰㸴
㹁㹌㸯㸲ࠉࠉ㹐㹃㸿㹐ࠉ㸰㸵
㹁㹌㸯㸱ࠉࠉ㹐㹃㸿㹐ࠉ㸰㸶
㹁㹌㸯㸰ࠉࠉ㹐㹃㸿㹐ࠉ㸰㸷
㹁㹌㸯㸯ࠉࠉ㹐㹃㸿㹐ࠉ㸱㸮
㹁㹌㸰㸮ࠉࠉ㹐㹃㸿㹐ࠉ㸰㸯
㹁㹌㸯㸷ࠉࠉ㹐㹃㸿㹐ࠉ㸰㸰
㹁㹌㸯㸶ࠉࠉ㹐㹃㸿㹐ࠉ㸰㸱
㹁㹌㸯㸵ࠉࠉ㹐㹃㸿㹐ࠉ㸰㸲
㹁㹌㸯㸴ࠉࠉ㹐㹃㸿㹐ࠉ㸰㸳
㹁㹌㸯㸮ࠉࠉ㹐㹃㸿㹐ࠉ㸱㸯
㹁㹌㸮㸷ࠉࠉ㹐㹃㸿㹐ࠉ㸱㸰
㹁㹌㸮㸶ࠉࠉ㹐㹃㸿㹐ࠉ㸱㸱
㹁㹌㸮㸵ࠉࠉ㹐㹃㸿㹐ࠉ㸱㸲
㹁㹌㸮㸴ࠉࠉ㹐㹃㸿㹐ࠉ㸱㸳
㸴
㸯 㸰
㸲
㸱
㸳
㸵
㸷
㸶
㸯㸮
㸯㸯 㸯㸰 㸯㸱 㸯㸲 㸯㸳 㸯㸴
㸯㸵
㸯㸶
㸯㸷
㸯㸷
㸯㸶
㸯㸵
㸯㸴㸯㸳㸯㸲㸯㸱㸯㸰㸯㸯㸯㸮
㸶
㸷
㸵
㸳
㸱
㸲
㸯 㸰
㸴
㹃㹊㹃㹁ࠉ㹀㸿㹌㹉ࠉ㸯㸮ࠉ㹎㹁㹀ࠉ㸿㹑㹋ࠉ㹔㸰
㹄㹅
㹄㹅
㹐㹊㹗
㹀㹉㸲㸰
㹁㹌㸯㸵㸳㸴
㸦㹕㹇㹒㹆ࠉ㹁㹍㹔㹃㹐㸧
㹀㹉㸲㸲
㹁㹌㸲㸰
㹀㹉㸱㸯
㹁㹌㸲㸯
㹀㹉㸲㸱
㹁㹌㸲㸱
㹁㹎
㹍㹓㹒
㹇㹌
㹁㹌㸮㸯㸫㸮㸳
㹁㹌㸮㸯ࠉࠉ㹐㹃㸿㹐ࠉ㸲㸮
㹁㹌㸮㸰ࠉࠉ㹐㹃㸿㹐ࠉ㸱㸷
㹁㹌㸮㸱ࠉࠉ㹐㹃㸿㹐ࠉ㸱㸶
㹁㹌㸮㸲ࠉࠉ㹐㹃㸿㹐ࠉ㸱㸵
㹁㹌㸮㸳ࠉࠉ㹐㹃㸿㹐ࠉ㸱㸴
㹁㹌㸯㸯㸫㸯㸳
㹁㹌㸮㸴㸫㸯㸮
㹁㹌㸯㸴㸫㸰㸮
㹁㹌㸰㸯㸫㸰㸳
㹁㹌㸰㸴㸫㸱㸮
㹁㹌㸱㸯㸫㸱㸳
㹁㹌㸱㸴㸫㸲㸮
㹃ࠉ㹀㸿㹌㹉ࠉ㹒㹐㹍㹊㹊㹃㹗ࠉ㹓㹌㹇㹒㸦㹐㸧
㹁㹎ࠉ㹍㹓㹒
㹁㹎ࠉ㹇㹌
㹀㸿㹌㹉㸮㸯㸫㸮㸳
㹀㸿㹌㹉㸮㸴㸫㸯㸮
㹀㸿㹌㹉㸯㸯㸫㸯㸳
㹀㸿㹌㹉㸯㸴㸫㸰㸮
㹀㸿㹌㹉㸰㸯㸫㸰㸳
㹀㸿㹌㹉㸰㸴㸫㸱㸮
㹀㸿㹌㹉㸱㸯㸫㸱㸳
㹀㸿㹌㹉㸱㸴㸫㸲㸮
㹐㹄ࠉ㹇㹂
㹍㹎㹒㹇㹍㹌
㸦㹐㹄㹇㹂ࠉ㸦㹐㸧ࠉ㸧
㹐㹄㹇㹂ࠉ㸿㹌㹒㹃㹌㹌㸿
㹐㹄㹇㹂
㹇㹌
㹍㹓㹒
㸿㹌㹒
㹁㹌㸮㸯ࠉ㹄㹐㹍㹌㹒ࠉ㸯
ࠉࠉࠉࠉ㸦㹐㹃㸿㹐ࠉࠉ㸲㸮㸧