4X3C-E-WDBA-0002-A4.pdf - 第13页
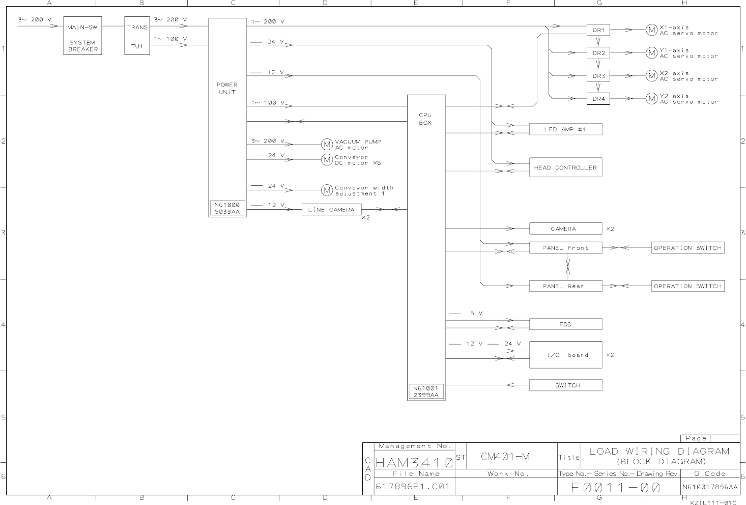
1. 1. LOAD WIRING DIAGRAM 1-1 BASE SECTION 4X3C-E-W DB0A-A 00-00

CONTENTS
No. DRAWING NAME DRAWING No. No. DRAWING NAME DRAWING No.
7
4-28 TRANSPORTATION OPENING SENSOR WIRING (RIGHT)
4-28-1 TRANSPORTATION OPENING SENSOR WIRING (RIGHT)
.........................................................N610023990AA-E0013-00
4-29 TRANSPORTATION OPENING SENSOR WIRING (LEFT)
4-29-1 TRANSPORTATION OPENING SENSOR WIRING (LEFT)
.........................................................N610018555AA-E0013-00
4-30 TRANSPORTATION OPENING SENSOR WIRING
(SIMPLE EX-TENSION CVR)
4-30-1 TRANSPORTATION OPENING SENSOR WIRING (LEFT EXCV)
.........................................................N610007357AA-E0010-00
4-30-2
TRANSPORTATION OPENING SENSOR WIRING (RIGHT EXCV)
.........................................................N610007357AA-E0020-00
4-31 No.2 MOUNT POSITION CONVEYOR WIRING
4-31-1 MOTOR WIRING 1........................................ K00KX-E0010-00
4-31-2 MOTOR WIRING 2........................................ K00KX-E0020-00
4-31-3 SENSOR WIRING......................................... K00KX-E0030-00
4-31-4 VALVE WIRING ............................................ K00KX-E0040-00
4-32 PANAPRO MEDIA CONVERTER WIRING
4-32-1 PanaPro/CVT LOAD WIRING.........N610018521AA-E0013-03
4-33 EXTENSION CONVEYOR WIRING FOR HINGE TYPE COVER
4-33-1 EXTENSION CONVEYOR COVER SW (Left side)
.........................................................N610001623AA-E0010-00
4-33-2 EXTENSION CONVEYOR COVER SW (Right side)
.........................................................N610001623AA-E0020-00
4-34 FLUX TRANSFERRING UNIT (TYPE EQUIPPED WITH TRUCK)
4-34-1 MACHINE to UNIT WIRING ............N610017838AA-E0013-02
4-34-2 SQUEEZE AXIS WIRING................N610017838AA-E0023-00
4-34-3 SET UP DIAGRAM..........................N610017838AA-E0033-00
4-35 MAIN BODY OF NG EXHAUST CONVEYOR (AC100) FRONT ROHS
REMODELING
4-35-1 NG CONVEYOR (AC 100 V)_Front WIRING
.........................................................N610037699AA-E0013-00
4-35-2 NG CONVEYOR (AC 100 V)_Front WIRING
.........................................................N610037699AA-E0023-00
4-36 MAIN BODY OF NG EXHAUST CONVEYOR (AC100) REAR ROHS
REMODELING
4-36-1 NG CONVEYOR (AC 100 V) WIRING ......................................
.........................................................N610039946AA-E0013-00
4-36-2 NG CONVEYOR (AC 100 V) WIRING ......................................
.........................................................N610039946AA-E0023-00

1.
1. LOAD WIRING DIAGRAM
1-1 BASE SECTION
4X3C-E-WDB0A-A00-00
