4X3C-E-WDBA-0002-A4.pdf - 第247页
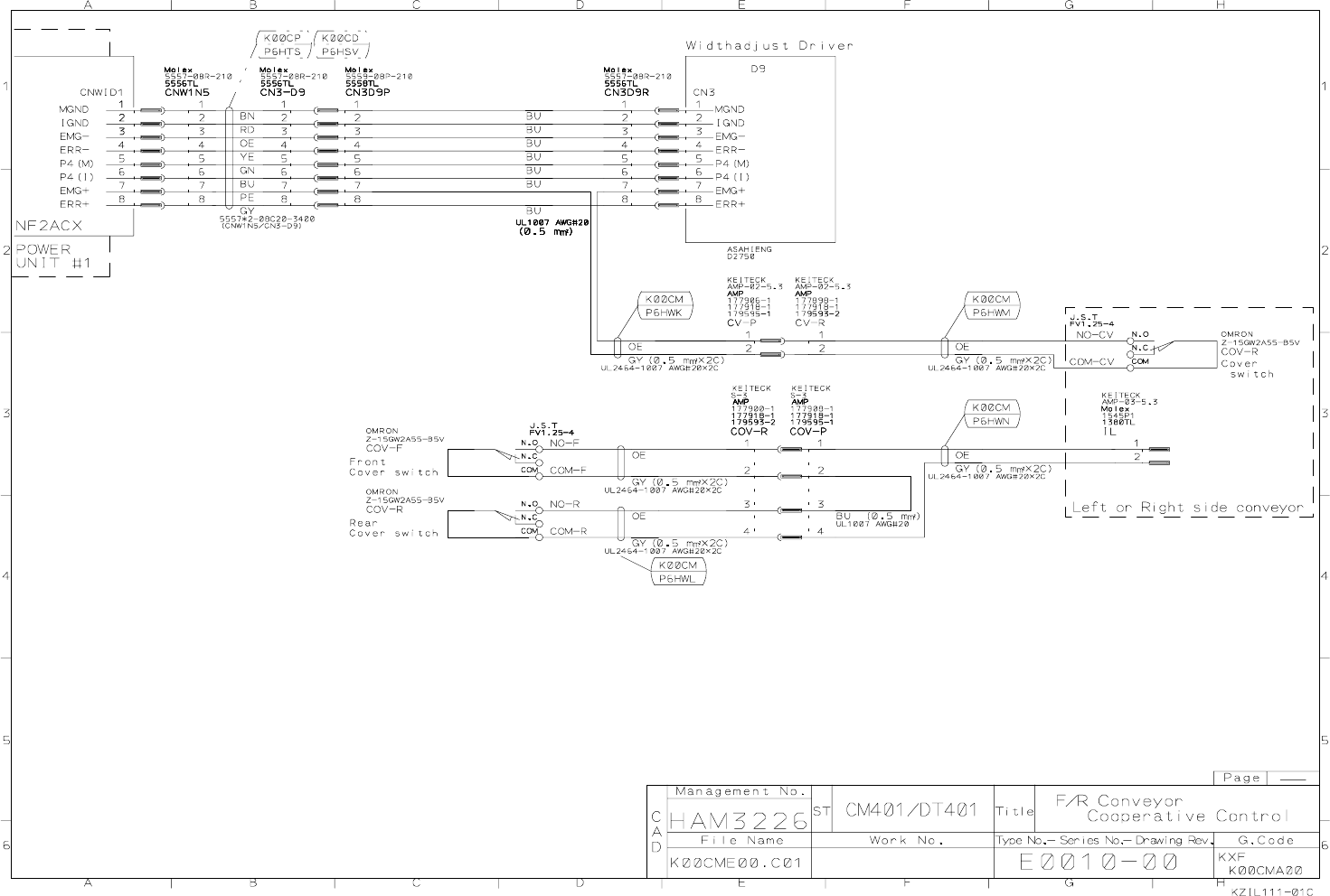
4. OPTION 4-24 F/R CONVEYOR COOPERATIVE CONTROL 4X3C-E-W DB0A-A 00-00

1.
= MEMO =
4X3C-E-WDB0A-A01-00

4. OPTION
4-24 F/R CONVEYOR COOPERATIVE CONTROL
4X3C-E-WDB0A-A00-00

4. OPTION 4-24 F/R CONVEYOR COOPERATIVE CONTROL 4X3C-E-W DB0A-A 00-00


