文档中心
/
4X3C-E-WDBA-0002-A4.pdf
4X3C-E-WDBA-0002-A4.pdf - 第169页
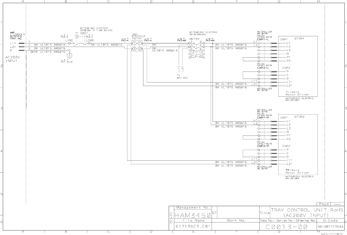
4. OPTION 4-7 TRAY POWER BOX DIA GR AM 4X3C-E-W DB0A-A 00-00
目录
100%
显示:宽度
宽度
1 / 292
回到旧版
旧版
?
1.
= MEMO
=
4X3C-E-W
DB0A-A
01-00
4. OPTION
4-7 TRAY POWER BOX DIA
GR
AM
4X3C-E-W
DB0A-A
00-00
该页面需要启用 JavaScript 才能进行交互式预览。