4X3C-E-WDBA-0002-A4.pdf - 第149页
4. OPTION 4-4 L A SER I/F WIRING (LOAD WIRING DIA GR A M) 4X3C-E-W DB0A-A 00-00


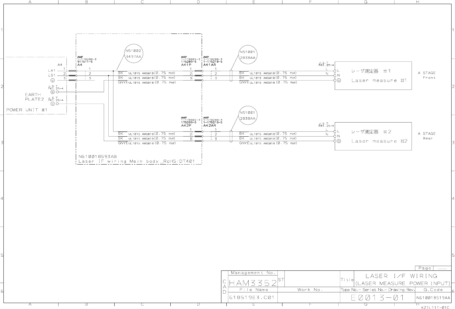
4. OPTION
4-4 LASER I/F WIRING (LOAD WIRING DIAGRAM)
4X3C-E-WDB0A-A00-00

4. OPTION 4-4 L A SER I/F WIRING (LOAD WIRING DIA GR A M) 4X3C-E-W DB0A-A 00-00


