文档中心
/
4X3C-E-WDBA-0002-A4.pdf
4X3C-E-WDBA-0002-A4.pdf - 第63页
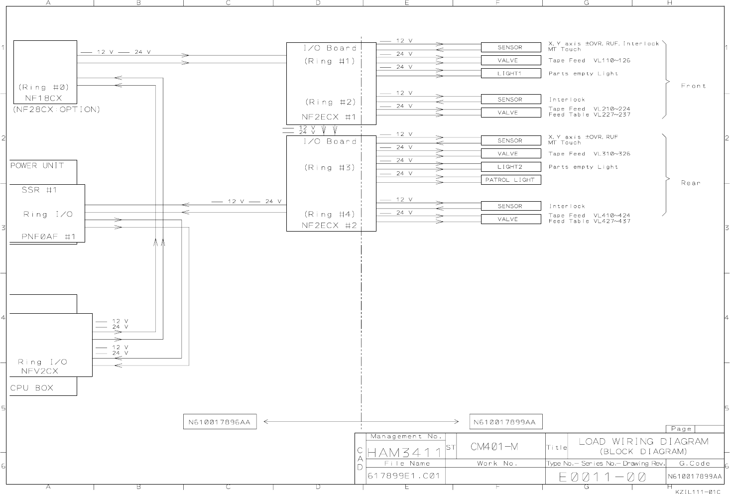
1. LOAD WIRING DIAGRAM 1-3 FEEDER SECTION 4X3C-E-W DB0A-A 00-00
目录
100%
显示:宽度
宽度
1 / 292
回到旧版
旧版
?
1. LOAD WIRING DIAGRAM
1-3 FEEDER SECTION
4X3C-E-W
DB0A-A
00-00
该页面需要启用 JavaScript 才能进行交互式预览。