4X3C-E-WDBA-0002-A4.pdf - 第249页
4. OPTION 4-25 POWER/SIGNAL for FA -COMP A NY CONVEYOR 4X3C-E-W DB0A-A 00-00


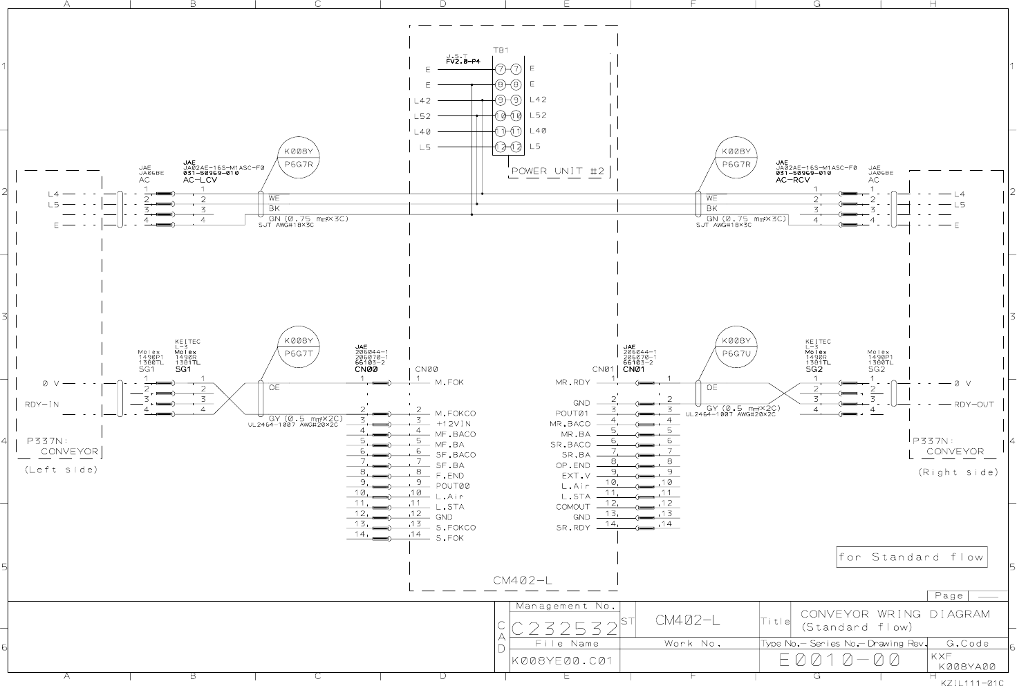
4. OPTION
4-25 POWER/SIGNAL for FA-COMPANY CONVEYOR
4X3C-E-WDB0A-A00-00

4. OPTION 4-25 POWER/SIGNAL for FA -COMP A NY CONVEYOR 4X3C-E-W DB0A-A 00-00


