SM Docking Cart.pdf - 第24页
Samsung SM-Seri es Docking Cart 下降时 : 只点击开关电磁阀 (Sol 1) 的手动按钮。 上升时 : 同时点击开关 (Sol 1)& 升、降电磁阀 (Sol 2) 的手动按钮。 1-16

Docking Cart
1-15
1.4.
Docking Cart 的设置及拆卸方法如下。
1. 使用本体下导 Cart 移动到 Docking Cart 轮所能指引的位置后, Feeder base 前垫
直到 Docking Block 为止向设备内部推进 Cart。此时,注意因移动过快 Cart 被弹
出。
2. 如果断定 Docking Cart 处于无法再前进的位置则按 MMI 上的 Docking Cart ‘UP’
按钮。(此时若 Cart 位置不正则汽缸不工作并显示警告信息。)
汽缸工作时向设备内部伸进手会受到伤害。
3. 要从设备拆卸 Cart 时按 MMI 的“DOWN”按钮。Feeder base 下降时能听出空压
漏气声。
4. 从设备分离出 Docking Cart。
1.5.
需要定期检查的项目如下。
1-2
大分类 小分类 内容 每天 每周 每月
表面 表面 清洁 对接之前肉眼确认
驱动部
Ball Bush
Linear Shaft
污染,注油
污染,注油
○
空压
全体管道
插头及耦合器
漏气
漏压及磨损
○
电气 电探针 清洁及损伤 对接之前肉眼确认
其他 Caster 旋转及横摇
○
一旦上升的 Feeder base 即使切断空压和电源也不下降。因此,要在切断电源的状
态下上升或下降 Feeder base 则需按空压开关和控制汽缸升降的电磁阀的手动按
钮。 (阀的位置请参照 Technical Drawing)
如果设备切断电源或空压后过较长的时间 , feeder base的升
降汽缸将逐渐下降。此时产生左右汽缸的下降速度之差 ,
feeder base可能会歪斜。 但此现象不是异常现象,电压及空
压许可后转为正常。

Samsung SM-Series Docking Cart
下降时: 只点击开关电磁阀(Sol 1)的手动按钮。
上升时: 同时点击开关(Sol 1)&升、降电磁阀(Sol 2)的手动按钮。
1-16

Docking Cart
1-17
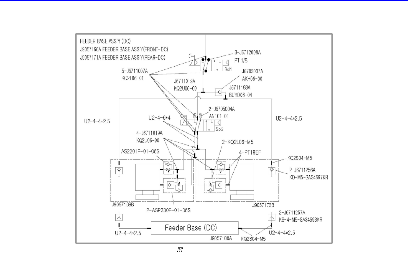
1.6. Air Diagram & Technical Drawing
1.6.1. Air Diagram & Part
1-17. Air Diagram