SM Docking Cart.pdf - 第26页
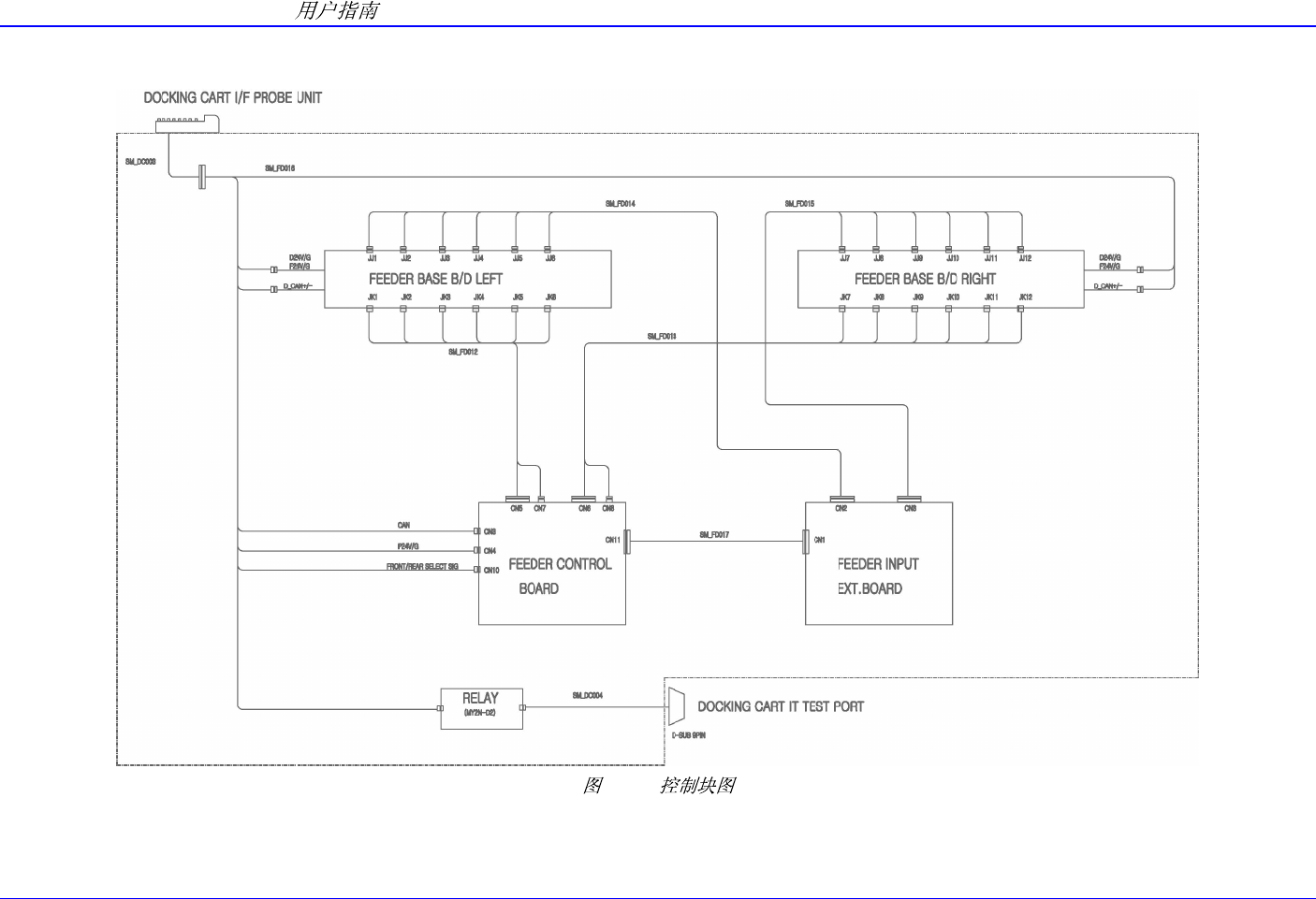
Samsung SM-Series Docking Cart 1.6.2. 控制块图 1-18. 1-18

Docking Cart
1-17
1.6. Air Diagram & Technical Drawing
1.6.1. Air Diagram & Part
1-17. Air Diagram

Samsung SM-Series Docking Cart
1.6.2. 控制块图
1-18.
1-18

Docking Cart
1-19
1.6.3. Technical Drawing & Part List