SM481_TechnicalReference(Eng_Ver1.1).pdf.pdf - 第106页
Page SAMSUNG TECHWIN 96 SM481 AXIO BD#1(1/4) AXIO BD #1 BOARD CN1 CN2 01 02 03 04 01 02 03 04 01 02 03 04 SAFTY CONTROL 01 02 03 04 CN27 SM48_SC007 CN6 CN5 13 14 15 16 1 2 ~ 20 11 12 1 2 9 8 7 20 A1 A2 A3 A4 A5 A6 A7 A8 …

Page
SAMSUNG TECHWIN
95
SM481
SM481 Harness Wiring Diagram
CAN
R-FEEDER I/F
BOARD
CN5
CN6
SM48_FD003
SM48_FD004
CN3
REAR FEEDER BASE RIGHT B/D
AXIS IO BOARD #1
[AXIO#1]
[RFD]
CN3
JK1 JK2 JK3 JK4 JK5 JK6
CN7
JK7 JK8 JK9 JK10 JK11 JK12
CN8
SM48_FD005
CN11
CN4
SM48_CV101
SACO-CN22
FEEDER INPUT
EXT.BOARD
[FD_EXT]
SM48_FD006
CN2
JJ1 JJ2 JJ3 JJ4 JJ5 JJ6
SM48_FD007
JJ7 JJ8 JJ9 JJ10 JJ11 JJ12
SM_FD025
SM_FD024
CAN
PWR
CAN
PWR
REAR FEEDER BASE LEFT B/D
FD-CN7FD-CN7
FD-CN13
SM411N_FD001
FD-CN7
SM471_IT004
CAN
PWR
CAN
PWR
PC RACK
PS2
SM471_IT005
+24V 24G
CH1
CH2
CH3
CH4
CV-CN4
J2R-2
J2R-1
IT MASTER
F-FEEDER I/F
BOARD
CONVEYOR I/F
BOARD
CN3
CN5
CN6
CN4
SM48_FD004
SM48_FD003
SM48_FD005
SM48_FD101
SM48_FD007
SM48_FD006
FEEDER INPUT
CN3
CN2
EXT.BOARD
CN11
CN3
CAN
[FFD]
[CV]
[FD_EXT]
CN13
SM48_FD002
SM_FD025
SM_FD024
CAN
PWR
CAN
PWR
CN9
CN20
SM421_CV106-1
SMEMA
CN16
CN1
SACO-CN21
SACO-CN20
CN7
JK1 JK2 JK3 JK4 JK5 JK6
CN8
JK7 JK8 JK9 JK10 JK11 JK12
JJ1 JJ2 JJ3 JJ4 JJ5 JJ6
JJ7 JJ8 JJ9 JJ10 JJ11 JJ12
FRONT FEEDER BASE LEFT B/D
FRONT FEEDER BASE RIGHT B/D
FD-CN7FD-CN7
FD-CN13
SM411N_FD001
FD-CN13-EX
SM33_CV010
ANC OPEN/CLOSE SEN.
CN21
SM421_CV115
FAREA-E
FAREA-R
SM33_CV016
FRONT AREA SENSOR
CN22
SM33_CV018
REAR AREA SENSOR
SM421_CV106-2
CN14
CAN
CN3
SM471_IT004
CAN
PWR
CAN
PWR
CN12
CN15
MC2
TH-N12
SM421_CV109
SM48_CV101
J2R-1
J2R-1
RFD-CN4
RAREA-E
RY3-7
RY3-8
PC RACK
SM471_PW146-1
SM48_PW147
CN2
CN3
CN2
PS2
SM471_IT005
+24V 24G
CH1
CH2
CH3
CH4
SCM HEAD IF B/D
CN16
CN1
SM48_VI102
J2
SC-CN29
SM48_SC008
CN2
CN3CN3CN3 CN2
CAN
CAN
CAN
CAN
#2F-#10 (CAN)
SM48_CA001
SM48_CA102-1
SM48_CA102
SM41_CA003
SM48_CA103-1
SM48_CA103
SM481_CA104
FIX1 LED I/F B/D
FIX2 LED I/F B/D
RAREA-R
SM421_CV151
SM421_CV151-1
PLACE STOPPER SENSOR
9
7
6
4
3
5
2
1
9
7
6
4
3
5
2
1
CN15S
11
2
3
2
3
BUT UP SENSOR
+24V
FRONT ANC CL
24G
BUT-UP
SM421_CV150
1
2
3
1
2
3
SM421_CV150-1
1
2
1
2
PUMP TEMP ALARM
24G
SM482_PW147
SM421_CV150-1
BUT SENSOR
CN5
SM421_CV102
CONVEYOR SOL VALVE
PLACE STOPER SOL
BACK UP TABLE SOL
EDGE PUSHER SOL
ANC#1 SHUTTER SOL
CN10
SM33-CV028
CN11
SM33-CV029
CN23
SM33-CV019
CN24
SM33-CV020
F-DC-SOL
R-DC-SOL
F-DC-SNS
R-DC-SNS
DOCKING CART OPTION
CN13
SM48_FD003
FD-CN13-EX
RY5-7
RY5-8
(FIX ILL BOARD)
SM48_FD101-1
SM48_VI102-1
R-FIX.ILL
L-FFD-PW
SM421_CV117
SM471 HEAD IF BD
(SM481 HEAD MODULE)
SM471_PW147-1

Page
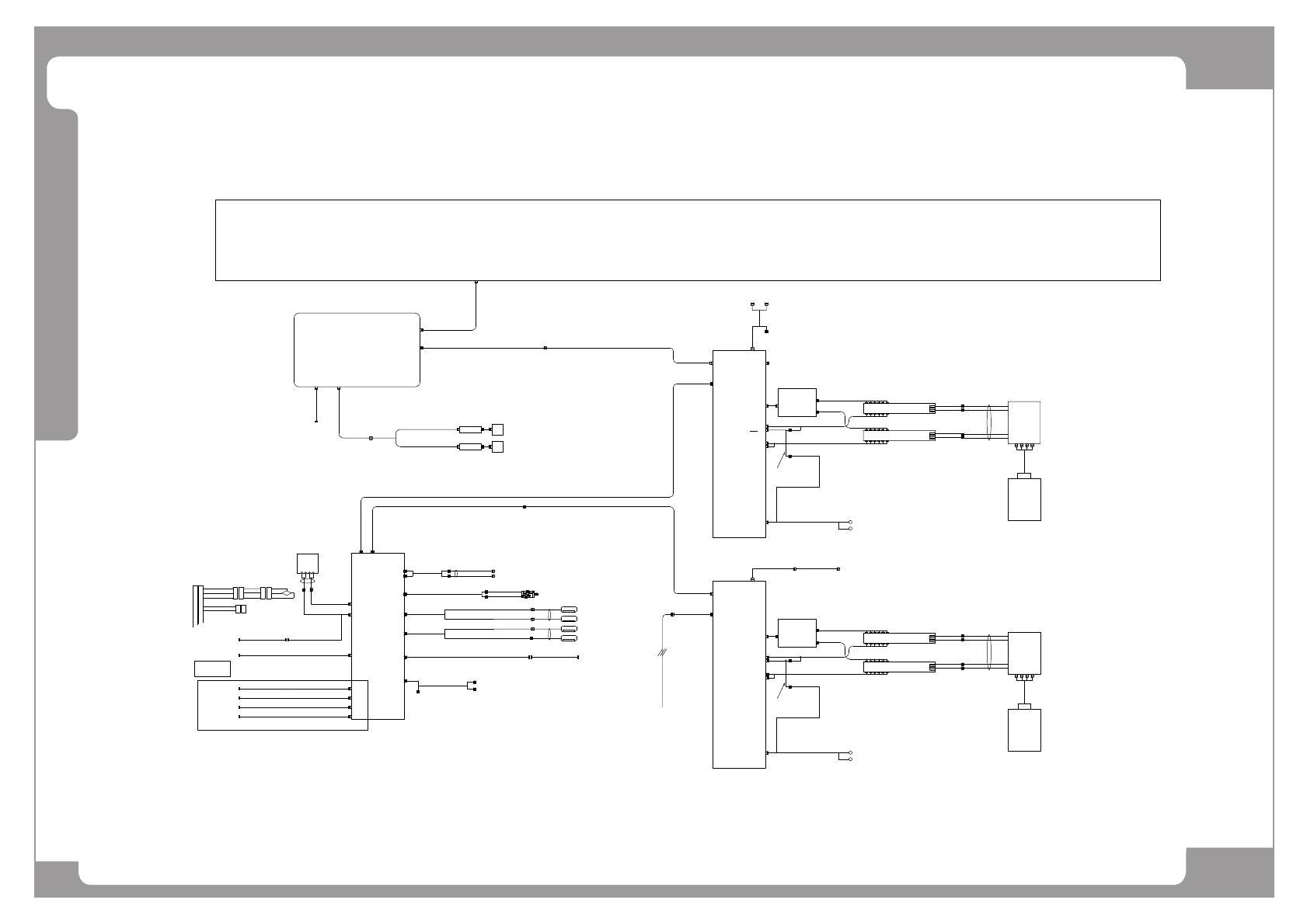
SAMSUNG TECHWIN
96
SM481
AXIO BD#1(1/4)
AXIO BD #1
BOARD
CN1
CN2
01
02
03
04
01
02
03
04
01
02
03
04
SAFTY CONTROL
01
02
03
04
CN27
SM48_SC007
CN6
CN5
13
14
15
16
1
2
~
20
11
12
1
2
9
8
7
20
A1
A2
A3
A4
A5
A6
A7
A8
A9
A10
B1
B2
B10
AXIO BD #1
BOARD
CN7
1
3
6
2
4
6
8
30
7
9
11
A1
A3
A5
A7
A9
A11
B1
B2
SM481_AX006
AXIS SENSOR
BOARD
CN10
BOARD
AXIS SENSOR
BOARD
CN9
1
2
3
4
5
6
7
8
2
3
4
PCIE ADAPTER #1
PC RACK
SM48_AX005-1
KEL 30P
A1
A2
A3
A4
A5
A6
A7
A8
A9
A10
B1
B2
B10
11
12
1
2
9
8
7
20
13
14
15
16
1
2
~
20
1
2
3
4
HD_SOL
SM481_AX008
1
3
6
2
4
6
8
30
7
9
11
2
3
4
2
3
4
1
5
1
2
3
4
1
2
3
4
SM481_AX006-1
1
2
3
4
5
6
7
8
A1
A3
A5
A7
A9
A11
B1
B2
SM48_AX005
Y11_HOME
Y11_HOME
Y11_NL
Y12_HOME
Y12_PL
Y12_NL
WD_H
24G
24G
24G
+24V
+24V
24G
+24V
2
3
4
1
5
2
3
4
1
5
2
3
4
1
5
24G
+24V
X_-L/S
X_+L/S
X_HOME
SM481 FL002
L
-
OUT
+
L
-
OUT
+
SM481_AX002
1
2
3
4
3
4
7
8
6
5
2
1
HD_SOL
1
2
3
4
H1H4-VAC
1
2
3
4
24G
24G
+24V
+24V
SM48_SC007
1
2
3
4
1
2
3
4
SACO B/D
CN28
X_-L/S
X_+L/S
X_HOME
9
11
2
4
7
5
3
1
1
2
3
4
H5H10-VAC
6
8
10
12
9
11
2
4
7
5
3
1
6
8
10
12
13
15
14
16
H6-VAC
H5-VAC
H10-BLOW
H9-BLOW
H7-VAC
H8-VAC
H9-VAC
H10-VAC
H8-BLOW
H7-BLOW
H6-BLOW
H5-BLOW
H4-VAC
H3-VAC
H4-BLOW
H3-BLOW
9
11
2
4
7
5
3
1
6
8
10
12
13
15
14
16
AXIO BD #2
BOARD
CN5
H6-VAC
H5-VAC
H10-BLOW
H9-BLOW
H7-VAC
H8-VAC
H9-VAC
H10-VAC
H8-BLOW
H7-BLOW
H6-BLOW
H5-BLOW
9
11
2
4
7
5
3
1
6
8
10
12
A5
A6
B1
B2
A4
A3
A2
A1
B3
B4
B5
B6
A5
A6
B1
B2
A4
A3
A2
A1
B3
B4
B5
B6
HEAD IF B/D
CN4
3
4
7
8
6
5
2
1
B1
B2
B3
B4
A4
A3
A2
A1
HEAD IF B/D
CN5
B1
B2
B3
B4
A4
A3
A2
A1
H4_VAC
H3_VAC
H2_VAC
H1_VAC
H4_BLOW
H3_BLOW
H2_BLOW
H1_BLOW
AXIO BD #1
BOARD
CN3
A1
A2
A3
B1
B2
B3
A1
A2
A3
B1
B2
B3
A1
A2
A3
B1
B2
B3
A1
A2
A3
B1
B2
B3
FIX ILL BD
CN2
CAN_H
CAN_L
/IO_RESET
24GND
12V GND
+12V
SM481_AX008-1
SM481_VI006
SM481_FL001
#11
SM481 FL002
#11
1
2
4
5
6
7
8
9
10
7
11
1
3

Page
SAMSUNG TECHWIN
97
SM481
AXIO BD#1(1/4)
NO. Lev. PART NO. PART NAME Q'TY Old No. Supply Supply LT Reference
1 AM03-006922A CABLE ASSY-AXIS1_HD_POWER 1 SM48_SC007
2 AM03-006920A CABLE ASSY-AXIS_SNS_BD_CN10 1 SM48_AX005-1
3 AM03-007150A FLAT_CABLE_ASSY 1 SM481_FL001
4 AM03-007484A CABLE ASSY-HD_VAC-BLOW_H3-H10 1 SM481_VI006
5 AM03-007482A CABLE ASSY-HD_VAC-BLOW_CTRL 1 SM481_AX008-1
6 AM03-007047A CABLE_ASSY-AXIO_CN5 1 SM481_AX008
7 AM03-007151A FLAT_CABLE_ASSY 1 SM481 FL002
8 AM03-007046A CABLE_ASSY-AXIO_CN7_9 1 SM481_AX006
9 AM03-006919A CABLE ASSY-AXIS_SNS_BD_CN9 1 SM48_AX005
10 AM03-007080A CABLE_ASSY_LIMIT_&_HD_PWR_EXT 1 SM481_AX006-1
11 AM03-007483A X AXIS SENSOR CABLE ASSY 1 SM481_AX002