SM481_TechnicalReference(Eng_Ver1.1).pdf.pdf - 第97页
Page SAMSUNG TECHWIN 87 SM481 AIR Ass’y(4/5) NO. Lev . P ART NO. P ART NAME Q'TY Old No. Supply Supply L T Reference 1 J1301213 PLUG [PT 3/8] 1 2 J67021025A AIR-V AL VE VP544-5D-03-A 1 3 J6712008A PLUG [PT 1/8] 1 4 …

Page
SAMSUNG TECHWIN
86
SM481
AIR Ass’y(4/5)
VACUUM GENERATOR
VACUUM PUMP (STANDARD)
PC RACK ASSY (PVC DUCT)
(OPTION)
HP11-000075
P6010-AJ-01-LA52SG
2-J67111203A
SQL10-03S
J67111205A
SQL10-02S
1P
3R
J67021025A
VP544-5DZ-03A
J1301213
PLUG 3/8
2A
X
J6712008A
PLUG 1/8
HP11-000059
VACUUM PUMP
KHA-400A-301-G1
HP06-000250
KQ
2VT12-03S
'a'
'b'
U2-4-10*6.5, BLACK
FC
28-000105
STRAIGHT NIPPLE
M3/8-ID9.5
HP13-000042
N2-4-12x9MW, 320mm
'a'
'b'
'c'
ADAPTER M3/4"-F1/2"
ELBOW FITTING 12-04S
ELBOW FITTING 04-01S
HP06-000234 / KQ2R08-12
J61191171A / KQ2R04-08
HP06-000124
PLUG K
Q2P-12
VACUUM PUMP (STANDARD) 㐐, ⫽㢀 㷌⫠
U2-4-10*6.5, BALCK
VACUUM GENERATOR (OPTION)
㐐
, ḩ㚉 ⵤ㉔䚔 ᶷ
U2-4-10*6.5, BACLK
U2-4-4*2.5, BLACK
U2-4-12*8, BLACK
U2-4-4*2.5, BLACK
U2-4-12*8, BLACK
C
B-C
2
1
3
4
5
6
7
8
13
9
11
12
10

Page
SAMSUNG TECHWIN
87
SM481
AIR Ass’y(4/5)
NO. Lev. PART NO. PART NAME Q'TY Old No. Supply Supply LT Reference
1 J1301213
PLUG [PT 3/8]
1
2
J67021025A AIR-VALVE VP544-5D-03-A
1
3
J6712008A PLUG [PT 1/8]
1
4 J67111203A FITTING SQL10-03S(WHITE) 2
5 J67111205A FITTING SQL10-02S(WHITE) 1
6 HP11-000075 PUMP-P6010-AJ-01-LA52SG 1
7 FC28-000105 NIPPLE-STRAIGHT NIPPLE M3/8-ID9.5;BRASS 1
8 HP13-000042 TUBE-NYLON TUBE N2-4-12x9-MW;12,OD12/ID9 1
9 HP06-000234 FITTING-KQ2R08-12;STRAIGHT 2
10 J61191171A JOINT KQ2R04-08 1
11 HP06-000250 FITTING-FITTING KQ2VT12-03S;ELBOW 1
12 HP06-000124 FITTING-FITTING;PLUG,12,12 1
13 HP11-000059 PUMP-PUMP KHA400A-301-G1 1

Page
SAMSUNG TECHWIN
88
SM481
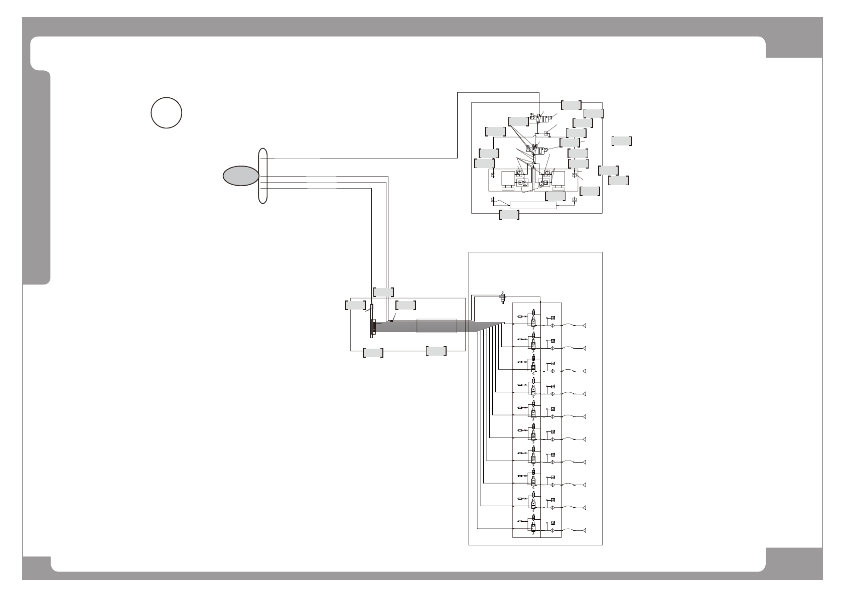
AIR Ass’y(5/5)
HEAD Air Module
1
3
2
(A)
4
(B)
2
3
(R)
1
(P)
1
3
2
(A)
4
(B)
2
3
(R)
1
(P)
1
3
2
(A)
4
(B)
2
3
(R)
1
(P)
1
3
2
(A)
4
(B)
2
3
(R)
1
(P)
1
3
2
(A)
4
(B)
2
3
(R)
1
(P)
1
3
2
(A)
4
(B)
2
3
(R)
1
(P)
1
3
2
(A)
4
(B)
2
3
(R)
1
(P)
1
3
2
(A)
4
(B)
2
3
(R)
1
(P)
1
3
2
(A)
4
(B)
2
3
(R)
1
(P)
1
3
2
(A)
4
(B)
2
3
(R)
1
(P)
SUPPLY BLOW
ğ4
(A)
4
(B)
2
3
(R)
1
(P)
BLOW
ğ4
0.1MPa
OVER BLOW
ğ4
0.5MPa
Feeder Base (DC)
2-J6703033A
AS2201F-01-06S
4-J1300284
KQ2U06-00
FEEDER BASE ASSY (DC)
FEEDER BASE ASSY(FRONT-DC)
FEEDER BASE ASSY(REAR-DC)
HP09-000127
KM11-04-08-10
Y CABLE DUCT ASSY
HP13-000037A
UML-412
BU1-YL1-BK10
3.7M
12
1
2-J67111035A
KQ2H04-06
HEAD 10 HEAD 1HEAD 2HEAD 3HEAD 4HEAD 5HEAD 6HEAD 7HEAD 8HEAD 9
4-J1301188
KQ2L04-M5
U2-4-4*2.5
J9057168B
2-J6711257A
KS-4-M5-SA34698KR
J9057180A
2-J6703034A
ASP330F-01-06S
U2-4-4*2.5
J9057172B
U2-4-4*2.5
5-J1300276
KQ2L06-01
U2-4-4*2.5
2-J6711256A
KD-M5-SA34697KR
2-J1301188
KQ2L04-M5
4-J6711247A
PT18EF
2-J6711009A
KQ2L06-M5
J6702021A
K180-4E1-21-DC24V
J6702021A
K180-4E1-21-DC24V
J6703037A
AKH06-00
2-JJ67050004B
AN101-01
J1300284
KQ2U06-00
J6711168A
BUYD06-04
3-J6712008A
PT 1/8
U2-4-6*4, BLACK
2-H
P06-000234
KQ2R08-12
U2-4-8*5, BLACK
U2-4-6*4, YELLOW
HP06-000235
KQ2U12-00
U2-4-6*4, BLACK
U2-4-12*8, BLACK
후면 FEEDER
U2-4-6*4
D
A-D
1
2
3
2
4
5
6
7
8
9
10
11
8
12
13
15
14
17
16
18
19
20