SM481_TechnicalReference(Eng_Ver1.1).pdf.pdf - 第23页
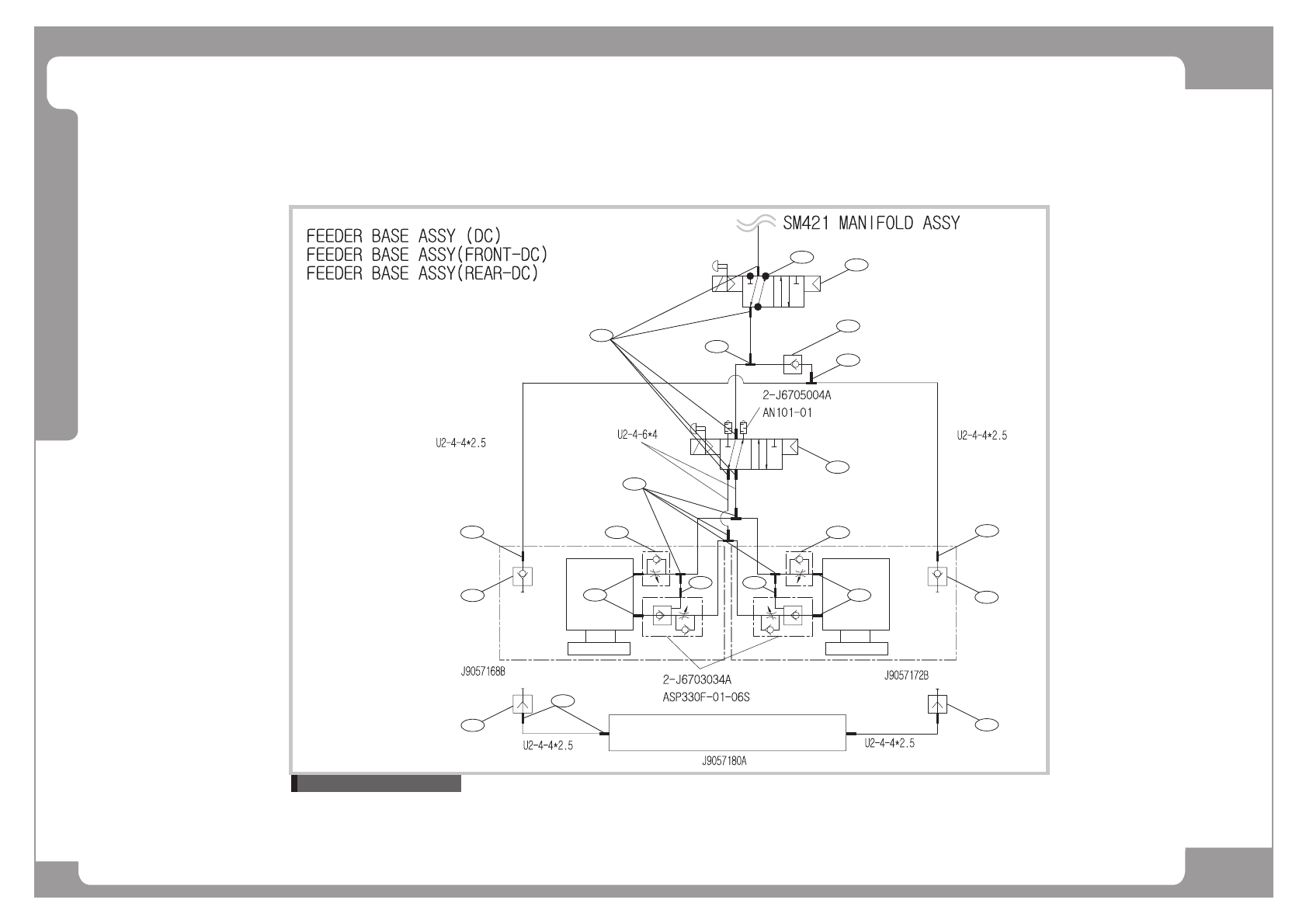
Page SAMSUNG TECHWIN 13 SM481 Feeder Base Ass’y - DC (4/4) NO. Lev . P ART NO. P ART NAME Q'TY Old No. Supply Supply L T Reference 1 J6712008A PLUG 2 2 J1301 188 FITTING [KQ2L04- M5/PL4-M5M/SQL04-M5] 4 3 J671 1256 A…

Page
SAMSUNG TECHWIN
12
SM481
Feeder Base Ass’y - DC (4/4)
Reference to Air Ass'y
ڡۀۀڿۀۍٻڝڼێۀٻڃڟڞڄ
1
1
2
3
3
6
6
2
2
4
5 5
4
10
11
12
7
10
9
8
12

Page
SAMSUNG TECHWIN
13
SM481
Feeder Base Ass’y - DC (4/4)
NO. Lev. PART NO. PART NAME Q'TY Old No. Supply Supply LT Reference
1 J6712008A PLUG 2
2 J1301188 FITTING [KQ2L04-M5/PL4-M5M/SQL04-M5] 4
3 J6711256A COUPLER[KD-M5-SA34697KR] 1
4 J6703034A SPEED CON[ASP330F-01-06S] 1
5 J6711009A ELBOW FITTING [KQ2L06-M5] 1
6 J6711247A ELBOW FITTING[PT18EF] 2
7 J6712008A PLUG [PT 1/8] 3
8 J67110119B UNION Y FITTING [KQ2U04-06] 1
9 J6703037A CHECK VALVE[AKH06-00] 1
10 J1300284 FITTING [KQ2U06-00/PY6M] 5
11 J1300276 FITTING [KQ2L06-01/PL6-01] 5
12 J6702021A SOLENOID VALVE [K180-4E1-21-DC24V] 1

Page
SAMSUNG TECHWIN
14
SM481
Backup Table Ass’y
9
27
24
1
26
24
22
19
18
19
22
19
22
19
22
7
6
25
12
11
21
14
13
14
5
20
3
16
17
13
14
15
6
4
10
8
3
2
23
8
8
23
2
28
29