SM481_TechnicalReference(Eng_Ver1.1).pdf.pdf - 第95页
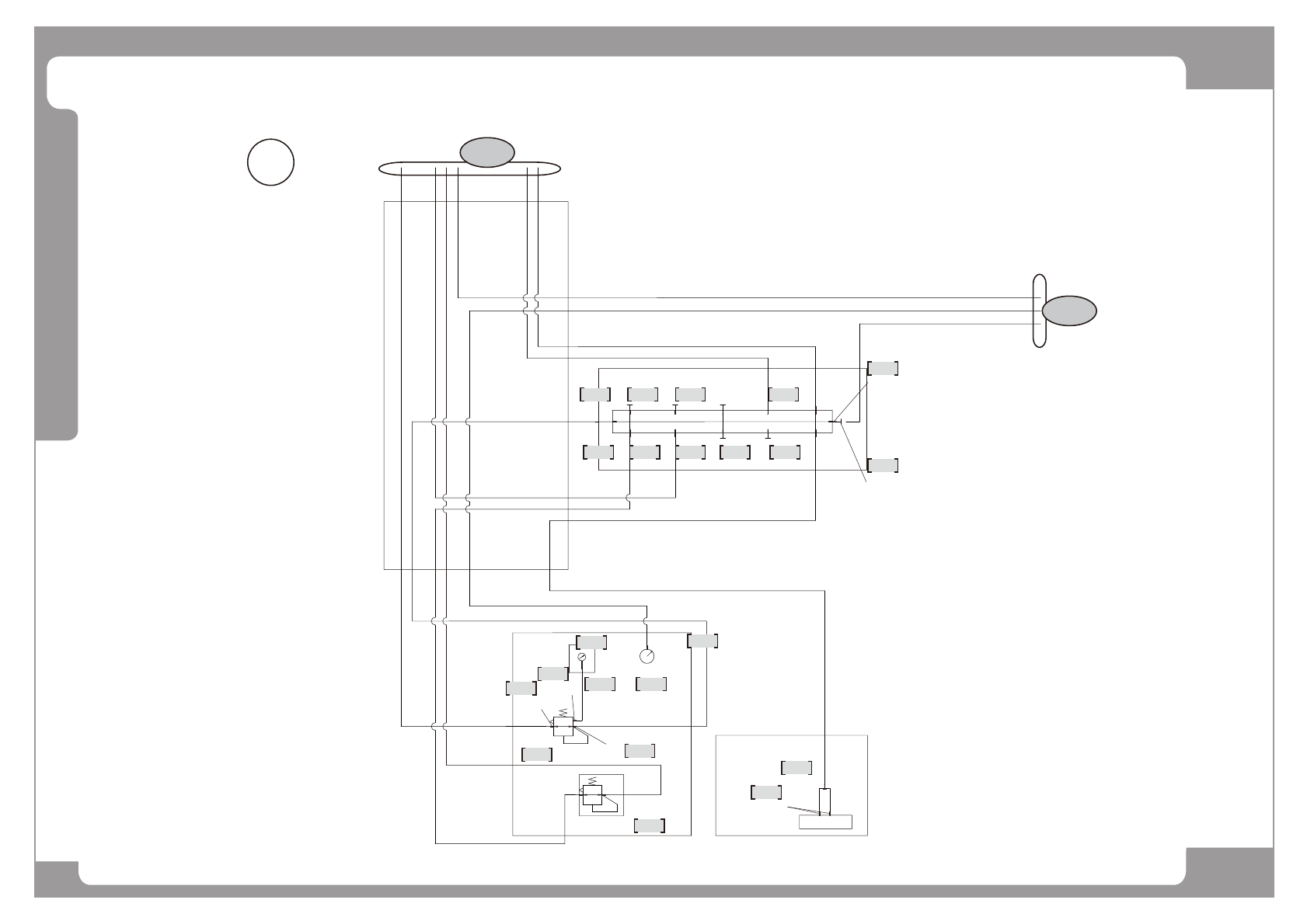
Page SAMSUNG TECHWIN 85 SM481 AIR Ass’y(3/5) NO. Lev . P ART NO. P ART NAME Q'TY Old No. Supply Supply L T Reference 1 J67121009 A PLUG KQ2P-08 5 2 J671 1 183A STRAIGHT FITTING [KQ2R06-08] 4 3 HP06-000226 FITTING-KQ…

Page
SAMSUNG TECHWIN
84
SM481
AIR Ass’y(3/5)
HP09-000007
KM11-08-12-10
MANIFOLD ASSY
(LEFT CABLE DUCT ASSY 하위에 포함)
VAC
UUM GENERATOR (OPTION)
AIR FRONT PANEL ASSY
FEE
DER BASE ASSY (ST)
FEEDER BASE ASSY(REAR-ST)
FEEDER BASE ASSY(FRO
NT-ST)
Feeder Base
VACUUM PUMP (STANDARD)
LEFT CABLE DUCT ASSY
J6711183A
KQ2R06-08
HP06-000226
FITTING KQ2R10-12
(S
T OPTION
㢰
ᷱ㟤
KQ2P-10 㥐ᶤ䚌Ḕ ⵤ㉔䚔 ᶷ
)
U2-4-4*2.5
J1301187
KQ2L12-04
J1301187
KQ
2L12-04
U2-4-12*8, BLACK
J6711028A
KQ2L04-01
J6711147A
KQ2H04-M5
J67090012B
TA
R4000-04
J61191167A
FITTING KQ2F04-01
J61191172A
METER GZ46-K-01-C1
J67091014A
AR08-T2-D
OMO-J346A
U2-4-12*8, BALCK
U2-4-12*8, BLACK
U2-4-4*2.5
J6711168A
BU
YD06-04
U2-4-4*2.5
2-J1301188
KQ
2L04-M5
J67121002A
PLUG KQ2P-10
U2-4-4*2.5, BLACK, 2500mm
U2-4-12*8, BLACK, 1000mm
U2-4-12*8, BLACK, 2000mm
U2-4-6*4, BLACK, 1000mm
U2-4-6*4, YELLOW, 2700mm
U2-4-6*4, BLACK, 1000mm
U2-4-6*4, BLACK
U2-4-12*8, BACLK
U2-4-4*2.5, BALCK
U2-4-6*4, BALCK
J6711183A
KQ2R06-08
J67121009A
PLUG KQ2P-08
J6711183A
KQ2R06-08
J67121009A
PLUG KQ2P-08
U2-4-6*4, YELLOW
J6711183A
KQ2R06-08
U2-4-6*4, BLACK
U2-4-8*5, BLACK
BLACK
J67121009A
PLUG KQ2P-08
J67121009A
PLUG KQ2P-08
U2-4-12*8, BLACK, 3600mm
U2-4-4*2.5, BLACK, 2000mm
U2-4-4*2.5, BLACK, 1000mm
U2-4-4*2.5, BLACK, 1000mm
U2-4-6*4, BLACK
전면 FEEDER
HP09-000150
SPABT-P10-R18-2N-K1
J67121009A
PLUG KQ2P-08
B
A-B
B-C
1 1 1 2
3
4
12 2 21
5
6 8
9
10
10
12
13
14
11
7

Page
SAMSUNG TECHWIN
85
SM481
AIR Ass’y(3/5)
NO. Lev. PART NO. PART NAME Q'TY Old No. Supply Supply LT Reference
1 J67121009A
PLUG KQ2P-08
5
2
J6711183A STRAIGHT FITTING [KQ2R06-08]
4
3
HP06-000226 FITTING-KQ2R10-12;STRAIGHT
1
4 J67121002A PLUG KQ2P10 1
5 HP09-000150 COMPONENTS,ELECTRIC-SPABT-P10-R18-2N-K1- 1
6 J6711147A STRAIGHT FITTING KQ2H04-M5/SQL04-M5-W 1
7 J61191167A JOINT KQ2F04-01 1
8 J61191172A METER GZ46-K-01-C1 1
9 J6711028A ELBOW FITTING KQ2L04-01/SQL04-01S-W 2
10 J1301187 ELBOW FITTING PL12-04/SQL12-04S-W 1
11 J67090012B REGULATOR 1
12 J67091014A REGULATOR AR08-T2-D0M0-J346A 1
13 J6711168A UNION Y FITTING 1
14 J1301188 FITTING [KQ2L04-M5/PL4-M5M/SQL04-M5] 2

Page
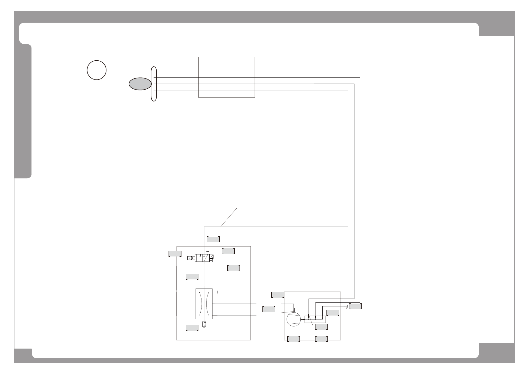
SAMSUNG TECHWIN
86
SM481
AIR Ass’y(4/5)
VACUUM GENERATOR
VACUUM PUMP (STANDARD)
PC RACK ASSY (PVC DUCT)
(OPTION)
HP11-000075
P6010-AJ-01-LA52SG
2-J67111203A
SQL10-03S
J67111205A
SQL10-02S
1P
3R
J67021025A
VP544-5DZ-03A
J1301213
PLUG 3/8
2A
X
J6712008A
PLUG 1/8
HP11-000059
VACUUM PUMP
KHA-400A-301-G1
HP06-000250
KQ
2VT12-03S
'a'
'b'
U2-4-10*6.5, BLACK
FC
28-000105
STRAIGHT NIPPLE
M3/8-ID9.5
HP13-000042
N2-4-12x9MW, 320mm
'a'
'b'
'c'
ADAPTER M3/4"-F1/2"
ELBOW FITTING 12-04S
ELBOW FITTING 04-01S
HP06-000234 / KQ2R08-12
J61191171A / KQ2R04-08
HP06-000124
PLUG K
Q2P-12
VACUUM PUMP (STANDARD) 㐐, ⫽㢀 㷌⫠
U2-4-10*6.5, BALCK
VACUUM GENERATOR (OPTION)
㐐
, ḩ㚉 ⵤ㉔䚔 ᶷ
U2-4-10*6.5, BACLK
U2-4-4*2.5, BLACK
U2-4-12*8, BLACK
U2-4-4*2.5, BLACK
U2-4-12*8, BLACK
C
B-C
2
1
3
4
5
6
7
8
13
9
11
12
10