TR8S_TR8SR-Rev05PDFA.pdf - 第43页
- 40 - NOTE( 注記 ) #01....FOR TR8S TR 8 S 用 #02....FOR TR8SR TR 8 SR 用 REF.NO NOTE PART NO D E S C R I P T I O N 品 名 Qty 1 HD-0017100-00 SENSOR フォトインタラプタ 1 2 400-49692 ZM ORG/LMT- SENSOR CABLE ASM ZM ORG/LMT−センサケーブル組 1 3 …

- 39 -
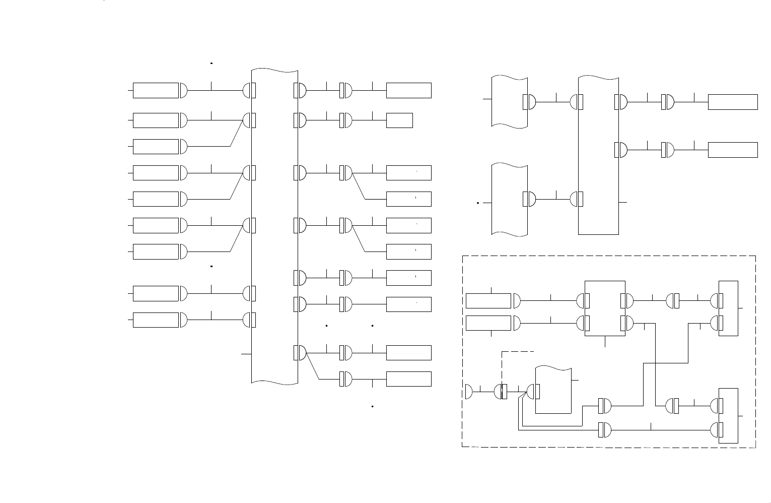
20. SYSTEM DIAGRAM (2)
SYSTEM DIAGRAM(2)
SLOW MODE PCB(1/2)
3_4B
SL05
CN018
STK M MIS SET
SENSOR EMITTER
STK M MIS SET
SENSOR RECEIVER
CN017
CN0128
CN092
SLOW MODE 3 S.V
(SHT)
SHT M OPEN S.V
CN091
SHT S OPEN
SENSOR
SHT S CLOSE
SENSOR
SHT M CLOSE
SENSOR
CN085
CN084
CN086
SHT M OPEN
SENSOR
STK S LOCK
SENSOR
STK S SET
SENSOR
STK M LOCK
SENSOR
STK M SET
SENSOR
CN010
MAIN03SCN12
CN03
MAIN04SCN05
CN04
MAIN06SCN08
CN06
DOOR LOCK S.V.
CN008
EMG SW
CN107-ACN107-B
DOOR S OPEN
SENSOR
CN074-ACN074-B
DOOR M OPEN
SENSOR
DOOR S LOCK
SENSOR
DOOR M LOCK
SENSOR
ZM LMT- SENSOR
ZM LMT- SENSOR
CN083
MAIN05SCN01
ZM ORG SENSOR
CN072-A
3_2A
3_3B
1_1D
2_2D
2_5A
SCN PCB(2/5)
MAIN PCB(3/6)
SCN PCB(1/5)
CN05
CN072-B
Z CABLE BEAR
CN05
SCN15
SCN56
CN56
SCN46
CN46
SCN19
CN19
SCN52
CN52
SCN60
CN60
SCN44
CN44
SCN55
CN55
SCN45
CN45
CN12
CN05_5S
CN08
CN01
CN15
NOTE1
SCN40
CN40
SCN49
CN49
SCN07
CN07
SCN14
CN14
SCN11
CN11
SCN24
CN24
SCN06
CN06
NOTE1 THIS WIRING IS STANDARD SPEC.
EN SPEC'S WIRING REFER TO 4 PAGES.
1661110 10
2789
3
4
5
14
15
16
17
11
19 20 21 22
23 35
25
1 24 1 24 27 27 27 27
26 28 32
29
31
30 33
34
18
3
12 13
CN063

- 40 -
NOTE( 注記 ) #01....FOR TR8S TR 8 S 用
#02....FOR TR8SR TR 8 SR 用
REF.NO NOTE PART NO D E S C R I P T I O N
品 名
Qty
1 HD-0017100-00 SENSOR
フォトインタラプタ
1
2 400-49692 ZM ORG/LMT- SENSOR CABLE ASM
ZM ORG/LMT−センサケーブル組
1
3 400-41117 SCN PCB ASM
SCN基板組
1
4 400-45097 DOOR M LOCK SOL. CABLE ASM
ドアMロックソレノイドケーブル組
1
5 401-54361 DOOR LOCK S.V. ASM
ドアロック S.V. 組
1
6 HD-0017000-00 SENSOR
フォトインタラプタ
1
7 401-53377 ZM LMT+ SENSOR CABLE ASM
ZM LMT+ センサケーブル組
1
8 400-45086 DOOR M LOCK SENSOR CABLE ASM
ドアMロックセンサケーブル組
1
9 400-45090 DOOR S LOCK SENSOR CABLE ASM
ドアSロックセンサケーブル組
1
10 HD-0017100-00 SENSOR
フォトインタラプタ
1
11 400-49556 EMERGENCY SW(REAR) CABLE 1 ASM
エマージェンシSW(リア)ケーブル1組
1
12 401-58208 DOOR M OPEN SENSOR CABLE 2 ASM
ドアMオープンセンサケーブル2組
1
13 401-58209 DOOR S OPEN SENSOR CABLE 2 ASM
ドアSオープンセンサケーブル2組
1
14 400-50207 DOOR M OPEN SENSOR CABLE 1 ASM
ドアMオープンセンサケーブル1組
1
15 401-55557 DOOR S OPEN SENSOR CABLE 1 ASM
ドアSオープンセンサケーブル1組
1
16 400-49697 EMERGENCY SW(REAR) ASM
エマージェンシSW(リア)組
1
17 400-49696 EMERGENCY SW(REAR) CABLE 2 ASM
エマージェンシSW(リア)ケーブル2組
1
18 400-42575 SLOW MODE CTRL PCB ASM
スローモードコントロール基板組
1
19 401-53373 SENSOR CABLE 1 ASM
センサケーブル1組
1
20 401-53374 SOLENOID CABLE ASM
ソレノイドケーブル組
1
21 401-53375 SENSOR CABLE 2 ASM
センサケーブル2組
1
22 401-53376 SENSOR CABLE 3 ASM
センサケーブル3組
1
23
#01
401-69065 MAIN PCB ASM 8S
メイン基板組8S
1
24 HD-0027700-00 SENSOR
センサー
1
25 401-55558 STK SENSOR CABLE 2 ASM
STKセンサケーブル2組
1
26 401-55559 STK SENSOR CABLE 1 ASM
STKセンサケーブル1組
1
27 401-53381 SHT SENS CABLE ASM
SHTセンサケーブル組
1
28 401-55560 SHT SENSOR CABLE ASM
SHTセンサケーブル組
1
29 400-49718 SHT OPEN S.V. CABLE 3 ASM
SHTオープンS.V.ケーブル3組
1
30 400-49706 SLOW MODE(SHT) ASM
スローモード(SHT)組
1
31 401-55562 SHT S.V. CABLE 2 ASM
SHT S.V.ケーブル2組
1
32 401-55561 SHT S.V. CABLE 1 ASM
SHT S.V.ケーブル1組
1
33 401-53670 STK M MIS SET SENSOR ASM
STK M MISセットセンサ組
1
34 400-45114 STK M MIS SET SENSOR CABLE(EMITTER) ASM
スタッカMミスセットセンサケーブル(投光)組
1
35
#02
401-85664 MAIN PCB ASM 8SR
メイン基板組8SR
1

- 41 -
21. SYSTEM DIAGRAM (3)
SYSTEM DIAGRAM(3)
4_3A
CN422
SSTK
ANTENNA ARRAY15
CN153
CN154
ANT S2
MSTK
ANTENNA ARRAY15
STK M POSI
SENSOR
CN32
STK S POSI
SENSOR
2_5C
SLOW MODE 2 S.V
(TRAY HOLD 2)
CN126
CN1331
FEEDER FLOAT
(EMITTER)
FEEDER FLOAT
(RECEIVER)
CN1333
CMPNT 36
5
(RECEIVER)
CN101
CMPNT 36 5
(EMITTER)
CN100
CMPNT 10 5
(EMITTER)
CMPNT 23
5
(RECEIVER)
CN099
CMPNT 23
5
(EMITTER)
CMPNT 10
5
(RECEIVER)
CN098
FAN(YA)
CN038
TRAY HLD S.V
CN036
TRAY SENSOR-
TRAY SENSOR+
TRAY RLS S
SENSOR
TRAY HLD S
SENSOR
TRAY RLS M
SENSOR
TRAY HLD M
SENSOR
Y LMT- SENSOR
Y ORG SENSOR
Y LMT+ SENSOR
CN10
IS SCN PCB
SLOW MODE PCB
MAIN PCB(6/6)
MAIN PCB(4/6)
SCN PCB(4/5)
SCN PCB(3/5)
3_4B
3_4C
2_3D
3_2C
3_3A
2_5D
ANT M2
S-I/F
CN125
RFID OPTION
Inside of MTS
ANT S1
ANT M1
SCN152
SCN32
CN152
SCN151
SCN10
CN151
SL02
CN02
MAIN23
CN23
SL04
CN04
SL03
CN03
SL01
CN01
SCN20
CN20
SCN59
CN59
CN58
CN58
CN48
CN48
SCN57
CN57
SCN47
CN47
SCN03
CN03
SCN50
CN50
SCN43
CN43
CN51
CN51
SCN42
CN42
SCN33
CN33
SCN18
CN18
SCN29
CN29
1 4 1 4 4 4 4 8 8
3
2 45 5 6 7 9 46 10
11 13
12 14
15
16
17
18
19
20
21 22 47
23 48 24 49
32950
25 30
26
27
31
3228
SLOW MODE 1 S.V
(TRAY HOLD 1)
34 35
33 33
39
41
39
44
40 40
37
38
42
43
29
36