88xg_100xg电气线路图.pdf - 第13页
PAGE 12 Harness parts list KGB - 0108 N o Part No. Part Name Q'ty Remarks N o Part No. Part Name Q'ty Remarks 1 KM5-M661E-003 HNS,1-2 (QF11-TM11) 1 J3 39 KV8-M664J-000 HNS 4-6(I/O CMN Y-FL 1 J108 2 KM6-M661G-00…

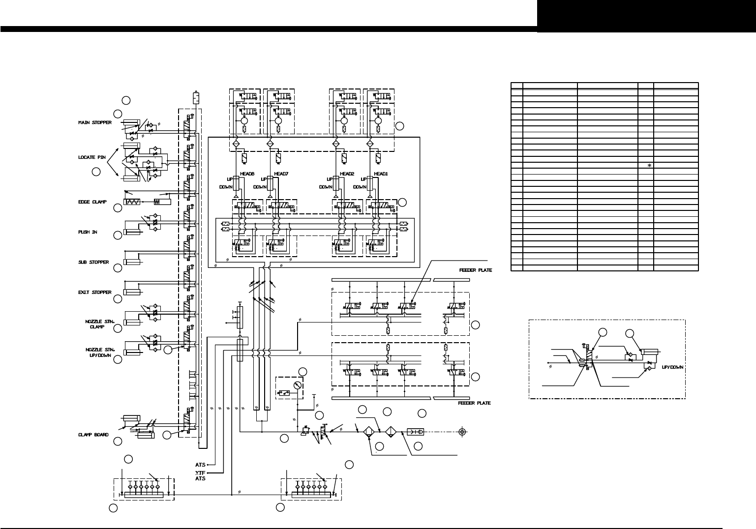
PAGE 11
YV100Xg (KGB) Control Wiring Diagram
Air circuit (YV100Xg-S)
LIGHT
4(ORANGE)
LIGHTLIGHT
4(BLACK)
YMDAS 10X20-ZE135A2
LIGHT
300V-03
KM23
8(ORANGE)
8(ORANGE)
KM-11
040M12AJ 1-7 A040
-4E1-PLL 8-12 BP
F300-03
-BG-A
R300-03
SL12-03
GS1-50
-DL-41W
SLY10-03
TL4-02
TSH4-M5
UEDW10-8
PBDAS 6X40
SC4-M5A
SC4-M5A
SC4-M5A
SC4-M5A
PBDAS 6X40-ZC130A
PBSA 10X5
PBDA 10X30 or
YMDA 16X35
BDAS16X20-38-ZC130A2
SL4-M5
SL4-M5
MANUHOLD
KM0-M1141-000
MANUHOLD
KM0-M1141-000
TSS4-01 TSH8-01
PLUG
K40-M8598-000
BF4
BF4
TL8-01TT8-01
stn.50stn.1 stn.2 stn.3
KM-06KM-06
50123
TSS4-01
TSH8-01 PLUG
K40-M8598-000
BF4
BF4
TL8-01TT8-01
stn.150
stn.101
stn.102 stn.103
KM-06KM-06
150101 102 103
8(ORANGE)
8(ORANGE)
4(ORANGE)
4
(BLACK)
SC4-M5A
UY8
8(ORANGE)
SL8-01
USD8-6
USD8-6
6(ORANGE)
8(ORANGE)
UC4
USD10-8
SLH8-01
KM-05
SLH6-01
. . .
8(ORANGE)
6(ORANGE)
UY4
UYD10-8
HI-CAPPLER
PLUG 30PM
AIR SOURCE
12
(ORANGE)
4
(ORANGE)
10(ORANGE)
4(BLACK)
8(ORANGE)
SL4-M5
TSH4-M5M
BDAS10X5-ZC130A2
SC4-M5A
SL4-M5
UB10
UB10
4(ORANGE)
10 2(ORANGE)
8 2(ORANGE)
USD10-8
( )
8(ORANGE)
YMDA 16X35
UEF
UEF
UY4
PBDA 16X5-M
UEF4BU
KM-05
SLH6-01
SLH8-01
US10
US8
UED8-4
UP8
UP4
UP4
LIGHTLIGHT
VALVE ASSY 20-R(L)
KGA-M3410-200(400)
VALVE ASSY 16-R
KGA-M3410-300
VALVE ASSY 20-R(L)
KGA-M3410-200(400)
SL12-03
VALVE ASSY 50-R
KGA-M3410-500
VALVE ASSY 50-L
KGA-M3410-100
A010E1-44W
A010E1-37W
No. PART NO. PART NAME
Q'TY
REMARKS
1
2
4
5
6
1
7
8
9
10
11
12
13
17
15
16
2
21
22
23
24
25
26
27
28
29
30
1
2
1
1
1
1
2
2
2
1
2
1
1
14
3
1
18
1
19
20
2
1
2
1
1
8-40DMODULE ADAPTER KV8-M8503-000
30PM KG7-M8512-000 JOINT
KG7-M8513-000
KG7-M8501-000
KV8-M8502-000
KH5-M8501-000
KG7-M8504-001
KG7-M8596-002
KM0-M8582-000
KM0-M1141-000
K40-M8598-000
KGB-M3410-*00
JOINT
AIR FILTER
MIST FILTER
EXHAUST VALVE
REGULATOR
PRESURE GAUGE
VALVE
MANUFOLD
PLUG 1 (R 1/8)
VALVE ASSY *
3/8" M-F ELBOW
F300-03-BG-A
MF400-03-A
300V-03
R300-03
GS1-50-DL-41W
KG2-M8582-400 VALVE(SPARE)
KM1-M9605-020
KV7-M9283-000
KV7-M9229-000
KV7-M9237-000
KV7-M9179-A00
CYLINDER,CLAMP
CYL.,YMDA16X35
CYLINDER
CYLINDER PBSA10X5
CYLINDER:ASSY
BDAS 10X5
YMDA 16X35
PBDA 10X30
PBSA 10X5
PBDAS 6X40
KV7-M9165-000
KV8-M7162-000
KGB-M7163-000
CYLINDER PBDAS6X40
SOLENOID VALVE
MICRO EJECTOR
PBDAS 6X40
KM1-M9611-020 CYLINDER,U/D BDAS 16X20
KV7-M9269-000 CYLINDER PBDA 10X5-M
CYLINDER ASSY
VALVE KV8-M7535-010
YMDAS 10X20 KV8-M7522-010
1
1
SC4-M5A
SC4-M5A
KM-03
BF4BU-M3
US4
UEF4BU-M3
29
28
13
4
20
12
13
11
10
26
25
1
2
3
5
6
8
9
12
11
14
16
22
21
20
18
17
15
23
14
M-F ELBOW3/8"MF400-03-A
8-40D
VALVE (for spare)
KGA-M37P1-000
4(BLACK)

PAGE 12
Harness parts list
KGB - 0108
No Part No. Part Name Q'ty Remarks No Part No. Part Name Q'ty Remarks
1 KM5-M661E-003 HNS,1-2 (QF11-TM11) 1 J3 39 KV8-M664J-000 HNS 4-6(I/O CMN Y-FL 1 J108
2 KM6-M661G-001 HNS,1-4 (TM11-TC11) 1 J4 40 KW3-M668H-001 HNS,FDD 1 J110
3 KGA-M662E-010 HNS,TC11-QF,XT21 1 J11 41 KV8-M664G-000 HNS 4-4 1 J114
4 KM6-M661J-000 HNS 1-6 (TM11-QF31) 1 J14 42 KV8-M664K-003 HNS,Z-FLEX CMN 1 J115
5 KM6-M661K-000 HNS 1-7 (QF31-NF11) 1 J15 43 KGA-M665F-010 HNS,PI1B 1 J123
6 KV8-M661J-000 HNS 1-6(TM11-QF32) 1 J16 44 KV8-M665G-000 HNS 5-4 1 J124
7 KGA-M662L-000 HNS,U11-U14 1 J17 45 KV8-M665J-000 HNS 5-6 1 J125
8 KM6-M661L-000 HNS 1-8 (NF11-KM11) 1 J18 46 KV8-M665L-000 HNS 5-8 1 J128
9 KV8-M661N-001 HNS,1-10(QF40-KM10A) 1 J19 47 KV8-M665K-000 HNS 5-7(X-BEAM,PI X) 1 J129
10 KGA-M662A-010 HNS,C/R POWER 1 J21 48 KV8-M665M-000 HNS 5-9(PI W) 1 J131
11 KGA-M667L-000 HNS,CONNE.-FAN 1 J22 49 KGA-M665G-000 HNS,BASE PUP 1 J132
12 KV8-M662G-000 HNS 2-4(CONNECT,CNF1 1 J24 50 KGA-M665A-000 HNS,BASE Y1P 1 J133
13 KGA-M662H-020 HNS,EXT.POWER 1 J28 51 KGA-M665E-000 HNS,BASE Y2P 1 J134
14 KGA-M662R-010 HNS,SENSOR PWR 1 J30 52 KGB-M665U-020 HNS,BASE(XP,ZP,RP) 1 J135
15 KGA-M662W-000 HNS,CNF41 LED POWER 1 J40 53 KV1-M665T-001 HNS,Z-FLEX RP 1 J136
16 KV8-M661U-003 HNS,CNF16 1 J41 54 KV8-M666F-002 HNS.M0 X,Y1,Y2,PU 1 J143
17 KV8-M661V-000 HNS 1-14(PWR,HEAD I/ 1 J43 55 KV8-M666G-001 HNS.M0 Z1,R1,W 1 J144
18 KV8-M661W-000 HNS 1-15 1 J44 56 KV8-M666H-002 HNS,6-5(Y-FLEX XM) 1 J145
19 KV1-M66E8-001 HNS,Z-FLEX +24V 1 J45 57 KV8-M666J-000 HNS 6-6 1 J146
20 KGA-M662X-000 HNS,QF22-GS21 1 J47 58 KV8-M666L-001 HNS,X-FLEX ZM RM 1 J149
21 KV7-M662Y-001 HNS 2-17(CONN,CNF21) 1 J48 59 KV1-M666K-001 HNS,Z-FLEX RM 1 J152
22 KV8-M663A-002 HNS,3-1 (PWR,MTR) 1 J51 60 KGA-M667G-000 HNS,CN8A INTERLOCK 1 J161
23 KU0-M663N-004 HNS,3-10 (CAPACITOR) 1 J52 61 KGA-M667H-000 HNS,CN8B INTERLOCK 1 J162
24 KV7-M663M-000 HNS 3-9(CONNECT,CNF4 1 J58 62 KGA-M667A-001 HNS,COVER LIMIT 2 J163,J164
25 KG2-M663R-002 HNS 3-11 :J61/J62 2 J61,J62 63 KGA-M667J-000 HNS,EMG SW 2 J165,J166
26 KV8-M663T-001 HNS SPEED CONTROL 1 J63 64 KGA-M667F-000 HNS,CNF48 EMG 1 J167
27 KV8-M536E-100 HNS 302 2 J71,J73 65 KGA-M667E-000 HNS,CNF35-CN6A 1 J168
28 KV8-M66L1-000 HNS 17-1(700) 1 J72 66 KV8-M662N-002 HNS,CONNECT CNF10 1 J170
29 KH5-M536E-110 HNS 302 (FG 500 FLEX 1 J74 67 KV8-M662R-001 HNS,2-11(OT,HEAD) 1 J171
30 KK1-M664J-010 HNS,PE 1000 5 J77-J80,J89 68 KV8-M662T-000 HNS 2-12 1 J172
31 KM6-M66L2-030 HNS,PE 1600 1 J81 69 KV8-M66E7-001 HNS,Z-FLEX OT 1 J173
32 KG2-M536A-220 HNS,PE 150 6 J83-J88 70 KGA-M662J-020 HNS,CNF15 MSP 1 J176
33 KM0-M536A-010 HNS,PE 70 2 J90,J91 71 KGA-M668F-102 HNS,FRONT OPE.SW 1 J181
34 90K30-044100 HNS,EARTH 1 J93 72 KGA-M669V-010 HNS,SWITCH ACTIVE 1 J183
35 KGA-M664A-001 HNS,I/O1 CMN 1 J101 73 KGA-M669V-110 HNS,SWITCH READY 1 J184
36 KV8-M664F-000 HNS 4-3(CMN,I/O AB) 1 J102 74 KGA-M669V-220 HNS,SWITCH START 1 J185
37 KGA-M664E-001 HNS,I/O2 CMN 1 J103 75 KGA-M669V-301 HNS,SWITCH STOP 1 J186
38 KG2-M669R-110 HNS 9-11 (BUZZER) 1 J109 76 KGA-M669V-401 HNS,SWITCH ERROR CLR 1 J187

PAGE 13
Harness parts list
KGB - 0108
No Part No. Part Name Q'ty Remarks No Part No. Part Name Q'ty Remarks
77 KGA-M669V-510 HNS,SWITCH RESET 1 J188
78 KV8-M668R-101 HNS,8-11(DI 6B) 1 J195
79 KW3-M66GW-001 HNS,NEXT INTERFACE 1 J201
80 KG2-M669G-010 HNS,9-4 1 J202
81 KV8-M669N-002 HNS,DO CONNECTION 1 J203
82 KGA-M669T-010 HNS,CN16A DO 1 J204
83 KGA-M669J-050 HNS,CN15B DO 1 J205
84 KV8-M669E-000 HNS 9-2(PATLITE) 1 J219
85 KGA-M668J-060 HNS,CNF30 GATE 1 J220
86 KW7-M668N-001 HNS,INTERFACE IN 1 J221
87 KW3-M66GX-001 HNS,PRE.INTERFACE 1 J222
88 KGA-M668A-010 HNS,CN3A DI 1 J258
89 KGA-M668E-020 HNS,CN1A DI 1 J252
90 KV8-M668G-XXX HNS,DI DUMP SEL. 2
91 KV8-M668G-200 HNS,8-4(DI,DUMP 3/4) 2 J253
92 KV8-M668G-200 HNS,8-4(DI,DUMP 3/4) 1 J253,J257
93 KGA-M668K-000 HNS,CN4A DI 1 J254
94 KV8-M668F-002 HNS,8-3(DI,DUMP 1/2) 2 J255,J259
95 KV8-M668M-011 HNS,NOZZLE STATION 1 J256
96 KGA-M669F-010 HNS,USB1 1 J270
97 KGA-M669E-010 HNS,MSP IN 1 J271
98 KGA-M669H-110 MSP SHORT ASSY 1
99 KGA-M669H-010 HNS,MSP SHORT 1
100 KGA-M13E1-001 MSP CHAIN 1
101 KH1-M13E2-000 BALL CHAIN 1
102 KH1-M13E3-000 TERMINAL 2
103 KH1-M13E4-000 STAINLESS W RING 1
104 KV8-M66A7-000 HNS 10-7(LED1) 1 J310
105 KV8-M66E1-000 HNS 11-1(DO,HEAD) 1 J311
106 KV8-M66E3-001 HNS,11-3 1 J313
107 KV8-M66E5-010 HNS,11-5 1 J315
108 KGB-M66E6-010 HNS,11-6(I/O HEAD) 1 J318
109 KM6-M66M1-101 HNS,TAP CHANGE 10 J601-J608,J610,J611
110 KM6-M66M1-201 HNS,TAP CHANGE 1 J609
111 KM6-M66M4-001 HNS 18-4 (JUMPER) 3 J612,J613