88xg_100xg电气线路图.pdf - 第22页
PAGE 21 YV88Xg (KGA) Control W iring Diagram T ranstap switching diagram 240V 220V 208V 200V 190V 240V 220V 208V 200V 190V 0V 0V 240V 220V 208V 200V 190V 0V 240V 220V 208V 200V 190V 0V 240V 220V 208V 190V 200V 0V 240V 22…

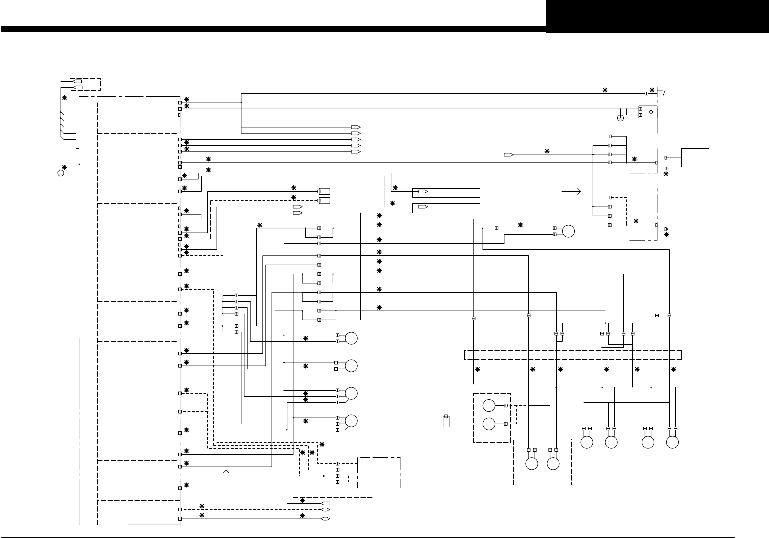
PAGE 20
YV88Xg (KGA) Control Wiring Diagram
Controller connections diagram
CONTROL BOX ASSY
AC IN
CONTROL BOX ASSY
SYSTEM
SERVO2
DRIVER2
PI3
PI4
MO3
MO4
See Page 4
See Page 1
See Page 1
MO3
MO4
PI3
PI4
AC SERVO
MOTOR
KEY/MOUSE
FDD
SERIAL 1
VGA
I/O 2
SERVO1B
PI2B
PI1B
DRIVER1B
MO1B
AC SERVO
MOTOR
MOTOR
DUCT X
FLEXIBLE
AC SERVO
FLEXIBLE
DUCT Y
XX
Y1P
Y2P
PUP
Z
W
X
Z
X
Z1
Z2
Y1
Y1
Y2
Y2P
PU
PU
W
W
Z2
Z1
XM
Z
X
APPL
LAN
MO2B
VISION
D-CAMERA1
A-CAMERA1
(VICS3100)
V.OUT
A-CAMERA3
A-CAMERA2
L.CTL1
EMG
UPS
EXT.POWER
XP
BK
BK
L.CTL2
1
2
3
4
5
6
See Page 1
USB1
USB2
See Page 6 (OPERATION MONITOR SEL.)
D-CAMERA3
D-CAMERA2
FRONT SIDE
REAR SIDE
Maintenance
Support
Pendant
option
MSP
MSP
HA1
I/0 1
FID CAMERA
Y1P
Y2P
PUP
WP
Y1M
Y2M
PUM
WM
NOTE1: J273,J274,J275 are OPTIONAL
AC SERVO
MOTOR
NOTE1
DRIVER1A
MO1A
MO2A
SERVO1A
PI2A
PI1A
N
RR
N
N1P
N1M
AC SERVO
MOTOR
XMX
XXP
N1
N2 N2
N1
R2
R1 R1
R2
MOTOR
AC SERVO
N2M
N2P
MOTOR
AC SERVO
MOTOR
AC SERVO
MOTORMOTOR
AC SERVOAC SERVO
R
Z
Z
Z2
R
N
R1-AXIS ENCODER
EN1
EN2
R2-AXIS ENCODER
R1R2
N1PN2P
Z2
Z1
Z1
Z2
R2
R1
R1
R2N2
N2
N1
N1
N1M
Z2P R2P
R2M
R2M R1P
R1
R1M
Z1
Z1P
Z1
Z1M
Z2M
Z2M
N2M
for FNC HEAD
for SF HEAD
NOTE2
NOTE2: J141,J146,J151 are for FNC HEAD.
PARARELL
MSP
D.MAN
+24V
USB
MSP
D.MAN
+24V
USB
MSP F
+24V
USB1
MSP R
+24V
USB2
BUZZER
BUZZER
N
See PAGE 6
See PAGE 6
YTF-80W
ATS20A
ATS-M
ATS-H
A1
A1
U54
V54
W54
U14
V10
CAMERA 1
M1
X-AXIS
AC SERVO
MOTOR
M7
N1-AXIS
M3
Z1 MOTOR
M4
Z2 MOTOR
M2
Y1-AXIS
M10
W-AXIS
M8
N2-AXIS
M6
R2 MOTOR
D-CAMERA 1
DIGITAL MULTI CAMERA FRONT
D-CAMERA2
DIGITAL MULTI CAMERA REAR
(OPTION)
M5
R1 MOTOR
M9
PU-AXIS
D1
FDD
1.44MB
M11
Y2 MOTOR
AC 200V
I/O CONV A(CNX1)
J108(FULEXIBLE DUCT Y)LDC1
AC 100V
LDC2(OPTION)
CONNECTION(CNF48)
CONNECTION BOARD(CNF39)
UPS
LCD1,LCD2(DC12V)
MOUSE/KEYBOARD
SERIAL1
VGA
CNF15(EMG MSP)
CN1OS(SWITCHER,DC12V)
J506
J503
J501
J112 or J113
J211 or J214
J110
J103
J101
J503
J72
J21
J270
J273
J28
J506
J121
J142
J141
J122
J144
J143
J124
J123
J167
J693
J692
J694
J111
J694
J693
J692
J167
J220
J131
J133
J132
J220
J134
J510
J130
J151
J128
J150J149
J271
J274
J176
J129
J275
J272
J109
J28
J126
J127
J504
J503
J103
J101
J125
J148
J145
J501
J147
J146
J135

PAGE 21
YV88Xg (KGA) Control Wiring Diagram
Transtap switching diagram
240V
220V
208V
200V
190V
240V
220V
208V
200V
190V
0V0V
240V
220V
208V
200V
190V
0V
240V
220V
208V
200V
190V
0V
240V
220V
208V
190V
200V
0V
240V
220V
208V
200V
0V
190V
W50
N
V50
U50
200V
S1
R1
T1
240V
220V
208V
200V
190V
240V
220V
208V
200V
190V
0V0V
240V
220V
208V
200V
190V
0V
240V
220V
208V
200V
190V
0V
240V
220V
208V
190V
200V
0V
240V
220V
208V
200V
0V
190V
N
208V
S1
R1
T1
240V
220V
208V
200V
190V
240V
220V
208V
200V
190V
0V0V
240V
220V
208V
200V
190V
0V
240V
220V
208V
200V
190V
0V
240V
220V
208V
190V
200V
0V
240V
220V
208V
200V
0V
190V
N
220V
S1
R1
T1 240V
220V
208V
200V
190V
240V
220V
208V
200V
190V
0V0V
240V
220V
208V
200V
190V
0V
240V
220V
208V
200V
190V
0V
240V
220V
208V
190V
200V
0V
240V
220V
208V
200V
0V
190V
N
240V
S1
R1
T1
240V
220V
208V
200V
190V
240V
220V
208V
200V
190V
0V0V
240V
220V
208V
200V
190V
0V
240V
220V
208V
200V
190V
0V
240V
220V
208V
190V
200V
0V
240V
220V
208V
200V
0V
190V
N
380V
S1
R1
T1
240V
220V
208V
200V
190V
240V
220V
208V
200V
190V
0V0V
240V
220V
208V
200V
190V
0V
240V
220V
208V
200V
190V
0V
240V
220V
208V
190V
200V
0V
240V
220V
208V
200V
0V
190V
N
400V
S1
R1
T1
240V
220V
208V
200V
190V
240V
220V
208V
200V
190V
0V0V
240V
220V
208V
200V
190V
0V
240V
220V
208V
200V
190V
0V
240V
220V
208V
190V
200V
0V
240V
220V
208V
200V
0V
190V
N
416V
S1
R1
T1
TM11:The selection of POWER SOURCE 2.48KVA
200V
240V
220V
208V
200V
190V
0V
240V
220V
208V
200V
190V
0V
0V
100V
V10
U10
R1
S1
208V
240V
220V
208V
200V
190V
0V
240V
220V
208V
200V
190V
0V
0V
100V
V10
U10
R1
S1
220V
240V
220V
208V
200V
190V
0V
240V
220V
208V
200V
190V
0V
0V
100V
200V
220V
V10
U10
U20
R1
S1
240V
240V
220V
208V
200V
190V
0V
240V
220V
208V
200V
190V
0V
0V
100V
V10
U10
R1
S1
380V
240V
220V
208V
200V
190V
0V
240V
220V
208V
200V
190V
0V
0V
100V
V10
U10
R1
S1
400V
240V
220V
208V
200V
190V
0V
240V
220V
208V
200V
190V
0V
0V
100V
V10
U10
R1
S1
416V
240V
220V
208V
200V
190V
0V
240V
220V
208V
200V
190V
0V
0V
100V
V10
U10
R1
S1
TC11:The selection of POWER SOURCE 1KVA
U60
V60200V
200V
220V
220V
220V W50
V50
U50
U60
V60200V
200V
220V
220V
220V W50
V50
U50
U60
V60200V
200V
220V
220V
220V W50
V50
U50
U60
V60200V
200V
220V
220V
220V W50
V50
U50
U60
V60200V
200V
220V
220V
220V W50
V50
U50
U60
V60200V
200V
220V
220V
220V W50
V50
U50
U60
V60200V
200V
220V
220V
220V
TM11
W
V
U
TM11
W
V
U
TM11
W
V
U
TM11
W
V
U
TM11
W
V
U
TM11
W
V
U
TM11
W
V
U
TC11TC11TC11 TC11 TC11TC11TC11

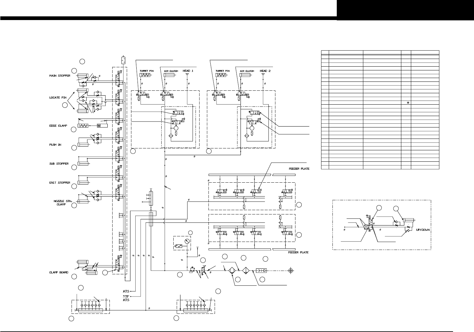
PAGE 22
YV88Xg (KGA) Control Wiring Diagram
Air circuit (YV88Xg-F)
300V-03
KM23
8(ORANGE)
8(ORANGE)
KM-11
040M12AJ 1-7 A040
-4E1-PLL 8-12 BP
F300-03
-BG-A
R300-03
SL12-03
GS1-50
-DL-41W
SLY10-03
TL4-02
TSH4-M5
UEDW10-8
PBDAS 6X40
SC4-M5A
SC4-M5A
SC4-M5A
SSU4
PBDAS 6X40-ZC130A
PBSA 10X5
PBDA 10X30
YMDA 16X35
SL4-M5
SL4-M5
MANUHOLD
KM0-M1141-000
MANUHOLD
KM0-M1141-000
TSS4-01 TSH8-01
PLUG
K40-M8598-000
BF4
BF4
TL8-01TT8-01
stn.50stn.1 stn.2 stn.3
KM-06KM-06
VALVE ASSY 50-L
KGA-M3410-100
50123
TSS4-01
TSH8-01 PLUG
K40-M8598-000
BF4
BF4
TL8-01TT8-01
stn.150
stn.101
stn.102 stn.103
KM-06KM-06
VALVE ASSY 50-R
KGA-M3410-500
150101 102 103
8(ORANGE)
8(ORANGE)
SC4-M5A
UY8
SL8-01
US8
UC4
UY4
HI-CAPPLER
PLUG 30PM
AIR SOURCE
12
(ORANGE)
10(ORANGE)
8(ORANGE)
SL4-M5
TSH4-M5M
BDADS 10X10-ZC130A2
SL4-M5
( )
8(ORANGE)
VALVE ASSY 20-R(L)
KGA-M3410-200(400)
VALVE ASSY 16-R
KGA-M3410-300
VALVE ASSY 20-R(L)
KGA-M3410-200(400)
YMDA 16X35
UEF
UEF
UY4
PBDA 16X5-M
UEF4BU
8(ORANGE)
SL4-M5
TSH4-M5
SL6-M5
TSH4-M5
8(ORANGE)
AME07-E2-12W
KGA-M7111-A00
SL4-M5
KM-05
SL4-M5TLR4-M5
TSH4-M5
KM-05
SL4-M5
TSH4-M5
TSH6-M5M
TSH4-M5
AME07-E2-12W
KGA-M7111-A00
KM-05
SL4-M5TLR4-M5
TSH4-M5
KM-05
ME07M1A-029W
KGA-M7111-000
UYD8-6
6(ORANGE)
6(ORANGE)
USD10-8
UED8-4
UP8
UP4
UP4
LIGHTLIGHT
LIGHTLIGHT
YMDAS 10X20-ZE135A2
USD10-8
ME07M1A-029W
KGA-M7111-000
SL12-03
No. PART NO. PART NAME Q'TY REMARKS
1
2
4
5
6
1
7
8
9
10
11
12
13
17
15
16
2
21
22
23
24
25
26
27
28
29
30
1
1
1
1
1
1
2
2
2
2
2
1
1
14
3
1
18
1
19
20
2
1
2
1
8-30D3MODULE ADAPTER KG7-M8503-000
30PM KG7-M8512-000 JOINT
KG7-M8513-000
KG7-M8501-000
KG7-M8502-000
KH5-M8501-000
KG7-M8504-001
KG7-M8596-002
KM0-M8582-000
KM0-M1141-000
K40-M8598-000
KGA-M3410-*00
JOINT
AIR FILTER
MIST FILTER
EXHAUST VALVE
REGULATOR
PRESURE GAUGE
VALVE
MANUFOLD
PLUG 1 (R 1/8)
VALVE ASSY *
3/8" M-F ELBOW
F300-03-BG-A
MF300-03-A
300V-03
R300-03
GS1-50-DL-41W
KG2-M8582-400 VALVE(SPARE)
KV7-M9612-001
KV7-M9283-000
KV7-M9229-000
KV7-M9237-000
KV7-M9179-A00
AIR CYLINDER ASSY.
CYL.,YMDA16X35
CYLINDER
CYLINDER PBSA10X5
CYLINDER:ASSY
BDADS 10X10
YMDA 16X35
PBDA 10X30
PBSA 10X5
PBDAS 6X40
KV7-M9165-000
KGA-M7111-000
CYLINDER PBDAS6X40
VALVE ASSY.
PBDAS 6X40
KV7-M9269-000 CYLINDER PBDA 10X5-M
ME07M1A-029W
CYLINDER ASSY
VALVE KV8-M7535-010
YMDAS 10X20 KV8-M7522-010
1
13
4
8-30D3
20
12
13
11
10
1
M-F ELBOW3/8"
2
3
5
6
8
9
12
11
16
21
20
18
17
15
VALVE (for spare)
KGA-M37P1-000
23
14
26 26
SC4-M5A
SC4-M5A
KM-03
BF4BU-M3
US4
UEF4BU-M3
29
28
A041E1-PSL-48W
A010E1-PLL-59W
A041E1-11-PSL-48W
KV7-M7111-B00
A041E1-11-PSL-48W
KV7-M7111-B00
A041E1-11-PSL-48W
KV7-M711-B00
A041E1-PSL-48W
A010E1-PLL-59W
MF300-03-A
A041E1-11-PSL-48W
KV7-M7111-B00
4
4
(BLACK)
(ORANGE)
4
(CLEAR)
4
(CLEAR)
4
(CLEAR)
4
(CLEAR)
4
(CLEAR)
4
(CLEAR)
8
(ORANGE)
(ORANGE)
4
4
(ORANGE)
4(BLACK)
4(BLACK)
4
(ORANGE)
4
(ORANGE)
4
(BLACK)