88xg_100xg电气线路图.pdf - 第20页
PAGE 19 YV88Xg (KGA) Control W iring Diagram I/O wring diagram (CONVEYOR B) I/O CONVEYOR UNIT R1 NONSTOP FEEDER (OPTION) R2 NONSTOP FEEDER (OPTION) T1945 T1946 T1947 T1950 T1951 T1952 T1953 DO6 CN3 CN2 DC24VIN CNX1 COMU1…

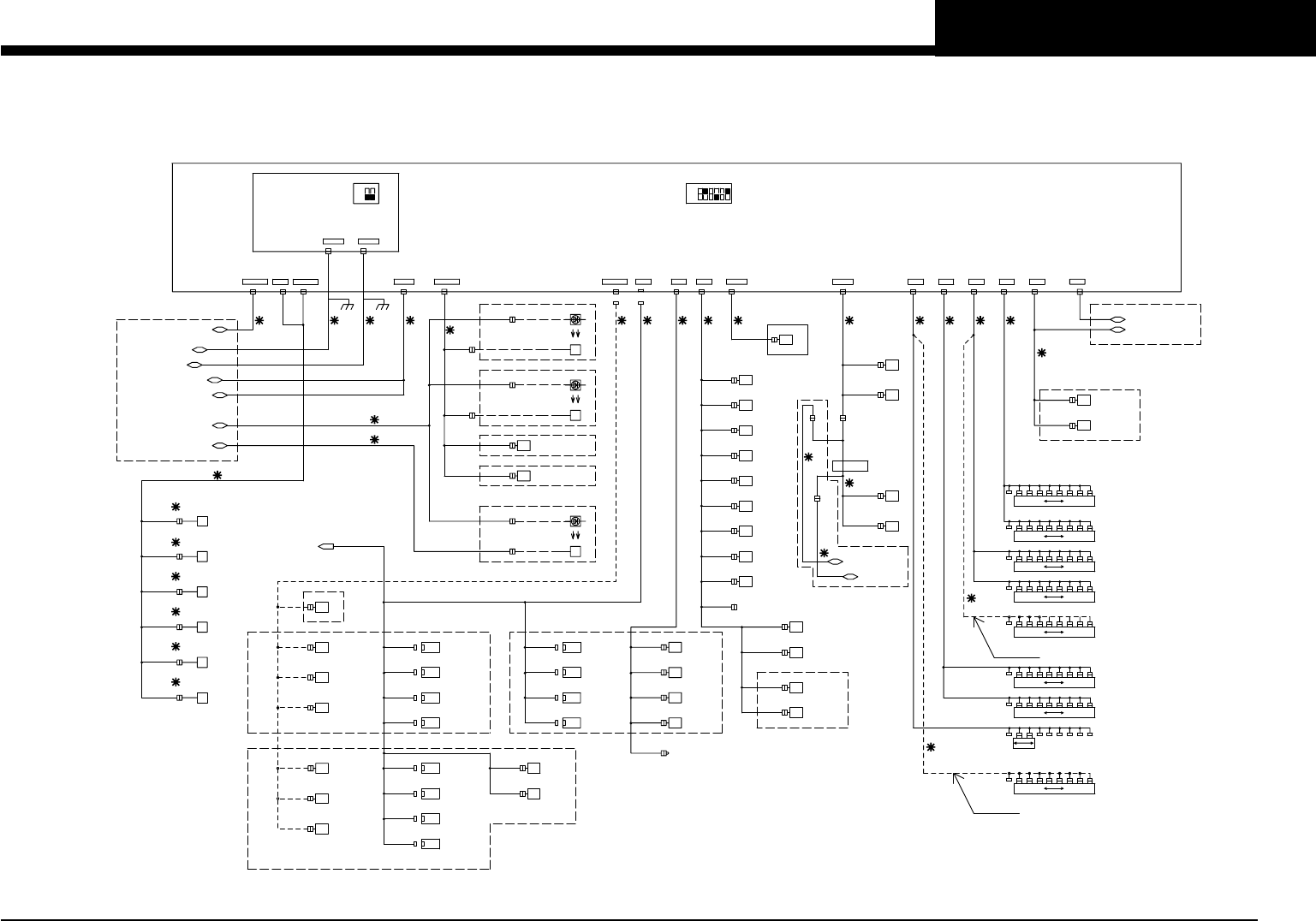
PAGE 18
YV88Xg (KGA) Control Wiring Diagram
I/O wring diagram (CONVEYOR A)
I/O CONVEYOR UNIT
NOZZLE STATION
(OPTION)
F1 NONSTOP FEEDER
(OPTION)
F2 NONSTOP FEEDER
(OPTION)
T1845
T1846
T1847
T1850
T1851
T1852
T1853
DO6
CN3CN2
DC24VIN
CNX1
COMU1
See PAGE 1
FRONT
I/O CORE
A
CN2_A
CNX1_A
CNX2
COMU2
CNX2_A
DO5
CN15
T1834/T1835/T1836
ORG/OT
Y FLEX
CN16
CN16_A
CN3_ACN15_A
T1844
T1842
T1843
T1840
T1841
See PAGE 1
See PAGE 1
CN8
EMG/INT
N1020
N1021
N1022
N1023
N1042
N1043
N1030
N1031
N1032
N1033
N1034
N1035
N1036
N1037
N1040
CN1
DI3
N1000
N1002
N1003
N1007
N1010
CN19
DI36
N1026
N1060
N1061
N1062
CN22
DI SPARE
N1064
N1065
N1066
N1067
YV149,YV150
CN7
DI1
CN4
DI2 DO1
DO2DO3
CN14
CN13 CN12
CN11
DO4
CN8_A
CN22_A
CN4_A CN1_A CN19_A
CN14_A CN13_A CN12_A CN11_A CN7_A
T1820...T1833
+24V
F2 FEEDER CARRIGE(OPTION)
F1 FEEDER CARRIGE(OPTION)
F2.FEEDER FLOAT SENSOR(OPTION)
F1.FEEDER FLOAT SENSOR(OPTION)
F1 DUMP
PIN1
PIN2
Y1OT/Y1ORG
Y1OT/Y1ORG
Y1 ORG
Y1 OT
CN5
HCN5
CN5
See PAGE 1
DUMP STATIION(OPTION)
N1005
N1006
F.FDR1
F.FDR2
DUMP STATION(OPTION)
NOTE
NOTE
NOTE:DASH LINE IS AVAILABLE,WHEN 20 FEEDERS TYPE IS SELECTED.
N1050/T1860
N1051/T1861
N1052/T1862
N1053/T1863
SWITCH
SWITCH
SWITCH
SWITCH
SWITCH
N1054/T1864
N1055/T1865
SWITCH
CN18
CN18_A CN23_A
CN23
T1857
See Page 6
T1854
T1855
N1046
N1047
DIGITAL MULTI LIGHT REAR
N1001
SERVICE KEYN1024
N1015
N1017
DIGITAL MULTI LIGHT FRONT
CN6
EMG
SERVO ON
See PAGE 1
N1016
DI4 DO SPARE
YV149 YV152
YV141 YV148
YV133 YV140
YV117 YV120
YV125 YV132
YV117 YV124
YV109 YV116
YV101 YV108
See PAGE 1
F AREA(OPTION)
F.AREA +24V
SB31
SB32
SB33
SB34
SB35
SB36
DOMP3
S.KEY
N1041
SQ54
LIGHT D-CAM2 UPPER
SQ55
LIGHT D-CAM2 LOWER
YV02
F NOZZLE
DOWN
YV01
F NOZZLE
UP
YV14
F2 NONSTOP
BACK
YV13
F2 NONSTOP
FORWARD
YV12
F2 NONSTOP
DOWN
YV11
F2 NONSTOP
UP
YV08
F1 NONSTOP
BACK
YV07
F1 NONSTOP
FORWARD
YV06
F1 NONSTOP
DOWN
YV05
F1 NONSTOP
UP
SQ02
W1 ORG
LIGHT D-CAM1 UPPER
SQ56
LIGHT D-CAM1 LOWER
SQ57
SQ37
CONVEYOR EXIT 2
1234
ON
OFF
56
SB21
F1 NONSTOP SW-LAMP
SB22
F2 NONSTOP SW-LAMP
F RESET
F ACTIVE
12
ON
OFF
F STOP
F START
F ERROR CLEAR
F READY
YV04
F NOZZLE
CLOSE
YV03
F NOZZLE
OPEN
SQ05
Y OT
SQ01
Y ORG
SQ03
PU ORG
SQ13A
LASER
SQ13B
SQ07B
SQ07A
LASER
SQ06B
SQ06A
LASER
SQ11
F2 FEEDER CARRIGE
SQ08
F1 FEEDER CARRIGE
SQ24
F NOZZLE
DOWN
SQ23
F NOZZLE
UP
SQ22
F NOZZLE
CLOSE
SQ21
F NOZZLE
OPEN
SQ41
WORK OUT MAIN
SQ39
LOCATE PIN2 UPPER
SQ38
LOCATE PIN1 UPPER
SQ36
CONVEYOR EXIT 1
SQ35
WORK OUT
SQ34
SET POSITION
SQ33
SUB POS2
SQ32
SUB POS1
SQ31
CONVEYOR ENT.
SQ42
PUSH UP PIN INTLCK
SQ25
F1 DUMP
SQ68
F2 DUMP
SQ63
F1 NONSTOP
FORWARD
SQ62
F1 NONSTOP
UP
SQ61
F1 NONSTOP
SWITCH
SQ67
F2 NONSTOP
FORWARD
SQ66
F2 NONSTOP
UP
SQ65
F2 NONSTOP
SWITCH
CONNECTION BOARD(CNF12)
CONNECTION BOARD(CNF16)
CONNECTION BOARD(CNF8)
SYSTEM BOARD(I/O1)
CONV I/O B(CNX1)
CONNECTION BOARD(CNF40)
HEAD I/O (CN5)
CONNECTION(CNF10)
ACTIVE CHANGE(SWITCHER)
CONNECTION BOARD(CNF35)
CONNECTION BOARD(CNF30)
CONNECTION BOARD(CNF53)
J174
J203
J30
J220
J211J212J213J214J255J252
J254
J253
J161
J171
J102
J170
J258J204J41 J101
J231
J232
J181
J185
J186
J183
J187
J184
J188
J172

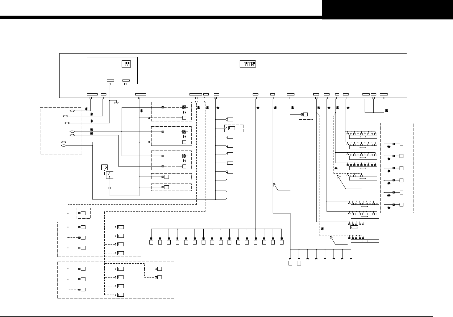
PAGE 19
YV88Xg (KGA) Control Wiring Diagram
I/O wring diagram (CONVEYOR B)
I/O CONVEYOR UNIT
R1 NONSTOP FEEDER
(OPTION)
R2 NONSTOP FEEDER
(OPTION)
T1945
T1946
T1947
T1950
T1951
T1952
T1953
DO6
CN3CN2
DC24VIN
CNX1
COMU1
See PAGE 1
I/O CORE
B
CN2_B
CNX1_B
CNX2
COMU2
ORG/OT
CN16
CN16_B
CN3_B
T1944
See PAGE 1
See PAGE 1
See PAGE 1
CN8
EMG/INT
DO5
N1107
N1110
CN19
DI36
N1126
N1160
N1161
N1162
CN22
DI SPARE
N1164
N1165
N1166
N1167
YV241 YV248
YV233 YV240
YV249,YV250
DO1DO2DO3
CN14 CN13 CN12 CN11
DO4
CN8_B
CN22_B
CN19_B CN14_B CN13_B CN12_B CN11_B
+24V
R2 FEEDER CARRIGE(OPTION)
R1 FEEDER CARRIGE(OPTION)
R AREA(OPTION)
R2.FEEDER FLOAT SENSOR(OPTION)
R1.FEEDER FLOAT SENSOR(OPTION)
R1 DUMP
T1920
T1921
T1922
T1923
T1924
T1925
T1926
T1927
AIR
PRESSURE
SENSOR
SP11
N1111
N1106
N1105
CN15
CN15_B
N1120...N1125
R.FDR1
R.FDR2
R.AREA +24V
AIR
AIR
DUMP STATION
(OPTION)
DUMP STATION(OPTION)
NOTE1
NOTE1:DASH LINE IS AVAILABLE,WHEN 20 FEEDERS TYPE IS SELECTED.
T1954
T1955
CN7
DI1
CN4
DI2
CN4_B
T1935
T1932 , T1933
CN23
DO SPARE
CN23_BCN7_B
OPTION
DI3
CN1
CN1_B
N1113/T1960
SWITCH
N1114/T1961
SWITCH
N1115/T1962
SWITCH
N1116/T1963
SWITCH
SWITCH
N1117/T1964
SWITCH
N1110/T1965
T1936
T1937
YV201 YV208
YV209 YV216
YV217 YV224
YV225 YV232
YV217 YV220
YV249 YV252
DI6
CN18
CN18_B
N1130 N1131 N1132 N1133 N1134 N1135 N1136 N1137 N1140 N1141 N1142 N1143 N1144 N1145 N1146 N1147
N1150 N1151 N1152 N1153
SB41
SB42
SB43
SB44
SB45
SB46
DUMP4
NOTE1
N1154 N1155 N1156 N1157
COVER LOCK
AMF1
AMF2
CONNECTION BOARD
NOTE2
NOTE2:J265 IS FOR SF HEAD.
YV54
R2 NONSTOP
BACK
YV53
R2 NONSTOP
FORWARD
YV52
R2 NONSTOP
DOWN
YV51
R2 NONSTOP
UP
YV48
R1 NONSTOP
BACK
YV47
R1 NONSTOP
FORWARD
YV46
R1 NONSTOP
DOWN
YV45
R1 NONSTOP
UP
YV32
BOARD CLAMP
SB23
R1 NONSTOP SW-LAMP
SB24
R2 NONSTOP SW-LAMP
SQ118
NOZZLE
18
SQ117
NOZZLE
17
R ACTIVE
SQ101
NOZZLE
1
SQ106
NOZZLE
6
SQ105
NOZZLE
5
SQ104
NOZZLE
4
SQ103
NOZZLE
3
SQ102
NOZZLE
2
SQ116
NOZZLE
16
SQ115
NOZZLE
15
SQ114
NOZZLE
14
SQ113
NOZZLE
13
SQ112
NOZZLE
12
SQ111
NOZZLE
11
SQ110
NOZZLE
10
SQ109
NOZZLE
9
SQ108
NOZZLE
8
SQ107
NOZZLE
7
YV35
PUSH IN
YV34
EDGE CLAMP
YV33
LOCATE PIN
YV31
MAIN STOPPER
YV37
STOPPER OF EXIT
YV36
STOPPER OF ENTRANCE
12
ON
OFF
R START
R STOP
SQ83B
SQ83A
LASER
SQ77B
SQ77A
LASER
SQ76B
SQ76A
LASER
SQ81
R2 FEEDER CARRIGE
SQ78
R1 FEEDER CARRIGE
R ERROR CLEAR
P
SQ93
R1 NONSTOP
FORWARD
SQ92
R1 NONSTOP
UP
SQ91
R1 NONSTOP
SWITCH
SQ98
R2 DUMP
SQ27
R1 DUMP
R READY
SQ97
R2 NONSTOP
FORWARD
SQ96
R2 NONSTOP
UP
SQ95
R2 NONSTOP
SWITCH
1234
ON
OFF
56
R RESET
CONNECTION BOARD(CNF16)
CONNECTION BOARD(CNF40)
CONV I/O A(CNX2)
MULTI CAMERA LIGHT
READY OUT(CNF57)
CONNECTION BOARD(CNF54)
COUNT RESET
J221
J265
J162
J30
J205
J257
J256
J175
J206
J102
J41
J215J216
J217
J218
J258
J182
J234
J233
J189
J191
J192
J193
J190
J194

PAGE 20
YV88Xg (KGA) Control Wiring Diagram
Controller connections diagram
CONTROL BOX ASSY
AC IN
CONTROL BOX ASSY
SYSTEM
SERVO2
DRIVER2
PI3
PI4
MO3
MO4
See Page 4
See Page 1
See Page 1
MO3
MO4
PI3
PI4
AC SERVO
MOTOR
KEY/MOUSE
FDD
SERIAL 1
VGA
I/O 2
SERVO1B
PI2B
PI1B
DRIVER1B
MO1B
AC SERVO
MOTOR
MOTOR
DUCT X
FLEXIBLE
AC SERVO
FLEXIBLE
DUCT Y
XX
Y1P
Y2P
PUP
Z
W
X
Z
X
Z1
Z2
Y1
Y1
Y2
Y2P
PU
PU
W
W
Z2
Z1
XM
Z
X
APPL
LAN
MO2B
VISION
D-CAMERA1
A-CAMERA1
(VICS3100)
V.OUT
A-CAMERA3
A-CAMERA2
L.CTL1
EMG
UPS
EXT.POWER
XP
BK
BK
L.CTL2
1
2
3
4
5
6
See Page 1
USB1
USB2
See Page 6 (OPERATION MONITOR SEL.)
D-CAMERA3
D-CAMERA2
FRONT SIDE
REAR SIDE
Maintenance
Support
Pendant
option
MSP
MSP
HA1
I/0 1
FID CAMERA
Y1P
Y2P
PUP
WP
Y1M
Y2M
PUM
WM
NOTE1: J273,J274,J275 are OPTIONAL
AC SERVO
MOTOR
NOTE1
DRIVER1A
MO1A
MO2A
SERVO1A
PI2A
PI1A
N
RR
N
N1P
N1M
AC SERVO
MOTOR
XMX
XXP
N1
N2 N2
N1
R2
R1 R1
R2
MOTOR
AC SERVO
N2M
N2P
MOTOR
AC SERVO
MOTOR
AC SERVO
MOTORMOTOR
AC SERVOAC SERVO
R
Z
Z
Z2
R
N
R1-AXIS ENCODER
EN1
EN2
R2-AXIS ENCODER
R1R2
N1PN2P
Z2
Z1
Z1
Z2
R2
R1
R1
R2N2
N2
N1
N1
N1M
Z2P R2P
R2M
R2M R1P
R1
R1M
Z1
Z1P
Z1
Z1M
Z2M
Z2M
N2M
for FNC HEAD
for SF HEAD
NOTE2
NOTE2: J141,J146,J151 are for FNC HEAD.
PARARELL
MSP
D.MAN
+24V
USB
MSP
D.MAN
+24V
USB
MSP F
+24V
USB1
MSP R
+24V
USB2
BUZZER
BUZZER
N
See PAGE 6
See PAGE 6
YTF-80W
ATS20A
ATS-M
ATS-H
A1
A1
U54
V54
W54
U14
V10
CAMERA 1
M1
X-AXIS
AC SERVO
MOTOR
M7
N1-AXIS
M3
Z1 MOTOR
M4
Z2 MOTOR
M2
Y1-AXIS
M10
W-AXIS
M8
N2-AXIS
M6
R2 MOTOR
D-CAMERA 1
DIGITAL MULTI CAMERA FRONT
D-CAMERA2
DIGITAL MULTI CAMERA REAR
(OPTION)
M5
R1 MOTOR
M9
PU-AXIS
D1
FDD
1.44MB
M11
Y2 MOTOR
AC 200V
I/O CONV A(CNX1)
J108(FULEXIBLE DUCT Y)LDC1
AC 100V
LDC2(OPTION)
CONNECTION(CNF48)
CONNECTION BOARD(CNF39)
UPS
LCD1,LCD2(DC12V)
MOUSE/KEYBOARD
SERIAL1
VGA
CNF15(EMG MSP)
CN1OS(SWITCHER,DC12V)
J506
J503
J501
J112 or J113
J211 or J214
J110
J103
J101
J503
J72
J21
J270
J273
J28
J506
J121
J142
J141
J122
J144
J143
J124
J123
J167
J693
J692
J694
J111
J694
J693
J692
J167
J220
J131
J133
J132
J220
J134
J510
J130
J151
J128
J150J149
J271
J274
J176
J129
J275
J272
J109
J28
J126
J127
J504
J503
J103
J101
J125
J148
J145
J501
J147
J146
J135