88xg_100xg电气线路图.pdf - 第5页
PAGE 4 YV100Xg (KGB) Control W iring Diagram Power supply circuit diagram CRT1 1 2 3 4 5 U12 V10 POWER SOURCE 50/60Hz GS21 DC24V CN2 CN2 CONTROL BOX 10% 3 PROG.UNIT A3 P21 P23 P24 240V 220V 208V 200V 190V 0V 240V 220V 20…

PAGE 3
YV100Xg (KGB) Control Wiring Diagram
Emergency stop circuit diagram
1
2
3
4
5
6
7
8
9
10
1
2
B5
A6
B6
A7
B7
A8
B8
A9
B9
1
2
3
4
5
6
7
8
9
10
OT1
OT2
1
2
3
4
5
6
7
8
9
10
1
2
3
4
5
6
7
8
9
1
2
3
4
5
6
7
8
9
10
11
12
13
14
15
16
17
18
19
20
21
22
1
2
3
4
5
6
7
8
9
10
11
12
13
14
15
16
17
18
19
20
21
22
+24V
OT3
OT4
1
2
3
4
5
6
7
8
9
OT1
OT2
CN4
CN6
CN3
OT1
OT2
1
2
3
+24V
1
2
3
OT
1
2
3
+24V
1
2
3
OT
SQ05
+24V
OT1
OT2
P21
+
-
+24V
P22
+
-
+
-
OT3
OT4
+24V
A1
A2
A3
A4
A5
A6
A7
A8
A9
A10
B1
B2
B3
B4
B5
B6
B7
B8
B9
B10
A1
A2
A3
A4
A5
A6
A7
A8
B1
B2
B3
B4
B5
B6
B7
B8
A1
A2
A3
A4
A5
A6
A7
A8
A9
A10
B1
B2
B3
B4
B5
B6
B7
B8
B9
B10
A1
A2
A3
A4
A5
A6
A7
A8
B1
B2
B3
B4
B5
B6
B7
B8
OT4
OT5
CNF8
CNF12
EMG1A
CONNECTION BOARD P40
A1
A2
A3
A4
A5
A6
A7
A8
A9
A10
B1
B2
B3
B4
B5
B6
B7
B8
B9
B10
CNF13
1
2
CNF9
A1
A2
A3
A4
A5
A6
A7
A8
A9
A10
B1
B2
B3
B4
B5
B6
B7
B8
B9
B10
1
2
OT1
EMG6
EMG7
+24V
+24E
X OT
Y OT
+24V
EMG7
+24VC
+24VC
T1821B
N1016
0V
1
2
3
4
5
6
7
8
9
10
CN5
A1
B1
A2
B2
A3
B3
A4
B4
A5
A10
B10
A11
B11
A12
B12
A13
B13
B5
A6
B6
A7
B7
A8
B8
A9
B9
A1
B1
A2
B2
A3
B3
A4
B4
A5
A10
B10
A11
B11
A12
B12
A13
B13
OT
0V
N2426
OT1
OT2
OT1
OT2
0V
EMG1B
T1836
T1834
T1835
0V
T1830
T1820
T1821
T1822
T1831
T1833
T1832
0V
10
9
8
7
6
5
4
3
2
1
1
2
3
4
CNF48
CNF35
0V
0V
0V
OT3
OT4
N1003
I/O BOARD CONVEYOR A
10
9
8
7
6
5
4
3
2
1 EMG1B
EMG1C
EMG1C
EMG1D
EMG1D
EMG1E
EMG2
EMG2A
EMG2D
EMG3
0V
OT
SQ206
1
2
3
4
I/O BOARD HEAD
1
2
+24VC
XOT
YOT
0V
+24VN
COVER R
H CN5 H CN5
10
CNF15
11
8
1
11
7
10
9
3
0V
6
4
1
5
+24VP
8
12 12
7
3
EMG1
2
6
9
EMG1A
2
5
4
EMG6
E60
+24V
0V
+24VA
EMG1C
EMG1E
COVER F
1
2
EMG2
EMG2D
2
EMG1D
1
STOP F
1
1
EMG2C
2
1
2
SB11
EMG.SW FRONT
2
EMG1B
2 SQ150
COVER LIMIT SW REAR
STOP R
SB12
2
EMG.SW REAR
1
COVER LIMIT SW FRONT
EMG2A
SQ151
EMG1D
1
1
EMG1C 2
1
3
4
3
1
4
22
CNF53
22
11
CNF54
4
33
4
55
55
+24VN
AREA
0V
+24VN
AREA
0V
+24VN
AREA
0V
3
L
3
1
EMG
D-MAN
D-MAN
EMG1G
D-MAN
.
J
M
.
EMG1A
1
2
2
3
G
J
3
M
FRONT PANEL
3
EMG
1
K
EMG
1
G
11
L
H
EMG1G
D-MAN
A
K
EMG
2
H
2
3
2
EMG1
2
EMG.SW PROG.UNIT
L
G
EMG1A
M
M
.
.
EMG1A
J
EMG1
DMAN SW.PROG.UNIT
E30
EMG1
H
MSP (A3)
K EMG2C
K
L
MSP SHORT
J
G
A
H
A
2
1
EMG SERVO 1A
1
C/R
SERVO 1B
2
GOOD
1
EMG SYSTEM
2
1
1
KV1-CONTROLLER
EMG
EMG
2
2
G
MSP SHORT
A
H
DMAN SW.PROG.UNIT
H
.
EMG1A
J
M
.
MSP (A3)
G
L
K
M
EMG.SW PROG.UNIT
E30
EMG1A
EMG2C
L
EMG1
EMG1
K
J
AA
REAR PANEL
LED7:EMG S/W R(112)
LED1:X1OT
LED10:C/R GOOD
LED2:X2OT
LED18:TF COVER LIMIT REAR1
LED11:TF EMG S/W1
LED17:COVER LIMIT REAR
LED15:TF COVER LMT F2
LED20:R AREA
LED6:EMG S/W MSP
LED16:F AREA
LED13:COVER LMT F
LED5:EMG1 SPARE
LED9:EMG S/W F
LED4:T,Y2OT
LED12:TF EMG S/W2
LED3:Y1OT
LED8:EMG S/W R
LED14:TF COVER LMT F1
OT1
OT1
OT2
OT3
OT3
OT3
OT4
OT4
OT4
OT4
LED19:TF COVER LIMIT REAR2
EMG1A
EMG1A
EMG1A
EMG1B
EMG1B
EMG1B
EMG2
EMG2A
LED21:EMG SPARE1
LED22:EMG SPARE2
LED23:EMG SPARE3
EMG2A
OT5
AREA
+24VN
0V
+24E
T1821B
A1EMG7
24+24V
KM10,KM10A
62
0V
23
EMG7
+24VC
54
61
EMG6
N1016
A2
+24VC
SEE POWER CIRCUIT DIAGRAM
13
53
14
8
7
6
5
4
3
2
1
8
7
6
5
4
3
2
1
CNF14
4
7
OT2
OT3
6
2
OT3
1
4
1
3
6 OT2
OT2
3
5
OT1
OT2
2
5
OT1
7
CNF10
EMG2
E20
E40
E30
E40
EMG3C
E20
E30
EMG6
EMG6
EMG7
EMG7
+24V
+24E
+24V
0V
AREA1
+24V
0V
+24V
0V
+24V
AREA1
0V
EMG1B
EMG1C
EMG1C
EMG1D
EMG1D
EMG1E
EMG2
EMG2A
EMG2D
EMG3
EMG1
EMG1A
EMG6
EMG7
E30
EMG2D
EMG1E
EMG2D
EMG3
EMG2C
EMG2D
EMG3B
EMG3C
EMG7
EMG6
AREA1
0V
0V
AREA2
OT5
EMG1
EMG1C
EMG1D
EMG1E
EMG2C
EMG2B
EMG1F
EMG2
EMG2D
EMG3
EMG3A
EMG3B
EMG3C
EMG4
EMG5
EMG6
2
1
1
CNF44
EMG3C
EMG1F
5
EMG3B
4
CNF49
READY OUT
OT3
1
3
1
4
EMG2
CNF27
EMG3A
CNF25
5
OT5
EMG2B
EMG4
EMG6
3
EMG1E
EMG1F
EMG2A
EMG5
EMG5
2
EMG4
6
EMG1
2
2
EMG3A
4
1
EMG3
2
OT2
3
CNF26
1
2
2
0VD
CNF11
1
CNF43
1
5
CNF45
1
1
3
EMG2C
5
4
CNF28
2
CNF57
EMG2B
2
2
EMG2C
EMG2B
EMG1F
EMG3A
OT5EMG1
EMG2A
EMG4
EMG2C
EMG3
EMG1E
EMG3C
EMG4
EMG6
EMG2
EMG5
EMG1F
EMG3B
S4
EMG3A
S3
EMG3B
EMG2B
EMG2D
EMG5
EMG3C
KA19
G6D-1A-AP
1
13
7
5
R AREA
12
ON
OFF
3456
RELAY
12
ON
OFF
3456
KA18
G6B-2214P-US-P6B
43+8
5
-1
6
F AREA
RELAY
RELAY
KA20
G6B-2214P-US-P6B
43+8
5
-1
6
+24V
+24V
+24V
+24VJ
+24VE
+24VE
0VD
+24VC

PAGE 4
YV100Xg (KGB) Control Wiring Diagram
Power supply circuit diagram
CRT1
1
2
3
4
5
U12
V10
POWER SOURCE
50/60Hz
GS21
DC24V
CN2
CN2
CONTROL BOX
10%
3
PROG.UNIT
A3
P21P23
P24
240V
220V
208V
200V
190V
0V
240V
220V
208V
200V
190V
0V
0V
U10
V10
V10
V10
U14
U11
U15
XT21
U14
V10
U54
V54
V10
W54
U14+24V
1
2
3
4
5
6
7
8
1
2
3
4
5
6
1
2
3
4
5
6
7
8
1
2
3
4
5
6
CNF16
CNF18
12345..12
CNF15
1234
1234
CNF21
+24VI
+24VF
+24VH
+24V
+24V
U64
V64
CONNECTION
BOARD
CNF1
12345..12
1234 1122
1234
CNF29
CNF41
1
2
1
2
1
2
1
2
+24V
P40
SEE EMERGENCY
CIRCUIT DIAGRAM
0V
190V
200V
208V
220V
240V
0V
190V
200V
208V
220V
240V
0V
200V
208V
220V
240V
0V
190V
200V
208V
220V
240V
0V
190V
200V
208V
220V
240V
0V
190V
200V
208V
220V
240V
190V
N
W50
V50
U50
R1
S1
T1
S1
R1
T1
S1
R1
200/208/220/240V
L1
L2
L3
R1
S1
T1
R
S
T
NOTE1:THIS DIAGRAM SHOWS 200V
SEE INTERCONNECTION DIAGRAM (PAGE 6)
FAN1
FAN2
NOTE1
380/400/416V
>2.5sq
FG
I/O BOARD HEAD
1
3
5
2
4
6
See emergency circuit diagram
W50
V50
U50
W51
V51
U51
5
3
1
KM10
2
4
6W51
V51
U51
W52
V52
U52
200V
200V
220V
220V
220V
V60
U60
U60
V60 V61
U61
W52
V52
U52
W54
V54
U54
73
83
74
84
U12
V61
U61
V64
U64
0V
0V
0V
0V
0V
0V
0V
+24VJ
0V
+24VJ
0V
CNF40
AB ABABABAB
344553
+24VN
0V
+24VN
0V
I/O BOARD CONVEYOR,A
I/O BOARD CONVEYOR,B
0V
+24V
CN2
0V
+24V
0V
+24V
I/O BOARD
CONVEYOR,PP
FOR YTF
12
12
123456789
1
0
11
12
123456789
1
0
11
12
SENSOR
POWER
0V
0V
0V
0V
0V
0V
FOR ATS
AREA SENSOR
FEEDER FLOATING SENSOR
POWER OF CONVEYOR MOTOR
FOR YTF
Rating 4.4kVA MAX
KM10A
+24VN
+24VN
+24VN
+24VN
+24VN
+24VN
1
2
1
2
R
S
T
MAX14A
CM
FAN
FAN
HEAD +24V +24V
0V
100V
U10
U10
UPS
AC100V
IN
AC100V OUT
GB1 OPTION
U11
V10
V10
U14
V10
V10
CRT2
U13
V10
FG
V10
V10
V10
V10
V10
U14
1
11
53
V01
W
(GRAY)
4
W01
Fluorescent light
MTG1
option
(WHITE)
M12
MTG2
EL1
V
5
(BLACK)
6
3
U
3
MOTOR 1
1
22
CNF4
22
3
4
U62
CONVEYOR
(25W)
6
2
1
CNF58
1
2
+24V
0V
+24V
0V
1122
AB ABABABAB
344553
LDC1
FAN
0V
0V
0V
0V
0V
+24VO
+24VO
+24VO
+24VO
+24VO
D-CAM1
LDC2
D-CAM2
(+24V)
A1
1122
ABAB..B
6
2
.B
1
AA
621
.BB
LCD1
LCD2
+12V
0V
+12V
0V
1
2
V10
V10
U14
U14
V10
V10
4
2
3
1
6
5
E
1
2
1
2
QF32 2A
1
2
1
2
TM11 2.48KVA
W
V
U
TC11 1KVA
NF11
QF21 5A
1
2
1
2
1
2
1
2
QS11
QF11 set13A
QF31 10A
1
2
1
2
RXE5
2.5A
RXE7
2.5A
RXE8
2.5A
RXE4
0.5A
RXE11
2.5A
RXE1
1.1A
RXE1
1.85A
QF24 2A
QF22 5A
RXE1
1.85A
RXE1
1.85A
1
2
3
1
2
3
1
2
3
1
2
3
+24VA +24VF
+24VA +24VH
+24VA +24VI
+24VA +24VO+24VA +24VJ
+24VA +24VN
AC220V for MOTOR DRIVER POWER
AC100V for CONTROL
AC100V
DC24V
for CONV.MOTOR

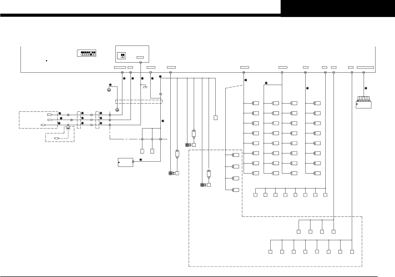
PAGE 5
YV100Xg (KGB) Control Wiring Diagram
I/O wring diagram (HEAD)
CN4
I/O
CN5
CN5
+24V
CN7 CN9
X 8
FLEXIBLE
CN5
HEAD +24V
HEAD
(OPTION)
See Page 1
DI3 VACUUM SENS.
ORG/OT
DUCT Y
H/CN5
I/O
CNX1
LED
T2B40
T2B41
T2B42
T2B43
T2B44
T2B46
T2B47
1
2
3
4
5
6
7
8
T2B10
T2B11
T2B12
T2B13
T2B14
T2B15
T2B16
T2B17
8
7
6
5
4
3
2
1
T2B00
T2B01
T2B02
T2B03
T2B04
T2B05
T2B06
T2B07
8
7
6
5
4
3
2
1
N2237
CN9
12345678
T2B30
T2B31
T2B32
T2B33
T2B34
T2B35
T2B36
T2B37
8
7
6
5
4
3
2
1
N2326
X OT
N2320
XORG
DC24V IN EMG
COMU1
CN5
CNX1
FLEXIBLE
DUCT X
FLEXIBLE
DUCT Z
CN12 CN11
T2B22
T2B23
T2B24
T2B25
N2340N2341N2342N2343N2344N2345N2346N2347
N2350N2351N2352N2353
DI5 DI4DO4
I/O HEAD
CN12 CN11
I/O CORE
LIGHT
LIGHT
PLATE of the HEAD
CN13
LIGHT
CN13
DO0,3DO1,2
CN6
CN2
CN2
N2236 N2235 N2234 N2233 N2232 N2231
N2230
LIGHT
X-AXIS
CN10
CN10
CN8
CN8
For FNC HEAD Version.
T2B45
SAFETY2
+24V
+24V
+24V
HCN5
HCN5 HCN5
I/O I/O I/O
X-AXIS
SAFETY2
SAFETY1
N UP
R ORG
SAFETY2
AMP2
YV322
SL.DOWN
HEAD 2
YV323
SL.DOWN
HEAD 3
YV327
SL.DOWN
HEAD 7
YV328
SL.DOWN
HEAD 8
SQ204BSQ204A
YV324
SL.DOWN
HEAD 4
YV325
SL.DOWN
HEAD 5
YV326
SL.DOWN
HEAD 6
SQ205BSQ205A
AMP3
SQ211
DOWN
HEAD 1
SQ213
DOWN
HEAD 3
SQ212
DOWN
HEAD 2
1234
ON
OFF
5678
SQ217
DOWN
HEAD 7
SQ216
DOWN
HEAD 6
SQ214
DOWN
HEAD 4
SQ202
R-AXIS
ORG
AMP1
12
ON
OFF
P21
P41 - P48
VAC.SENSOR
FIDUCIAL
LIGHT
SQ201
X-AXIS
ORG
SQ206
X-AXIS
OT
SQ224
FNC
POS1
HEAD 8
SQ228
FNC
POS2
HEAD 8
SQ227
FNC
POS2
HEAD 6
SQ226
FNC
POS2
HEAD 4
SQ225
FNC
POS2
HEAD 2
YV344
FNC
HEAD 8
YV343
FNC
HEAD 6
YV342
FNC
HEAD 4
YV341
FNC
HEAD 2
SQ234
CLUTCH
HEAD 8
SQ223
FNC
POS1
HEAD 6
SQ222
FNC
POS1
HEAD 4
SQ221
FNC
POS1
HEAD 2
YV311
DOWN
HEAD 1
SQ231
CLUTCH
HEAD 2
SQ232
CLUTCH
HEAD 4
SQ233
CLUTCH
HEAD 6
YV321
SL.DOWN
HEAD 1
YV314
DOWN
HEAD 4
YV313
DOWN
HEAD 3
YV312
DOWN
HEAD 2
YV334
BLOW
HEAD 4
YV333
BLOW
HEAD 3
YV332
BLOW
HEAD 2
YV331
BLOW
HEAD 1
YV315
DOWN
HEAD 5
YV303
VACUUM
HEAD 3
YV302
VACUUM
HEAD 2
YV301
VACUUM
HEAD 1
SQ203A
YV318
DOWN
HEAD 8
YV317
DOWN
HEAD 7
YV316
DOWN
HEAD 6
YV336
BLOW
HEAD 6
YV335
BLOW
HEAD 5
SQ203B
YV305
VACUUM
HEAD 5
YV304
VACUUM
HEAD 4
YV338
BLOW
HEAD 8
YV337
BLOW
HEAD 7
YV308
VACUUM
HEAD 8
YV307
VACUUM
HEAD 7
YV306
VACUUM
HEAD 6
SQ218
DOWN
HEAD 8
SQ215
DOWN
HEAD 5
YTF100A
SYSTEM BOARD(I/O2)
CONNECTION BOARD(CNF10)
CONNECTION BOARD(CNF16)
J43
J108
J171 J172
J44
J114
J41
J170
J103
J318
J93
J303
J45
J173
J115
J318
J310
J305
J311
J315 J313