5M-1750-004w_G5S.pdf - 第56页
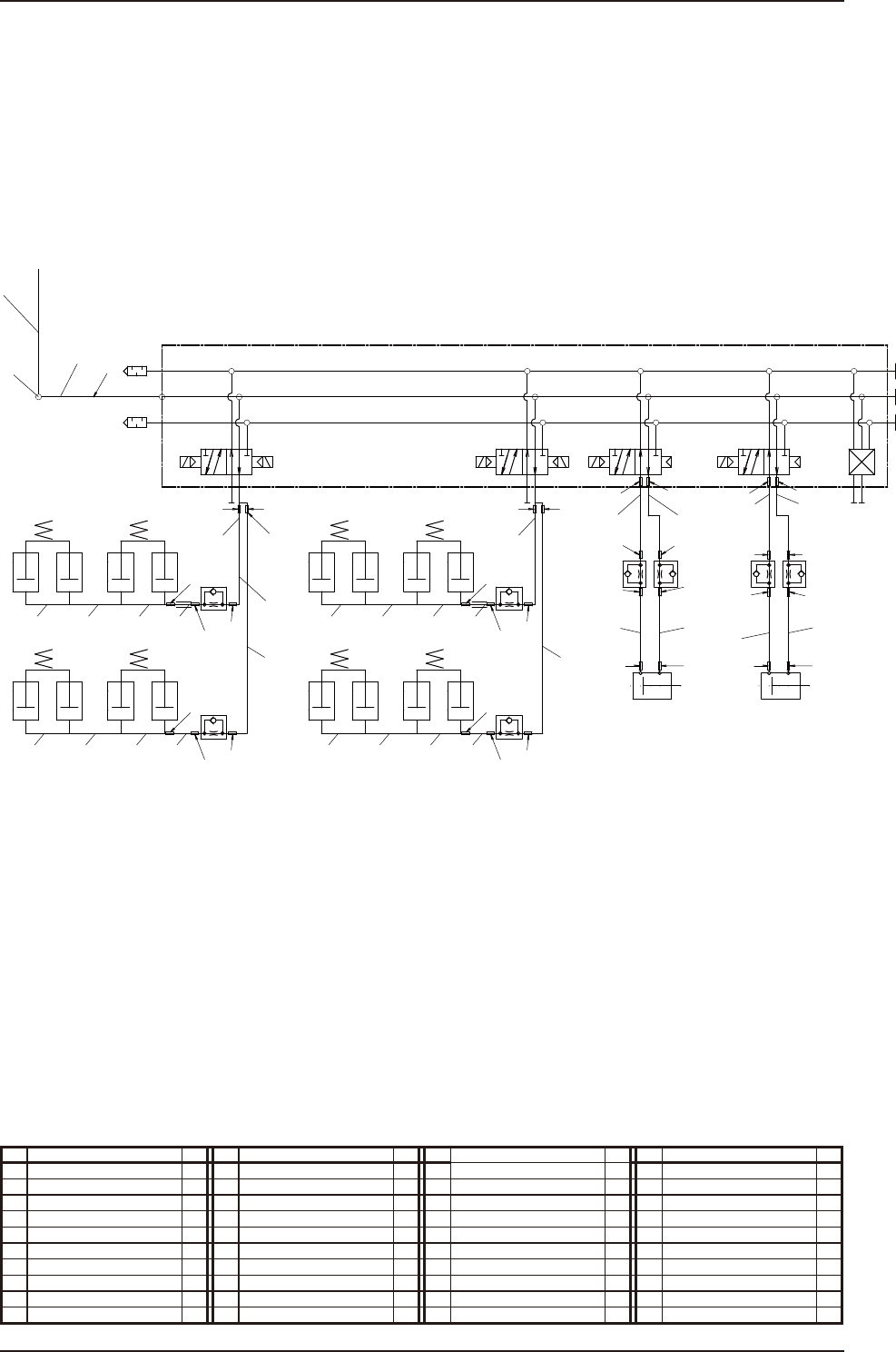
1-6 5OM-1750 エア配管図及び実装図 コンベア ( エア配管図 ) KYB タイプ No. 名 称 個数 No. 名 称 個数 No. 名 称 個数 No. 名 称 個数 1 チューブ D32 1 2 チューブ D6 1 3 PIPE FITTINGS 1 4 フラットチューブ D4.1 1 1305-002 A B A B A B A B 本体より 配管 φ 6L440 配管 φ 6 L1000 基板ストッパー L VBHS…

1-5
5OM-1750
7-1
7-3
7-2
7
4
6-1
6-2
6
5-1
5-5
5-4
5-4
5
5-6
5-2
5-3
4-1
4-2
4-3
4-4
4-4
4-6
4-5
エア配管図及び実装図
本体 ( 実装図 )
No. 名 称 個数 No. 名 称 個数 No. 名 称 個数 No. 名 称 個数
4 ソレノイドバルブユニット 1 5-3 ハーフユニオン 2 7-3 プラグ 2
4-1 ソレノイドバルブ 2 5-4 ハーフユニオン 2 1
4-2 ハーフユニオン 2 5-5 ハーフユニオン 1 1
4-3 ハーフユニオン 2 5-6 ハーフユニオン 1
4-4 ハーフユニオン 2 6 マニホールドユニット 1
4-5 ハーフユニオン 1 6-1 マニホールド 1
4-6 ハーフユニオン 1 6-2 ストレートエルボ 1
5 ソレノイドバルブユニット 7 マニホールドユニット 1
5-1 ソレノイドバルブ 2 7-1 マニホールド 1
5-2 ハーフユニオン 2 7-2 ストレートエルボ 1
1305-002

1-6
5OM-1750
エア配管図及び実装図
コンベア ( エア配管図 ) KYB タイプ
No. 名 称 個数 No. 名 称 個数 No. 名 称 個数 No. 名 称 個数
1 チューブ D32 1
2 チューブ D6 1
3 PIPE FITTINGS 1
4 フラットチューブ D4.1 1
1305-002
A
B
A
B
A
B
A
B
本体より
配管φ6L440
配管φ6
L1000
基板ストッパーL
VBHSO
VBHSI
BHSI
BHSI
BHSO
BHSO
φ3.2L500
φ3.2L450
VBHSO
VBHSI
φ3.2L850
φ3.2L850
基板ストッパーR
VBMSO
VBMSI
BMSI
BMSO
BMSI
BMSO
φ3.2L460
φ3.2L400
VBMSI
VBMSO
φ3.2L950
φ3.2L950
可動側ZクランプL
固定側ZクランプL
φ3.2L820
φ3.2L820
φ3.2L122
φ3.2L70 φ3.2L46
φ3.2L122
φ3.2L70 φ3.2L46
VBKHZ
VB3HZ
VB3HZ
B3HZ
B3HZ
VBKHZ
BKHZ
BKHZ
φ3.2L850
φ3.2L450
A
B
φ3.2L950
φ3.2L950
φ3.2L122
φ3.2L70 φ3.2L46
φ3.2L46φ3.2L70
φ3.2L122
B3MZ
B3MZ
VB3MZ
VBKMZ
BKMZ
BKMZ
φ3.2L950
φ3.2L500
可動側ZクランプR
固定側ZクランプR
VBKMZ
VB3MZ
2
4
1
3

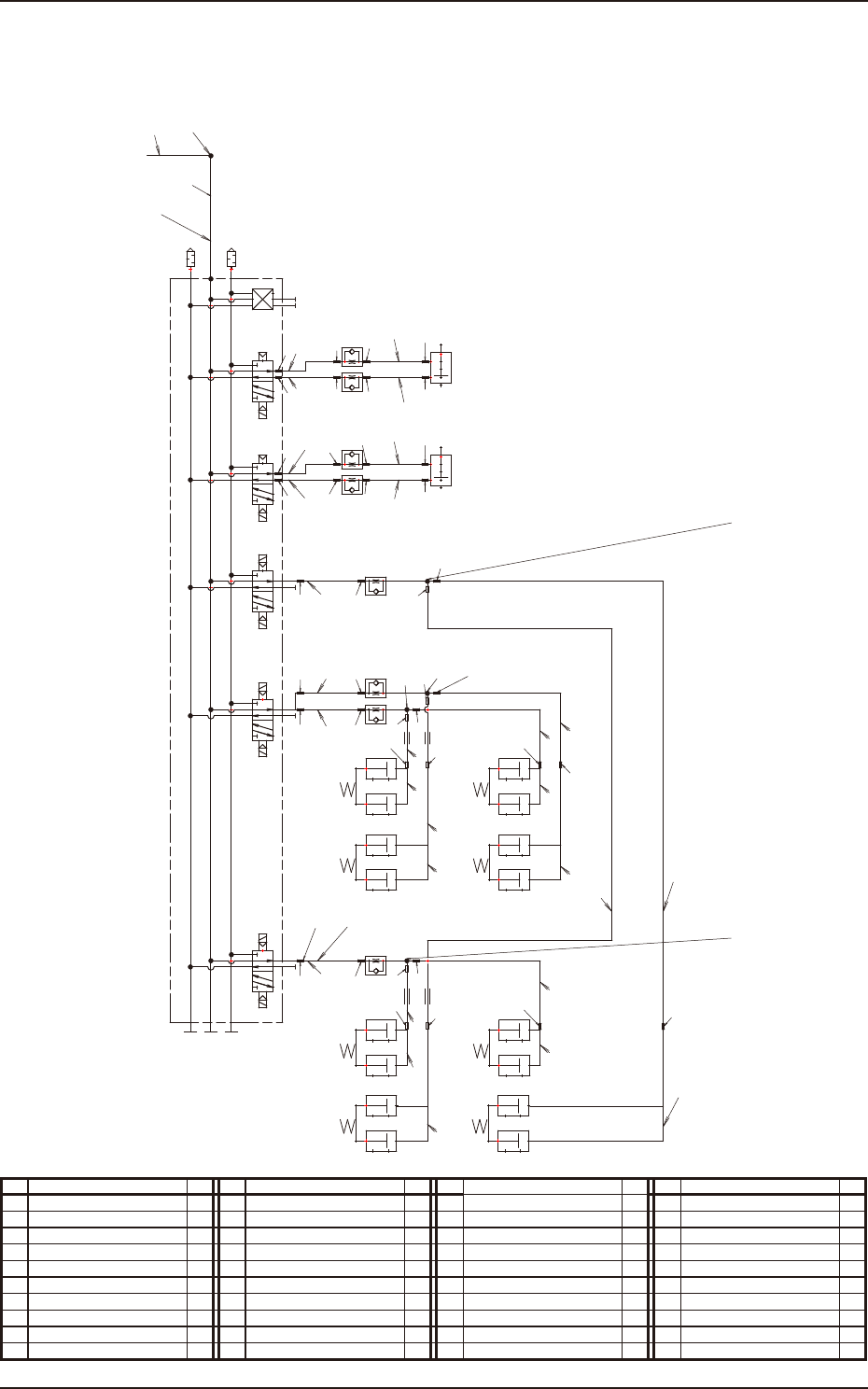
1-7
5OM-1750
コンベア ( エア配管図 ) KYX タイプ
No. 名 称 個数 No. 名 称 個数 No. 名 称 個数 No. 名 称 個数
1 チューブ D32 1
2 チューブ D6 1
3 PIPE FITTINGS 1
4 フラットチューブ D4.1 1
6 PIPE FITTINGS 2
6
6
Ø3.2L950
Ø3.2L950
Ø3.2L122 Ø3.2L70
Ø3.2L46
Ø3.2L46
Ø3.2L1070Ø3.2L122
B3MZ
BKMZ
Ø3.2L950
Ø3.2L950
PIPE FITTINGS(KQ2U23-9A)
可動側Zクランプ R
可動側Zクランプ L
固定側Zクランプ R
固定側Zクランプ L
VBMZ
B3MZ
BKMZ
VBMMZ
B3MMZ
BKMMZ
B3MMZ
BKMMZ
VBMMZ
VBMZ
B3HZ
A
B
VBHZ
BKHZ
Ø3.2L970
BKHHZ
Ø3.2L122
Ø3.2L122
B3HHZ
B3HHZ
BKHHZ
VBHHZ
Ø3.2L820
VBHHZ
Ø3.2L970
PIPE FITTINGS(KQ2U23-9A)
A
B
A
B
A
B
A
B
配管Ø6L440
配管Ø6L1000
3
VBHSO
VBHSI
BHSI
BHSI
BHSO
BHSO
Ø3.2L500
Ø3.2L450
VBHSO
VBHSI
Ø3.2L850
Ø3.2L850
VBMSO
VBMSI
BMSI
BMSO
BMSI
BMSO
Ø3.2L460
Ø3.2L400
VBMSI
VBMSO
Ø3.2L950
Ø3.2L950
Ø3.2L820
1
Ø3.2L46
Ø3.2L46
4
VBHZ
B3HZ
BKHZ
Ø3.2L850
Ø3.2L850
2
本体より
基板ストッパー R基板ストッパー L