5M-1750-004w_G5S.pdf - 第65页
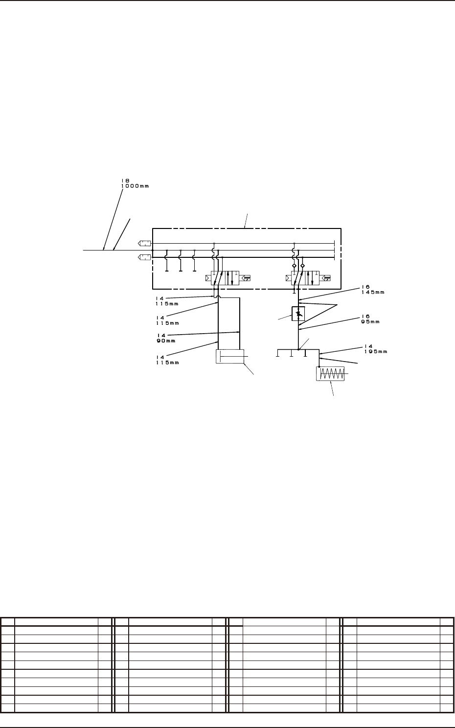
1-15 5OM-1750 エア配管図及び実装図 位置決めユニット ( 実装図 ) 落下防止ユニット取付時 No. 名 称 個数 No. 名 称 個数 No. 名 称 個数 No. 名 称 個数 7 ソレノイドバルブ 1 9 シリンダ 2 10 ソレノイドバルブ 1 11 シリンダ 2 1305-002 9 7 9 9 10 11 11

1-14
5OM-1750
9
7
9
9
エア配管図及び実装図
位置決めユニット ( 実装図 )
No. 名 称 個数 No. 名 称 個数 No. 名 称 個数 No. 名 称 個数
7 ソレノイドバルブ 1
9 シリンダ 2
1305-002

1-15
5OM-1750
エア配管図及び実装図
位置決めユニット ( 実装図 ) 落下防止ユニット取付時
No. 名 称 個数 No. 名 称 個数 No. 名 称 個数 No. 名 称 個数
7 ソレノイドバルブ 1
9 シリンダ 2
10 ソレノイドバルブ 1
11 シリンダ 2
1305-002
9
7
9
9
10
11
11

1-16
5OM-1750
エア配管図及び実装図
ノズルストッカ ( エア配管図 )
No. 名 称 個数 No. 名 称 個数 No. 名 称 個数 No. 名 称 個数
1 チューブφ 8 1
2 チューブφ 6 1
3 チューブφ 4 1
4 ソレノイドバルブ 1
5 シリンダ 1
6 シリンダ 1
8 ニードル 1
9 ユニオンワイ 1
1305-002
8
4
5
6
2
3
9
1
本体より
ストッカ1上下
シャッタ 1開閉