JM-20-Rev09.pdf - 第105页
- - REF.NO NOTE PARTNO DESCRIPTION Qty 1 401-37125 FFS_ATTACHMENT_PARTS_R 1 2 401-36994 FS_BR_SUP_BASE (2) 3 SM-1051052-TN PLATESCREWM5L=10 (4) 4 401-36995 FS_BR_SUPPORT_B (2) 5 SL-6051092-TN SCREW…

- -
50.FEEDERFLOATSENSORCOMPONENTS
3 1
3 2
3 3
2
3
3
3
3
4
4
5
5
6
7
6
7
9
9
2
1 0
1 0
1 0
1 0
1 1
1 2
1 3
1 4
1 4
2 2
2 2
2 2
2 0
1 8
1 7
2 1
2 0
2 1
2 2
1 2
2 0
2 1
1 9
2 1
1 6
2 0
1 5
8
2 5
2 5
2 7
2 6
2 8
2 9
3 2
3 4
3 4
4 3
4 1
3 6
4 0
4 3
4 0
4 1
3 9
3 7
4 0
4 3
4 3
4 0
3 8
4 2
4 2
3 5
2 4
3 0
1
2 3

- -
REF.NO NOTE PARTNO DESCRIPTION Qty
1 401-37125 FFS_ATTACHMENT_PARTS_R 1
2 401-36994 FS_BR_SUP_BASE (2)
3 SM-1051052-TN PLATESCREWM5L=10 (4)
4 401-36995 FS_BR_SUPPORT_B (2)
5 SL-6051092-TN SCREWM5L=10 (2)
6 WP-0621046-SP WASHER (2)
7 SL-6041692-TN SCREWM4L=16 (2)
8 401-37122 FEEDER_FLOAT_SENSOR_ASSY_RC 1
9 401-36996 FS_BR_SUP (2)
10 SM-1051052-TN PLATESCREWM5L=10 (8)
11 401-10193 SENSOR_BR_R (1)
12 SL-6051292-TN SCREWM5L=12 (2)
13 401-14729 SENSOR_BR_RR (1)
14 SL-6051292-TN SCREWM5L=12 (2)
15 401-37126 FF_SENSOR_ASM_R (1)
16 401-07232 FD-FLOAT(RF)SENSASM (1)
17 401-07234 FD-FLOAT(RF)RECEIVESENSASM (1)
18 401-07235 FD-FLOAT(RR)SENSASM (1)
19 401-07231 FD-FLOAT(RR)RECEIVESENSASM (1)
20 SM-4020501-SC SCREWM2L=5 (8)
21 401-10190 FSD_BR (4)
22 SL-6030692-TN SCREWM3L=6 (8)
23 401-37123 FFS_ATTACHMENT_PARTS_F 1
24 401-36994 FS_BR_SUP_BASE (2)
25 SM-1051052-TN PLATESCREWM5L=10 (2)
26 401-36995 FS_BR_SUPPORT_B (1)
27 SL-6051092-TN SCREWM5L=10 (1)
28 WP-0621046-SP WASHER (1)
29 SL-6041692-TN SCREWM4L=16 (1)
30 401-37121 FEEDER_FLOAT_SENSOR_ASSY_FC 1
31 401-36996 FS_BR_SUP (1)
32 SM-1051052-TN PLATESCREWM5L=10 (4)
33 401-14734 SENSOR_BR_FL (1)
34 SL-6051292-TN SCREWM5L=12 (2)
35 401-37124 FF_SENSOR_ASM_F (1)
36 401-07229 FD-FLOAT(FF)SENSASM (1)
37 401-07225 FD-FLOAT(FF)RECEIVESENSASM (1)
38 401-07226 FD-FLOAT(FR)SENSASM (1)
39 401-07228 FD-FLOAT(FR)RECEIVESENSASM (1)
40 SM-4020501-SC SCREWM2L=5 (8)
41 401-10190 FSD_BR (2)
42 401-36997 FDS_BR (2)
43 SL-6030692-TN SCREWM3L=6 (8)

- -
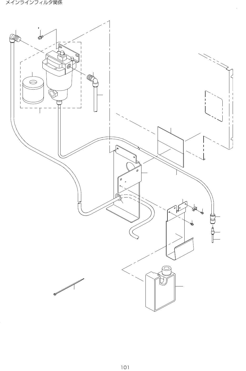
51.MAINLINEFILTERCOMPONENTS
1 5
1 4
1 6
1 7
7
8
1 3
1 1
9
6
1 8
5
1 2
1 9
3
2
1
4 1 0
1 9