JM-20-Rev09.pdf - 第133页
- - REF.NO NOTE PARTNO DESCRIPTION Q ty 1 #01 401-06608 POWE RLAMP200VCABLEASM 1 2 #02 401-06609 POWE RLAMP400VCABLEASM 1 3 401- 36442 POWERONLAMPRELAY CABLEASM 1 4 401- 36443 BREAKEROUT…

- -
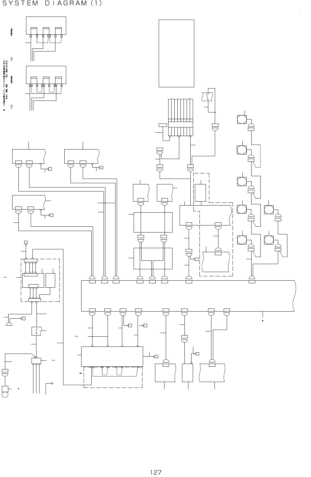
64.SYSTEMDIAGRAM(1)
1 - 4 C
6 - 4 B
1 - 1 A
1 - 4 C
2 - 4 B
2 - 5 B
C N 0 1 3
C N 0 3 7
C N 0 1 4
C N P 1
C N 3 7
Z T P 0 2
Z T B S E R V O
A M P ( 1 / 3 )
M R - M D 2 0 0 - K W 0 1 3
Z T A C N P 1
Z T A S E R V O
A M P ( 1 / 3 )
M R - M D 2 0 0 - K W 0 1 3
C N 1 4
X Y B E A R C A B L E
( 1 / 3 )
Z T P 0 1
C N 1 3
Z T A C N P 1
C N P 1
C N 0 1 7C N 0 1 7
F A N 7
[ B A S E 2 ]
F A N 6
F A NF A N
F A N 2F A N 1
F A N
F A N
F A N 5F A N 4F A N 3
[ B A S E 1 ]
F A N
F A N
F A N
C N 0 6 4C N 0 6 4
P U M P
P U M P
R 6 E
F G
V A C U U M P U M P
P W R P U M P
C N 3 1 C N 5 3 1
2 - 2 A
B A S E P C B ( 1 / 5 )
C N 0 6 8P W R 0 6 8
C N 1 3
X Y D 1 3
O
W
O
V
O
R 5 E
R 4 E
T F 1
1 .
2 0 0 V Y 4 0 0 V Y
1
0
0
0
U
W
V
T F 1
0
0
0
U
W
V
C O M - A
M I F E E D E R
4 - 1 C
F 1 6 E
F 3 E
F 2 E
F 1 E
R 3 E
R 1 E
R 2 E
I N
I N
5 - 1 A
R S 2 3 2 C B O A R D
( 2 / 4 )
C O M 1
S I O 1
3 - 3 B
1 - 2 C
C H E C K
B A T T E R Y O P T I O N
R S - 2 3 2 C
I P - X 5
P O S I T I O N
C P U
I O - 2 0
B A T T E R Y
A T X - P O W E R ( 1 / 3 )
8
7
6
5
4
3
2
2 - 1 D
2 - 3 A
1 - 1 C
1
C O N T R O L U N I T
C P C I B A C K B O A R D
A C I N
M A I N S W
P S - O N
6 - 1 C
C N 2 5 1
P W R 0 6 3C N 0 6 3
A T X - 1 3
T F 1
2 0 0 V
( 6 A )
1 0 0 V
( 1 4 A)
C N 0 4 A
C N 0 4 A
2 - 4 B
2 - 4 A
2 - 4 A
M T S P W R ( L )
P O W E R O N L I G H T
C N 0 0 1
C N 0 6
C N 0 4 B
C N 0 4 B
3 4 V
( 6 8 A )
C N 0 3
C N 0 3
C N 0 1
C N 0 1
C N 1 1
X Y D 1 1
Y L S E R V O
A M P ( 1 / 2 )
M R - J 4 - 2 0 0 B - K M 0 1 2
E
C N P 2
C N P 1
Y R S E R V O
A M P ( 1 / 2 )
M R - J 4 - 2 0 0 B - K M 0 1 2
E
C N P 2
C N P 1
X S E R V O
A M P ( 1 / 2 )
M R - J 4 - 7 0 B - K M 0 1 2
E
C N P 2
C N P 1
C N 1 2
X Y D 1 2
N F B
20 0 V
(1 2 A )
U
F G
P O W E R U N I T ( 1 / 8 )
I N P U T
P E
F G
2 - 1 D
M A I N S W
W
V
U
1 - 4 C
C N 0 3 1 C N 0 3 1
2 - 1 C
I O - 2 0 P C B ( 2 / 6 )
C N 4 I O - C N 4
3 8 0 V / 4 0 0 V / 4 1 5 V2 0 0 V / 2 2 0 V / 2 4 0 V
A C 0 8
N F 3 0 3 0 C - S V A
A C 0 7
A C 0 6
A C 0 5
A C 0 4
A C 0 3
A C 0 2
A C 0 1
L F 1
( 5 - 1 C )
C N 4 7 3A T X - 8
1 2
3
4
5 7
1 0
1 2
1 1
1 3 2 0
2 1 2 2
2 3
9
2 5
2 6 3 0
3 1
2 7 2 9
3 2
3 3 3 5 3 8
3 6
3 4
3 7
3 9
4 0 4 1
4 5
4 6
4 2
4 3
2 4
8
6 2 6 2
4 4
4 7
4 8
4 9
4 9
5 1
5 0
5 4
5 3
5 2
5 5
5 6
5 7 5 7
5 7 5 7
5 7
5 7
5 7
[ C T R L U N I T ]
5 9
5 8
6 0
6 1
9
9
C P U B O A R D
C O M 1 : H O D ( B y w a y o f B A S E P C B )
C O M 2 : T O U C H P A N E L
R S 2 3 2 C B O A R D
C O M 3 ( S I O 1 ) : A T X B A T T E R Y
C O M 4 ( S I O 2 ) : 2 D C o d e R e a d e r o f H e a d
C O M 5 ( S I O 3 ) :
C O M 6 ( S I O 4 ) : U P S o f H E A D B A C K U P
C O M 7 ( S I O 5 ) : B a r C o d e R e a d e r o f C o n v e y o r s u r f a c e
C O M 8 ( S I O 6 ) : 2 D C o d e R e a d e r o f C o n v e y o r b a c k s i d e
C O M 9 ( S I O 7 ) :
C O M 1 0 ( S I O 8 ) :

- -
REF.NO NOTE PARTNO DESCRIPTION Qty
1
#01
401-06608 POWERLAMP200VCABLEASM 1
2
#02
401-06609 POWERLAMP400VCABLEASM 1
3 401-36442 POWERONLAMPRELAYCABLEASM 1
4 401-36443 BREAKEROUTCABLEASM 1
5 HA-0063400-00 CIRCUITPROTECTOR 1
6 HA-0063400-0B CIRCUITPROTECTOR 1
7 HA-0063400-10 CIRCUITPROTECTOR 1
8 401-36466 YRDRVFGCABLE 1
9 401-36446 TFINPUTCABLEASM 1
10 401-36340 SWITCH 1
11 401-36445 MTCPWRWIRELASM 1
12 401-36444 MAINSWOUTPUTCABLEASM 1
13 401-36420 ACINPUTNO.01CABLEASM 1
14 401-36421 ACINPUTNO.02CABLEASM 1
15 401-36423 ACINPUTNO.03CABLEASM 1
16 401-36424 ACINPUTNO.04CABLEASM 1
17 401-36425 ACINPUTNO.05CABLEASM 1
18 401-36427 ACINPUTNO.06CABLEASM 1
19 401-36428 ACINPUTNO.07CABLEASM 1
20 401-36430 ACINPUTNO.08CABLEASM 1
21 HN-0037400-00 NOISEFILTER 1
22 HC-0566030-P0 CAPACITOR 1
23 401-36467 INPUTUNITFGCABLE 1
24 401-36465 YLDRVFGCABLE 1
25 401-36337 TRANSFORMER 1
26 401-36448 TF200VOUTPUTCABLEASM 1
27 401-36449 TF34VOUTPUTCABLEASM 1
28
#04
401-36461 SAFETYU34VINCABLEASM(EN) 1
29
#04
401-36462 SAFETYU34VOUTCABLEASM(EN) 1
30 401-36450 TF100VAOUTPUTCABLEASM 1
31 401-36451 TF200VBOUTPUTCABLEASM 1
32 401-36468 TFFGCABLEASM 1
33 401-36346 BASEPCBASM 1
34 401-36455 BASEPWRCABLEASM 1
35 400-99547 VACUUM_PUMP_ASM 1
36 401-36469 VACUUMPUMPFGCABLEASM 1
37 401-36456 VACPUMPPOWERCABLEASM 1
38 401-36345 IO-20PCBASM 1
39 401-36460 POWERMONITORCABLEASM 1
40
#03
401-37036 POWER_UNIT(ST) 1
41
#04
401-37045 POWER_UNIT(EN) 1
42 401-36452 XPWRCABLEASM 1
43 401-36464 XDRVFGCABLEASM 1
44 401-29652 XAXISDRIVER 1
45 401-36453 YLPWRCABLEASM 1
46 401-36454 YRPWRCABLEASM 1
47 401-36479 LZTPWRRELAYCABLEASM 1
48 401-36484 XYBEARCABLEASM 1
49 401-29650 4AXISINTEGRALTYPETAXISDRIVER 1
50 401-36457 ATXPWRCABLEASM 1
51 400-47894 ATXPWRRLYCABLEASM 1
52 400-48006 ATXPSU 1
53 401-35433 8-PORTCOMBOARD 1
54 400-48030 UPS232CCABLEASM 1
55 400-48007 BATTERYUNIT 1
56 401-37325 FANCABLEASM 1
57 401-33768 DCFAN 1
58 401-36458 LIGHTCTRLPOWERCABLEASM 1
59 401-36470 CPCICHECKCABLEASM 1
60 401-09937 CPCIPOWERCABLEASM 1
61 401-36459 ATXCTRLCABLEASM 1
62 401-29654 YAXISDRIVER 1

- -
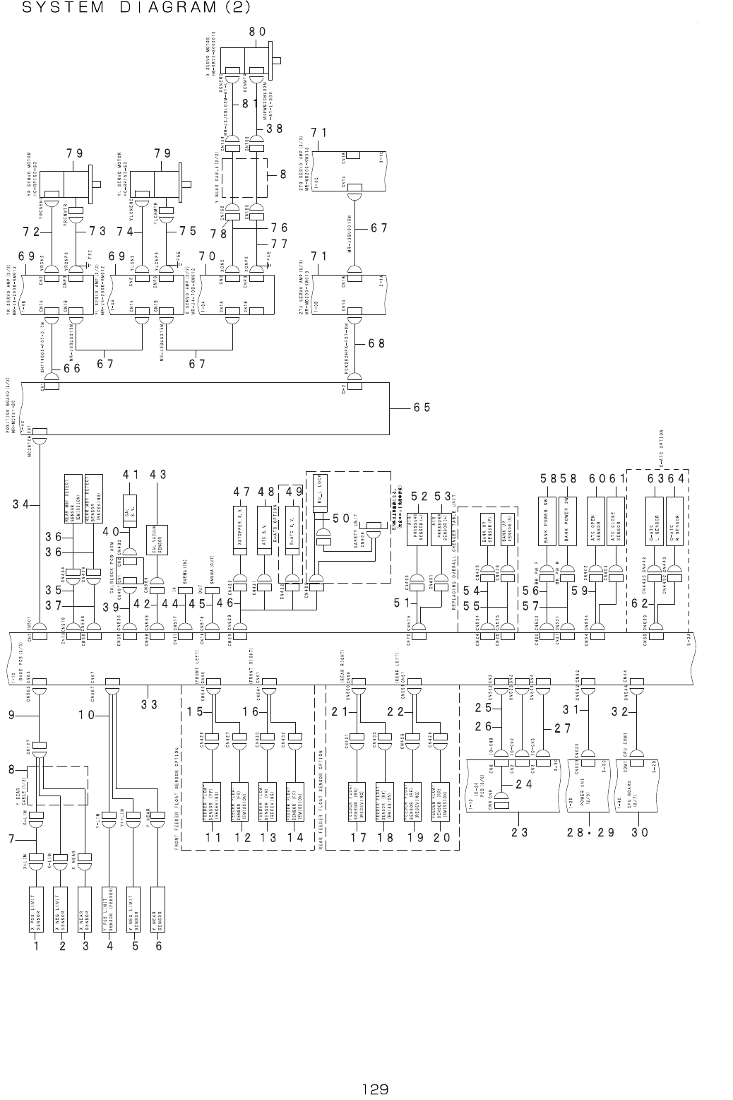
65.SYSTEMDIAGRAM(2)