JM-20-Rev09.pdf - 第138页
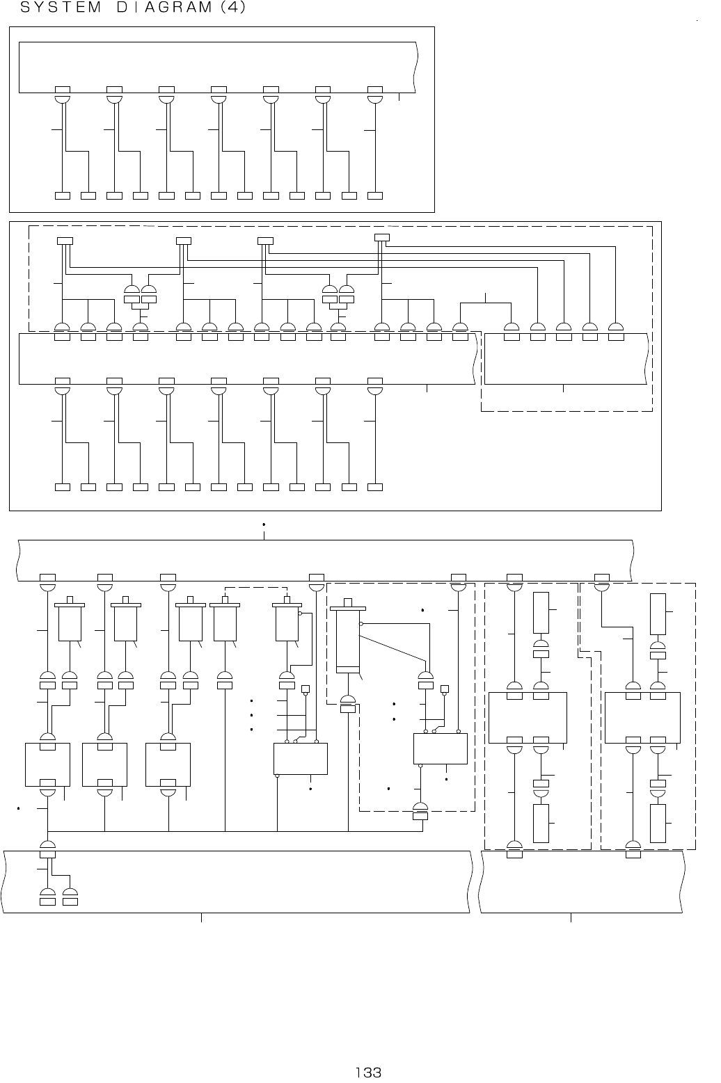
- - 67. SYSTEMDIAG RAM(4) 7 - 5 B C N 4 C N 0 2 9 C N 0 2 9 C N 0 2 8 C N 0 2 8 B A N K R 0 4 B A N K F 0 4 C N 4 5 - 1 B A W C O P T I O N C N 6 5 8 B U E B U U P E N C O D E R C N 7 - 2 C N 7 - 2 C N 7 - 1 C N 7 - 1…

- -
REF.NO NOTE PARTNO DESCRIPTION Qty
1 401-29650 4AXISINTEGRALTYPETAXISDRIVER 1
2 401-36334 SERVOMOTOR30W 1
3 401-36335 SERVOMOTOR30W 1
4 401-30384 HEADMAINPCBASM 1
5 401-36492 OCCCABLEASM 1
6 401-36489 OCCLIGHTCABLEASM 1
7 400-47512 OCCCLIGHTPCBASM 1
8 400-47508 OCCALIGHTPCBASM 1
9 401-36486 OCCOPASSLIGHTCABLEASM 1
10 401-36487 EL-PN(L)REGCBLASM 1
11 401-36999 REGULATOR 1
12 401-36488 EL-PN(R)REGCBLASM 1
13 401-36484 XYBEARCABLEASM 1
14 401-36490 OCCCAMERACABLEASM 1
15 400-48528 AIRRELAYCABLEASM 1
16 401-36491 HEADSPCABLEASM 1
17 401-36345 IO-20PCBASM 1
18 401-36501 HEADPOWERRELAYCABLEASM 1
19 401-37036 POWER_UNIT(ST) 1
20 401-37045 POWER_UNIT(EN) 1
21 401-36485 HIGHTSENSORASM 1
22 401-37330 HIGHTSENSOR(55)ASM 1
23 401-36483 HDR-LNCLEDCABLEASM 1
24 401-29658 LNC120 1
25 401-23242 CPUBOARD 1
26 401-36338 LANCABLE5M 1
27 401-36481 T1ENCCABLEASM 1
28 401-37329 VACSENSCABLEASM 1
29 401-36482 T2ENCCABLEASM 1
30 401-36494 NOZZLEDWNSENSRELAYCABLEASM 1
31 401-36498 NOZZLEDOWNSENSLASM 1
32 401-36499 NOZZLEDOWNSENSRASM 1
33 401-37328 VACSVCABLEASM 1
34 401-36495 NOZZLEUPSVRELAYCABLEASM 1
35 401-13704 NOZZLEUPSVASM 1
36 401-36497 HEADFANRELAYCABLEASM 1
37 401-13708 HEADFANCABLEASM 1

- -
67.SYSTEMDIAGRAM(4)
7 - 5 B
C N 4
C N 0 2 9
C N 0 2 9
C N 0 2 8
C N 0 2 8
B A N K R 0 4
B A N K F 0 4C N 4
5 - 1 B
A W C O P T I O N
C N 6 5 8B U E
B U U P
E N C O D E R
C N 7 - 2 C N 7 - 2
C N 7 - 1 C N 7 - 1
C N 7
R I G H T M O T O R D R V
C N 6 5 6
R M - P
R M T
R M - 2R M - 1 C N 2C N 1
R I G H T
M O T O R
L E F T M O T O R D R V
C E N T O R M OT O R D R V
C N 6 5 6
C N 6 5 6
L M - P
L M T
L M - 2L M - 1 C N 2C N 1
C M - PC M - 2C M - 1 C N 2C N 1
L E F T
M O T O R
C E N T O R
M O T O R
C M T
I O - C N 7
C N 6 5 7
C N 6 5 9
A W C M
A W C E
B U M
B U U P
M O T O R
C N 7 0 5
C N 7 0 4
C N 7 0 3
C N 7 0 2
B K - F L
B K - F L
B K - R R
B K - F R
F R O N T C O N N E C T O R B R A C K E T ( 1 / 2 )
5 5 - 6 0
4 9 - 5 4
4 3 - 4 8
3 7 - 4 2
6 7 - 7 2
6 1 - 6 6
7 3 - 7 9
C N 6 1 8 C N 1 8
C N 6 2 0 C N 2 0
C N 6 2 1 C N 2 1
C N 6 2 2 C N 2 2
3 1 - 3 6
2 5 - 3 0
1 9 - 2 4
1 3 - 1 8
7 - 1 2
1 - 6
C N 6 2 3 C N 2 3
C N 6 2 4 C N 2 4
C N 6 2 5 C N 2 5
7 - 4 C
( R E A R )
F E E D E R I / F
P C B ( 1 / 2 )
5 - 1 C
1 - 4 C
5 5 - 6 0
4 9 - 5 4
4 3 - 4 8
3 7 - 4 2
6 7 - 7 2
6 1 - 6 6
7 3 - 7 9
C N 6 1 8 C N 1 8
C N 6 2 0 C N 2 0
C N 6 2 1 C N 2 1
C N 6 2 2
C N 2 2
3 1 - 3 6
2 5 - 3 0
1 9 - 2 4
1 3 - 18
7 - 1 2
1 - 6
C N 6 2 3
C N 2 3
C N 6 2 4
C N 2 4
C N 6 2 5
C N 2 5
C N 5
C N 4
B W R R
C N 1 3 C N 6 1 3
C N 9 C N 6 0 9
C N 5 C N 6 0 5
B W R L
C N 1 2 C N 6 1 2
C N 2 9 C N 6 2 9
C N 4 C N 6 0 4
C N 3
C N 6 C N 7 0 6
C N 3 2 C N 6 3 2
D R V
P C B ( 1 / 2 )
4 0 1 3 0 3 6 5
B W L R
C N 1 1 C N 6 1 1
C N 7 C N 6 0 7
C N 3 C N 6 0 3
7 - 4 A
B W L L
C N 1 0 C N 6 1 0
C N 2
C N 2 8 C N 6 2 8
C N 2 C N 6 0 2
( F R O N T )
F E E D E R I / F
P C B ( 1 / 2 )
F E E D E R
( R E A R _ R I G H T )
B A N K R 0 3
F E E D E R
( R E A R _ R I G H T )
F E E D E R
( R E A R _ L E F T )
B A N K R 0 2
F E E D E R
( R E A R _ L E F T )
C N 3
C N 2
C N 1
F E E D E R
( F R O N T _ R I G H T )
B A N K F 0 3C N 3
F E E D E R
( F R O N T _ R I G H T )
F E E D E R
( F R O N T _ L E F T )
B A N K F 0 2 C N 2
F E E D E R
( F R O N T _ L E F T )
D R I V E C Y L I N D E R ( R ) O P T I O N
D R I V E C Y L I N D E R ( F ) O P T I O N
B A N K R 0 1
C N 1B A N K F 0 1
C N 2 0 4
C N 4
5 - 4 A
B A N K P C B ( R )
B A N K P C B ( F )
M I F E E E D E R
P C B ( 2 / 5 )
C N 2 0 2C N 2
C N 4 5 5
R 1 4 E
R 1 3 E
1
2
3 4
5 5 5
6
7
8
9
1 1
5 4
1 0 1 0 1 0 1 2 1 7
C N 0 3 3
C N 0 3 4
C N 0 3 5
P W R 3 5
P W R 3 4
P W R 3 3
P W R 0 1 2
C N 0 1 2
C N 0 1 1
P W R 0 1 1
1 5 1 6
1 8 1 9
2 0 2 1
1 3 1 4
5 P H A S E
D R I V E R
I O - 2 0
P C B ( 5 / 6 )
3 - 3 C
P O W E R U N I T ( 4 / 9 )
3 - 3 C
2 2
A U T O W I D T H
A D J U S T M E N T M O T O R
2 9 3 0
C N 6 6 0
1 3 1 4
2 3 2 4
2 5 2 6
2 7 2 8
5 P H A S E
D R I V E R
3 1
3 2
3 3
5 5
5 6
3 5
5 9
3 7
3 3
5 7
5 8
3 4 3 4
3 6
3 6
3 8 3 9
4 2 4 3 4 4 4 5 4 6 4 7 4 8
4 0 4 1
5 3
5 2
6 1
5 15 0
6 0
4 9
C O N N E C T O R B R U N I T B F O P T I O N
4 2 4 3 4 4 4 5 4 6 4 7
4 8
R E A R C O N N E C T O R B R A C K E T ( 1 / 2 )
4 0

- -
REF.NO NOTE PARTNO DESCRIPTION Qty
1 401-36345 IO-20PCBASM 1
2 401-36535 IOPCBRELAYCABLEASM 1
3 401-36536 CARRYMOTORCABLEASM 1
4
#02
401-36561 CARRYMOTORCABLEASM(EN) 1
5 HM-0013200-00 MOTORDRIVER 1
6 401-36538 CENTORMOTORCABLEASM 1
7 401-36537 CENTORMOTORPWRCABLEASM 1
8 401-36540 LEFT-MOTORCABLEASM 1
9 401-36539 LEFTMOTORPWRCABLEASM 1
10 400-48075 JOINTMOTORASM 1
11 401-36542 RIGHT-MOTORCABLEASM 1
12 E9433-729-0A0 BUENCASM. 1
13 HX-0042000-00 5PHASESTEPDRIVER 1
14
#02
HX-0068900-00 5PHASESTEPDRIVER 1
15 401-36631 BUMOTORCABLEASM 1
16
#02
401-36632 BUMOTORCABLEASM(EN) 1
17 400-48076 BACKUPMOTORASM 1
18 401-36633 BUDRVFGCABLEASM 1
19
#02
401-36634 BUDRVFGCABLEASM(EN) 1
20 401-36627 BUDRVPWRCABLEASM 1
21
#02
401-36628 BUDRVPWRCABLEASM(EN) 1
22 400-48077 AWCMOTORASM 1
23 401-36639 AWCDRVRELAYCABLEASM 1
24
#02
401-36640 AWCDRVRELAYCABLEASM(EN) 1
25 401-36635 AWCMOTORCABLEASM 1
26
#02
401-36636 AWCMOTORCABLEASM(EN) 1
27 401-36637 AWCDRVFGCABLEASM 1
28
#02
401-36638 AWCDRVFGCABLEASM(EN) 1
29 401-36629 AWCDRVPWRCABLEASM 1
30
#02
401-36630 AWCDRVPWRCABLEASM(EN) 1
31 401-30370 MIFEEDERPCBASM 1
32 401-36530 BKFPI(F)RLYCABLEASM 1
33 400-00575 DRIVECYLINDERL 1
34 401-30379 BANKPCBASM 1
35 401-36532 BANKPWR(F)CABLEASM 1
36 400-00576 DRIVECYLINDERR 1
37 401-36531 BKFPI(R)RLYCABLEASM 1
38
#01
401-37036 POWER_UNIT(ST) 1
39
#02
401-37045 POWER_UNIT(EN) 1
40 401-30360 FEEDERI/FPCBASM 1
41 401-30365 DRVPCBASM 1
42 401-36620 RADIALCBCABLE1ASM 1
43 401-36621 RADIALCBCABLE2ASM 1
44 401-36622 RADIALCBCABLE3ASM 1
45 401-36623 RADIALCBCABLE4ASM 1
46 401-36624 RADIALCBCABLE5ASM 1
47 401-36625 RADIALCBCABLE6ASM 1
48 401-36626 RADIALCBCABLE7ASM 1
49 401-44972 LLBW-LCABLEASM 1
50 401-44973 LRBW-LCABLEASM 1
51 401-44974 RLBW-LCABLEASM 1
52 401-44975 RRBW-LCABLEASM 1
53 401-36601 FEEDERI/FCABLEASM 1
54 401-36541 RIGHTMOTORPWRCABLEASM 1
55 401-36520 BANKFLCABLEASM 1
56 401-36522 BANKFRCABLEASM 1
57 401-36521 BANKRLCABLEASM 1
58 401-36523 BANKRRCABLEASM 1
59 401-36533 BANKPWR(R)CABLEASM 1
60 401-44970 BW-LCABLERELAYLASM 1
61 401-44971 BW-LCABLERELAYRASM 1