JM-20-Rev09.pdf - 第140页
- - 68. SYSTEMDIAG RAM(5) 6 - 1 A C P U B O A R D ( 4 / 7 ) 3 - 2 D 6 - 3 B P O W E R U N I T ( 6 / 9 ) 5 - 1 C C N 3 0 5 C N 5 L O A D C E L L A S M C N 2 6 C N 5 2 6 C O V E R O P E N S W ( R ) C O V E R O P E N S W…

- -
REF.NO NOTE PARTNO DESCRIPTION Qty
1 401-36345 IO-20PCBASM 1
2 401-36535 IOPCBRELAYCABLEASM 1
3 401-36536 CARRYMOTORCABLEASM 1
4
#02
401-36561 CARRYMOTORCABLEASM(EN) 1
5 HM-0013200-00 MOTORDRIVER 1
6 401-36538 CENTORMOTORCABLEASM 1
7 401-36537 CENTORMOTORPWRCABLEASM 1
8 401-36540 LEFT-MOTORCABLEASM 1
9 401-36539 LEFTMOTORPWRCABLEASM 1
10 400-48075 JOINTMOTORASM 1
11 401-36542 RIGHT-MOTORCABLEASM 1
12 E9433-729-0A0 BUENCASM. 1
13 HX-0042000-00 5PHASESTEPDRIVER 1
14
#02
HX-0068900-00 5PHASESTEPDRIVER 1
15 401-36631 BUMOTORCABLEASM 1
16
#02
401-36632 BUMOTORCABLEASM(EN) 1
17 400-48076 BACKUPMOTORASM 1
18 401-36633 BUDRVFGCABLEASM 1
19
#02
401-36634 BUDRVFGCABLEASM(EN) 1
20 401-36627 BUDRVPWRCABLEASM 1
21
#02
401-36628 BUDRVPWRCABLEASM(EN) 1
22 400-48077 AWCMOTORASM 1
23 401-36639 AWCDRVRELAYCABLEASM 1
24
#02
401-36640 AWCDRVRELAYCABLEASM(EN) 1
25 401-36635 AWCMOTORCABLEASM 1
26
#02
401-36636 AWCMOTORCABLEASM(EN) 1
27 401-36637 AWCDRVFGCABLEASM 1
28
#02
401-36638 AWCDRVFGCABLEASM(EN) 1
29 401-36629 AWCDRVPWRCABLEASM 1
30
#02
401-36630 AWCDRVPWRCABLEASM(EN) 1
31 401-30370 MIFEEDERPCBASM 1
32 401-36530 BKFPI(F)RLYCABLEASM 1
33 400-00575 DRIVECYLINDERL 1
34 401-30379 BANKPCBASM 1
35 401-36532 BANKPWR(F)CABLEASM 1
36 400-00576 DRIVECYLINDERR 1
37 401-36531 BKFPI(R)RLYCABLEASM 1
38
#01
401-37036 POWER_UNIT(ST) 1
39
#02
401-37045 POWER_UNIT(EN) 1
40 401-30360 FEEDERI/FPCBASM 1
41 401-30365 DRVPCBASM 1
42 401-36620 RADIALCBCABLE1ASM 1
43 401-36621 RADIALCBCABLE2ASM 1
44 401-36622 RADIALCBCABLE3ASM 1
45 401-36623 RADIALCBCABLE4ASM 1
46 401-36624 RADIALCBCABLE5ASM 1
47 401-36625 RADIALCBCABLE6ASM 1
48 401-36626 RADIALCBCABLE7ASM 1
49 401-44972 LLBW-LCABLEASM 1
50 401-44973 LRBW-LCABLEASM 1
51 401-44974 RLBW-LCABLEASM 1
52 401-44975 RRBW-LCABLEASM 1
53 401-36601 FEEDERI/FCABLEASM 1
54 401-36541 RIGHTMOTORPWRCABLEASM 1
55 401-36520 BANKFLCABLEASM 1
56 401-36522 BANKFRCABLEASM 1
57 401-36521 BANKRLCABLEASM 1
58 401-36523 BANKRRCABLEASM 1
59 401-36533 BANKPWR(R)CABLEASM 1
60 401-44970 BW-LCABLERELAYLASM 1
61 401-44971 BW-LCABLERELAYRASM 1

- -
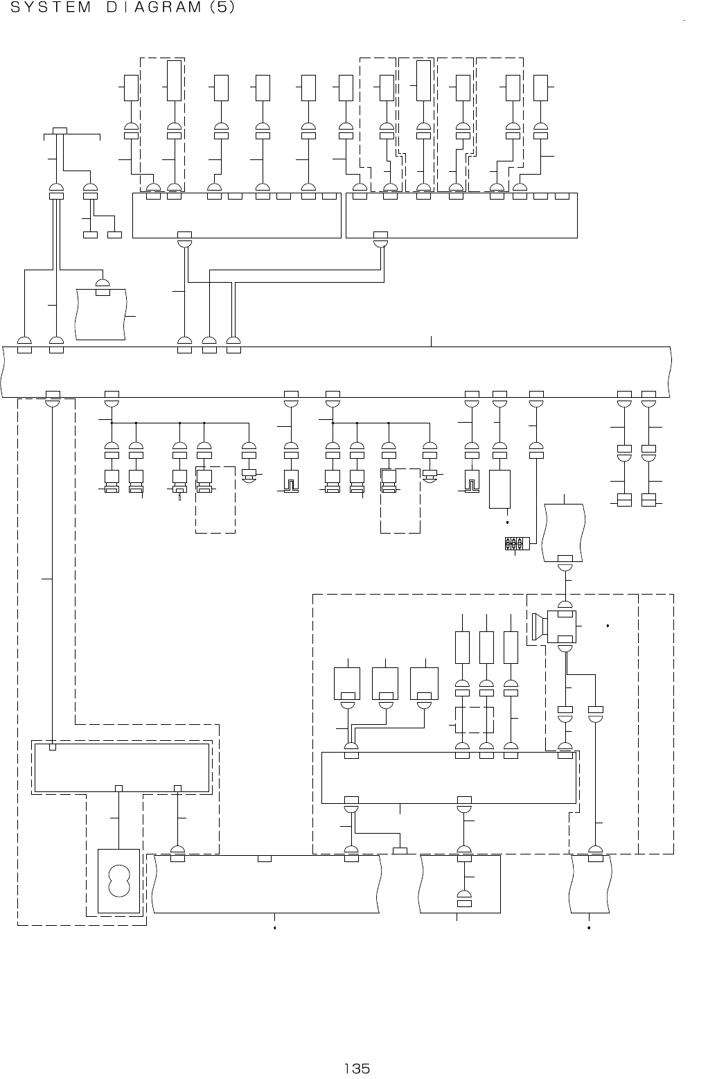
68.SYSTEMDIAGRAM(5)
6 - 1 A
C P U B O A R D ( 4 / 7 )
3 - 2 D
6 - 3 B
P O W E R U N I T
( 6 / 9 )
5 - 1 C
C N 3 0 5C N 5
L O A D C E L L A S M
C N 2 6 C N 5 2 6
C O V E R O P E N S W ( R )
C O V E R O P E N S W ( F )
M B F S E T S W ( F R )
C N 5 4 6 C N 4 6
M B F S E T S W ( F L )
C N 5 4 8 C N 4 8
E M G S W ( R )
E M G S W ( F )
L O A D C E L L O P T I O N
C N 5 0 7
L O A D C E L L
L O A D C E L L A M P
C N 5 3 8C N 3 8
C N 5 3 9C N 3 9
C N 5 1 6
C N 1 6
C O U T
S T O P
W A I T
S 8
S 7
S 6
S 5
S 4
S 3
S 2
S 1
S B 1
T . P I N O P T I O N
A W C O P T I O N
A W C O P T I O N
A W C O P T I O N
R I G H T
S E N S O R
S 8
S 7
S 6
S 5
S 4
S 3
S 2
S 1
R I G H T
E N O N L Y
A W C O R G
T . P I N
B U R C V
B U L O C K
B U O R G
B U E M I S
L E F T
S B 2
A W C O R G
S E N S O R
T . P I N
S E N S O R
B U P I N S E N S O R
( R E C E I V I N G )
B U L O C K
S E N S O R
B U O R G
S E N S O R
C O U T
S E N S O R
S T O P
S E N S O R
W A I T
S E N S O R
L E F T
S E N S O R
C N 3 0 7C N 7
C N 3 0 3C N 3
C N 3 0 4C N 4
V C S S . V . C A B L E A S M
V C S O P S E N S A S M
V C S S T S E N S A S M
C N 4 7 6
C N 4 7 4
C N 4 7 5
C O V E R B R
C N 0 3 2
7 - 2 A
B A S E
P C B ( 3 / 5 )
P O W E R U N I T ( 5 / 9 )
C N 7
C N 0 3 0
4 - 3 D
2 - 2 D
4 - 1 D
M I F E E D E R
P C B ( 3 / 5 )
C N 6 6 C N 5 6 6
( t o
R F I D )
5 - 5 A
( t o
R F I D )
5 - 5 A
M T S 2
M T S 1
C N 1 C N 2 0 1
I S L
I / F R
M T C I / F
7 - 2 A
L A N 4
L A N 4
D e p t h f r o m f o c u s p r o c e s s i n g [ ( D F F P )
C N 5
C N 3 0 5
D F F P V C S
V C S D F F P
C N 4 8 1 C N 4 8 1 R
M B F S W ( F R )
O P E N R O P
O P E N F O P
M B F S W ( F L )
C N 4 8 4
C N 4 8 3
C N 4 8 0
C N 4 8 4 R
C N 4 8 3 R
C N 4 8 0 R
C N 4 8 4
C N 4 8 3
C N 4 8 2
C N 4 8 1
C N 4 8 0
C N 5 4 7
C N 4 7
C N 5 4 9
C N 4 9
S T O P S W ( R )
S T A R T S W ( R )
C N 4 8 4 F
H O D
C N 5 6 1
C N 6 1
H O D B O X
C N 8 0 1
C N 5 3 7 C N 3 7
S I G N A L
T O W E R
R E A R M O N I T O R O P T I O N
C O N S O L E S W ( F )
R E A R M O N I T O R O P T I O N
C O N S O L E S W ( R )
M A I N T E N A N C E
K E Y S W
C N 4 8 3 F
S T A R T S W ( F )
C N 4 8 2 F
C N 4 8 1 F
C N 4 8 0 F
C N 5 4 3
C N 4 3
C N 5 4 2 C N 4 2
V C S O P T I O N
( 1 - 4 C )
5 - 1 D
C N 4 7 3
C N 4 7 3
C N 1 0C N 3 1 0
C N 0 3 6
C N 0 3 6
4 - 1 C
C N 9C N 9 C N 9
I O - 2 0
P C B ( 6 / 6 )
C N 3 1 3
C N 1 3
I O - C N 9
C N 2 C N 3 0 2
C O A X I A L
L I G H T P C B
C N 1V C S - C N 1
V C S - C N 2
C N 2
B O T T O M
L I G H T P C B
C N 3
V C S - C N 3
S I D E L I G H T
U N I T
L I G H T
C T R L P C B
B U P I N S E N S O R
( E M I S S I O N )
V C S P W R
V C S T R G
1 3 7 1 1 1 3
5
1 2
6 3
2 4 6 1 0
8 9
1 4
1 5
1 6
1 7 1 8 1 9
2 0 8 9
2 1
2 2
2 3
2 4
2 62 5 2 7
2 8
S T O P S W ( F )
2 9
3 0 3 1
3 2
3 3
2 8
2 9
3 1
3 2
3 4
3 3
3 5 3 6
3 7
3 8 3 8
3 9 3 9
4 0 4 1
4 2
4 3
4 4
4 5
4 7
4 8
4 9
5 0
5 1
5 2
5 4
5 3 5 5
5 6
5 7
5 8
5 9
6 0
6 1
6 2
6 4 6 5
6 6
6 7
6 8
6 9
7 0 7 1
7 2
7 3
4 6

- -
REF.NO NOTE PARTNO DESCRIPTION Qty
1 401-37322 BUORGSENSORASM 1
2 401-10058 BULOCKSENSCABLEASM 1
3 400-92574 BULOCKSENSASM 1
4 401-10059 BUPIN(RECEVING)CABLEASM 1
5 400-92575 BUPINSENSORRECEIVERASM 1
6 401-37324 T.PINSENSCABLEASM 1
7 400-92576 T.PINSENSASM 1
8
#01
401-37036 POWER_UNIT(ST) 1
9
#02
401-37045 POWER_UNIT(EN) 1
10 401-10061 AWCORGSENSCABLEASM 1
11 401-37323 AWCORGSENSORASM 1
12 401-10062 RIGHTSENSCABLEASM 1
13 401-36544 RIGHTSENSASM 1
14 401-36571 LIGHTCTRLPWRCABLEASM 1
15 401-07163 LIGHTCTRLPCBASM 1
16 401-07239 VCSLIGHTCABLEASM 1
17 401-07164 COAXIALLIGHTPCBASM 1
18 401-07165 BOTTOMLIGHTPCBASM 1
19 401-07167 SIDELIGHTASM 1
20 401-36345 IO-20PCBASM 1
21 401-36569 LIGHTSPRELAYCABLEASM 1
22 401-36570 LIGHTSPCABLEASM 1
23 401-36572 VCSSENSCABLEASM 1
24 401-36573 VCSSVCABLEASM 1
25 400-02147 VCSOPSENSASM 1
26 400-02146 VCSSTSENSASM 1
27 400-02148 VCSSVCABLEASM 1
28 401-36549 STARTSWCABLEASM 1
29 401-36550 STOPSWCABLEASM 1
30 401-36551 MAINTENANCEKEYSWCABLEASM 1
31 401-36552 CONSOLESWCABLEASM 1
32 401-36553 EMGSWCABLEASM 1
33 401-36558 COVEROPENSWCABLE 1
34 401-29009 SIGNALTOWERCABLEASM 1
35 E9649-729-000 HODASM. 1
36
#02
E9662-729-000 HOD(EN) 1
37 401-77520 SIGNAL-LIGHTCABLEASM 1
38 HD-0028100-00 SENSOR 1
39
#03
401-36559 MBFSETSWASM 1
40
#03
401-36554 MBFSETSW(FL)CABLEASM 1
41
#03
401-36555 MBFSETSW(FR)CABLEASM 1
42 401-36547 SWRELAYFCABLE 1
43 401-36556 COVERSWCABLEASM(F) 1
44 401-36548 SWRELAYRCABLE 1
45 401-36557 COVERSWCABLEASM(R) 1
46 401-36546 HODIFCABLEASM 1
47 401-36346 BASEPCBASM 1
48 401-36568 MTCMTSI/FCABLEASM 1
49 401-30370 MIFEEDERPCBASM 1
50 401-10050 MTCMTSI/FBRCABLEASM 1
51 401-13668 RFIDMTSI/FCBLASM 1
52 401-36543 SBCABLEASM 1
53 401-10052 LEFTSENSCABLEASM 1
54 401-36534 LEFTSENSASM 1
55 401-10053 BUPIN(EMISSION)CABLEASM 1
56 400-92569 BUPINSENSOREMISSIONASM 1
57 401-10054 WAITSENSCABLEASM 1
58 401-10064 WAITSENSORASM 1
59 401-10055 STOPSENSCABLEASM 1
60 401-10065 STOPSENSORASM 1
61 401-10056 C.OUTSENSCABLEASM 1
62 401-10066 C.OUTSENSORASM 1
63 401-10057 BUORGSENSCABLEASM 1
64 401-42187 LOADCELLASM
1
65 401-42191 LOADCELLPOWERCABLEASM 1
66 401-42190 LOADCELLANALOGCABLEASM 1
67 401-45616 VCSDFFPPWRCABLEASM 1
68 401-45617 CAMERATRIGCABLEASM 1
69 401-45618 VCSDFFPCABLEASM 1
70 401-50125 VCSCAMERA 1
71 401-50126 VCSLENS 1
72 401-45619 VCSLANCABLEASM 1
73 401-23242 CPUBOARD 1