00195380-0102_AI_SMEMA_Box_D1D2D4_DE+EN.pdf - 第30页
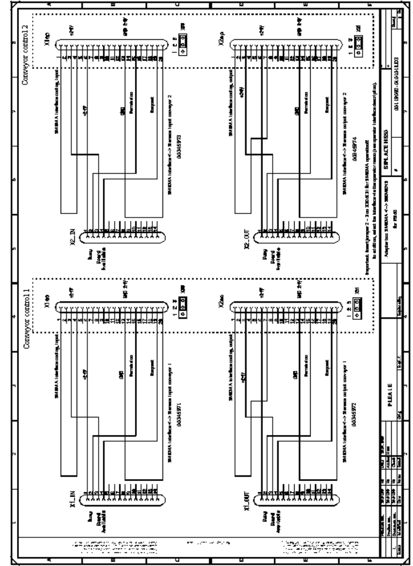
Jum p e r Assembly instructions SMEMA Box SIPLACE D1 / D2 / D4 01/2007 Edition 30 2 Fig. 2.10 - 9 Conveyor control SIPLACE D1/D2

Conveyor control SIPLACE D1/D2
Jumper
Assembly instructions SMEMA Box SIPLACE D1 / D2 / D4
01/2007 Edition
29
2
Fig. 2.10 - 8 SIPLACE D1/D2 conveyor control

Jumper
Assembly instructions SMEMA Box SIPLACE D1 / D2 / D4
01/2007 Edition
30
2
Fig. 2.10 - 9 Conveyor control SIPLACE D1/D2

Assembly instructions SMEMA Box SIPLACE D1 / D2 / D4
01/2007 Edition
31
2
Fig. 2.10 - 10 Circuit diagram