XP242E 机械手册 MEC-XP242-2.1S.pdf - 第118页
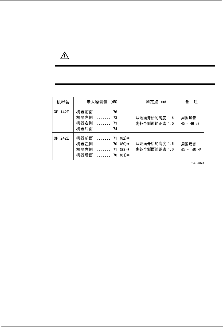
MEC-XP242-2.1S 8. 补充说明 XP-242E 机械手册 109 8. 补充说明 8.1 噪音 各个机型在运转时的噪音显示如 下。 备注 ) 噪音值是以 A 特性测定的数值。*( ) 内的数值为瞬间音 ( 空料盘排出动作时 )。 警告 在会引起听力障碍程度的高噪 音 (80dB 以上)的运转条件下,操作者 请 使用防护耳朵的用具。

7. 安装 MEC-XP242-2.1S
108 XP-242E 机械手册
MEMO:

MEC-XP242-2.1S 8. 补充说明
XP-242E 机械手册 109
8. 补充说明
8.1 噪音
各个机型在运转时的噪音显示如下。
备注 ) 噪音值是以 A 特性测定的数值。*( ) 内的数值为瞬间音 ( 空料盘排出动作时 )。
警告
在会引起听力障碍程度的高噪音 (80dB 以上)的运转条件下,操作者请
使用防护耳朵的用具。

8. 补充说明 MEC-XP242-2.1S
110 XP-242E 机械手册
MEMO: