XP242E 机械手册 MEC-XP242-2.1S.pdf - 第49页
4. 维修保养 MEC-XP242-2.1S 40 XP-242E 机械手册 4.2.3 加油枪配套工具的介绍 敝社销售 FUJI 几乎所有型号机器的加油枪配套工具。这一配套工具, 除了泵以外还附有给 各种润滑油接头相匹配的喷油嘴 。因此仅用这套工具就可以方便地 在各种地方加油。如果 有意购买请向代理店垂询。

MEC-XP242-2.1S 4. 维修保养
XP-242E 机械手册 39
4.2 加油
4.2.1 加油时的注意事项
1. 操作前请务必切断主电源。
2. 润滑油的添加量应当保持适量。当添加量过多时,会引起飞散,造成污损电路板和机器
内部的原因。特别是当沾污到照相机镜头时,则会成为影像处理错误等引起故障的原
因。在这种情况下,请使用镜头清洁剂等来擦拭掉。
4.2.2 润滑油的种类
所使用的润滑油的特征如下 :

4. 维修保养 MEC-XP242-2.1S
40 XP-242E 机械手册
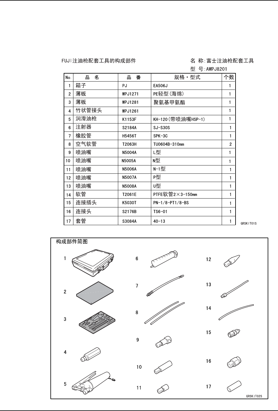
4.2.3 加油枪配套工具的介绍
敝社销售 FUJI 几乎所有型号机器的加油枪配套工具。这一配套工具,除了泵以外还附有给
各种润滑油接头相匹配的喷油嘴。因此仅用这套工具就可以方便地在各种地方加油。如果
有意购买请向代理店垂询。

MEC-XP242-2.1S 4. 维修保养
XP-242E 机械手册 41
4.2.4 加油要领
从下一页起介绍各个机器部位的加油处。加油时请参考各表及插图。
1. 首先请确认插图内的加油处。白箭头所指处,请用润滑油涂其表面。黑箭头所指的是喷
油嘴。请用润滑油枪注入润滑油。
注意 ) 不带喷油嘴的 LM 滑块,通过滑块和 LM 轨道之间 ( 轴承槽部 ) 涂抹润滑油,付着在轴承滚珠
或辊子上的润滑油,可润滑 LM 滑块的内部。
2. 请根据表中所列,确认所使用的润滑油为哪一种类。各记号意义如下∶
3. 请按照表中 「加油周期」栏里所示的各个周期进行加油。
4. 使用本章末尾的检查用纸,检查操作完成情况。
○∶ 适量加油
△∶ 微量涂抹以防止生锈
×∶ 禁止加油
例如∶ 每日、每周、每月、每 3 个月是指下列所示的期间。
每日∶ 与运转时间无关经过1天(24小时)时
每周∶ 与运转时间无关经过 7 天时
每月∶ 与运转时间无关经过 1 个月时
每 3 个月∶ 与运转时间无关经过 3 个月时