FX-3-Rev13(-J).pdf - 第160页
- 155 - 78. SYSTEM DIAGRAM (FEEDER STATION) SYSTEM DIAGRAM (FEEDER STATION) 1 89 2 4 5 8 9 6 7 10 11 12 13 14 15 16 17 18 1 9 20 21 22 23 24 25 26 31 27 28 29 30 33 3 4 35 36 37 3 8 39 40 41 42 43 44 46 45 47 48 50 49 5 …

- 154 -
REF.NO NOTE PART NO D E S C R I P T I O N
品 名
Qty
1 400-65163 FRAME FAN LF CABLE ASM
フレームファン LF ケーブル組
1
2 400-47810 Y BEAR A CABLES ASM
Y ベア A ケーブル組
1
3 400-65167 FRAME FAN RELAY CABLE ASM
フレームファン中継ケーブル組
1
4 400-82676 Y FRAME END FAN CABLE E ASM
Y フレームエンドファンケーブル E 組
1
5 400-82670 Y FRAME END FAN CABLE B ASM
Y フレームエンドファンケーブル B 組
1
6 400-82673 X FRAME END FAN CABLE 1 ASM
X フレームエンドファンケーブル1組
1
7 400-82674 X FRAME END FAN CABLE 2 ASM
X フレームエンドファンケーブル2組
1
8 400-82675 X FRAME CENTER FAN CABLE ASM
X フレームセンターファンケーブル組
1
9 400-82671 Y FRAME END FAN CABLE C ASM
Y フレームエンドファンケーブル C 組
1
10 400-82672 Y FRAME END FAN CABLE D ASM
Y フレームエンドファンケーブル D 組
1
11 400-82673 X FRAME END FAN CABLE 1 ASM
X フレームエンドファンケーブル1組
1
12 400-82674 X FRAME END FAN CABLE 2 ASM
X フレームエンドファンケーブル2組
1
13 400-82675 X FRAME CENTER FAN CABLE ASM
X フレームセンターファンケーブル組
1
14 400-65166 FRAME FAN RR CABLE ASM
フレームファン RR ケーブル組
1
15 400-47810 Y BEAR A CABLES ASM
Y ベア A ケーブル組
1
16 400-65167 FRAME FAN RELAY CABLE ASM
フレームファン中継ケーブル組
1
17 400-65164 FRAME FAN LR CABLE ASM
フレームファン LR ケーブル組
1
18 400-47811 Y BEAR B CABLES ASM
Y ベア B ケーブル組
1
19 400-65167 FRAME FAN RELAY CABLE ASM
フレームファン中継ケーブル組
1
20 400-82669 Y FRAME END FAN CABLE A ASM
Y フレームエンドファンケーブル A 組
1
21 400-82670 Y FRAME END FAN CABLE B ASM
Y フレームエンドファンケーブル B 組
1
22 400-82673 X FRAME END FAN CABLE 1 ASM
X フレームエンドファンケーブル1組
1
23 400-82674 X FRAME END FAN CABLE 2 ASM
X フレームエンドファンケーブル2組
1
24 400-82675 X FRAME CENTER FAN CABLE ASM
X フレームセンターファンケーブル組
1
25 400-82671 Y FRAME END FAN CABLE C ASM
Y フレームエンドファンケーブル C 組
1
26 400-82672 Y FRAME END FAN CABLE D ASM
Y フレームエンドファンケーブル D 組
1
27 400-82673 X FRAME END FAN CABLE 1 ASM
X フレームエンドファンケーブル1組
1
28 400-82674 X FRAME END FAN CABLE 2 ASM
X フレームエンドファンケーブル2組
1
29 400-82675 X FRAME CENTER FAN CABLE ASM
X フレームセンターファンケーブル組
1
30 400-82669 Y FRAME END FAN CABLE A ASM
Y フレームエンドファンケーブル A 組
1
31 400-82670 Y FRAME END FAN CABLE B ASM
Y フレームエンドファンケーブル B 組
1
32 400-82673 X FRAME END FAN CABLE 1 ASM
X フレームエンドファンケーブル1組
1
33 400-82674 X FRAME END FAN CABLE 2 ASM
X フレームエンドファンケーブル2組
1
34 400-82675 X FRAME CENTER FAN CABLE ASM
X フレームセンターファンケーブル組
1
35 400-82671 Y FRAME END FAN CABLE C ASM
Y フレームエンドファンケーブル C 組
1
36 400-82672 Y FRAME END FAN CABLE D ASM
Y フレームエンドファンケーブル D 組
1
37 400-82673 X FRAME END FAN CABLE 1 ASM
X フレームエンドファンケーブル1組
1
38 400-82674 X FRAME END FAN CABLE 2 ASM
X フレームエンドファンケーブル2組
1
39 400-82675 X FRAME CENTER FAN CABLE ASM
X フレームセンターファンケーブル組
1
40 400-65165 FRAME FAN RF CABLE ASM
フレームファン RF ケーブル組
1
41 400-47811 Y BEAR B CABLES ASM
Y ベア B ケーブル組
1
42 400-65167 FRAME FAN RELAY CABLE ASM
フレームファン中継ケーブル組
1
43 400-82676 Y FRAME END FAN CABLE E ASM
Y フレームエンドファンケーブル E 組
1
44 400-82670 Y FRAME END FAN CABLE B ASM
Y フレームエンドファンケーブル B 組
1
45 400-82673 X FRAME END FAN CABLE 1 ASM
X フレームエンドファンケーブル1組
1
46 400-82674 X FRAME END FAN CABLE 2 ASM
X フレームエンドファンケーブル2組
1
47 400-82675 X FRAME CENTER FAN CABLE ASM
X フレームセンターファンケーブル組
1
48 400-82671 Y FRAME END FAN CABLE C ASM
Y フレームエンドファンケーブル C 組
1
49 400-82672 Y FRAME END FAN CABLE D ASM
Y フレームエンドファンケーブル D 組
1
50 400-82673 X FRAME END FAN CABLE 1 ASM
X フレームエンドファンケーブル1組
1
51 400-82674 X FRAME END FAN CABLE 2 ASM
X フレームエンドファンケーブル2組
1
52 400-82675 X FRAME CENTER FAN CABLE ASM
X フレームセンターファンケーブル組
1

- 155 -
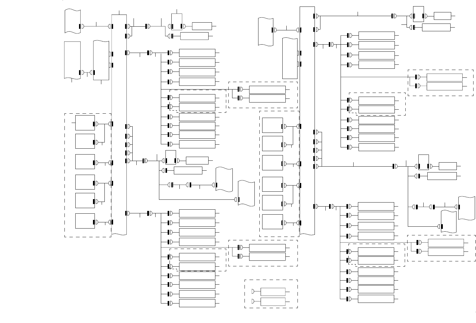
78.SYSTEM DIAGRAM (FEEDER STATION)
SYSTEM DIAGRAM(FEEDER STATION)
1
89
2
4
5
8
9
6
7
10
11 12 13 14 15 16 17 18 19 20
21
22
23
24
25
26
31
27
28
29
30
33 34 35 36 37 38 39 40 41 42
43 44 4645
47
48 50
49 51
52
53
55 56 57 58
8281
8887
59 60 61 62 63 64
65
83
66
68 70 7169 72 73 74 75 76 77
78
79
80
84 85
86
32
91
67
54
93
94
3
FROAT-F
(RCV)
FROAT-R
(RCV)
ATC-CL
ATC-OP
BANK-
UPL
BANK-
UPR
ATC S .V
FROAT-F(E)
FROAT -R(E)
SOT-CHK
ATC S .V
FROAT-R
(RCV)
BANK-
UPR
BANK-
UPL
FROAT-F
(RCV)
SOT-CHK
FROAT -R(E)
FROAT-F(E)
ATC-CL
ATC-OP
FROAT -R
(RCV)
FROAT-F
(RCV)
ATC-CL
ATC-OP
ATC S. V
SOT- CHK
FROAT-R(E)
FROAT-F(E)
FROAT-F
(RCV)
FROAT-R
(RCV)
ATC-OP
ATC-CL
FROAT-F( E)
FROAT -R(E)
SOT-CHK
ATC S.V
CN023
FEEDER
PCB
(R)
FEEDER
PCB
(L)
90 92
BANK-
UPR
BANK-
UPL
BANK-
UPL
BANK-
UPR
CAL F
FDRL19
FDRL19
CN491
CAL F (R)
CN669
E-FROAT(RCV)
E-FR OAT(E)
CN492
CN491
CN669
XYEMGR
XYEMGR
POWER
UNIT
(R)
PWRL67
E-FROAT(E)
E-FR OAT(RCV)
CAL F(L)
CAL F
FDRL19
FDRL19
CN491
CN669
FDRL21
FDRL 21
FDRL 21
FDRL21
E-FROAT(RCV)
E-FROAT(E )
E-FROAT(RCV)
E-FROAT(E )
CAL R
CAL R(L)
CN491
CN669
CN492
FDL-1
PWRL023
CN20
CN20
CN5
CN5
CN1
CN19
CN19
J1
J2
J1
J2
FDR-1
PWRL0 23
CN20
CN15
CN20
CN5
CN5
CN28
CN28
CN27
CN27
CN30
CN30
CN16
CN17
CN21
CN21
CN18
12-1C
12-1C
CN067
CN7
13-1B
CN2
CN1
11-3C
11-3A
CN2
CN1
11-1A
11-5C
10-4C
CN541 FDR5
CN551
CN561
FDR16
CN541
FDR17
CN1
CN1
CN1
CN1
CN1
CN551
CN561
FLR18
CN1
12-1A
CN067
11-5C
CN7
9-2C
11-1A
PWRL67
XY7
XYEMGL
XYEMGL
CN2
CN1
CN2
CN1
CN20
CN20
CN5
CN5
CN19
CN19
CN1
P1
P2
CN2
J2
CN2
8-1B
CN1
CN023
10-3A
11-3C
CN1
11-3A
J1
CN541
FDL15
CN15
CN551
CN561
FDL16
CN16
CN17
FDL17CN541
CN551
CN20
CN20
CN5
CN5
CN28
CN28
CN27
CN27
CN30
CN30
FLD18
CN561
CN1
CN1
CN1
CN1
CN1
CN1
CN21
CN21
12-1A
CN18
BANK-UPL
BANK-UPR
POWER UNIT(L)
ETHER-SLAVE
PCB(FEEDER_L)
ETHER-SLAV E
PCB(F EEDER_R)
LED PCB LF 1
LED PCB LF 2
LED PCB LF 3
LED P CB L R 1
LED P CB L R 2
LED P CB LR 3
FPI O PTION
CAL P CB
CAL S.V. (LF)
CAL VAC UUM SEN SOR (LF)
ATC OPEN SENSOR(LF)
ATC CLOSE SENSOR(LF)
FEED ER FLOAT SE NSOR(LF -F)
(RECEIVING)
FEED ER FLOAT SE NSOR(LF -R)
(RECEIVING)
in rhe cas e of "FIXED E LE C BAN K",
refer t o 11-3D
BANK UP SENSOR (LF-L)
BANK U P SENS OR (L F-R)
ATC S. V (LF)
FEEDER F LOAT SENSOR(LF -F)
(EMI SSION )
FEEDER F LOAT SENSOR(LF -R)
(EMI SSION )
SOT CHE CK S.V .
CAL PCB
CALS.V.(LR)
CAL V ACUUM SENSOR (LR)
ATC OPEN SENSOR(LR)
ATC CL OSE SEN SOR( LR)
FEEDER FLOAT SENSOR(LR-F)
(RECEIVING)
FEEDER FLOAT SENSOR(LR-R)
(RECEIVI NG)
in rhe case of "FIXED ELEC BANK",
refer to 11-3D
BANK UP SENSOR (LR-L)
BANK UP SENSOR ( LR-R)
ATC S.V (LR)
FEEDER FLOAT SENSOR(LR-F)
(EMISSION)
FEEDER FLOAT SENSOR(LR-R)
(EMIS SION)
SOT CHECK S.V.
FIXEDELECBANK
BUP SE NS SHO RT AS M
BUP SE NS SHO RT AS M
MECH/ ELEC TROLY OPTION
ETF FORA SENSOR(LR)
(EMI SSION)
ETF FOAT SENSOR(LR)
(REC EIVING)
LED P CB RR 3
LED PCB RR 2
POWER UNIT(L)
LED PCB R R 1
XY RE LAY P CB
LED P CB RF 1
FPI OPTION
LED P CB RF 2
LED PCB RF 3
MECH/ELEC TROLY OPTION
ETF FOAT SENSOR(LF)
(REC EIVING)
ETF FORA SENSOR(LF)
(EMISSION )
ETHER-SLAVE
PCB(FEEDER_R)
POWER UNI T(R)
ATC OPEN SENSOR(RF)
ATC CLOSE SENSOR(RF)
FEEDER F LOAT SENSOR(R F-F )
(RECEIVING)
FEEDER F LOAT SENSOR(R F-R )
(RECEIVING)
in rhe ca se of "FIX ED ELEC BA NK",
refer to 11-3D
BANK UP SENSOR (RF-L)
BANK UP SENSOR (RF-R)
ATC S.V (RF)
FEEDER F LOAT SENSOR(R F-F )
(EMISSION)
FEED ER FLOAT S ENSOR(RF-R)
(EMISSION)
SOT CHECK S.V.
CAL R
CAL R(R)
CAL PC B
CAL S .V. (LR)
CAL VACUUM SENSOR (LR)
ATC OPEN S ENSO R(RR)
ATC C LOSE SE NS OR(RR )
FEEDER FL OAT SENSOR(RR-F)
(RECEIVING)
FEEDER FLOAT SENSOR(RR-R)
(REC EIVING)
inrhecaseof"FIXEDELECBANK",
refer to 11-3D
BANK UP SENSO R (RR-L)
BANK UP SE NSOR (RR- R)
ATC S.V (RF)
FEEDER FLO AT S ENSOR (RR- F)
(EMISSIO N)
FEEDER FLOAT SENSOR(RR-R)
(EMISSION)
SOT CHECK S.V.
MECH/ELEC TROLY OP TION
ETF FORA S ENSOR(RR)
(EMISSION)
ETFFOATSENSOR(RR)
(RECEIVING)
XY7
XY RELAY P CB
ETF F OAT SENSOR(R F)
(RECEIVING)
ETF FORA SENSOR(RF)
(EMISSION)
MECH /ELEC TROLY O PTION
CAL S .V. (RF)
CAL VACUUM SENSOR (RF)
CAL PCB

- 156 -
NOTE( 注記 ) #01....WITH USE OF NO.97(40047557) NO.97(40047557)とセットで使用
REF.NO NOTE PART NO D E S C R I P T I O N
品 名
Qty
1 400-47888 FEEDER PWR CABLE (LR) ASM
フィーダ電源ケーブル(LR)組
1
2
#01
400-47560 FEEDER PCB ASM
フィーダ基板組
1
3 400-47557 ETHER-SLAVE PCB ASM
ETHER − SLAVE 基板組
1
4 400-47483 FEEDER CAL(F) CABLE ASM
CAL(F)ケーブル組
1
5 400-47979 CAL BLOCK CABLE(LF) ASM
CAL ブロックケーブル(LF)組
1
6 400-07376 CALBLOCK PCB ASM
CAL ブロック基板組
1
7 400-47986 CAL VACUUM SV ASM
CAL バキューム SV 組
1
8 400-48176 FEEDER SENS RELAY(F) CABLE ASM
フィーダセンサ中継ケーブル(F)組
1
9 400-47996 FEEDER SENS CABLE(LF) ASM
フィーダセンスケーブル(LF)組
1
10 400-02126 CAL VACUUM SENSOR ASSY
CAL バキュームセンサ組
1
11 400-02128 ATC OPEN SENS ASM
ATC オープンセンサ組
1
12 400-02127 ATC CLOSE SENS ASM
ATC クローズセンサ組
1
13 400-47496 FD-FLOAT(FF)RECEIVE SENS ASM
フィーダ浮きセンサ(FF)受光組
1
14 400-47498 FD-FLOAT(FR)RECEIVE SENS ASM
フィーダ浮きセンサ(FR)受光組
1
15 400-02167 BANK UP(F)SENS ASM
バンクアップ(F)センサ組
1
16 400-02167 BANK UP(F)SENS ASM
バンクアップ(F)センサ組
1
17 400-47485 ATC SV CABLE ASM
ATC SV ケーブル組
1
18 400-47495 FD-FLOAT(FF)SENS ASM
フィーダ浮きセンサ(FF)投光組
1
19 400-47497 FD-FLOAT(FR)SENS ASM
フィーダ浮きセンサ(FR)投光組
1
20 400-47486 SOT CHECK SV CABLE ASM
SOT 検査台 SV ケーブル組
1
21 E8626-729-0A0 FPI LED BOARD ASM.
FPI LED 基板組
1
22 400-47993 FPI-LED 1 CABLE(F) ASM
FPI − LED 1ケーブル(F)組
1
23 400-47994 FPI-LED 2 CABLE(F) ASM
FPI − LED 2 ケーブル(F)組
1
24 400-48172 FPI LED1 CABLE(R) ASM
FPI LED 1ケーブル(R)組
1
25 400-48173 FPI LED2 CABLE(R) ASM
FPI LED 2ケーブル(R)組
1
26 400-47484 FEEDER CAL(R) CABLE ASM
CAL(R)ケーブル組
1
27 400-47181 COVER_SB_R
カバー SB _ R
1
28 400-47986 CAL VACUUM SV ASM
CAL バキューム SV 組
1
29 400-02126 CAL VACUUM SENSOR ASSY
CAL バキュームセンサ組
1
30 400-47818 OPERATION RLY CABLE (F) ASM
オペレーションリレーケーブル組(F)
1
31 400-48177 FEEDER SENS RELAY(R) CABLE ASM
フィーダセンサ中継ケーブル(R)組
1
32 400-89876 FEEDER SENS CABLE (LR) ASM
フィーダセンサケーブル(LR)組
1
33 400-02128 ATC OPEN SENS ASM
ATC オープンセンサ組
1
34 400-02127 ATC CLOSE SENS ASM
ATC クローズセンサ組
1
35 400-70398 FD-FLOAT(RF)RECEIVE SENS ASM
フィーダ浮きセンサ(RF)受光組
1
36 400-70400 FD-FLOAT(RR)RECEIVE SENS ASM
フィーダ浮きセンサ(RR)受光組
1
37 400-02167 BANK UP(F)SENS ASM
バンクアップ(F)センサ組
1
38 400-02167 BANK UP(F)SENS ASM
バンクアップ(F)センサ組
1
39 400-47485 ATC SV CABLE ASM
ATC SV ケーブル組
1
40 400-70397 FD-FLOAT(RF)SENS ASM
フィーダ浮きセンサ(RF)投光組
1
41 400-70399 FD-FLOAT(RR)SENS ASM
フィーダ浮きセンサ(RR)投光組
1
42 400-47486 SOT CHECK SV CABLE ASM
SOT 検査台 SV ケーブル組
1
43 400-84847 ETF-FLOAT RECEIVE SENS ASM
ETF − FLOAT 受光センサ組
1
44 400-84848 ETF-FLOAT SENS ASM
ETF − FLOAT センサ組
1
45 400-84847 ETF-FLOAT RECEIVE SENS ASM
ETF − FLOAT 受光センサ組
1
46 400-84848 ETF-FLOAT SENS ASM
ETF − FLOAT センサ組
1
47 400-47890 FEEDER PWR CABLE (RR) ASM
フィーダ電源ケーブル(RR)組
1
48 400-47993 FPI-LED 1 CABLE(F) ASM
FPI − LED 1ケーブル(F)組
1
49 400-47994 FPI-LED 2 CABLE(F) ASM
FPI − LED 2ケーブル(F)組
1
50 400-48172 FPI LED1 CABLE(R) ASM
FPI LED 1ケーブル(R)組
1
51 400-48173 FPI LED2 CABLE(R) ASM
FPI LED 2ケーブル(R)組
1
52 400-47483 FEEDER CAL(F) CABLE ASM
CAL(F)ケーブル組
1
53 400-48176 FEEDER SENS RELAY(F) CABLE ASM
フィーダセンサ中継ケーブル(F)組
1
54 400-65158 FEEDER SENS CABLE (RF) ASM
フィーダセンサケーブル(RF)組
1
55 400-02128 ATC OPEN SENS ASM
ATC オープンセンサ組
1
56 400-02127 ATC CLOSE SENS ASM
ATC クローズセンサ組
1
57 400-47496 FD-FLOAT(FF)RECEIVE SENS ASM
フィーダ浮きセンサ(FF)受光組
1
58 400-47498 FD-FLOAT(FR)RECEIVE SENS ASM
フィーダ浮きセンサ(FR)受光組
1
59 400-02167 BANK UP(F)SENS ASM
バンクアップ(F)センサ組
1
60 400-02167 BANK UP(F)SENS ASM
バンクアップ(F)センサ組
1
61 400-47485 ATC SV CABLE ASM
ATC SV ケーブル組
1
62 400-47495 FD-FLOAT(FF)SENS ASM
フィーダ浮きセンサ(FF)投光組
1
63 400-47497 FD-FLOAT(FR)SENS ASM
フィーダ浮きセンサ(FR)投光組
1
64 400-47486 SOT CHECK SV CABLE ASM
SOT 検査台 SV ケーブル組
1
65 400-47484 FEEDER CAL(R) CABLE ASM
CAL(R)ケーブル組
1
66 400-48177 FEEDER SENS RELAY(R) CABLE ASM
フィーダセンサ中継ケーブル(R)組
1
67 400-47475 FEEDER SENS CABLE (RR) ASM
フィーダセンサケーブル(RR)組
1
68 400-02128 ATC OPEN SENS ASM
ATC オープンセンサ組
1
69 400-02127 ATC CLOSE SENS ASM
ATC クローズセンサ組
1
70 400-70398 FD-FLOAT(RF)RECEIVE SENS ASM
フィーダ浮きセンサ(RF)受光組
1
71 400-70400 FD-FLOAT(RR)RECEIVE SENS ASM
フィーダ浮きセンサ(RR)受光組
1
72 400-02167 BANK UP(F)SENS ASM
バンクアップ(F)センサ組
1
73 400-02167 BANK UP(F)SENS ASM
バンクアップ(F)センサ組
1
74 400-47485 ATC SV CABLE ASM
ATC SV ケーブル組
1
75 400-70397 FD-FLOAT(RF)SENS ASM
フィーダ浮きセンサ(RF)投光組
1
76 400-70399 FD-FLOAT(RR)SENS ASM
フィーダ浮きセンサ(RR)投光組
1
77 400-47486 SOT CHECK SV CABLE ASM
SOT 検査台 SV ケーブル組
1
78 400-47477 CAL BLOCK CABLE(RF) ASM
キャルブロックケーブル(RF)組
1
79 400-47986 CAL VACUUM SV ASM
CAL バキューム SV 組
1
80 400-02126 CAL VACUUM SENSOR ASSY
CAL バキュームセンサ組
1
81 400-84847 ETF-FLOAT RECEIVE SENS ASM
ETF − FLOAT 受光センサ組
1
82 400-84848 ETF-FLOAT SENS ASM
ETF − FLOAT センサ組
1
83 400-47478 CAL BLOCK CABLE(RR) ASM
キャルブロックケーブル(RR)組
1
84 400-47986 CAL VACUUM SV ASM
CAL バキューム SV 組
1
85 400-02126 CAL VACUUM SENSOR ASSY
CAL バキュームセンサ組
1
86 400-47818 OPERATION RLY CABLE (F) ASM
オペレーションリレーケーブル組(F)
1
87 400-84847 ETF-FLOAT RECEIVE SENS ASM
ETF − FLOAT 受光センサ組
1
88 400-84848 ETF-FLOAT SENS ASM
ETF − FLOAT センサ組
1
89 400-47653 PLD REV NOTE(BIOCNT)
PLD レビジョン管理表(BIOCNT)
1
90 400-95637 BUP SENS SHORT ASM
BUP センサショート組
1
91 400-89675 FD EMG RLY CABLE ASM
フィーダ非常停止中継束線組
1
92 400-95637 BUP SENS SHORT ASM
BUP センサショート組
1
93 400-89675 FD EMG RLY CABLE ASM
フィーダ非常停止中継束線組
1
94 400-47557 ETHER-SLAVE PCB ASM
ETHER − SLAVE 基板組
1