KE-3020维修调整要领书.pdf - 第88页
㪩㪼㫍㩷㪈㪅㪇㩷 㓈ׂ䇗ᭈ㽕乚к 4-3 䎗䎐䎖 ˊ 䎲䎦䎦 ৠ 䕈ˋ 㾦ᑺ ✻ᯢ ᵓ㒘 ӊⱘ ᤶ 䎃 䎔䎌䎃 ᣝ✻ 䎗䎐 䋱䋮 䎲䎦䎦 㺙㒘ӊᤶ㽕乚ˈҢ 䎫䏈䏄䏇 ᵓौϟ✻ᯢ㒘ӊDŽ 䎃 䎕䎌䎃 ौϟ 䡾 ༈ᇣ㶎䩝˄h 䎕 ˅ˈᤶ 䎲䎦䎦 ৠ䕈✻ᯢᵓ㒘ӊDŽ 䎃 䎖䎌䎃 ौϟ 䡿 ᏺൿ⠛݁㾦ᄨ㶎ᷧ˄h 䎗 ˅ˈᤶ 䎲䎦䎦 㾦ᑺ✻ᯢᵓ㒘ӊDŽ 䎃 䎗䎌䎃 ᅝ㺙ᯊˈ䇋ᣝ✻Ⳍডⱘ乎ᑣ䖯㸠DŽ 䎃 䎘䎌䎃 ᤶৢˈ䇋䖯㸠✻ᯢⒸܝ఼…

㪩㪼㫍㩷㪈㪅㪇㩷
㓈ׂ䇗ᭈ㽕乚к
4-2
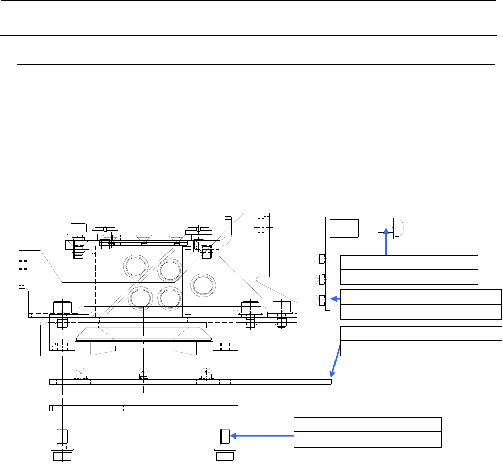
䎗䎐䎕ˊ 䎦䎦䎧ᨘڣᴎǃ䬰༈ⱘᤶ䎃
䎔䎌䎃 䎗䎐䎔䎑䎃䎲䎦䎦 㺙㒘ӊᤶ㽕乚ˈҢ 䎫䏈䏄䏇 ᵓौϟᨘڣᴎ㒘ӊDŽ䎃
䎕˅䎃䇋ᢚϟ⫼Ѣᅮ 䎦䎦䎧 ᨘڣᴎǃ䬰༈ⱘ䡾ᏺൿ⠛ݙ݁㾦㶎䩝˄h䎕˅ǃ䡿ᏺൿ⠛ݙ݁㾦㶎䩝˄h䎕˅ˈ
䖯㸠䩝ᤶDŽ䎃
䎖䎌䎃 ᅝ㺙ᯊˈ䇋ᣝ✻Ⳍডⱘ乎ᑣ䖯㸠᪡DŽ䎃
˄䡾ᏺൿ⠛ݙ݁㾦㶎䩝˄h䎕˅䇋⍖Ϟ㉬㒧ࠖ 䎯䎲䎦䎷䎬䎷䎨䎕䎗䎕ˈҹᅝ㺙ᡁⶽ 䎔䎑䎓䎱g䏐 䖯㸠ᅮDŽ˅䎃
䎗䎌䎃 ᤶৢˈ䇋䖯㸠⛺⚍䇗ᭈǃ䰙䰟খ᭄䕧ܹDŽ˄খ✻ 䎗䎐䎚 ᤶৢⱘݡ䇗ᭈϔ㾜˅䎃
䎃
䎃
䎃
䎃
䎃
䎃
䎃
䎃
䎃
䎃
䎃
䎃
䎗䎐䎕䎐䎔䎃 䎃 䎦䎦䎧 ᨘڣᴎ䬰༈䎃
䎲䎦䎦 䬰༈䎃
䎶䎰䎙䎓䎖䎓䎙䎓䎕䎷䎱䎋h䎕䎌䎃
䎦䎦䎧 ᨘڣᴎ䎃
䡾䎃䎶䎯䎙䎓䎗䎔䎕䎜䎕䎷䎱䎃
ᏺൿ⠛ݙ݁㾦㶎ᷧ䎃 䎰䎗䐙䎔䎕
䡿䎃䎶䎰䎙䎓䎕䎓䎖䎓䎕䎸䎽䎃
ݙ݁㾦㶎ᷧ䎃 䎰䎕䐙䎖䎃

㪩㪼㫍㩷㪈㪅㪇㩷
㓈ׂ䇗ᭈ㽕乚к
4-3
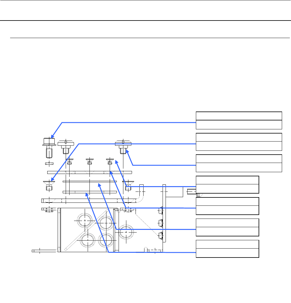
䎗䎐䎖ˊ 䎲䎦䎦ৠ䕈ˋ㾦ᑺ✻ᯢᵓ㒘ӊⱘᤶ䎃
䎔䎌䎃 ᣝ✻ 䎗䎐䋱䋮䎲䎦䎦 㺙㒘ӊᤶ㽕乚ˈҢ 䎫䏈䏄䏇 ᵓौϟ✻ᯢ㒘ӊDŽ䎃
䎕䎌䎃 ौϟ䡾༈ᇣ㶎䩝˄h䎕˅ˈᤶ 䎲䎦䎦 ৠ䕈✻ᯢᵓ㒘ӊDŽ䎃
䎖䎌䎃 ौϟ䡿ᏺൿ⠛݁㾦ᄨ㶎ᷧ˄h䎗˅ˈᤶ 䎲䎦䎦 㾦ᑺ✻ᯢᵓ㒘ӊDŽ䎃
䎗䎌䎃 ᅝ㺙ᯊˈ䇋ᣝ✻Ⳍডⱘ乎ᑣ䖯㸠DŽ䎃
䎘䎌䎃 ᤶৢˈ䇋䖯㸠✻ᯢⒸܝ఼ 䎸ǃ䎲䎦䎦 ♃ܝⱘ䇗ᭈDŽ˄খ✻ 䎗䎐䎚 ᤶৢⱘ䞡ᮄ䇗ᭈϔ㾜˅䎃
䎃
䎃
䎗䎐䎖䎐䎔
䎃䎃䎲
䎲䎦䎦 ৠ䕈䯻㾦ᑺ✻ᯢ⬉䏃⠜ⱘᤶ䎃
䡾䎃䎶䎯䎗䎓䎖䎓䎙䎜䎔䎶䎦䎃
༈ᇣ㶎䩝䎃 䎰䎖䐙䎙䎃
䎗䎓䎓䎗䎚䎘䎔䎕䎃
䎲䎦䎦䎃䎦䎃䎯䎬䎪䎫䎷⬉䏃⠜㒘ӊ䯴ৠ䕈䯵
䎗䎓䎓䎗䎚䎘䎓䎛䎃
䎲䎦䎦䎃䎤䎃䎯䎬䎪䎫䎷⬉䏃⠜㒘ӊ䯴㾦ᑺ䯵
䡿䎃䎶䎯䎙䎓䎖䎓䎛䎜䎕䎷䎱䎃
ᏺൿ⠛ݙ݁㾦㶎ᷧ䎃 䎰䎖䐙䎛䎃

㪩㪼㫍㩷㪈㪅㪇㩷
㓈ׂ䇗ᭈ㽕乚к
4-4
䡾䎃䎶䎯䎙䎓䎖䎓䎛䎜䎕䎷䎱䎃
ᏺൿ⠛ݙ݁㾦㶎ᷧ䎃 䎰䎖䐙䎛䎃
䡿䎃䎗䎓䎓䎔䎘䎛䎗䎚䎃
䎲䎦䎦 ⦃䎃
䢀䎃䎨䎔䎓䎖䎛䎛䎚䎔䎓䎓䎓䎃
Ꮉৄ䫕ᅮߌ䕂㶎䩝䎃
䢁䎃䎶䎰䎔䎓䎖䎓䎘䎓䎔䎶䎦䎃
ᑇ㶎ϱ䎃 䎰䎖䐙䎘䎃
䎗䎓䎓䎔䎖䎜䎗䎜䎃
✻ᯢⒸܝ䬰 䎸 ᬃᶊ䎃
䎗䎓䎓䎗䎖䎛䎜䎙䎃
Ⓒܝ䬰䎃
䎗䎓䎓䎔䎖䎜䎗䎛䎃
ᇐᵓ䎃
䎗䎐䎗ˊ Ⓒܝ䬰ⱘᤶ䎃
㪈˅㩷ᣝ✻ 䎲䎦䎦 㺙㒘ӊᤶ㽕乚ˈҢ 䎫䏈䏄䏇 ᵓौϟ✻ᯢ㒘ӊDŽ㩷
䎕˅䎃ौϟ䡾ᏺൿ⠛ݙ݁㾦㶎䩝˄h䎔˅ǃ䡿⦃˄h䎔˅ǃ䢀ᑇ༈㶎ϱ˄h䎕˅ˈݡौϟ✻ᯢⒸܝ䬰˱ᬃᶊǃ
Ⓒܝ䬰ǃᇐᵓDŽ䎃
䎖˅䎃ौϟ䢁ᑇ㶎ϱ˄h䎗˅ˈᤶⒸܝ䬰DŽ䎃
䎗˅䎃ᅝ㺙ᯊˈ䇋ᣝ✻Ⳍডⱘ乎ᑣᅝ㺙DŽ㩷
䎘˅䎃ᤶৢˈ䖯㸠أܝⒸܝ䬰ǃ䰛䰏䰏✻ᯢⱘ䇗ᭈDŽ˄খ✻ 䎗䎐䎚 ᤶৢⱘ䞡ᮄ䇗ᭈϔ㾜˅䎃
䎃
䎃
䎃
㩷
㩷
㩷
㩷
㩷
㩷
䎗䎐䎗䎐䎔
䎃䎃
Ⓒܝ䬰ⱘᤶ㩷
㩷
㩷
㩷