DECAN_F2_TRM部件名称.pdf - 第217页
Page +$1:+$ 213 DECAN F2 Front Feeder Board Interface (2/3) NO. P ART NO. P ART NAME Q'TY Old No. Supply Supply L T Reference 1 J9080857B FDR INPUT EXT CABLE AS SY , D-CART[SM_FD01 1 2 J9080854C LEFT FDR SE NOR INPU…

Page
+$1:+$
212
DECAN
F2
Front Feeder Board Interface (2/3)
1 2
4
5
6
3
5
FRONT FEEDER IF
BOARD
CN1
1
2
3
4
D0
D1
D2
D3
FD_CN11
CN21
INPUT EXT B/D
FD_EXT_CN1
HIF3B-34D-2.54R
31
32
33
34
+24VF
+24VF
24VG
24VG
HIF3B-34D-2.54R
1
2
3
4
31
32
33
34
1
2
3
4
31
32
33
34
1
2
3
4
31
32
33
34
FRONT FEEDER
D0
D1
D2
D3
+24VF
+24VF
24VG
24VG
CN2
1
2
FD_EXT_CN2
10
9
HIF3BB-60D-2.54R
11
12
20
19
21
22
30
29
31
32
40
39
41
42
50
49
51
52
60
59
1
2
10
9
11
12
20
19
21
22
30
29
31
32
40
39
41
42
50
49
51
52
60
59
IN1.0
IN1.1
IN3.2
IN3.3
IN2.0
IN2.1
IN2.2
IN2.3
IN3.4
IN3.5
IN5.6
IN5.7
IN4.4
IN4.5
IN4.6
IN4.7
IN6.0
IN6.1
IN7.0
IN7.1
IN7.2
IN7.3
IN8.2
IN8.3
3
4
12
11
3
4
12
11
3
4
12
11
3
4
12
11
3
4
12
11
3
4
12
11
51021-1200
JJ1
B/D (LONG BOARD)
FEEDER BASE LEFT
3
4
12
11
3
4
12
11
3
4
12
11
3
4
12
11
3
4
12
11
3
4
12
11
JJ2
JJ4
JJ5
JJ3
JJ6
CN3
1
2
FD_EXT_CN3
10
9
HIF3BB-60D-2.54R
11
12
20
19
21
22
30
29
31
32
40
39
41
42
50
49
51
52
60
59
1
2
10
9
11
12
20
19
21
22
30
29
31
32
40
39
41
42
50
49
51
52
60
59
IN8.4
IN8.5
IN10.6
IN10.7
IN9.4
IN9.5
IN9.6
IN9.7
IN11.0
IN11.1
IN13.2
IN13.3
IN12.0
IN12.1
IN12.2
IN12.3
IN13.4
IN13.5
IN14.4
IN14.5
IN14.6
IN14.7
IN15.6
IN15.7
3
4
12
11
3
4
12
11
3
4
12
11
3
4
12
11
3
4
12
11
3
4
12
11
51021-1200
JJ7
B/D (LONG BOARD)
FEEDER BASE RIGHT
3
4
12
11
3
4
12
11
3
4
12
11
3
4
12
11
3
4
12
11
3
4
12
11
JJ8
JJ10
JJ11
JJ9
JJ12
BD_PW
F24V
24G
D24V
24G
1
2
3
4
BD_PW
DF1B-4ES-2.5RC
CAN_CH
CAN+
CAN-
1
2
3
CAN_CH
DF1B-3ES-2.5RC
1
2
3
DFIB-3EP-2.5RC
SM511_IT004
AM03-010871A
CH1_SHIELD
CH1_CAN-
CH1_CAN+
PC IT MASTER B/D
BD_PW
F24V
24G
D24V
24G
1
2
3
4
BD_PW
DF1B-4ES-2.5RC
CAN_CH
CAN+
CAN-
1
2
3
CAN_CH
DF1B-3ES-2.5RC
1
2
3
DFIB-3EP-2.5RC
SM511_IT004
AM03-010871A
CH2_SHIELD
CH2_CAN-
CH2_CAN+
PC IT MASTER B/D
SM_FD017
J9080857B
SM_FD014
J9080854C
SM_FD015
J9080855B
SM_FD022
AM03-000764A
SM_FD023
AM03-000765A

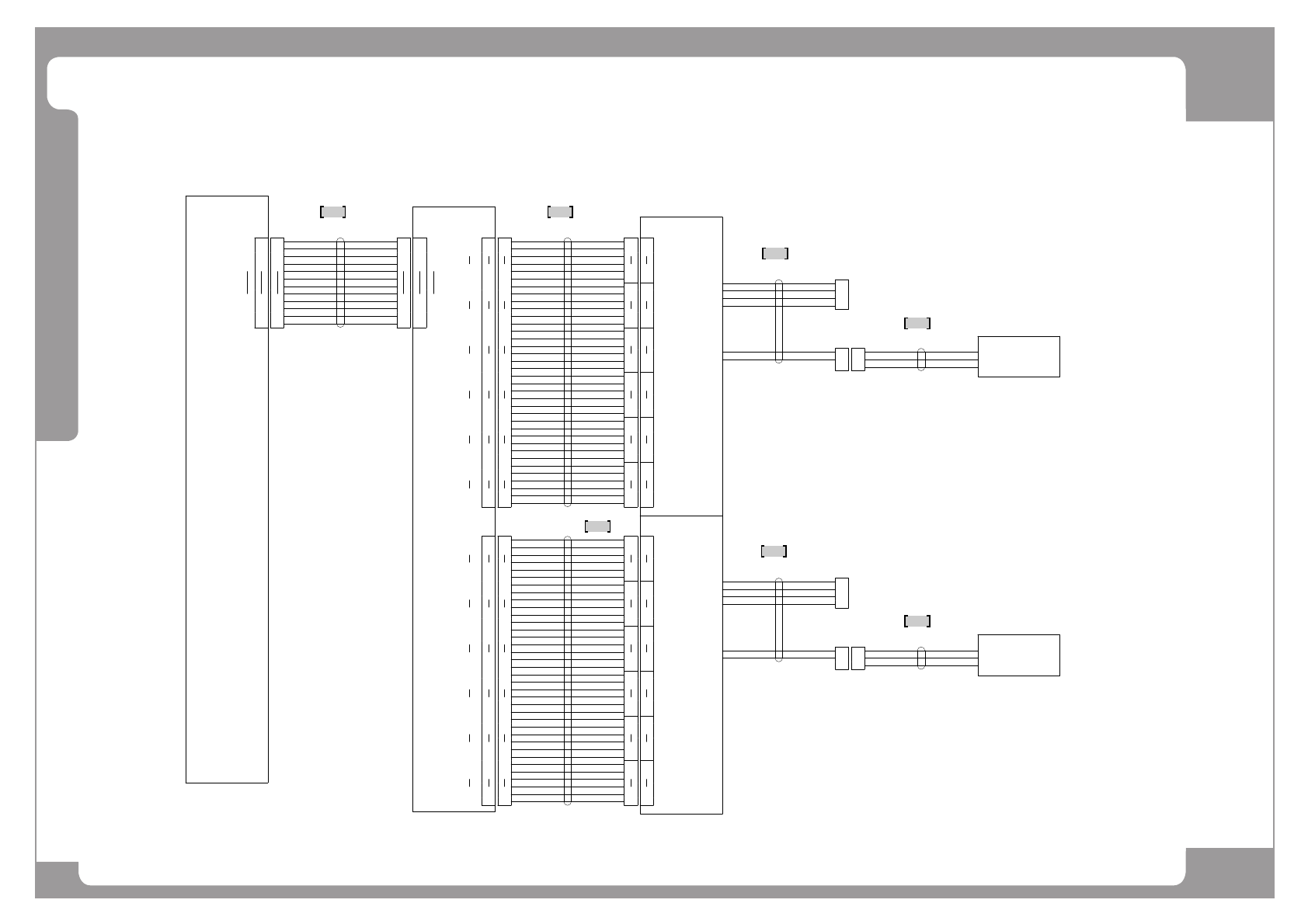
Page
+$1:+$
213
DECAN
F2
Front Feeder Board Interface (2/3)
NO. PART NO. PART NAME Q'TY Old No. Supply Supply LT Reference
1 J9080857B FDR INPUT EXT CABLE ASSY, D-CART[SM_FD01 1
2 J9080854C LEFT FDR SENOR INPUT CABLE ASSY, D-CART[ 1
3 J9080855B RIGHT FDR SENOR INPUT CABLE ASSY, D-CART 1
4 AM03-000764A CABLE ASSY-SM-FD022 1
5 AM03-010871A CABLE ASSY-DEVICE_NET 2
6 AM03-000765A CABLE ASSY-SM-FD023 1

Page
+$1:+$
214
DECAN
F2
Front Feeder Board Interface (3/3)
CN5
SM_FD012
1
3
5
7
/OUT1.0
/OUT1.1
/OUT1.2
/OUT1.3
J9080852D
FD_CN5
JK1
B/D (LONG BOARD)
JK1
17
19
21
23
/OUT2.0
/OUT2.1
/OUT2.2
/OUT2.3
2
3
4
5
FEEDER BASE LEFT
SOL1
15
13
11
9
25
27
29
33
35
37
39
41
43
45
47
55
53
51
49
1
2
HIF3BB-60D-2.54R
/OUT1.4
/OUT1.5
/OUT1.6
/OUT1.7
/OUT2.4
/OUT2.5
/OUT2.6
/OUT3.4
/OUT3.5
/OUT3.6
/OUT3.7
/OUT3.0
/OUT3.1
/OUT3.2
/OUT3.3
/OUT4.0
/OUT4.1
/OUT4.2
/OUT4.3
24VPF
24VPF
CN7
FD_CN7
6
2
3
4
5
6
31/OUT2.7
1
3
5
7
17
19
21
23
15
13
11
9
25
27
29
33
35
37
39
41
43
45
47
55
53
51
49
31
SOL2
SOL3
SOL4
SOL5
JK2
2
3
4
5
SOL6
6
2
3
4
5
6
SOL7
SOL8
SOL9
SOL10
JK3
2
3
4
5
SOL11
6
2
3
4
5
6
SOL12
SOL13
SOL14
SOL15
JK4
2
3
4
5
SOL16
6
2
3
4
5
6
SOL17
SOL18
SOL19
SOL20
JK5
2
3
4
5
SOL21
6
2
3
4
5
6
SOL22
SOL23
SOL24
SOL25
JK6
2
3
4
5
SOL26
6
2
3
4
5
6
SOL27
SOL28
SOL29
SOL30
FRONT FEEDER IF
BOARD
3
4
OUT8.0
OUT8.1
5
6
GND
GND
7
8
24VPF
24VPF
9
10
OUT8.2
OUT8.3
11
12
GND
GND
DF1B-12DS-2.5RC
1
2
3
4
5
6
7
8
9
10
11
12
1
2
3
4
5
6
7
8
9
10
11
12
DF1B-12DS-2.5RC
1
2
3
4
5
6
7
8
9
10
11
12
SM411N_FD001_DC
AM03-001739A
1
2
DF1B-2ES-2.5RC
1
2
1(A)
1(A)
CN13
3
4
2(A)
2(A)
5
6
1(B)
1(B)
7
8
2(B)
2(B)
DF1B-8DS-2.5RC
1
2
3
4
5
6
7
8
F-FD-CN13
SM511_FD013
AM03-011269A
RELAY-BK1-3
A1
B1
A2
B2
1
2
J25MF-04V-K
F-FD-CN13-EX
DF1B-2EP-2.5RC
A5
B5
A6
B6
DF1B-8DS-2.5RC
SM511_PW148
AM03-011273B
RY5-8
RY5-7
RY3-8
RY3-7
FRONT FEEDER IF
BOARD
CN6
SM_FD013
1
3
5
7
/OUT4.4
/OUT4.5
/OUT4.6
/OUT4.7
J9080853B
FD_CN6
JK7
B/D (LONG BOARD)
JK7
17
19
21
23
/OUT5.4
/OUT5.5
/OUT5.6
/OUT5.7
2
3
4
5
FEEDER BASE RIGHT
SOL31
15
13
11
9
25
27
29
33
35
37
39
41
43
45
47
55
53
51
49
3
4
DF1B-12DS-2.5RC
HIF3BB-60D-2.54R
/OUT5.0
/OUT5.1
/OUT5.2
/OUT5.3
/OUT6.0
/OUT6.1
/OUT6.2
/OUT7.0
/OUT7.1
/OUT7.2
/OUT7.3
/OUT6.4
/OUT6.5
/OUT6.6
/OUT6.7
/OUT7.4
/OUT7.5
/OUT7.6
/OUT7.7
/OUT8.0
/OUT8.1
CN8
FD_CN8
6
2
3
4
5
6
31/OUT6.3
3
4
1
3
5
7
17
19
21
23
15
13
11
9
25
27
29
33
35
37
39
41
43
45
47
55
53
51
49
31
SOL32
SOL33
SOL34
SOL35
JK8
2
3
4
5
SOL36
6
2
3
4
5
6
SOL34
SOL38
SOL39
SOL40
JK9
2
3
4
5
SOL41
6
2
3
4
5
6
SOL42
SOL43
SOL44
SOL45
JK10
2
3
4
5
SOL46
6
2
3
4
5
6
SOL47
SOL48
SOL48
SOL50
JK11
2
3
4
5
SOL51
6
2
3
4
5
6
SOL52
SOL53
SOL54
SOL55
JK12
2
3
4
5
SOL56
6
2
3
4
5
6
SOL57
SOL58
SOL59
SOL60
1
2
3
4
5