DECAN_F2_TRM部件名称.pdf - 第336页
Page +$1:+$ 332 DECAN F2 Motor IF Board (1/18) 1 2 3 4 5 6 AXIO BD #2 BOARD CN1 CN2 SAFTY CONTROL CN28 AM03-010949A BOARD PCIE ADAPTER #2 PC RACK 1 2 3 4 1 2 3 4 +24V +24V 24G 24G 1 2 3 4 1 2 3 4 +24V +24V 24G 24G SM51 1…

Page
+$1:+$
331
DECAN
F2
Safety Control Board (8/8)
NO. PART NO. PART NAME Q'TY Old No. Supply Supply LT Reference
1 AM03-010919C CABLE ASSY-LEFT_REAR_FAN_PW 1
2 AM03-006409A CABLE ASSY-CABLE ASSY-LR_ZR_DRV_FAN 1
3 AM03-010920B CABLE ASSY-RIGHT_FRONT_FAN_PW 1

Page
+$1:+$
332
DECAN
F2
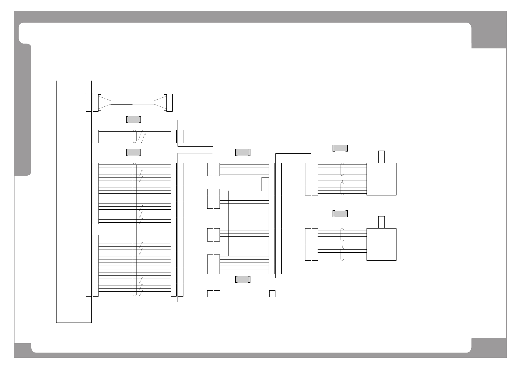
Motor IF Board (1/18)
1
2 3
4
5
6
AXIO BD #2
BOARD
CN1
CN2
SAFTY CONTROL
CN28
AM03-010949A
BOARD
PCIE ADAPTER #2
PC RACK
1
2
3
4
1
2
3
4
+24V
+24V
24G
24G
1
2
3
4
1
2
3
4
+24V
+24V
24G
24G
SM511_SC007-2
5557-04R 5557-04R
UL2464 2P 22AWG
AXIO#2-CN2 SC-CN28
CN11
Front Z12
CN10
SM471_VM009-1
DRIVER
27
17
1
3
+COM
/SON
CW
/CW
AM03-005564A
AXIO-CN11 Z12-CN10
7
9
19
21
CCW
/CCW
CLR
GAIN
23
22
24
29
/ALMRST
/ALM
INP
-COM
6
2
4
8
GND
EA
/EA
EB
10
14
16
/EB
EZ
/EZ
27
17
1
3
7
9
19
21
23
22
24
29
6
2
4
8
10
14
16
CN12
27
17
1
3
+COM
/SON
CW
/CW
AXIO-CN12
7
9
19
21
CCW
/CCW
CLR
GAIN
23
22
24
29
/ALMRST
/ALM
INP
-COM
6
2
4
8
GND
EA
/EA
EB
10
14
16
/EB
EZ
/EZ
27
17
1
3
7
9
19
21
23
22
24
29
6
2
4
8
10
14
16
501189-3010
501189-3010
1
13
3
4
5
6
14
15
16
17
18
20
2
7
8
9
10
11
12
21
33
23
24
25
26
34
35
36
37
38
40
22
27
28
29
30
31
32
UL20276 10P*28AWG
1
13
3
4
5
6
14
15
16
17
18
20
2
7
8
9
10
11
12
21
33
23
24
25
26
34
35
36
37
38
40
22
27
28
29
30
31
32
501189-4010
+24V
SON1-C#
POUT1+
POOUT-
PDIR1+
PDIR1-
CLR1-C#
GAIN1-C#
ALM_RS1-C#
ALM1-C#
INP1-C#
24GND
GND
EA1+
EA1-
EB1+
EB1-
EZ1+
EZ1-
+24V
SON2-C#
POUT2+
POOUT-
PDIR2+
PDIR2-
CLR2-C#
GAIN2-C#
ALM_RS2-C#
ALM2-C#
INP2-C#
24GND
GND
EA2+
EA2-
EB2+
EB2-
EZ2+
EZ2-
A1
A2
A4
A5
MOT-CN11
CN11
MOTOR I/F BD #1
U(Z1)
V(Z1)
W(Z1)
E(Z1)
1
2
3
4
6
2
3
4
5
1
6
2
3
4
5
1
FG
SD
/SD
+5V
GND
1
2
3
4
Z1-PW
Z1-EN
43645-0400
43025-0600
A9
A10
A7
A8
B1
B2
B4
B5
1
2
3
4
6
2
3
4
5
1
6
2
3
4
5
1
FG
SD
/SD
+5V
GND
1
2
3
4
Z2-PW
Z2-EN
43645-0400
43025-0600
B6
B9
B10
B7
B8
A1
A2
A4
A5
A9
A10
A7
A8
B1
B2
B4
B5
B6
B9
B10
B7
B8
SD(Z1)
/SD(Z1)
+5V(Z1)
5G(Z1)
1-1827864-0 (X)
A6 FGA6
U(Z2)
V(Z2)
W(Z2)
E(Z2)
SD(Z2)
/SD(Z2)
+5V(Z2)
5G(Z2)
FG
SM511_FL001(6.7)
AM03-010515A
EN
PW
EN
PW
U
V
W
E
U
V
W
E
A1
A2
B1
B2
MOT-CN1
SM511_MD019
AM03-010892A
CN1
U
V
W
PE
B3
A3
A4
B4
A5
B5
FG
5V
GND
SD
SD#
A1
A2
B1
B2
B3
A3
A4
B4
A5
B5
HEAD #1
Z1
MOTOR
RED
WHITE
BLACK
BLACK
SHIELD
WHITE
BLACK
SKY BLUE
VIOLET
Z1
1-1827864-5 (X) MNMA2ACB2A
A1
A2
B1
B2
MOT-CN6
SM511_MD020
AM03-010893A
CN6
U
V
W
PE
B3
A3
A4
B4
A5
B5
FG
5V
GND
SD
SD#
A1
A2
B1
B2
B3
A3
A4
B4
A5
B5
HEAD #1
Z2
MOTOR
RED
WHITE
BLACK
BLACK
SHIELD
WHITE
BLACK
SKY BLUE
VIOLET
Z2
1-1827864-5 (X) MNMA2ACB2A
1
2
1
2
1
2
SM511_PW031
AM03-010924A
+24V
24G
Z34 DRVIER

Page
+$1:+$
333
DECAN
F2
Motor IF Board (1/18)
NO. PART NO. PART NAME Q'TY Old No. Supply Supply LT Reference
1 AM03-010949A CABLE ASSY-AXIO_BD_2_PWR 1
2 AM03-005564A CABLE ASSY-Z12_DRV_COMMAND 1
3 AM03-013438A CABLE ASSY-SM511 FLAT 1 1 AM03-010515C/ AM03-010515D
4 AM03-010892A CABLE ASSY-Z1_MOTOR 1
5 AM03-010893A CABLE ASSY-Z2_MOTOR 1
6 AM03-010924A CABLE ASSY-Z_DRIVER_PW_JUMPER 1