DECAN_F2_TRM部件名称.pdf - 第257页
Page +$1:+$ 253 DECAN F2 Conveyor IF Board (9/10) NO. P ART NO. P ART NAME Q'TY Old No. Supply Supply L T Reference 1 AM03-01 1608B CABLE A SSY -F_D OCKING_CART_SNS 1 A M03-01 1608A 2 AM03-01 1610A CABLE A SSY -FRON…

Page
+$1:+$
252
DECAN
F2
Conveyor IF Board (9/10)
CONVEYOR I/F BD
OPTION- DOCKING CART
CN23
SM511_CV019
1
2
3
AM03-011608A
+
L
FDOCK1
4
CV-CN23
5
6
DF1B-6DS-2.5RC
1
2
3
4
5
6
GND
FDOCK1
OUT
-
EE-1001
+24V
+24V
FRONT DOCKING CART SENSOR1(전면에서 왼쪽)
+
L
FDOCK2
OUT
-
EE-1001
FRONT DOCKINF CART SENSOR2(전면에서 오른쪽)
FDOCK2
GND
CN10
SM511_CV028
1
2
3
AM03-011610A
1
2
F/D_SOL1
4
CV-CN10
5
6
DF1B-6DS-2.5RC
1
2
3
4
5
6
GND
F/D_CART SOL1
172233-1
+24V
F/D_CART SOL2
1
2
F/D_SOL2
172233-1
1
2
1
2
1
2
K180-4E1-21-DC24V
SM511_CV028
AM03-011610A
172165-1
172165-1
F DOCKING SOL1
1
2
K180-4E1-21-DC24V
F DOCKING SOL2
CN24
SM511_CV020
1
2
3
AM03-011609A
+
L
RDOCK1
4
CV-CN24
5
6
DF1B-6DS-2.5RC
1
2
3
4
5
6
GND
RDOCK1
OUT
-
EE-1001
+24V
+24V
REAR DOCKING CART SENSOR1(전면에서 왼쪽)
+
L
RDOCK2
OUT
-
EE-1001
REAR DOCKINF CART SENSOR2(전면에서 오른쪽)
RDOCK2
GND
CN11
SM511_CV029
1
2
3
AM03-011611A
1
2
R/D_SOL1
4
CV-CN11
5
6
DF1B-6DS-2.5RC
1
2
3
4
5
6
GND
R/D_CART SOL1
172233-1
+24V
R/D_CART SOL2
1
2
R/D_SOL2
172233-1
1
2
1
2
1
2
K180-4E1-21-DC24V
SM511_CV029
AM03-011611A
172165-1
172165-1
R DOCKING SOL1
1
2
K180-4E1-21-DC24V
R DOCKING SOL2
1
2 2
3
4 4

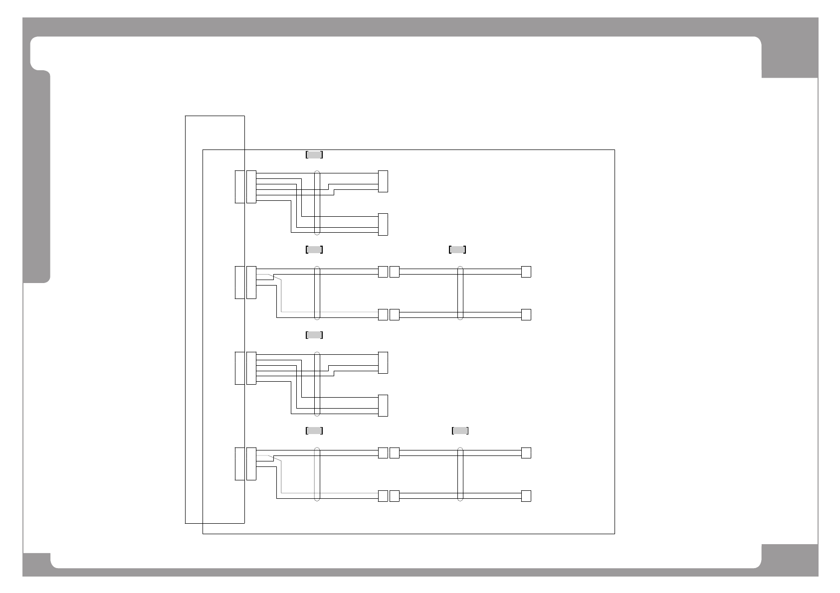
Page
+$1:+$
253
DECAN
F2
Conveyor IF Board (9/10)
NO. PART NO. PART NAME Q'TY Old No. Supply Supply LT Reference
1 AM03-011608B CABLE ASSY-F_DOCKING_CART_SNS 1 AM03-011608A
2 AM03-011610A CABLE ASSY-FRONT_D-CART_SOL 1
3 AM03-011609B CABLE ASSY-R_DOCKING_CART_SNS 1 AM03-011609A
4 AM03-011611B CABLE ASSY-REAR_D-CART_SOL 1 AM03-011611A

Page
+$1:+$
254
DECAN
F2
Conveyor IF Board (10/10)
CONVEYOR I/F BD
OPTION- DOCKING CART
CN3
1
2
3
4
5
6
1
2
3
4
5
6
12V GND
/IO_RESET
CAN_L
CAN_H
+24G
+12V
SM511_FD010_DC
1
2
3
AM03-011612A
1
2
F-DCART
4
FFD-EN2
5
6
3
4
5
6
7
8
9
10
11
12
13
14
15
16
17
18
18
20
21
22
23
24
1
2
3
4
FFD-EN3
5
6
1
2
3
CAN-CH1
1
2
3
CAN-CH2
1
2
3
F-24V-EX
4
1
2
3
FFD-PWR
4
CAN_H
CAN_L
/IO_RESET
24G
12VG
+12V
CAN+_CH1
CAN-_CH1
CAN+_CH2
CAN-_CH2
SHIELD
F24V
F24G
D24V
D24G
F24V
F24G
D24V
D24G
+24V
24G
F-DOCK-SIG
N.C
N.C
FRONT DOCKING CART
5557-24R
J8L
J3R
SM511_CA101-2SM511_CA201SM511_CA101-1
AXIO #2 BD CN3
J9L
J4R
SM511_CA102-1SM511_CA202
SM511_CA102
SM511_FD101-1
SACO BD CN21
PC RACK
IT MASTER BD
A1
B1
A2
B2
A3
B3
A1
B1
A2
B2
A3
B3
CH1
4
2
3
4
2
3
CAN-
CAN+
SHIELD
1
2
3
1
2
3
SM511_IT004
CV-CN3
CAN_CH1_L
CH2
4
2
3
4
2
3
CAN-
CAN+
SHIELD
CAN_CH2_R
1