XP243 机械图.pdf - 第76页
PNEUMATIC CIRCUIT DIAGRAM(PI) エアー配管図(PI) AGFPI9300 No. Drg.No. & Code No. QTY Description Rating Materials Remarks 番号 図番 & コード番号 個数 品名 規格 材質 備考 1 H1331A − VALVE バルブ VQ1101-5 DC24V OT 2 H1332A − VALVE バルブ VQ1201-…

75

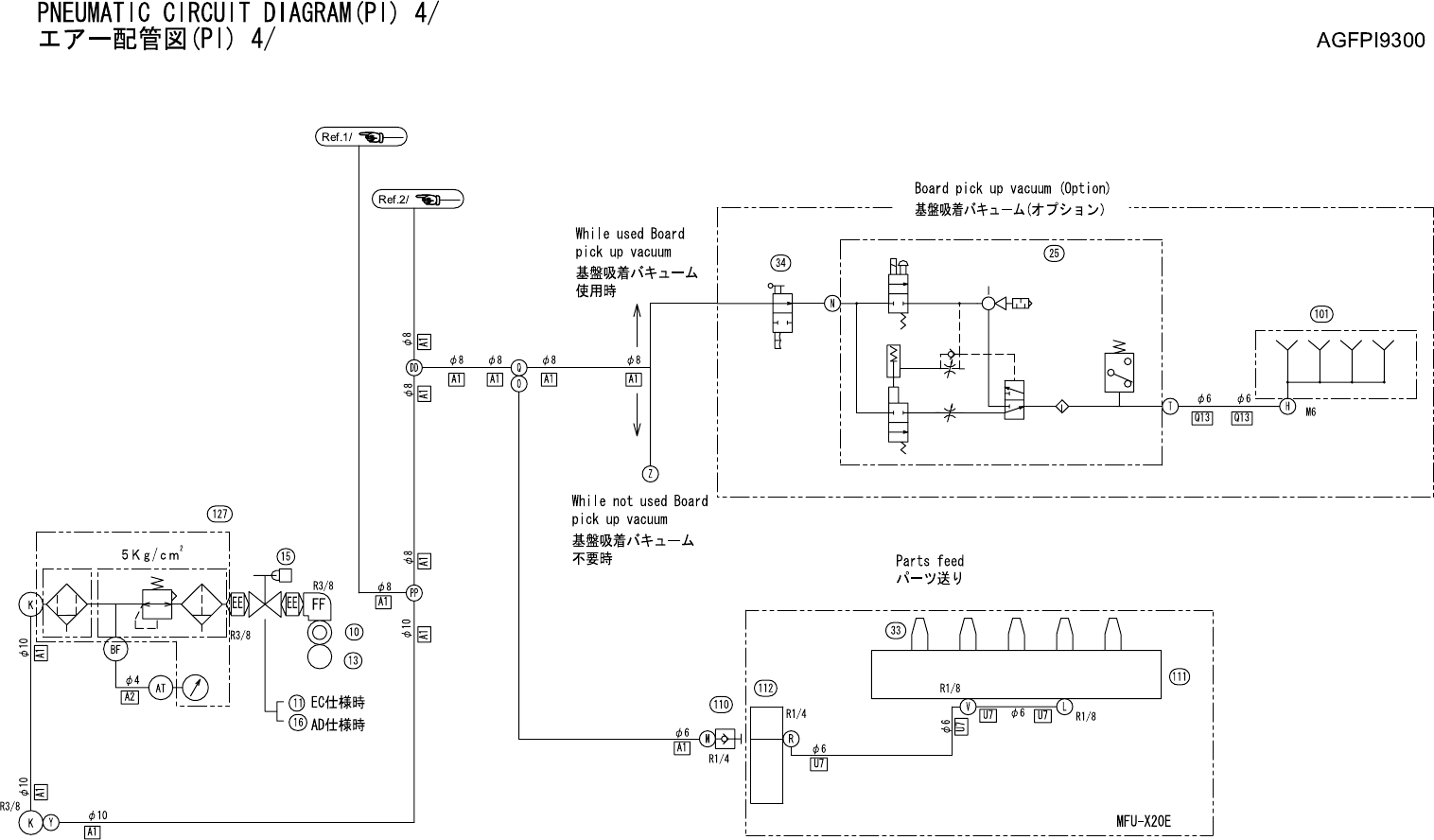
PNEUMATIC CIRCUIT DIAGRAM(PI)
エアー配管図(PI) AGFPI9300
No. Drg.No. & Code No. QTY Description Rating Materials Remarks
番号 図番 & コード番号 個数 品名 規格 材質 備考
1 H1331A − VALVE バルブ VQ1101-5 DC24V OT
2 H1332A − VALVE バルブ VQ1201-5 DC24V OT
5 H3051E − COVER, BLIND 蓋 盲 VVQ1000-10A-1 OT
6 DNPI3011 − VALVE UNIT バルブユニット OT MFU
6 DNPI3031 − VALVE UNIT バルブユニット OT FIXED
10 K1086T − COUPLER カプラ 30PM OT
11 H1059T − VALVE, BALL バルブ ボール RP-LL-3/8 ロックハンドルツキ OT
13 S5023H − SOCKET ソケット 30SH OT
15 K2027R − KEY キー C1000-50 OT
16 H1046A − VALVE, STOP バルブ ストップ A3/8X100 OT
20 H1063G − VALVE, MECHANICAL バルブ メカニカル VM121-01-01 OT
21 H1050K − VALVE, CHECK バルブ チェック C250-01-32W OT
24 H1009H − GENERATOR, VACUUM 発生器 真空 VP-05HS OT
25 A4001B − EJECTOR エジェクタ VDBL10R6-08SA-D-1.0 OT
28 S1053B − SILENCER サイレンサ KM-J6 OT
29 H1039A − VALVE, THROTTLING バルブ 絞り JNC4-M5 OT
30 H1040A − VALVE, THROTTLING バルブ 絞り JNS4-M5 OT
33 S5019A − SOCKET ソケット MC05SM OT
34 H1037T − VALVE, MANUAL バルブ 手動 HV8-8-2 OT
35 H1007E − GENERATOR, VACUUM 発生器 真空 VKBH12W-0608SR01E-B-NW-FMS OT
36 H1007F − GENERATOR, VACUUM 発生器 真空 VKBH12R-0608SR01G-B-NW-FMS OT
38 S4033K − SENSOR, PRESSURE センサ 圧力 ZSE-30-01-25-ML OT
39 H11243 − VALVE, SOL バルブ SOL VQZ332R-5L-C8 OT
40 DEQC0760 − CYLINDER, AIR シリンダ エアー OT
41 S2125T − CYLINDER, AIR シリンダ エアー CQ2D32-40DCM ナットツキ OT
42 S2126L − CYLINDER, AIR シリンダ エアー CXSM10-K6869-35 OT
44 S20978 − CYLINDER, AIR シリンダ エアー CDLQB80-30D-B-F9NL OT
50 K5337G − CONTROLLER, SPEED コントローラ スピード AS1201F-M5-04 (シロ) OT
52 K5340Y − CONTROLLER, SPEED コントローラ スピード AS2001F-06(シロ) OT
54 K53495 − CONTROLLER, SPEED コントローラ スピード AS3201F-03-06S OT
55 K5334H − CONTROLLER, SPEED コントローラ スピード JSM4-M5A OT
60 H13384 − VALVE, SOL バルブ SOL SX5320-5MZ-C6-F2-X21 OT
61 S1056E − SILENCER サイレンサ AN103-01 OT
62 K5342D − CONTROLLER, SPEED コントローラ スピード AS2201F-01-06S(シロ) OT
63 S21975 − CYLINDER, AIR シリンダ エアー FCD-KL-50-150-MOV3-D-FL324 OT
71 K5335A − CONTROLLER, SPEED コントローラ スピード JSU4 OT
73 S2101W − CYLINDER, AIR シリンダ エアー CDQSB25-5TM-M9NVL OT
101 DBPP011* − PLATE プレート OT
76

PNEUMATIC CIRCUIT DIAGRAM(PI)
エアー配管図(PI) AGFPI9300
No. Drg.No. & Code No. QTY Description Rating Materials Remarks
番号 図番 & コード番号 個数 品名 規格 材質 備考
104 DEAJ305* − BOX, VACUUM BOX バキューム OT
107 ADEPH830* − SHAFT, SPLINE シャフト スプライン OT
108 DEPH306* − BKT BKT AL
109 . − NOZZLE ノズル OT
110 DNPQ3120 − VALVE, CHECK バルブ チェック OT
111 DEUF311* − MANIFOLD マニホールド AL
112 DEUF303* − BKT BKT FE
113 K41393 − FIEXIBLE TRACK ケーブルベア 3400.075.075-11-3075-12.12 OT
114 DNSY3731 − FIEXIBLE TRACK ケーブルベア OT
115 DNSX306* − BKT, TERMINAL BKT ターミナル AL
116 DNSY318* − MANIFOLD, AIR マニホールド エアー AL
119 GFPN301* − NOZZLE ノズル OT
127 H3032L − FILTER REGULATOR フィルタレギュレータ AC40D-03D-R-X465A OT
129 H11242 − VALVE, SOL バルブ SOL VQZ312-5L-02 OT
130 S1059T − SILENCER サイレンサ AN203-02 OT
A Y30682 − UNION ユニオン KQ2R04-06 OT
B Y3069T − UNION ユニオン KQ2T04-00 OT
C Y30203 − UNION ユニオン UT6M OT
D Y3070A − UNION ユニオン KQ2T06-00 OT
G Y3020F − UNION ユニオン TL6-01M OT
H Y3079R − UNION, ELBOW ユニオン エルボ KQ2L06-M6 OT
K Y3081A − UNION, ELBOW ユニオン エルボ KQ2L10-03S OT
L Y3078A − UNION, ELBOW ユニオン エルボ KQ2L06-01S OT
M Y3079A − UNION, ELBOW ユニオン エルボ KQ2L06-02S OT
N A4066R − ELBOW エルボ KQ2L08-99 OT
O Y3069H − UNION ユニオン KQ2R06-08 OT
P Y31010 − UNION, ELBOW ユニオン エルボ KQ2K06-02S OT
Q K5586A − CONNECTOR コネクタ KQ2U08-00 OT
R Y30811 − UNION, ELBOW ユニオン エルボ KQ2W06-02S OT
T Y3079H − UNION, ELBOW ユニオン エルボ KQ2L06-99 OT
U Y3079T − UNION, ELBOW ユニオン エルボ KQ2L08-02S OT
V Y3071A − UNION ユニオン KQ2T06-01S OT
W Y3084A − UNION, HALF ユニオン ハーフ KQ2H06-02S OT
Y Y30666 − UNION ユニオン KQ2E10-03 OT
Z K2007Z − CAP キャップ KQ2C08-00 OT
AA Y3075A − UNION ユニオン KQ2U06-00 OT
BB Y3117A − UNION, HALF ユニオン ハーフ TS6-01M OT
DD Y3071H − UNION ユニオン KQ2T08-00 OT
77