JUKI2050&2060安装说明书.pdf - 第39页
Rev.1.00 安装要领书 表 13-1-3 打印机用插头的销配置 信号名 使用插头 1 STROBE 2 D0 3 D1 4 D2 D-SUB 5 D3 25 P FEMALE 6 D4 7 D5 8 D6 9 D7 10 ACK 11 BUSY 12 PE 13 SLCT 14 AUTFD 15 ERROR 16 INIT 17 SLCT IN 18 GND 19 GND 20 GND 21 GND 22 GND 23 GND 2…

Rev.1.00
安装要领书
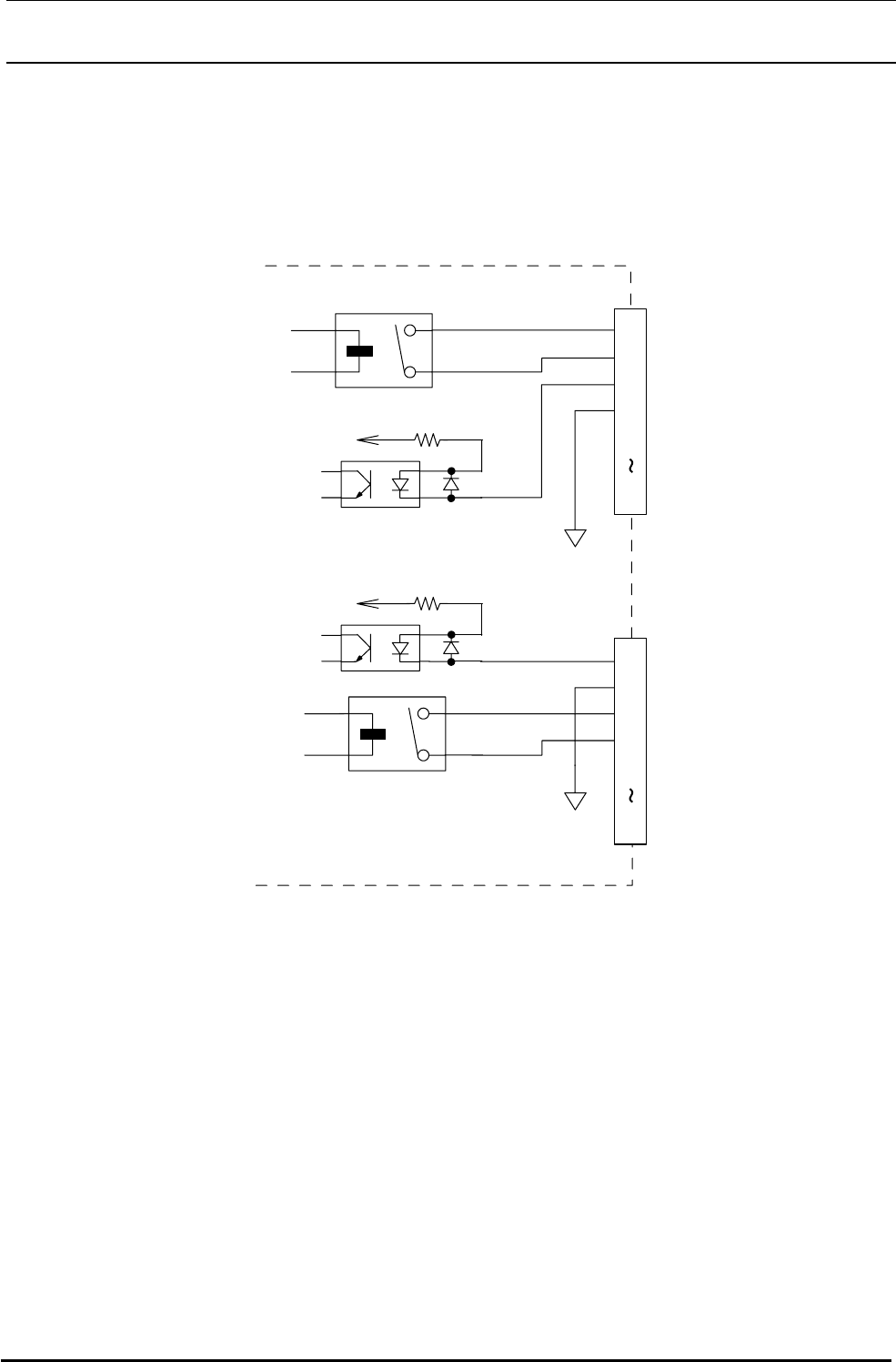
预输出(输入)信号和板有效信号的接口电路如图 13-1-4 所示。
以 SMEMA 规格为准。
GND(24V)
+
+24V
3.3K 1/4W
READY OUT +
BOAD AVAILABLE IN +
READY OUT -
BOAD AVAILABLE IN -
N.C.
1
2
3
4
5
14
READY IN +
BOAD AVAILABLE OUT +
READY IN -
BOAD AVAILABLE OUT -
N.C.
1
2
3
4
5
14
+24V
3.3K 1/4W
+
GND(24V)
图 13-1-4
32

Rev.1.00
安装要领书
表 13-1-3 打印机用插头的销配置
信号名 使用插头
1 STROBE
2 D0
3 D1
4 D2 D-SUB
5 D3 25 P FEMALE
6 D4
7 D5
8 D6
9 D7
10 ACK
11 BUSY
12 PE
13 SLCT
14 AUTFD
15 ERROR
16 INIT
17 SLCT IN
18 GND
19 GND
20 GND
21 GND
22 GND
23 GND
24 GND
25 GND
33

Rev.1.00
安装要领书
14. MTC/MTS 的连接
14-1. 接口操作盘
图 14-1-1 主机左侧面 图 14-1-2 主机右侧面
图 14-1-3 主机右后面
请把 MTC 电源插头和信号插头连接
到主机右侧面的接口操作盘上,把空
气软管连接到 MTC 用空气接头。
把 MTS 电源插头和信号插头连接到
主机右后面的接口操作盘上,把 MTS
用空气接头。
〈注意〉 电缆线和软管请使用 MTC 和
MTS 附属品。
34