SM481_PLUS_TRM(Ver1.2_CS17.02).pdf - 第113页
Page +$1:+$ 101 SM481 PLUS Electric Device Ass’y(4/4) NO. Lev . PA R T N O . P ART NAME Q' TY Old No. Supply Supp ly L T Reference 1 AM03-006356A CO NVEYOR_STEP_MOTOR_DRIVER_ASSY 1 2 EP06-00021 9 SER VO CONTROL-DRIV…

Page
+$1:+$
100
SM481
PLUS
Electric Device Ass’y(4/4)
1
5
7
8
6
2
4
3
9
10
AM03-018434A
ASSY,AIR-GAUGE-
PANEL_NEW

Page
+$1:+$
101
SM481
PLUS
Electric Device Ass’y(4/4)
NO. Lev. PART NO. PART NAME Q'TY Old No. Supply Supply LT Reference
1 AM03-006356A CONVEYOR_STEP_MOTOR_DRIVER_ASSY 1
2 EP06-000219 SERVO CONTROL-DRIVE-
STEP_MOTOR_DRIVER_4A
2 EP06-000219
3 J91741023A SM411_CONVEYOR_PWR_BOARD 1
4 J70521023B MIST_PANEL 1
5 AM03-014556A MIST_SEPARATOR_ASSY TAC4020-04D-R3643 1 J90581007B
9 HP04-900020 FILTER ELEMENT[AF40P-060S] 1
10 HP04-900031 FILTER_ELEMENT AFM40P-060AS 1
2 AM03-018434A ASSY,AIR-GAUGE-PANEL_NEW Integration options
(filter + regulator)
3 FC18-902838 SEMUS NABE SCREW
3 AM03-007638A CABLE ASSY-AIR INDICATOR
4 EP05-900741 CONNECTOR[DF1B-3ES-2.5RC]
4 EP21-900127 TERMINAL[DF1B-2428SCF]
4 HP09-000150 COMPONENTS,ELECTRIC-SPABT
3 HP06-900255 STRAIGHT FITTING KQ2H04-M5/SQL04-M5-W
3 AM03-018437A ASSY,AIR-GAUGE-PANEL_NEW_SUB
4 FC09-006405A BRACKET-BKT AIR F
4 HP09-001019 REGULATOR-ARP20-02BG-CJSZ1406;AIR,1.0MPA
4 TE07-900096 METER GZ46-K-01-C1
4 HP06-900043 JOINT KQ2F04-01
4 HP04-001016 FILTER,AIR-AC30-03D-CJSZ2045
4 FC18-902861 TRUSS SCREW
4 FC18-903481 FLAT WASHER [M6 (BL/ZN)]
4 FC18-902772 SOCKET HEAD CAP SCREW M6*12 (NI/ZN)

Page
+$1:+$
102
SM481
PLUS
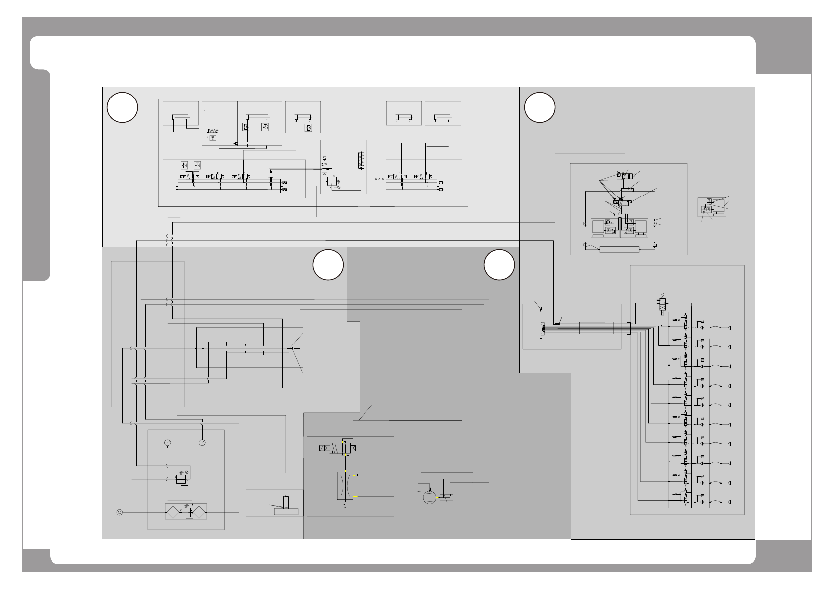
AIR Ass’y(1/5)
A D
B C
-
HEAD Air Module
LEFT CABLE DUCT ASSY
FRONT AIR PANEL ASS'Y
FRONT
FEEDER BASE ASS'Y (STANDARD)
REAR
도 STANDARD일
때, 동일
구조
Feeder Base
HP09-000007
KM11-08-12-10
VACUUM GENERATOR (AIR OPTION)
VACUUM PUMP (AIR OPTION)
MAIN MANIFOLD ASS'Y
VACUUM GENERATOR (AIR OPTION)
초기
진공
도달압
: -93.3 kPa 이하
교체
기준
: -87 kPa
VACUUM PUMP (OPTION)
Feeder Base (D
C)
4-HP06-900018
KQ2U06-00
REAR
DOCKING CART ASS'Y (OPTION)
FRONT도 DC OPTION 일 때
, 동일
구조
2-HP03-900011
AIR CYLINDER(SMC)
HP03-900011
AIR CYLINDER(SMC)
HP03-000096
CXSJM10-40-A93
HP03-900013
CM2C32-50-XC3BB
HP06-900047
SQL04-M5
2-HP06-900056
KQ2L04-01
CONVEYOR ASS'Y
HP06-900072
PY4M
3-HP06-900027
KQ2L04-M5
HP06-900010
M-5HLH-4
HP06-900263
M-5H-4
HP03-000118
AQ2A12-35D-XST44
HP06-900010
M-5HLH-4
HP06-900263
M-5H-4
HP03-000118
AQ2A12-35D-XST44
L1500 PCB CONVEYOR ASS'Y
1
3
2
(A)
4
(B)
2
3
(R)
1
(P)
1
3
2
(A)
4
(B)
2
3
(R)
1
(P)
1
3
2
(A)
4
(B)
2
3
(R)
1
(P)
1
3
2
(A)
4
(B)
2
3
(R)
1
(P)
1
3
2
(A)
4
(B)
2
3
(R)
1
(P)
1
3
2
(A)
4
(B)
2
3
(R)
1
(P)
1
3
2
(A)
4
(B)
2
3
(R)
1
(P)
1
3
2
(A)
4
(B)
2
3
(R)
1
(P)
1
3
2
(A)
4
(B)
2
3
(R)
1
(P)
1
3
2
(A)
4
(B)
2
3
(R)
1
(P)
SUPPLY BLOW
ğ4
(A)
4
(B)
2
3
(R)
1
(P)
BLOW
ğ4
0.1MPa
OVER BLOW
ğ4
0.5MPa
HP09-000127
KM1
1-04-08-10
Y CABLE DUCT ASSY
U2-4-12*8, BLACK
'a'
'b'
U2-4-10*6.5, BLACK
U2-4-4*2.5, BLACK
U2-4-12*8, BLACK
U2-4-6*4, BLACK
U2-4-6*4, YELLOW
U2-4-6*4, BLACK, 1000mm
U2-4-6*4, BLACK
U2-4-12*8, BACLK
U2-4-4*2.5, BALCK
U2-4-6*4, BALCK
U2-4-6*4, YELLOW
U2-4-6*4, BLACK
U2-4-8*5, BLACK
U2-4-6*4, YELLOW
U2-4-10*6.5, BALCK
VACUUM GENERATOR (OPTION) 㐐, ḩ㚉
ⵤ㉔䚔
ᶷ
U2-4-10*6.5, BACLK
U2-4-4*2.5, BLACK
U2-4-12*8, BLACK
U2-4-4*2.5, BLACK
U2-4-12*8, BLACK
U2-4-12*8, BLACK
U2-4-4*2.5, BLACK
U2-4-4*2.5, BLACK
U2-4-4*2.5, BLACK
U2-4-6*4, BLACK
U2-4-6*4, BLACK
U2-4-12*8, BLACK
U2-4-6*4, BLACK
U2-4-8*5, BLACK
U2-4-6*4, YELLOW
U2-4-6*4, BLACK
U2-4-12*8, BLACK
HP06-900043
FITTING
KQ2F04-01
TE07-900096
ANALOG GAUGE (VACUUM)
GZ46-K-01-C1
HP09-001019
REGULATOR
ARP20-02BG-CJSZ1406
HP04-001016
AIR FILTER
AC30-03D-CJSZ2045
U2-4-12*8
U2-4-12*8
HP09-000150
DIGITAL GAUGE
SPABT-P10-R18-2N-K1-SA
U2-4-4*2.5
HP06-900255
FITTING
KQ2H04-M5
U2-4-4*2.5
HP06-900050
SQU04-06-W
U2-4-4*2.5
2-HP06-900027
KQ2L04-M5
HP06-000226
FITTING KQ2R10-12
(ST OPTION
㢰
ᷱ㟤
KQ2P-10
㥐ᶤ䚌Ḕ
ⵤ㉔䚔 ᶷ)
FC14-900641
PLUG KQ2P-10
FC14-900644
PLUG KQ2P-08
FC14-900644
PLUG KQ2P-08
FC14-900644
PLUG KQ2P-08
FC14-900644
PLUG KQ2P-08
FC14-900644
PLUG KQ2P-08
HP06-900282
KQ2R06-08
HP06-900282
KQ2R06-08
HP06-900282
KQ2R06-08
HP06-900282
KQ2R06-08
HP
11-000075
P6010-AJ-01-LA52S
G
HP06-900204
SQL10-02S
ADAPTER M3/4"-F1/2"
ELBOW FITTING 12-04S
ELBOW FITTING 04-01S
'a'
'b'
HP11-001019
VACUUM PUMP
KHB200A-304A-G1
HP06-001070
FITTING
KQ2VD12-02AS
HP06-000234 / KQ2R08-12
HP06-900046 / KQ2R04-08
HP06-900104
FITTING
KQ2L06-02S
U2-4-6*4(YELLOW)
4-HP06-900027
KQ2L04-M5
U2-4-4*2.5
2-HP06-900300
KS-4
-M5-SA34698KR
U2-4-4*2.5
U2-4-4*2.5
5-HP06-900014
KQ2L06-01
U2-4-4*2.5
2-HP06-900299
KD-M5-SA34697KR
2-HP06-900047
KQ2L04-M5
HP14-900026
K180-4E1-21-DC24V
HP14-900026
K180-4E1-21-DC24V
HP14-900092
AKH06-00
2-HP09-900162
AN101-01
HP06-900018
KQ2U06-00
HP06-900050
SQU04-06-W
3-FC14-900724
PT 1/8
U2-4-6*4
MGPM63-35
-CJJP1685
ASP3
30F-01-06S
AS2201F-01-06S
KQ2L06-M5
2-PT18-EF
HP03-000083
CYLINDER CUJB12-5D
AM03-007232A (
기본
3연 SOL VALVE 모듈
)
ASSY
,AIR-SM482_SOL_VALVE_MODULE
U2-4-4*2.5(YELLOW)
HP03-900054
ACP1B16-20T-R6224
2-HP14-900087
AS1211F-M3-04
미터 인
HP06-900027
KQ2L04-M5
HP14-900083
AS1201F-M5
-04-X214
미터 아웃
3-HP06-000275
PLUG
DIN 908-G1/
8
3
5
U2-4-4*2.5(BLACK)
HP14-900088
AS1211F-M5-04
미터 인
HP06-000074
KQ2S04-M5N
HP09-000157
MANIFOLD
VABM-L1-10S-G18-4
2-HP09-000164
SILENCER
U-E-1/8-S
HP06-000279
FITTING QS-
E-1/8-8-C
1
4
2
4
2
2-HP06-000278
FITTING
QS-E-M5-4-I-C
2-HP06-000278
FITTING
QS-E-M5-4-I-C
4
2
2-HP14-000
431
SPEED CONTROLLER
GRLZ-M5-QS
-4-D
미터
인
HP15-000010
PLATE
VABB-L1-10-S
U2-4-4*2.5(YELLOW)
U2-4-4*2.5(BLACK)
U2-4-4*2.5(YELLOW)
U2-4-4*2.5(BLACK)
A
B
EP07-000858
SOLENOID VALVE
VUVG-S10-M52-RT-Q4(BM5)-1H2L
HP09-900109
REGULATOR
AR10-M5BG
HP03-900039
CQ2B6-CJJC2948
AM0
3-000330 (L1500 PCB 대응
6연 SOL)
ASSY,AIR-SOL_VALVE_481L
3
5
HP09-000157
MAN
IFOLD
VABM-L1-10S-G1
8-4
2-HP09-000164
SILENCER
U-E-1/8-S
HP06-000279
FITTING QS-E-1/8-8-C
1
4
2
4
2
2-HP06-000278
FITTING
QS-E-M5-4-I-
C
2-HP06-000278
FITTING
QS-E-M5-4-I-C
3-HP14-00039
7
SOLENOID VALV
E
VUVG-L10-M52-RT-
M5-1H2L
AM0
3-007338A
EDGE FIXER가 추가
된
4연
SOL VALVE 모듈
U2-4-4*2.5(BLACK)
U2-4-4*2.5(BLUE)
U2-4-4*2.5(BLACK)
U2-4-4*2.5(BLUE)
HP13-000037A
UML-412
BU1-YL1-BK10
3.7M
12
1
2-HP06-900089
KQ2H04-06
HEAD 10 HEAD 1HEAD 2HEAD 3HEAD 4HEAD 5HEAD 6HEAD 7HEAD 8HEAD 9
HP06-000457
QSY12-8
U2-4-8*5, BLACK
10-HP04-900036
FILTER VYF44-M-50M
10-HP06-000074
FITTING KQ2S04-M5N
10-HP06-900059
FITTING M-5ALU-4
HP09-000129
AIR MODULE (SOL)
VQD1151W-10-CJQZ0012
HP14-002040
SOLENOID VALVE
VQZ115R-5LO1-C1-PR
6-J1301070
CONNECT FITTING
QC4-4M
HP14-000978
SOLENOID VALVE
VUVG_L18_M52
3-DIN908-G
1/4
2-Q
SL-E-1/4-10
VUVG-L18-M52-RT-G14-1H2L
U2-4-6*4
STOPPER ASSY(WORK)
ANC ASSY
BUT ASSY
(NONE STAGE OPTION)
EDGE FIXER OPTION (SPECIAL)
EXIT STOPPER SOL2 EXIT STOPPER SOL1