YG100_KGS-cwd_je.pdf - 第31页
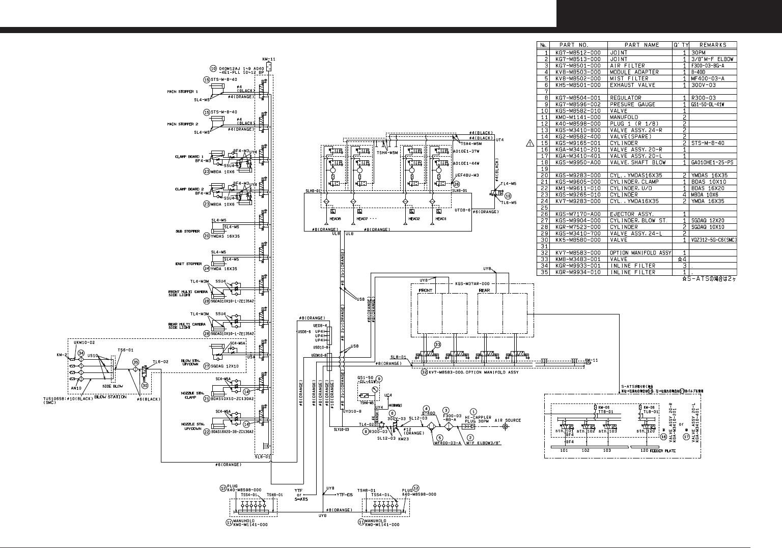
Condential & Proprietary H 9 3 3 1 Y G 1 0 0 P AGE 29 Air circuit (Y G100)

Condential & Proprietary
PAGE
28

Condential & Proprietary
H 9 3 3 1
YG100
PAGE
29
Air circuit (YG100)

Condential & Proprietary
H 9 3 3 1
YG100
PAGE
30
Air circuit (YG100) FES