YG100_KGS-cwd_je.pdf - 第7页
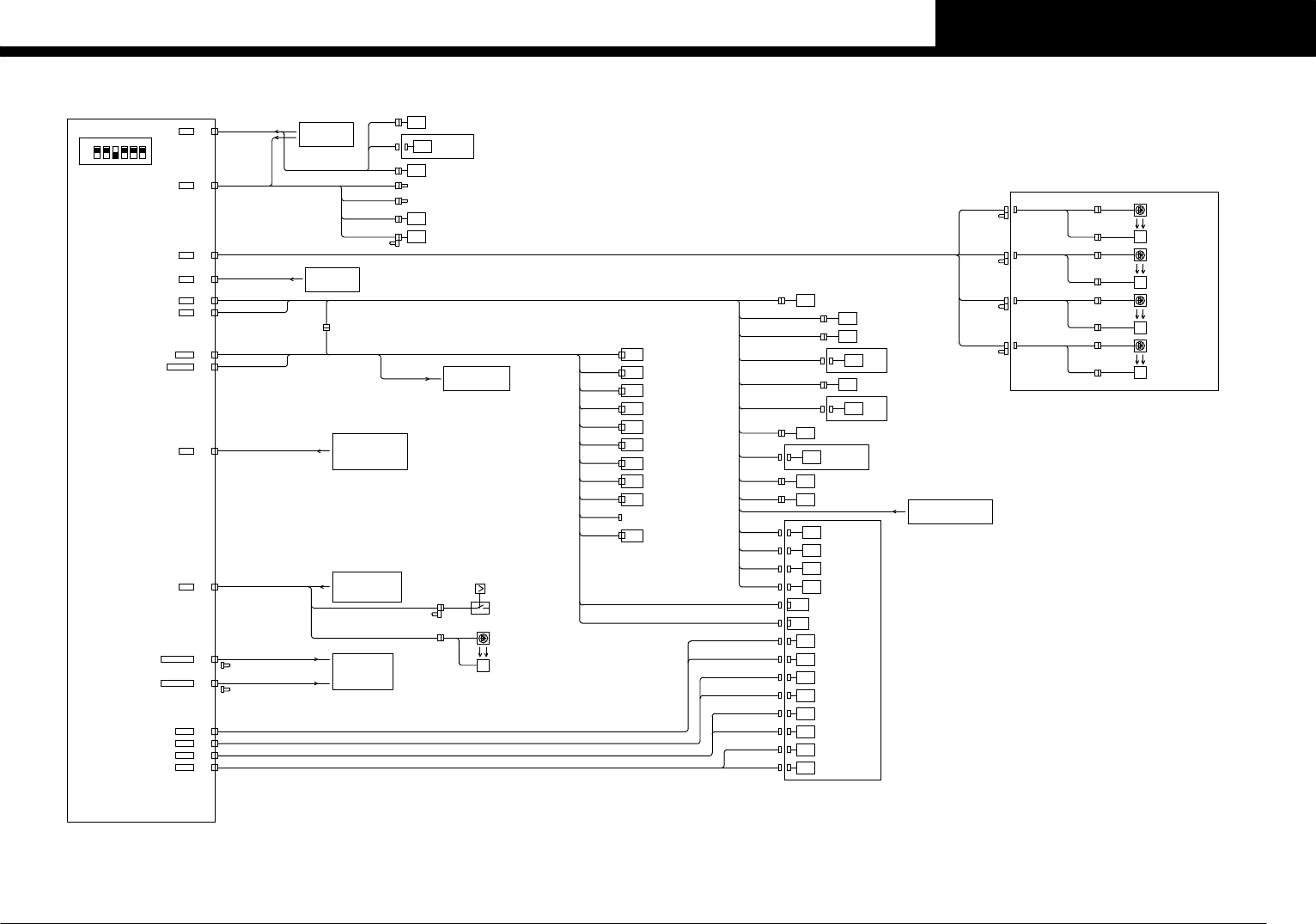
Confidential & Proprietary P AG E INTERC ONNECTION DIA GRAM FES BOAR D EMG FES20 & 24 SAF ETY CIRCUIT See Page 12 -17 d-YTF, S-ATS,W-AT S EMG See d-YT F,S-ATS,W-A TS GS31 POWER CIRC UIT POWER CIRC UIT INDICATO R …

Confidential & Proprietary
PAGE
J186
PU1ORG
CN28
PU1-AXIS ORG
N08C02
J193CN34
N08C34
AIR PRE.
P
SP11
SENSOR
AIR PRESSURE
CN34DI8
I/O CONVEYOR BOARD
3 5 6
ON
OFF
1 2
DIP SW(S1)
4
CN28DI0
KGT-M4580-0xx
CN36R.NONSTOP
CN35F.NONSTOP
P25
J799
J798
SQ2
BLOW ST./NZL DET.
N08C37
SQ83A
SQ83B
BLOW STATION
NOZZLE DETECT
Y1ORG,OT
See Page 6
See Page 9-11
FIX20 & FES20 & FES24
DUMP STATION
FEEDER STRUCTURE
J772CN36
J771CN35
See Page 12 - 17
SAFETY CIRCUIT
CLAMP SW DI
FES20 & FES24
J191
CN32
CN31
N08C50
ENT
SUB POS
N08C51/T08186(TUNING)
SET POS1
N08C52/T08186(TUNING)
TUNING
J222CN12
CN10
CN12DO24
CN10STOPPER
CN32DI6
CN31DI5
CONVEYOR
ENT.
SQ31
SUB
POS.
SQ32
SET
POS.1
SQ33
OPERATION PANEL SEL.
ACTIVE CHANGE
See Page 8
SET POS2
N08C53/T08186(TUNING)
WORK OUT1
N08C54/T08186(TUNING)
WORK
OUT1
SQ35
SET
POS.2
SQ34
W-PU(OPTION)
T080D7
SIDE BLOW
T080C1
BLOW ST.
T08185
T08184
T08183
T08182
T08181
T08180
MAIN ST1
MAIN ST2
CLAMP 1
CLAMP 2
SUB ST
EXIT ST
T08187
T080B6
T080B7
LDC1 UP
LDC2 UP
SPARE
YV6
YV5
YV4
YV3
YV2
YV1
EXIT STOPPER
SUB STOPPER
CLAMP BOARD 2
CLAMP BOARD 1
MAIN STOPPER 2
MAIN STOPPER 1
YV32
YV31
CAMERA 2 UP
CAMERA 1 UP
LIGHT DIGITAL
LIGHT DIGITAL
YV81
UP
BLOW STATION
YV82
SIDE BLOW
WORK OUT2
N08C55/T08186(TUNING)
MAIN ST1
N08C56
MAIN STOPPER 1
UPPER
SQ37
J194CN37
J195CN38
J196CN39
J197CN40
DI17 CN40
DI16 CN39
CN38DI13
CN37DI12
N08CC4-N08CC7
NOZZLE2
N08CC0-N08CC3
NOZZLE1
N08CD4-N08CD7
N08CD0-N08CD3
NOZZLE4
NOZZLE3
NOZZLE6
NOZZLE5
N08D04-N08D07
N08D00-N08D03
N08D14-N08D17
N08D10-N08D13
NOZZLE8
NOZZLE7
5-8
1-4
NOZZLE
NOZZLE
13-16
9-12
NOZZLE
NOZZLE
21-24
17-20
NOZZLE
NOZZLE
29-32
25-28
NOZZLE
NOZZLE
SQ71
SQ72
SQ73
SQ74
SQ75
SQ76
SQ77
SQ78
NOZZLE STATION(OPTION)
N08C63
ANC CLOSE
N08C62
ANC OPEN
N08C65
N08C64
ANC LOWER
ANC UPPER
NOZZLE STATION
NOZZLE STATION
OPEN
CLOSE
SQ61
SQ62
UPPER
LOWER
NOZZLE STATION
NOZZLE STATION
SQ63
SQ64
T080B4
ANC UP
T080B5
ANC OPEN
YV22
YV21
NOZZLE STATION
UP
NOZZLE STATION
RELEASE
MAIN ST2
N08C57
N08C61
EXIT
N08C60
SUB ST SUB STOPPER
UPPER
SQ39
CONVEYOR
EXIT
SQ40
See d-YTF INTERCONNECTION
d-YTF STATION LOWER SENSOR
DIAGRAM
WORK
OUT2
SQ36
MAIN STOPPER 2
UPPER
SQ38
W-PU(OPTION)
W-PU(OPTION)
I/O HEAD
PU2ORG
J189CN29
CN29DI2
N08C20
N08C21
N08C24
N08C25
F1 FLOAT
F2 FLOAT
R1 FLOAT
R2 FLOAT
J192CN33
CN33DI7 CAMRA UNIT SEL.
LDC UPPER/LOWER
See Page 7
W1ORG W1-AXIS ORG
N08C04
BLOW ST./LOWER
BLOW ST./UPPER
PP SENS2
PP SENS1
N08C17
N08C16
PUSH UP PIN SENSOR B
PUSH UP PIN SENSOR A
SQ4
N08CF6
BLOW STATION UPPER
SQ81
N08CF7
BLOW STATION LOWER
SQ82
J188CN42
CN42YOT
PU2-AXIS ORG
N08C03
SQ3
W-PU(OPTION)
FLOAT F+24V
SQ51B
FLOAT
FLOAT
F1 FEEDER
SQ51A
FLOAT F+24V
FLOAT
FLOAT
FLOAT F+24V
FLOAT
FLOAT
FLOAT F+24V
FLOAT
FLOAT
J200
J201
J202
J203
SQ52A
SQ52B
SQ53A
SQ53B
SQ54A
SQ54B
F2 FEEDER
R1 FEEDER
R2 FEEDER
FEEDER FLOAT SENSOR(OPTION)
CN30DI3
CN30 J786
SAFETY CIRCUIT
FES20 & FES24
CART DETECT DI(NONSTOP)
See Page 12 - 14
CC.V3
4
I/O CONVEYOR BOARD -2-
YG100

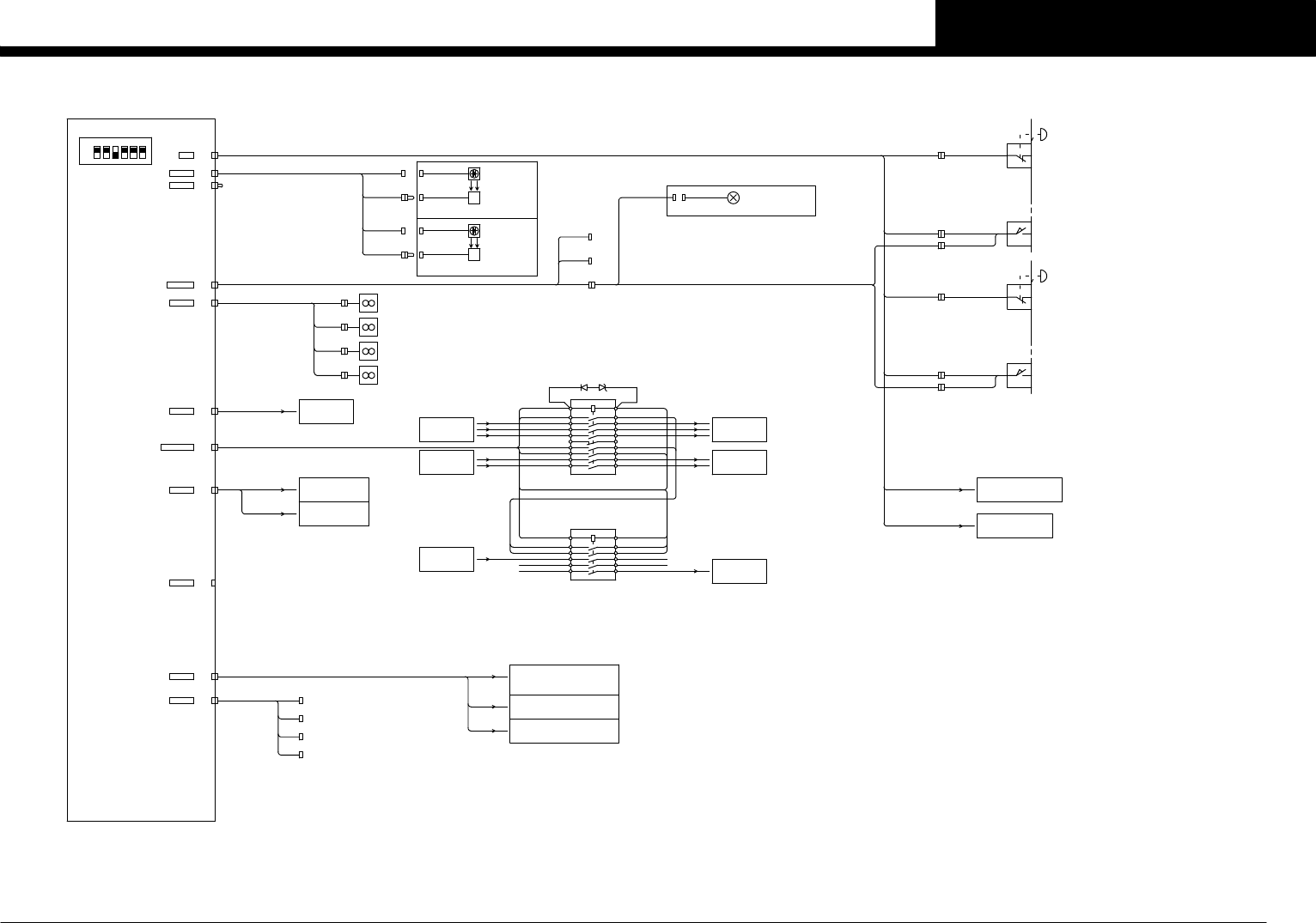
Confidential & Proprietary
PAGE
INTERCONNECTION DIAGRAM
FES BOARD EMG
FES20 & 24 SAFETY CIRCUIT
See Page 12-17
d-YTF,S-ATS,W-ATS EMG
See d-YTF,S-ATS,W-ATS
GS31
POWER CIRCUIT
POWER CIRCUIT
INDICATOR BOARD POWER
FEEDER INDICATOR
I/O HEAD
I/O HEAD POWER
See Page 6
See Page 22,23
J905
GS21
NF11
POWER CIRCUIT
+24V
W52
V52
U52
+24V
A1
13
+48V
+48VA
+48VB
331133 EMG20A
1063 +24V
1013 +24V
1053 EMG20
10A1 EMG21
11A1 EMG21
1113 +24VB
CN52 J164
CAMERA UNIT SEL.
See Page 7
LED DRIVER POWER
FRONT SIDE
REAR SIDE
EL21
Maintenance Fluorescent Light(OPTION)
REAR AREA SENSOR(OPTION)
FRONT AREA SENSOR(OPTION)
AREA SENSOR
REAR
SQ112A
SQ112B N08C15
R A+24V
R AREA
DC24VE CN45
J49CN45
LAMP
J852
I+24V
I+24V
C+24VCN48 J851
FAN4
FAN3
FAN1
FAN2
DC24VLM
DC24VH
CN48
CN49
J48
FAN4
FAN3
FAN2
FAN1CN49
CN1
FES BOARD POWER
FES20&24 SAFETY CIRCUIT
+24V IN
See Page 2
SERVO BREAKE +24V
CONTROL BOX
INTERCONNECTION DIAGRAM
S-ATS
See S-ATS
See Page 12-17
J856
J51
STICK FEEDER POWER
STICK FEEDER POWER
STICK FEEDER POWER
STICK FEEDER POWER
+24V
+24V
+24V
+24V
CN44
FRONT
AREA SENSOR
SQ111A
SQ111B N08C14
F A+24V
F AREA
F LAMP
R LAMP
COVER
LAMP
COVER
LAMP
J168
J169
EMG
EMG J166
J167
P25
LIMIT SWITCH
REAR
SQ102
LIMIT SWITCH
FRONT
SQ101
REAR
EMG SWITCH
SB32
FRONT
EMG SWITCH
SB31
KGT-M4580-0xx
DC24VD
DC24VN
CN46
CN47
DC24EA CN44
I/O CONVEYOR BOARD
EMG
3 5 6
ON
OFF
1 2
DIP SW(S1)
4
CN41
CN43
CONTACTOR
DC24VB
CN52
CN50
R COVER
R EMG
F COVER
F EMGCN41 J163
J161CN43
CN46
J42CN50
S10
J165
SERVO HEAD +48V
POWER CIRCUIT
C/V MOTOR DRIVER
CONTROL BOX
POWER CIRCUIT
POWER CIRCUIT+24VA
W54
V54
U54
+24VA
A2
14
+48VA
+48VB
+48VC
34 1134 EMG21
1054 EMG20A
1064 +24E
1114 SRV ON
10A2 0V
11A2 0V
1014 +24VB
1/L1
3/L2
5/L3
2/T1
4/T2
6/T3
13 14
A1 A2
53 54
73 74
83 84
21 22
63 64
1/L1
3/L2
5/L3
2/T1
4/T2
6/T3
KM11/KM11A
KM10/KM10A
AZBK+24V
L AREA
R AREA CN53 J170
See Page 26
See Page 26
See Page 26
See Page 26
See Page 26
See Page 26
CC.V3
5
I/O CONVEYOR BOARD -3-
YG100

Confidential & Proprietary
PAGE
CN28
CN42
I/O A
CONTROL BOX
See Page 2
CN22
See Page 3
I/O CONVEYOR BOARD
KM11
CONTACTOR
I/O CONVEYOR BOARD
See Page 5
CN50
See Page 2
CONTROL BOX
SRVA
I/O CONVEYOR BOARD
See Page 4
H+48V J55
J101I/O A
DUCT Y
FLEXIBLE
DUCT X
FLEXIBLE
For FNC HEAD Version
SIDE VIEW(OPTION)
FAN5CN7
J305CN3 SV LIGHT
LIGHT
SIDE VIEW
EL11
J304CN11
VAC1
VAC2
VAC3
VAC4
VAC5
VAC6
VAC7
VAC8
J303CN9
BLOW1
BLOW2
BLOW3
BLOW4
BLOW5
BLOW6
BLOW7
BLOW8
SH BLOW
T00000
T00001
T00002
T00003
T00004
T00005
T00006
T00007
VAC1
VAC2
VAC3
VAC4
VAC5
VAC6
VAC7
VAC8
T00010
T00011
T00012
T00013
T00014
T00015
T00016
T00017
T00037
LIGHT
CN4 J301
LIGHT
FIDUCIAL
EL1
VAC.SENSOR
x8
P41 - P48
YV381
YV348
YV347
YV346
YV345
YV344
YV343
YV342
YV341
YV308
YV307
YV306
YV305
YV304
YV303
YV302
YV301
HEAD6
HEAD5
HEAD6
HEAD5
HEAD4
HEAD3
HEAD2
HEAD1
BLOW
BLOW
BLOW
BLOW
BLOW
BLOW
BLOW
BLOW
HEAD8
HEAD7
HEAD6
HEAD5
HEAD4
HEAD3
HEAD2
HEAD1
VACUUM
VACUUM
VACUUM
VACUUM
VACUUM
VACUUM
VACUUM
VACUUM
SHAFT
BLOW
□42 MAX 4500rpm
□42 MAX 4500rpm
R2-AXIS 60W
R1-AXIS 60W
M15
M16
□20 MAX 2500rpm
□20 MAX 2500rpm
□20 MAX 2500rpm
□20 MAX 2500rpm
□20 MAX 2500rpm
□20 MAX 2500rpm
□20 MAX 2500rpm
□20 MAX 2500rpm
Z8-AXIS 17W
Z7-AXIS 17W
Z6-AXIS 17W
Z5-AXIS 17W
Z4-AXIS 17W
Z3-AXIS 17W
Z2-AXIS 17W
Z1-AXIS 17W
M7
M8
M9
M10
M11
M12
M13
M14
CN12
CN10
P2-8
P2-6
P2-4
P2-2N00194
N00195
N00196
N00197
P1-6
P1-4
P1-2N00190
N00191
N00192
P1-8N00193
Z+24V
Z DOWNN001A0
Z-AXIS
DOWN SAFETY
SQ361A
SQ361B
SQ311B
SQ311A
N00184
C+24V
CLUTCH
CLUTCH
FNC
FNC POS1
FNC POS1
FNC POS1
HEAD2
HEAD4
HEAD8
HEAD6
FNC POS1
SQ321
SQ322
SQ323
SQ324
SQ325
SQ326
SQ327
SQ328
FNC POS2
HEAD6
HEAD8
HEAD4
HEAD2
FNC POS2
FNC POS2
FNC POS2
J190
Y1ORG
Y1OT
CN21
CN22
J123
SRV SC2
SRV SC1 J122
SRV SC2
SRV SC1 J121
CN5 J105 J104I/O A
J89 J90
RIGHTLEFT
X-FRAME X-FRAME
J79
J73
J74
J72
J44CN15 HEAD PWR J43
EV2
EV1
CN17
CN16
CN18
CN19
CN17
CN20
CN14
CN15
CN13
CN16
CN10
CN11
CN9
CN12
CN6
CN7
MO9
ENC9
MO8
ENC8
MO7
ENC7
MO6
ENC6
MO5
ENC5
MO4
ENC4
MO3
ENC3
CN5MO2
CN8ECN2
MO1 CN2
ENC1 CN3
CN1
CN4
MO0
ENC0
24V/48V
VAC
DI0,1
DO0,1,3
CN8DI3_2
DI3_1 CN7
KGS-M5840-0xx
CN23 PWR/IO
SERVO BOARD ASSY P22
SRV SC2
SRV SC1 CN21
CN22
ON
OFF
1
ON
OFF
1
DIP SW(S1)
DIP SW(S2)
2 543 6
CN4
CN2
CN1
LIGHT
ORG
OT
+24E
CUnet/EMG CN5
CN15
CN6
DI2
CN10
CN12
SIDE VIEW CN3
CN11
CN9
CN14 PWR/SRV
I/O HEAD BOARD ASSY P21
KGS-M4570-0xx
N08C10
Y1-AXIS OT
SQ5
SQ1
N08C00
Y1-AXIS ORG
SQ302
XOTOT X1-AXISN00181
OT
ORG
SQ301
XORG
X1-AXISN00180
ORG
Y1OT J188
Y1ORG J186
HEAD EMG J162
H+24V J42
Z1P
Z1M
Z2P
Z2M
Z3P
Z3M
Z4P
Z4M
Z5P
Z5M
Z6P
Z6M
Z7P
Z7M
Z8P
Z8M
R1P
R1M
R2P
R2M
See Page 26
CC.V3
6
I/O HEAD
YG100