YG100_KGS-cwd_je.pdf - 第34页
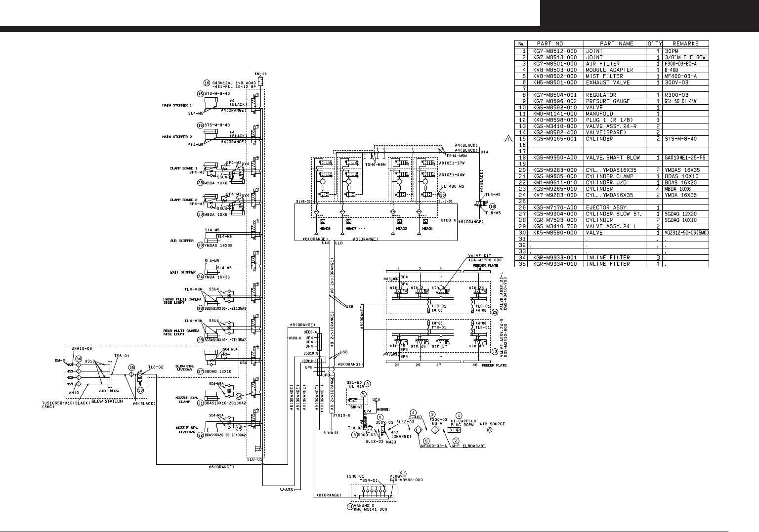
Condential & Proprietary H 9 3 3 1 Y G 1 0 0 P AGE 32 Air circuit (Y G100) W -A TS

Condential & Proprietary
H 9 3 3 1
YG100
PAGE
31
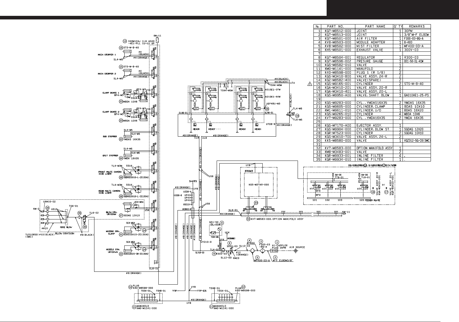
Air circuit (YG100) FES & FULL

Condential & Proprietary
H 9 3 3 1
YG100
PAGE
32
Air circuit (YG100) W-ATS

Condential & Proprietary
H 9 3 3 1
YG100
PAGE
33
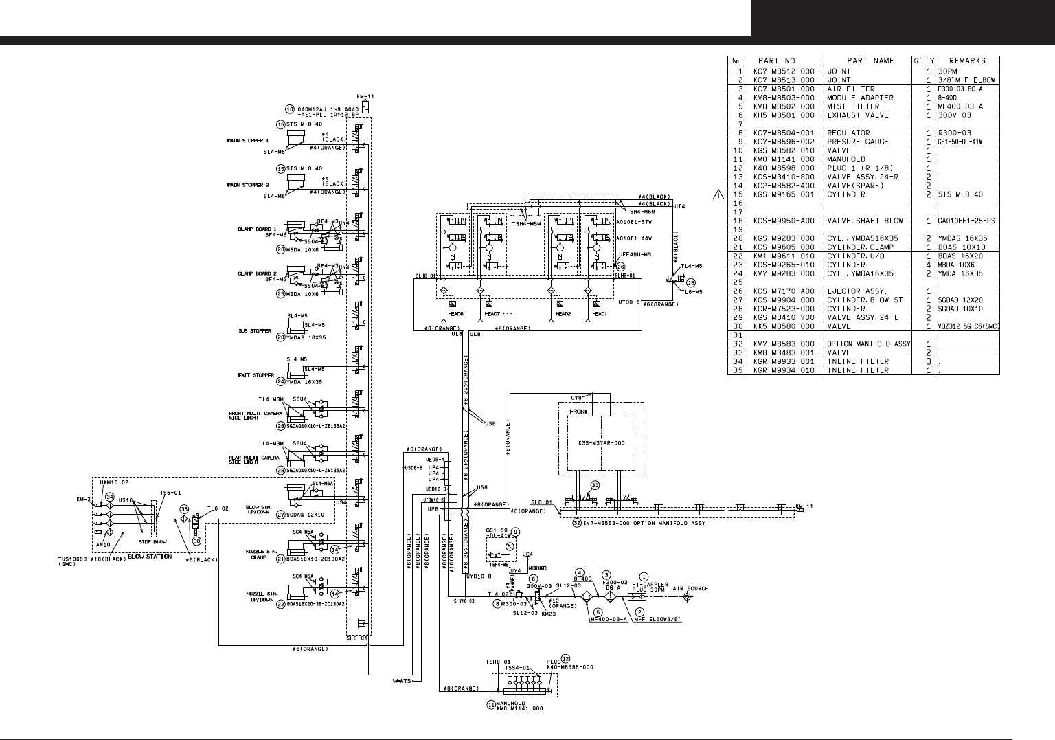
Air circuit FES & W-ATS