MPM印刷備品.pdf - 第15页
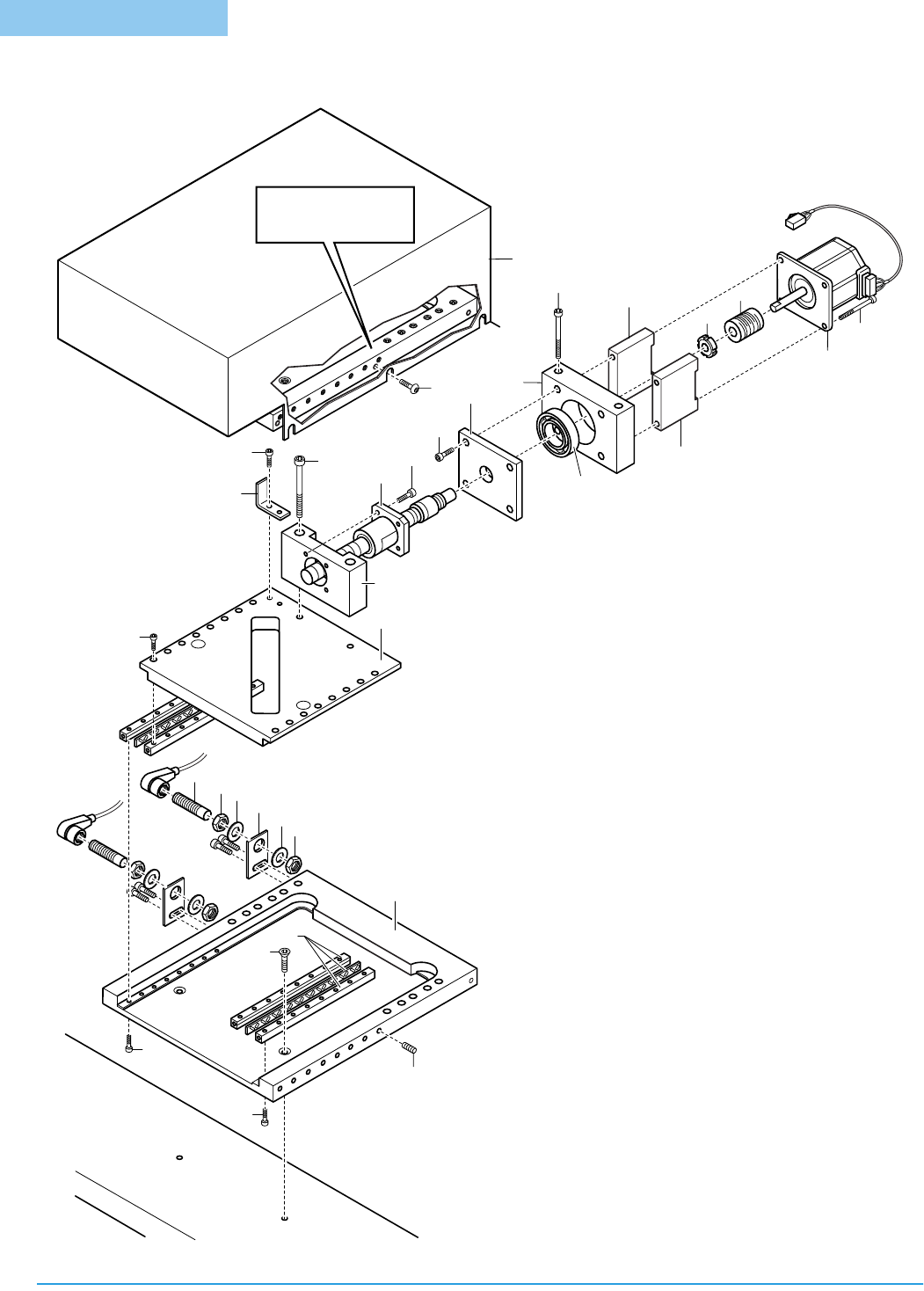
. . . . . BASE SYSTEM AP Excel Series Drawings Guide 3-15 Z Drive Assembly AP25-06 Parts Listing Key No. Part No. Description Quantity 1 A2-1394 MOUNT Z AXIS DRIVE 1 2 P0837 LOCKNUT SN-00 5 SCREW , BALL (SEE IPB AP25-89)…

BASE SYSTEM
3-14 AP Excel Series Drawings Guide
Z Drive Assembly AP25-06
28
42
AP25_06
26
19
8
10
25
11
12
22
28
7
1
24
25
39
38
17
32
5
34
13
40
19
19
21
14
15
21
20
35
Supplied with item 33
33
19
26
2

. . . . .
BASE SYSTEM
AP Excel Series Drawings Guide 3-15
Z Drive Assembly AP25-06 Parts Listing
Key No. Part No. Description Quantity
1 A2-1394 MOUNT Z AXIS DRIVE 1
2 P0837 LOCKNUT SN-00
5 SCREW, BALL (SEE IPB AP25-89) 1
7 A2-020 BLOCK, BEARING 1
8 A2-021 PLATE, RETAINING 1
11 P0848 COUPLING, THROUGH BORE (SEE APP-C02) 1
12 1003826 MOUNT, MOTOR (SEE APP-C02) 1
13 MOTOR, STEPPER (SEE APP-C02) 1
14 A2-131 BRACKET, PROXIMITY SWITCH 2
15 P0183 SWITCH, PROXIMITY 2
17 A2-1469 MOUNT, Z NUT 1
19 8-32 X 3/8 SHCS —
20 #8 LOCK WASHER —
21 #8 FLAT WASHER —
22 10-32 X 3/4 SHCS —
24 A2-1468 FLAG, Z AXIS SENSOR 1
25 1/4-20 X 3/4 SHCS —
26 1/4-20 X 2 1/2 SHCS —
28 #10 LOCK WASHER —
32 A2-1470 PLATE, Z NUT 1
33 BRAKE, POWER-OFF (SEE APP-C02) 1
34 A2-1080 KEY, 1/16 X 1/16 X 5/8 1
35 P5358 TIMER, 24 VDC, DELAY-ON-MAKE, SPDT 1
38 5/16-24 X 1 1/4 BHS —
39 6-32 X 3/8 SHCS —
40 10-32 X 3/8 SHCS —
42 10-32 X 1-1/4 SHCS —

BASE SYSTEM
3-16 AP Excel Series Drawings Guide
Theta Drive Assembly AP20-75
5
13
24
AP20_75
7
12
23
17
14
25
3
2
21
21
22
18
4
1
26
*
Supplied with Proximity Sensor
Note: Item 31 not shown
28
30
27
29
26
26
8
19
6
11
*
*
*
*
5
Cutaway shows
Cover (#30) mounting to
Theta Housing (#8)