SP-0075-001.pdf - 第31页
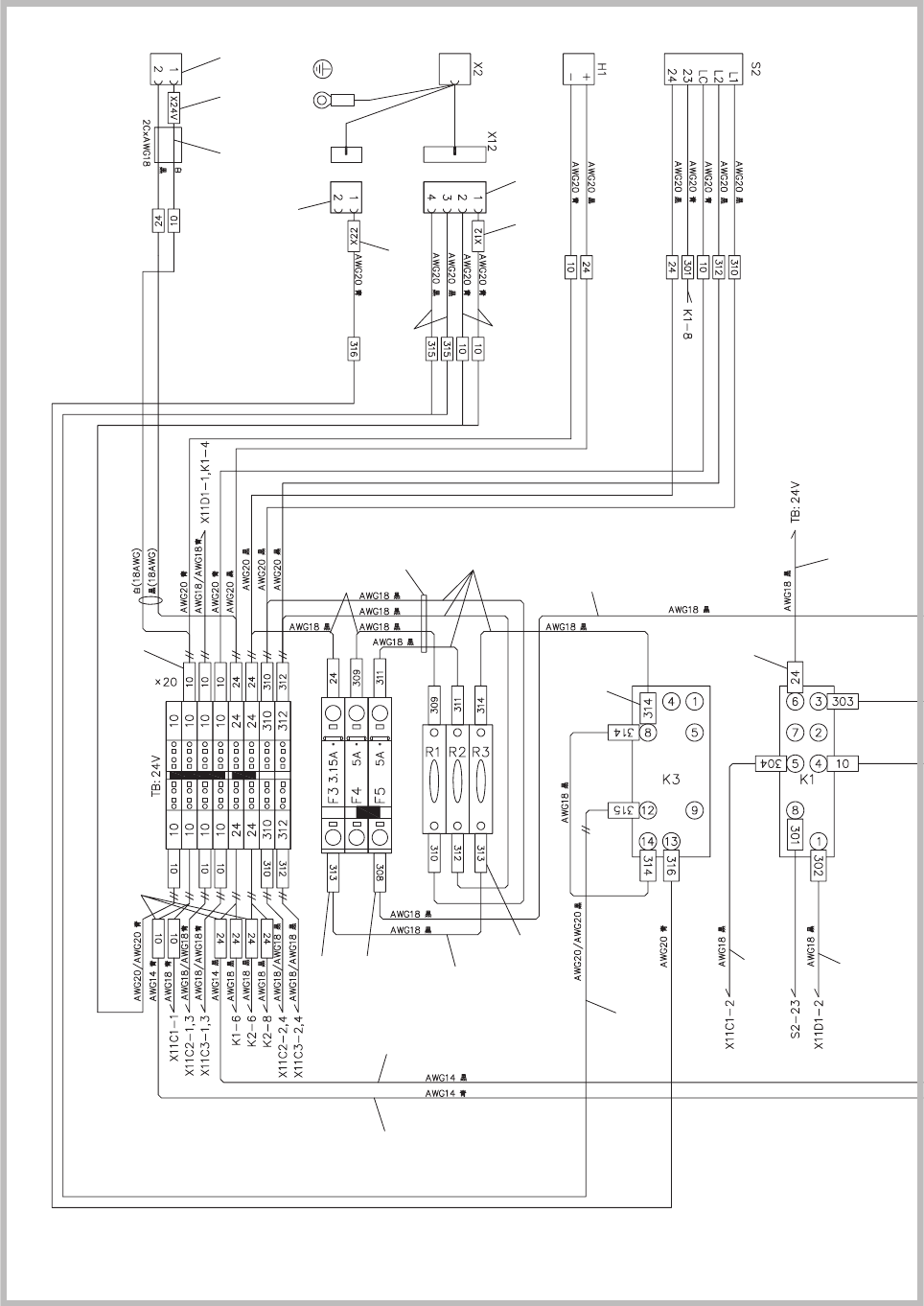
Key No. P AR T No. P AR T NAME Q’ty REMARKS NOTE Fig. A1 1002-001 Fig. A1-6 553 0980A215 JUMPER 1 209800020B-053 554 23N30610 ACCESS_WIRING 4 209800020B-054 555 0949A01R NAME_PLA TE 1 209800020B-055 558 4T300050 LAMP 1 2…

Key No. PART No. PART NAME Q’ty
REMARKS
NOTE
501 0980A10W BOX 1 209800020B-001
502 0957A005 BOX_CONNECTOR 1
209800020B-002
503 0957A00H ILME_CONNECTOR 1
209800020B-003
504 221DB010 MACHINE_SCREW 4
209800020B-004
505 221AA089 ROHS_HEX-SCT 4
209800020B-005
506 23N30632 WIRING 7
209800020B-006
507 221DA053 MACHINE_SCREW 10
209800020B-007
508 0980A211 SURGE_PROTECTOR 1
209800020B-008
509 23K20102 ACCESSORY_CONN 1
209800020B-009
510 23K20128 ACCESSORY_CONN 1
209800020B-010
511 4S1L0011 SWITCH_SEESAW 1
209800020B-011
512 4J200036 FUSE_HOLDER 2
209800020B-012
513 4W202910 CORD 1
209800020B-013
514 221DA106 MACHINE_SCREW 2
209800020B-014
515 4F300083 FILTER_NOISE 1
209800020B-015
516 221AA103 ROHS_HEX-SCT 4
209800020B-016
517 4U200267 UNIT_POWER 1
209800020B-017
518 221DA052 MACHINE_SCREW 4
209800020B-018
519 221FA007 NUT_HEX 4
209800020B-019
520 23M00029 ACCESSORY_MOT-M 1
209800020B-020
521 221DA114 MACHINE_SCREW 2
209800020B-021
522 226J1964 HOOK 1
209800020B-022
523 23K20101 ACCESSORY_CONN 1
209800020B-023
531 4J320185 TERMINAL 10
209800020B-031
532 23N30609 ACCESS_WIRING 2
209800020B-032
533 23N30524 ACCESS_WIRING 1
209800020B-033
534 0980A214 ENDPLATE 1
209800020B-034
535 0914B30E PLUGGABLE_FUSE 3
209800020B-035
536 0980A213 TERMINAL 3
209800020B-036
537 4S300024 FUSE_250V_5A 4
209800020B-037
538 4S301008 FUSE 250V 3.15A 1
209800020B-038
539 4J320201 TERMINAL 3
209800020B-039
540 23N30629 ACCESS_WIRING 3
209800020B-040
541 0957A009 THERMISTOR 3
209800020B-041
542 23N30114 ACCESS_WIRING 1
209800020B-042
543 4S510019 TIMER 1
209800020B-043
544 4J120083 SOCKET 1
209800020B-044
545 23N10002 BRACKET_WIRING 1
209800020B-045
546 4S510057 TIMER 1
209800020B-046
547 4J120099 SOCKET 1
209800020B-047
548 4S200107 RELAY 1
209800020B-048
549 4J120079 SOCKET 1
209800020B-049
550 23N10001 RELAY_KEEPER 1
209800020B-050
551 23N10027 BRACKET_WIRING 4
209800020B-051
552 23N00098 RAIL_WIRING 1
209800020B-052
GS-FC300
1002-001
Fig. A1
Fig. A1-6

Key No. PART No. PART NAME Q’ty
REMARKS
NOTE
Fig. A1
1002-001
Fig. A1-6
553 0980A215 JUMPER 1 209800020B-053
554 23N30610 ACCESS_WIRING 4
209800020B-054
555 0949A01R NAME_PLATE 1
209800020B-055
558 4T300050 LAMP 1
209800020B-058
559 4J100891 CONNECTOR 1
209800020B-059
560 23K10402 CASE_CONN 1
209800020B-060
561 4J300191 CAB_JOINTTERMIN 5
209800020B-061
562 23K10421 CASE_CONN 1
209800020B-062
563 23K10175 CASE_CONN 1
209800020B-063
564 0980A217 SWITCH_LED 1
209800020B-064
565 0980A218 SWITCH_LED 1
209800020B-065
566 0980A20C CORD 1
209800020B-066
567 4J300014 CAB_JOINTTERMIN 1
209800020B-067
568 4J100970 CONNECTOR 1
209800020B-068
569 4J300194 CAB_JOINTTERMIN 5
209800020B-069
573 09800200 ASSY_SEAL 1
2098000203-003
591 23N20103 TUBE_WIRING 9
209800020B-091
592 23N20111 TUBE_WIRING 20
209800020B-092
593 23N20093 TUBE_WIRING 2
209800020B-093
594 9W210004 CORD 1
209800020B-094
595 9W210003 CORD 1
209800020B-095
596 0980A20D CORD 1
209800020B-096
5B5 4J300193 JOINT TERMINAL 7
209800020B-115
5B9 4J300015 CAB_JOINTTERMIN 1
209800020B-119
5C1 4J300050 CAB_JOINTTERMIN 1
209800020B-121
5C3 23N20115 TUBE_WIRING 2
209800020B-123
GS-FC300

Fig. A1-7
電源ケーブル2
Power Supply Cable 2
1002-001
6B0
6B2
691
691
695
691
694
6C5
697
699
697
697
697
694
691
691
690
697
699
6A0
6B0
6B2
6B0
6B2
6B1
6B2
6B9
6C3
6A1
690691
6C1
6C3
697
6A2
6B4
6B5
6B3
6B5
6C1
6C3
6B1
6B2
6B0
698
691
697
699
697
696
6C2
6C4
6C1
6C3
6B9
6C3
6C0
6C4
6B2
6B9
696
6B6
6C3
6B9
6C3
697
6B8
691
6B7
Fig. A1
テープフィーダ電源ユニット
(GS-FC300)
TAPE FEEDER POWER UNIT(GS-FC300)