SP-0075-001.pdf - 第34页
Key No. P AR T No. P AR T NAME Q’ty REMARKS NOTE 690 23N20107 TUBE_WIRING 4 209800020B-090 691 23N20103 TUBE_WIRING 50 209800020B-091 694 9W210004 CORD 1 209800020B-094 695 9W210003 CORD 1 209800020B-095 696 0980A20D COR…

1002-001
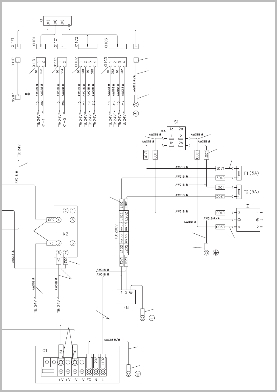
Fig. A1
6B0
6B2
6B0
6B2
6B1
6B2
6B9
6C3
6A1
6B1
6B2
6B0
698
691
697
699
697
696
6C2
6C4
6C1
6C3
6B9
6C3
6C0
6C4
6B2
6B9
696
6B6
6C3
6B9
6C3
697
6B8
691
6B7
Fig. A1-7

Key No. PART No. PART NAME Q’ty
REMARKS
NOTE
690 23N20107 TUBE_WIRING 4 209800020B-090
691 23N20103 TUBE_WIRING 50
209800020B-091
694 9W210004 CORD 1
209800020B-094
695 9W210003 CORD 1
209800020B-095
696 0980A20D CORD 1
209800020B-096
697 9W210013 CORD 1
209800020B-097
698 9W210012 CORD 1
209800020B-098
699 9W210057 CORD 1
209800020B-099
6A0 0980A20G CORD 1
209800020B-100
6A1 9W210059 CORD 1
209800020B-101
6A2 9W210151 CORD_UL2464_2X 1
209800020B-102
6B0 23K10018 CASE_CONN 4
209800020B-110
6B1 23K10022 CASE_CONN 2
209800020B-111
6B2 4J300005 CABL JOIN TERM 15
209800020B-112
6B3 23K10153 CASE_CONN 1
209800020B-113
6B4 23K10263 CASE_CONN 1
209800020B-114
6B5 4J300193 JOINT TERMINAL 7
209800020B-115
6B6 0957A00B faston 6.8mm 3
209800020B-116
6B7 0957A00C faston 5.0mm 4
209800020B-117
6B8 0957A00D faston 3.2mm 4
209800020B-118
6B9 4J300015 CAB_JOINTTERMIN 4
209800020B-119
6C0 4J300016 CAB_JOINTTERMIN 2
209800020B-120
6C1 4J300050 CAB_JOINTTERMIN 13
209800020B-121
6C2 4J300049 CAB_JOINTTERMIN 2
209800020B-122
6C3 23N20115 TUBE_WIRING 17
209800020B-123
6C4 23N20112 TUBE_WIRING 4
209800020B-124
6C5 0916D209 ACCESS_WIRING 30
209800020B-125
GS-FC300
1002-001
Fig. A1
Fig. A1-7

MEMO