N7205A119B04(1)DX Wiring Diagram.pdf - 第179页
Note1) Connector pin arrangement is not sequential. AFX-Axis Motor Driver EX5V EX0V EXPS /EXPS EXA /EXA EXB /EXB EXZ /EXZ B1(P) B3(N) B2 U V W 1 2 3 4 5 6 7 8 9 10 6 5 4 3 2 1 X5 XB JST X5K501 MUF-PK10K-X 1 2 3 4 5 6 7 8…

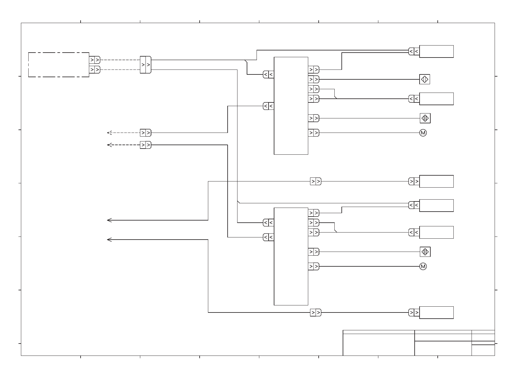
Area Camera
+A21B
(BF)
Head3
Area Camera
+A22B
(BR)
Head4
Area Camera
(BF)
(BR)
Area Camera
-K331B
-K332B
Power Unit
+A11B
-E001B
-E002B
-B311B
LED Lighting(BF)
LED Lighting(BR)
-B113B
Y-Axis Interference
Detection : Bst
-B312B
-G111B
BFX-axis Cooling FAN
-B111B
Height Sensor(BF) (Option)
-G113B
BRX-axis Cooling FAN
-B112B
Hieght Sensor(BR) (Option)
LED Lighting
Control Board #3
LED Lighting
Control Board #4
To NCIO Board (P003)
To NCIO Board (P003)
To Capture Board (P003)
To Capture Board (P003)
(Bst)
PPE0AD
PPE0AD
1
1
1
1
1
1
1
1
2
2
Panasonic Factory Solutions Co.,Ltd. パナソニック ファクトリーソリューションズ株式会社
Name
Drawing No.
Loc. No.
F4K1020-05A
1
2 3 4 5 6 7 8
A
B
C
D
E
F
1 2 3 4 5 6 7 8
A
B
C
D
E
F
Page. No.
XY Unit (NPM-DX)
(Block Diagram 2 : Bst)
MTKA001078+005AC
P005

Note1) Connector pin arrangement is not sequential.
AFX-Axis
Motor Driver
EX5V
EX0V
EXPS
/EXPS
EXA
/EXA
EXB
/EXB
EXZ
/EXZ
B1(P)
B3(N)
B2
U
V
W
1
2
3
4
5
6
7
8
9
10
6
5
4
3
2
1
X5
XB
JST
X5K501
MUF-PK10K-X
1
2
3
4
5
6
7
8
9
10
-K501
MDDHT5540NL4
LB
VT
GY
PK
BK
GN
BU
YE
RD
BN
WH
OG
AMP
XMM501
1-179555-3
B3
A3
B2
A2
B1
A1
RMFEV-P(2103) AWG25/4P+AWG30/4C
DDK
XEM501
17JE-23090-02(D1)
8
7
4
9
3
6
2
5
1
AFX-Axis Motor
1
5
2
6
3
9
4
7
8
W
V
U
W
V
SSG
SM
U
A1
B1
A2
B2
A3
B3
Linear Scale
-M501
E
E
Note1)
MTKC000644AD
MTKC000645AD
AWG25
AWG25
AWG25
AWG25
AWG25
AWG25
AWG25
AWG25
AWG30
AWG30
AWG30
AWG30
AMP
XBK501
1-178128-6
1
2
3
4
5
6
Panasonic
4
E2K501
R1.25-4
JST
Note1)
EM501
R1.25-4
JST
WH
RD
GN
BK
UL1015 16AWG BK
YE
BN
RMFEV-P(2586) AWG17/3C+AWG21/3C
AWG17
AWG17
AWG17
AWG21
AWG21
AWG21
4
UL1015 16AWG BK
UL1015 16AWG BK
UL1015 16AWG BK
R5.5-4
2
R5.5-S4
2
2
RMFEV-P(2517) AWG25/4P+AWG30/4C
2
Panasonic Factory Solutions Co.,Ltd. パナソニック ファクトリーソリューションズ株式会社
Name
Drawing No.
Loc. No.
F4K1020-05A
1
2 3 4 5 6 7 8
A
B
C
D
E
F
1 2 3 4 5 6 7 8
A
B
C
D
E
F
Page. No.
XY Unit (NPM-DX)
(FX-Axis Wiring : Ast)
MTKA001078+006AE
P006
3
3

LB
VT
GY
PK
BK
GN
BU
YE
RD
BN
WH
OG
JST
X5K502
MUF-PK10K-X
1
2
3
4
5
6
7
8
9
10
RMFEV-P(2103) AWG25/4P+AWG30/4C
AI1.5-12BK
Phoenix Contact
XBK502
03JFAT-SAXGSA-L
3
2
1
JST
DDK
YEM502
17JE-23090-02(D1)
8
7
4
9
3
6
2
5
1
E2K502
R1.25-4
JST
X5
1
2
3
4
5
6
7
8
9
10
EX5V
EX0V
EXPS
/EXPS
EXA
/EXA
EXB
/EXB
EXZ
/EXZ
U
V
W
XB
3
2
1
-K502
MEDHT7364NL4
AFYM-Axis Motor
1
5
2
6
3
9
4
7
8
SSG
-M502
Note1) Connector pin arrangement is not sequential.
Note1)
Note1)
AWG25
AWG25
AWG25
AWG25
AWG25
AWG25
AWG25
AWG25
AWG30
AWG30
AWG30
AWG30
Panasonic
Linear Scale
SM
W
V
U
1
2
3
4
E
AMP
YMM502
1-179553-4
4
3
2
1
AFYM-Axis
Motor Driver
MTKC000647AD
MTKC000646AD
WH
RD
GN
BK
YE
BN
RMFEV-P(2586) AWG17/3C+AWG21/3C
AWG17
AWG17
AWG17
AWG21
AWG21
AWG21
2
RMFEV-P(2517) AWG25/4P+AWG30/4C
2
3XBK502(U)
2XBK502(V)
1XBK502(W)
2
4
4
Panasonic Factory Solutions Co.,Ltd. パナソニック ファクトリーソリューションズ株式会社
Name
Drawing No.
Loc. No.
F4K1020-05A
1
2 3 4 5 6 7 8
A
B
C
D
E
F
1 2 3 4 5 6 7 8
A
B
C
D
E
F
Page. No.
XY Unit (NPM-DX)
(FYM-Axis Wiring : Ast)
MTKA001078+007AE
P007
3
3