N7205A119B04(1)DX Wiring Diagram.pdf - 第88页
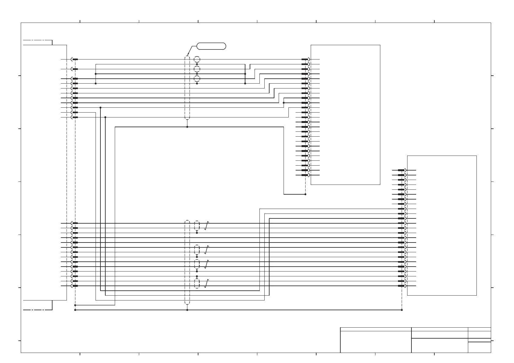
+A01 CPU Box -K301 CRT Note1) Connector Pin arrangement is not sequential. CPU Board HTPE0841-X1 ANALOG_RED C1 C2 C3 C5 C4 5 8 13 14 16 15 3 6 7 1 2 9 10 11 17 18 19 22 23 24 ANALOG_GREEN ANALOG_BLUE ANALOG_HORZ_SYNC ANA…

-K313A
PDG14042A
CNEG
EMGF
EMGR
1
2
3
CNEG
1
2
3
24GND
EMGF
EMGR
24GND
MTKC002461AE
CN Board : Safety #1 CN Board : Safety #2
RD
RD/WH
BK
BK/WH
4
24GND
5
6
4
24GND
5
6
2
PAP-03V-S
PAP-03V-S
2
MOLEX
EG_K313A
5557-06R-210
6
5
4
3
2
1
MOLEX
EG_K313B
5557-06R-210
6
5
4
3
2
1
GN/WH
GN
2464C(BPF)VVP AWG#22×3P-B
2464-1061/ⅡA(PF)LF 1P×24AWG
2
24GND
24GND
24GND
24GND
2 2
-K313B
PDG14042A
+A11A
Power Unit #1(Ast)
+A11B
Power Unit #2(Bst)
3 2
-K313A
3
Panasonic Factory Solutions Co.,Ltd. パナソニック ファクトリーソリューションズ株式会社
Name
Drawing No.
Loc. No.
F4K1020-05A
1
2 3 4 5 6 7 8
A
B
C
D
E
F
1 2 3 4 5 6 7 8
A
B
C
D
E
F
Page. No.
Main Body Wiring (NPM-DX)
(EMG Signal Between Ast to Bst Wiring)
MTKA001071+030AE
P030
4

+A01
CPU Box
-K301
CRT
Note1) Connector Pin arrangement is not sequential.
CPU Board
HTPE0841-X1
ANALOG_RED
C1
C2
C3
C5
C4
5
8
13
14
16
15
3
6
7
1
2
9
10
11
17
18
19
22
23
24
ANALOG_GREEN
ANALOG_BLUE
ANALOG_HORZ_SYNC
ANALOG_GND
N.C
ANALOG_VERT_SYNC
N.C
POWER +5V
HOT_PLUG_DETECT
GND(+5V)
TMDS_DATA 2-
TMDS_DATA 2+
TMDS_DATA 2 /4 SHIELD
DDC CLOCK_A
DDC DATA_A
TMDS_DATA 1-
TMDS_DATA 1+
TMDS_DATA 1/3 SHIELD
TMDS_DATA 0-
TMDS_DATA 0+
TMDS_DATA 0/5 SHIELD
TMDS_CLOCK SHIELD
TMDS_CLOCK+
TMDS_CLOCK-
CRT_K301
C1
C2
C3
C5
C4
5
8
13
14
16
15
1
2
3
6
7
9
10
11
17
18
19
22
23
24
Note1)
DVI-DVI&DVI CABLE L=2.9-3.3M TAK
Touch Panel (Front)
3
7
10
11
17
6
9
19
22
23
24
18
TMDS_D 2/4 SHILD
DDC_CLOCK_D
DDC_DATA_D
TMDS_DATA 1-
TMDS_DATA 1+
TMDS_D 1/3 SHILD
TMDS_DATA 0-
TMDS_DATA 0+
TMDS_D 0/5 SHILD
TMDS_CLOCK SHILD
TMDS_CLOCK+
TMDS_CLOCK-
14
15
2
16
1
POWER +5V
HOT_PLUG_DETECT
GND(+5V,HV-SYNC)
TMDS_DATA2-
TMDS_DATA2+
6
DDC CLOCK_A
C3
C4
8
C5
7
ANLOG_BLUE
ANLOG_GND
ANLOG_HORZ_SYNC
DDC DATA_A
ANLOG_VERT_SYNC
C1
C2
ANLOG_RED
ANLOG_GREEN
1A03
24
23
22
19
18
17
11
10
9
7
6
3
2
1
15
16
14
6
8
7
C4
C5
C3
C2
C1
Note1)
MTNW000474AA
+A03
R08RP3
Topre
Touch Panel (Rear)
3
7
10
11
17
6
9
19
22
23
24
18
TMDS_D 2/4 SHILD
DDC_CLOCK_D
DDC_DATA_D
TMDS_DATA 1-
TMDS_DATA 1+
TMDS_D 1/3 SHILD
TMDS_DATA 0-
TMDS_DATA 0+
TMDS_D 0/5 SHILD
TMDS_CLOCK SHILD
TMDS_CLOCK+
TMDS_CLOCK-
14
15
2
16
1
POWER +5V
HOT_PLUG_DETECT
GND(+5V,HV-SYNC)
TMDS_DATA2-
TMDS_DATA2+
6
DDC CLOCK_A
C3
C4
8
C5
7
ANLOG_BLUE
ANLOG_GND
ANLOG_HORZ_SYNC
DDC DATA_A
ANLOG_VERT_SYNC
C1
C2
ANLOG_RED
ANLOG_GREEN
1A04
24
23
22
19
18
17
11
10
9
7
6
3
2
1
15
16
14
6
8
7
C4
C5
C3
C2
C1
Note1)
+A04
R08RP3
Topre
CN1(DVI-I)
1
DVI-D
DVI-DA04
1
CN1(DVI-I)
1
DVI-D
DVI-DA03
1
DVI-DVI&DVI CABLE L=2.8-3.2M TAK
2
DVI-DVI&VGA CABLE L=3.0-2.8M TAK
1
1
CRTK301
2
3
Panasonic Factory Solutions Co.,Ltd. パナソニック ファクトリーソリューションズ株式会社
Name
Drawing No.
Loc. No.
F4K1020-05A
1
2 3 4 5 6 7 8
A
B
C
D
E
F
1 2 3 4 5 6 7 8
A
B
C
D
E
F
Page. No.
Main Body Wiring (NPM-DX)
(Touch Panel Wiring 1)
MTKA001071+031AD
P031

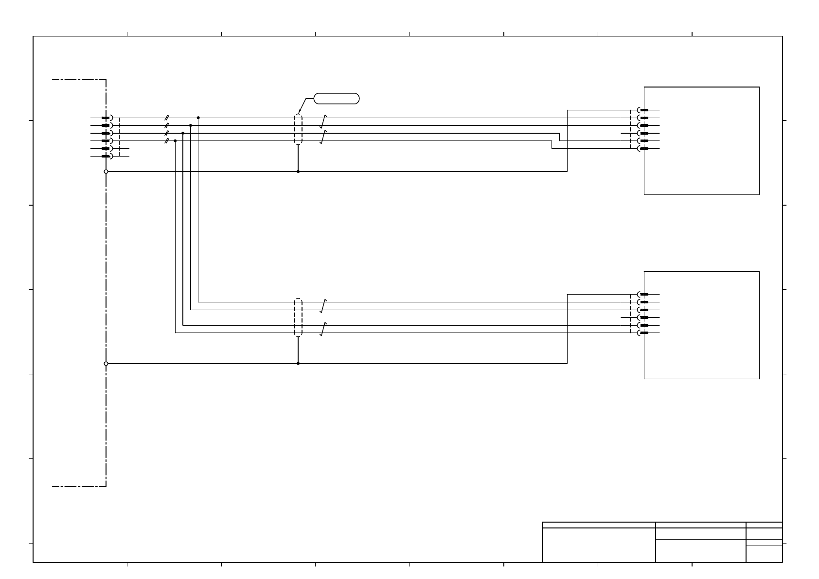
Note1) Connector Pin arrangement is not sequential.
CN1
3
1
6
4
2
5
+12V
GND
GND
N.C
+12V
N.C
BK/WH
BK
RD/WH
RD
2464C(BPF)VSVP AWG#20×2P-B
FG2A01
R2-4
JST
FG1A01
R2-4
JST
2464C(BPF)VSVP AWG#20×2P-B
BK/WH
BK
RD/WH
RD
Note1)
MTKC002435AE
MOLEX
1A01
5557-06R-210
5
2
4
6
1
3
CN3(DC12V)
1
2
3
4
5
6
FG
GND
FG
12V
GND
12V
MOLEX
3A03
5557-06R-210
6
5
4
3
2
1
CN3(DC12V)
1
2
3
4
5
6
FG
GND
FG
12V
GND
12V
MOLEX
3A04
5557-06R-210
6
5
4
3
2
1
+A04
R08RP3
Topre
Touch Panel (Rear)
+A01
CPU Box
+A03
R08RP3
Topre
Touch Panel (Front)
CN3A03
2
CN3A04
2
3
+A04
2
2
2464-1061/ⅡA-SBX(PF) LF 2P×20AWG
2
2464-1061/ⅡA-SBX(PF) LF 2P×20AWG
2
CN1A01
2
Panasonic Factory Solutions Co.,Ltd. パナソニック ファクトリーソリューションズ株式会社
Name
Drawing No.
Loc. No.
F4K1020-05A
1
2 3 4 5 6 7 8
A
B
C
D
E
F
1 2 3 4 5 6 7 8
A
B
C
D
E
F
Page. No.
Main Body Wiring (NPM-DX)
(Touch Panel Wiring 2)
MTKA001071+032AE
P032
4