N7205A119B04(1)DX Wiring Diagram.pdf - 第255页
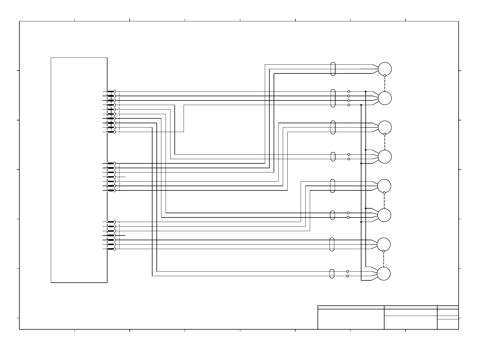
-K301 PMC0A8 CN7 1 2 3 4 5 6 7 Z13-PHASE_V Z13-PHASE_U FG Z13-PHASE_W VDD A B GND U V W SM SSG -M415 RMTA-A002A16-MA12 RD WH BU RD1 BU1 WH1 BK YASKAWA ELECTRIC Z14-PHASE_V Z14-PHASE_U Z14-PHASE_W CN12 Z13-A +5V Z14-A Z13…

-K301
PMC0A8
CN5
1
2
3
4
5
6
7
Z9-PHASE_V
Z9-PHASE_U
FG
Z9-PHASE_W
VDD
A
B
GND
U
V
W
SM
SSG
-M411
RMTA-A002A16-MA12
RD
WH
BU
RD1
BU1
WH1
BK
YASKAWA ELECTRIC
Z10-PHASE_V
Z10-PHASE_U
Z10-PHASE_W
CN11
Z9-A
+5V
Z10-A
Z9-B
Z11-A
Z10-B
Z11-B
Z12-B
Z12-A
GND
CN6
1
2
3
4
5
6
7
Z11-PHASE_V
Z11-PHASE_U
FG
Z11-PHASE_W
Z12-PHASE_V
Z12-PHASE_U
Z12-PHASE_W
Z9-axis motor
Z9-axis encoder
Z10-axis motor
Z10-axis encoder
A
B
U
V
W
SM
SSG
-M412
RMTA-A002A16-MA12
RD
WH
BU
BU1
WH1
YASKAWA ELECTRIC
Z11-axis motor
Z11-axis encoder
Z12-axis motor
Z12-axis encoder
A
B
U
V
W
SM
SSG
-M413
RMTA-A002A16-MA12
RD
WH
BU
BU1
WH1
YASKAWA ELECTRIC
A
B
U
V
W
SM
SSG
-M414
RMTA-A002A16-MA12
RD
WH
BU
BU1
WH1
YASKAWA ELECTRIC
1
2
3
4
5
6
7
8
9
10
JAPAN SOLDERLESS TER
5
PAP-07V-S
7
6
5
4
3
2
1
MOLEX
11
502380-1000
1
2
3
4
5
6
7
8
9
10
JAPAN SOLDERLESS TER
6
PAP-07V-S
7
6
5
4
3
2
1
Panasonic Factory Solutions Co.,Ltd. パナソニック ファクトリーソリューションズ株式会社
Name
Drawing No.
Loc. No.
F4K1020-05A
1
2 3 4 5 6 7 8
A
B
C
D
E
F
1 2 3 4 5 6 7 8
A
B
C
D
E
F
Page. No.
Light Weight 16 Nozzle Head (H) DC48V
(Z 9-12 axis wiring)
MTKA006382+007AB
P007
PMC0A3

-K301
PMC0A8
CN7
1
2
3
4
5
6
7
Z13-PHASE_V
Z13-PHASE_U
FG
Z13-PHASE_W
VDD
A
B
GND
U
V
W
SM
SSG
-M415
RMTA-A002A16-MA12
RD
WH
BU
RD1
BU1
WH1
BK
YASKAWA ELECTRIC
Z14-PHASE_V
Z14-PHASE_U
Z14-PHASE_W
CN12
Z13-A
+5V
Z14-A
Z13-B
Z15-A
Z14-B
Z15-B
Z16-B
Z16-A
GND
CN8
1
2
3
4
5
6
7
Z15-PHASE_V
Z15-PHASE_U
FG
Z15-PHASE_W
Z16-PHASE_V
Z16-PHASE_U
Z16-PHASE_W
Z13-axis motor
Z13-axis encoder
Z14-axis motor
Z14-axis encoder
A
B
U
V
W
SM
SSG
-M416
RMTA-A002A16-MA12
RD
WH
BU
BU1
WH1
YASKAWA ELECTRIC
Z15-axis motor
Z15-axis encoder
Z16-axis motor
Z16-axis encoder
A
B
U
V
W
SM
SSG
-M417
RMTA-A002A16-MA12
RD
WH
BU
BU1
WH1
YASKAWA ELECTRIC
A
B
U
V
W
SM
SSG
-M418
RMTA-A002A16-MA12
RD
WH
BU
BU1
WH1
YASKAWA ELECTRIC
1
2
3
4
5
6
7
8
9
10
JAPAN SOLDERLESS TER
7
PAP-07V-S
7
6
5
4
3
2
1
MOLEX
12
502380-1000
1
2
3
4
5
6
7
8
9
10
JAPAN SOLDERLESS TER
8
PAP-07V-S
7
6
5
4
3
2
1
Panasonic Factory Solutions Co.,Ltd. パナソニック ファクトリーソリューションズ株式会社
Name
Drawing No.
Loc. No.
F4K1020-05A
1
2 3 4 5 6 7 8
A
B
C
D
E
F
1 2 3 4 5 6 7 8
A
B
C
D
E
F
Page. No.
Light Weight 16 Nozzle Head (H) DC48V
(Z 13-16 axis wiring)
MTKA006382+008AB
P008
PMC0A3

HVAL
GVAL
FVAL
EVAL
DVAL
CVAL
BVAL
AVAL
PV24
-R3001
-R3002
-R3003
-R3004
-R3005
-R3006
-R3007
-R3008
CN13
1
2
3
4
5
6
7
8
9
CN14
1
2
3
4
5
6
7
8
9
9
8
7
6
5
4
JST
CN13
PAP-09V-S
3
2
1
EXLON-PVC ULTUBE AH-6 AWG#3 BLACK
N610159860AD
C
A
SMC
1
AXT661-12
SMC
2
AXT661-12
A
C
C
A
SMC
4
AXT661-12
SMC
3
AXT661-12
A
C
1
2
3
JST
CN14
PAP-09V-S
4
5
6
7
8
9
C
A
A
C
C
A
A
C
SMC
7
AXT661-12
SMC
8
AXT661-12
SMC
6
AXT661-12
SMC
5
AXT661-12
Vacuum valve1
Vacuum valve2
Vacuum valve3
Vacuum valve4
Vacuum valve5
Vacuum valve6
Vacuum valve7
Vacuum valve8
-K301
PMC0A8
N.C
N.C
EXLON-PVC ULTUBE AH-6 AWG#3 BLACK
N610159861AD
SMC
VQ111U-5LO-X480
SMC
VQ111U-5LO-X480
SMC
VQ111U-5LO-X480
SMC
VQ111U-5LO-X480
SMC
VQ111U-5LO-X480
SMC
VQ111U-5LO-X480
SMC
VQ111U-5LO-X480
SMC
VQ111U-5LO-X480
MTKC005062AA
MTKC005063AA
1
1
UL1007 26AWG RD
UL1007 26AWG BK
2
UL1007 26AWG RD
UL1007 26AWG BK
UL1007 26AWG RD
UL1007 26AWG BK
UL1007 26AWG RD
UL1007 26AWG BK
UL1007 26AWG RD
UL1007 26AWG BK
2
UL1007 26AWG RD
UL1007 26AWG BK
UL1007 26AWG RD
UL1007 26AWG BK
UL1007 26AWG RD
UL1007 26AWG BK
2
2
UL1007 TR-64 1×26AWG(7/0.16) LF RD P-30K RD
UL1007 TR-64 1×26AWG(7/0.16) LF BK P-30K BK
BK
UL1007 TR-64 1×26AWG(7/0.16) LF BK P-30K
RD
UL1007 TR-64 1×26AWG(7/0.16) LF RD P-30K
UL1007 TR-64 1×26AWG(7/0.16) LF RD P-30K RD
UL1007 TR-64 1×26AWG(7/0.16) LF BK P-30K BK
BK
UL1007 TR-64 1×26AWG(7/0.16) LF BK P-30K
RD UL1007 TR-64 1×26AWG(7/0.16) LF RD P-30K
UL1007 TR-64 1×26AWG(7/0.16) LF RD P-30K RD
UL1007 TR-64 1×26AWG(7/0.16) LF BK P-30K BK
BK
UL1007 TR-64 1×26AWG(7/0.16) LF BK P-30K
RD
UL1007 TR-64 1×26AWG(7/0.16) LF RD P-30K
UL1007 TR-64 1×26AWG(7/0.16) LF RD P-30K RD
UL1007 TR-64 1×26AWG(7/0.16) LF BK P-30K BK
BK
UL1007 TR-64 1×26AWG(7/0.16) LF BK P-30K
RD UL1007 TR-64 1×26AWG(7/0.16) LF RD P-30K
Panasonic Factory Solutions Co.,Ltd. パナソニック ファクトリーソリューションズ株式会社
Name
Drawing No.
Loc. No.
F4K1020-05A
1
2 3 4 5 6 7 8
A
B
C
D
E
F
1 2 3 4 5 6 7 8
A
B
C
D
E
F
Page. No.
Light Weight 16 Nozzle Head (H) DC48V
(Vacuum valve 1-8 wiring)
MTKA006382+009AC
P009
PMC0A3