N7205A119B04(1)DX Wiring Diagram.pdf - 第94页
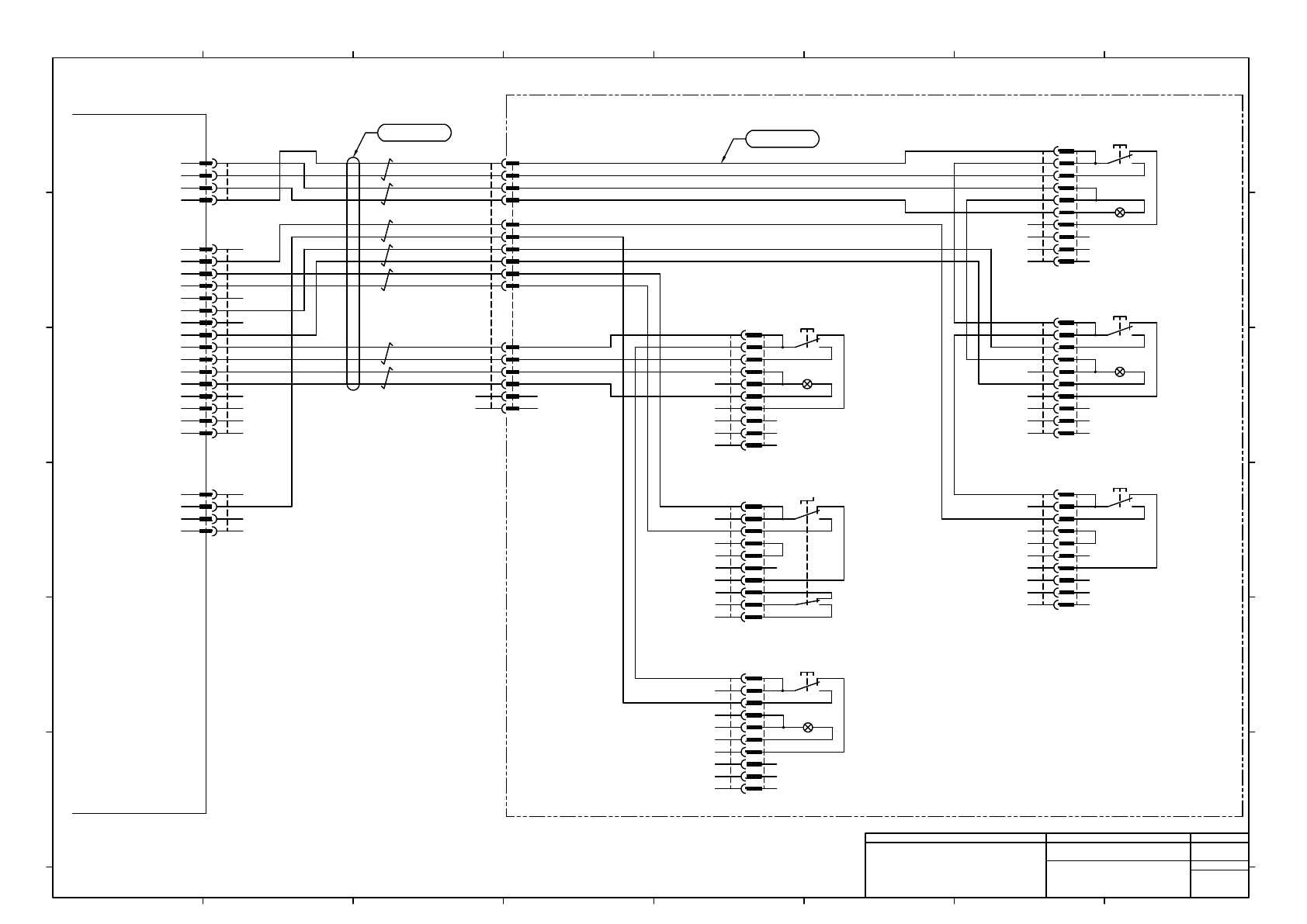
-K322B PDG14041 CN Board : I/O #4(BR) CNSW1 1 2 3 4 5 6 7 8 9 10 24GND STOP_IN(IN512) SV_CHK(24GND) SV_CHK(SVFR) 24GND SELECT_IN(IN514) 24VOUT SELECT_OT(OUT531) 24GND A_EXCHG_IN(IN636) 24VOUT A_EXCHG_OT(OUT607) 24GND B_E…

-K322A
PDG14041
Rear
EXCHANGE SW : Ast
1
2
3
4
5
6
7
8
9
10
B10B-PASK
JST
A3UL-TBU-3A1C-M-SP4
OMRON
-S0236
Rear
SELECT SW
1
2
3
4
5
6
7
8
9
10
B10B-PASK
JST
A3UL-TBU-3A1C-M-SP2
OMRON
-S0114
Rear
STOP SW
1
2
3
4
5
6
7
8
9
10
B10B-PASK
JST
A3U-TBK-A1C-M-SP5
OMRON
-S0112
JST
S0236R
PAP-10V-S
10
9
8
7
6
5
4
3
2
1
JST
S0114R
PAP-10V-S
10
9
8
7
6
5
4
3
2
1
JST
S0112R
PAP-10V-S
10
9
8
7
6
5
4
3
2
1
MTKC005191AC
CNSW1
1
2
3
4
5
6
7
8
9
10
CN Board : I/O #2(AR)
24GND
STOP_IN(IN112)
SV_CHK(24GND)
SV_CHK(SVFR)
24GND
SELECT_IN(IN114)
24VOUT
SELECT_OT(OUT131)
24GND
A_EXCHG_IN(IN236)
24VOUT
A_EXCHG_OT(OUT207)
24GND
B_EXCHG_IN(IN336)
24VOUT
B_EXCHG_OT(OUT307)
11
12
13
14
15
16
JST
SW1_K322A
PUDP-16V-S
1
2
3
4
5
6
7
8
9
10
11
12
13
14
15
16
10
9
8
7
6
5
4
3
2
1
JST
S1137R
PAP-10V-S
1
2
3
4
5
6
7
8
9
10
B10B-PASK
JST
A3US-SB-2M-AC
OMRON
-S1137
RD
RD/WH
BK
BK/WH
GN
GN/WH
YE
YE/WH
BN
BN/WH
BU
BU/WH
Rear
SERVO SW : Ast
A3UL-TBG-3A1C-M-SP3U
OMRON
-S0111
JST
B10B-PASK
1
2
3
4
5
6
7
8
9
10
Rear
START SW
JST
S0111R
PAP-10V-S
10
9
8
7
6
5
4
3
2
1
A3UL-TBU-3A1C-M-SP1
OMRON
-S0113
JST
B10B-PASK
1
2
3
4
5
6
7
8
9
10
Rear
ACTIVATION SW
JST
S0113R
PAP-10V-S
10
9
8
7
6
5
4
3
2
1
CNSW2
1
2
3
4
24VOUT
START_IN(IN111)
START_OT(OUT130)
24GND
JST
SW2_K322A
PAP-04V-S
4
3
2
1
CNSW3
1
2
3
4
24OUT
ACTIVATION_IN(IN113)
N.C.
24GND
JST
SW3_K322A
PAP-04V-S
4
3
2
1
MOLEX
RSW1R
5557-16R-210
16
15
14
13
12
11
10
9
8
7
6
5
4
3
2
1
MOLEX
RSW1P
5559-16P-210
1
2
3
4
5
6
7
8
9
10
11
12
13
14
15
16
GY/WH
GY
2
2464C(BPF)VVP AWG#24×7P-B
UL1007 24AWG BU BU
UL1007 24AWG BU BU
BU
UL1007 24AWG BU
UL1007 24AWG BU BU
BU
UL1007 24AWG BU
UL1007 24AWG BU
UL1007 24AWG BU
UL1007 24AWG BU UL1007 24AWG BU BU
BU UL1007 24AWG BU
UL1007 24AWG BU BU
BU UL1007 24AWG BU
UL1007 24AWG BU BU
BU
UL1007 24AWG BU
UL1007 24AWG BU BU
BU UL1007 24AWG BU
UL1007 24AWG BU BU
BU
UL1007 24AWG BU
MTKC005192AA
MTKA001077** : Operation Parts (H)
4
A3UL-TBU-3A1C-M-SP3
3
Panasonic Factory Solutions Co.,Ltd. パナソニック ファクトリーソリューションズ株式会社
Name
Drawing No.
Loc. No.
F4K1020-05A
1
2 3 4 5 6 7 8
A
B
C
D
E
F
1 2 3 4 5 6 7 8
A
B
C
D
E
F
Page. No.
Main Body Wiring (NPM-DX)
(Rear Switch Wiring 1)
MTKA001071+036AE
P036
3

-K322B
PDG14041
CN Board : I/O #4(BR)
CNSW1
1
2
3
4
5
6
7
8
9
10
24GND
STOP_IN(IN512)
SV_CHK(24GND)
SV_CHK(SVFR)
24GND
SELECT_IN(IN514)
24VOUT
SELECT_OT(OUT531)
24GND
A_EXCHG_IN(IN636)
24VOUT
A_EXCHG_OT(OUT607)
24GND
B_EXCHG_IN(IN736)
24VOUT
B_EXCHG_OT(OUT707)
11
12
13
14
15
16
JST
SW1_K322B
PUDP-16V-S
1
2
3
4
5
6
7
8
9
10
11
12
13
14
15
16
Rear
EXCHANGE SW : Bst
1
2
3
4
5
6
7
8
9
10
B10B-PASK
JST
A3UL-TBU-3A1C-M-SP4
OMRON
-S0736
JST
S0736R
PAP-10V-S
10
9
8
7
6
5
4
3
2
1
BK/WH
BK
RD/WH
RD
MTKC005193AB
MOLEX
RSW2R
5557-06R-210
6
5
4
3
2
1
MOLEX
RSW2P
5559-06P-210
6
5
4
3
2
1
UL1007 24AWG BU BU
BU
UL1007 24AWG BU
UL1007 24AWG BU BU
BU UL1007 24AWG BU
2
GN/WH
GN
2464C(BPF)VVP AWG#24×3P-B
10
9
8
7
6
5
4
3
2
1
JST
S1537R
PAP-10V-S
1
2
3
4
5
6
7
8
9
10
B10B-PASK
JST
A3US-SB-2M-AC
OMRON
-S1537
Rear
SERVO SW : Bst
UL1007 24AWG BU BU
BU
UL1007 24AWG BU
MTKC005194AA
MTKA001077** : Operation Parts (H)
Panasonic Factory Solutions Co.,Ltd. パナソニック ファクトリーソリューションズ株式会社
Name
Drawing No.
Loc. No.
F4K1020-05A
1
2 3 4 5 6 7 8
A
B
C
D
E
F
1 2 3 4 5 6 7 8
A
B
C
D
E
F
Page. No.
Main Body Wiring (NPM-DX)
(Rear Switch Wiring 2)
MTKA001071+037AD
P037
3

-A01
CPU BOX
-K301
CPU board
MTNW000204AA
MTNW000850AA
USB1
1
2
3
4
+5V
-Data
+Data
GND
1
2
3
USB1
4
USB A TO MINI B CABLE ASS’Y L=2400MM
BK
GN
RD
WH
1
2
3
USB
4
5
RD+
TD-
TD+
6
3
2
1
LAN
4
5
7
RD-
8
1
2
3
6
4
5
7
8
WH/BN
BN
BU
WH/BU
WH/GN
GN
WH/OG
OG
STPC26-5E(LB)-S250C
1
2
3
CNLN
6
4
5
7
8
B841S-88GF-H001
KANEKO CORD
CNLN
1
2
3
6
4
8
7
5
8
RD-
7
5
4
1
2
3
6
TD+
TD-
RD+
To HUB
Y-E DATA
YD-8V76-00000001
-C101
CARD
READER
USB
1
2
3
4
5
ALC-3
Takeuchi Industrial
LAN1_K301
CNLAN1
LAN1K301
2
KUSB2-AM-MBM L=2100 L
3
KUSB2-AM-MBM L=2400 L
1
2 1 3
Panasonic Factory Solutions Co.,Ltd. パナソニック ファクトリーソリューションズ株式会社
Name
Drawing No.
Loc. No.
F4K1020-05A
1
2 3 4 5 6 7 8
A
B
C
D
E
F
1 2 3 4 5 6 7 8
A
B
C
D
E
F
Page. No.
Main Body Wiring (NPM-DX)
(LAN,USB Wiring)
MTKA001071+038AD
P038