PTS-NAOF-09.pdf - 第32页
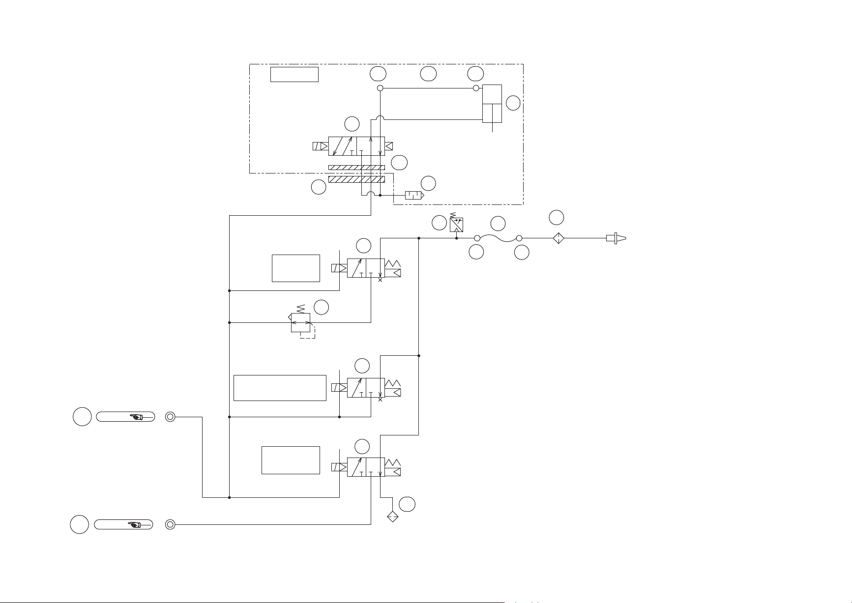
ὀ⮬ືࣂࢵࢡࢵࣉࣆࣥᶵ⬟࢜ࣉࢩࣙࣥࢆྲྀࡅࡿሙྜࡣࠊ ရ␒㸪ရ␒㸪ရ␒㸪ရ␒㸪ရ␒㸪ရ␒ࢆ㏣ຍࡋࠊရ␒ࡣせ࡞ࡾࡲࡍࠋ Note) When the optional auto backup pin equipment is attached, part numbers 7, 9, 10, 11, 12, 13 are added and part numbers 6 are not r…

このページはブランクページです
This page is intentionally blank.
此页是空白页
31
PTS-NAOF-09

ὀ⮬ືࣂࢵࢡࢵࣉࣆࣥᶵ⬟࢜ࣉࢩࣙࣥࢆྲྀࡅࡿሙྜࡣࠊ
ရ␒㸪ရ␒㸪ရ␒㸪ရ␒㸪ရ␒㸪ရ␒ࢆ㏣ຍࡋࠊရ␒ࡣせ࡞ࡾࡲࡍࠋ
Note) When the optional auto backup pin equipment is attached, part numbers 7, 9, 10,
11, 12, 13 are added and part numbers 6 are not required.
㈇ᅽ
┿✵࣏ࣥࣉࡼࡾ
Neg press
(From Vacuum pump)
ṇᅽ
⮬ືࣂࢵࢡࢵࣉࣆࣥᶵ⬟
Auto backup pin equipment
┿✵◚ቯ
Air blow
ࣀࢬࣝࢡ࣮ࣜࢽࣥࢢ
Nozzle cleaning
NOZZLE
ࣃ࣮ࢶ྾╔
Part pickup
OPTION
3
5
5
%
$
;
3
5
$
3(
;
3
5
$
3(
3(
$
5
3
;
Ref.BED
a1
a1
Ref.BED
a2
a2
Pos press
(500KPa)
14
8
5
8
4
12
11
1312
10
9
7
6
3
2
1
1
1
UH01248
2)࣊ࢵࢻ
OF HEAD 4/
32
PTS-NAOF-09

OF HEAD 4/
OF ヘッド 4/
UH01248
No. Drg.No. & Code No. QTY Description Rating Remarks
番号 図番 & コード番号 個数 品名 規格 備考
1 H1024X 3 VALVE
バルブ
VQZ115R-5L1-CP
2 2MGKHB006000 1 VALVE, PRESSURE REDUCING
バルブ 減圧
3 S4033G 1 SENSOR, PRESSURE
センサ 圧力
PSE543-M5
4 . 1 HARNESS
ハーネス
5 AA0AL05 1 FILTER
フィルタ
Consumable Parts
6 H62140 1 PLATE
プレート
SYJ3000-21-12A
7 S1058B 1 SILENCER
サイレンサ
AN120-M3
8 A4068H 2 ELBOW
エルボ
M-5ALU-4
9 H1122B 1 VALVE, SOL
バルブ SOL
SYJ3140-5L0U
10 PJ06530 1 PLATE, ACRYLIC
プレート アクリル
11 XS01732 1 CYLINDER
シリンダ
12 A40669 2 ELBOW
エルボ
M-3ALU-3
13 . 1 TUBE
チューブ
14 XH00881 1 FILTER
フィルタ
Consumable Parts
33
PTS-NAOF-09