Parts_Manual.pdf - 第145页
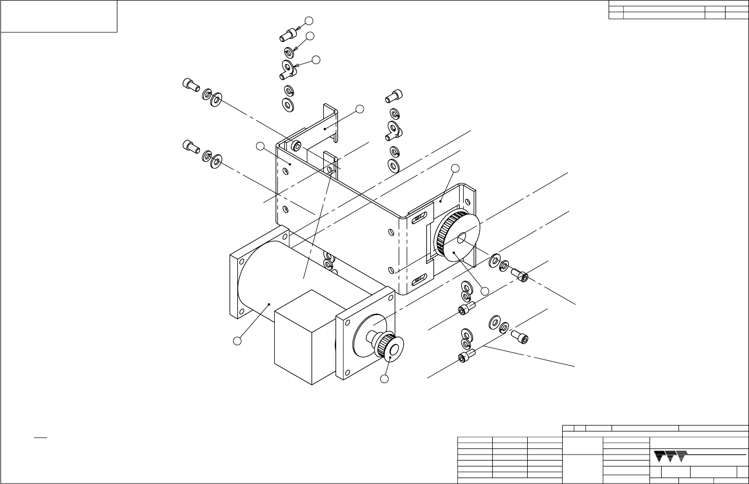
7 1 3 2 4 10 5 12x 12x 12x 9 9 REV APPROVE D REV IS IO NS DESC RIP TIO N DAT E 7/14/ 99 C RELEASE PER E CN 3685 NOT ES: MGT SEE B.O.M. ±1° ±.03 ±.010 1:1 6/11/99 1 1 4111401 C ASSY W IDTH DRI VE MOTOR PART NO. APPLICATIO…

26
38
19
39
46
27
22
16
11
15
17
5
6
35
36
25
34
4
42
45
44
40
43
44
43
32
2
31
31
REF.
x4
x2
x2
x2
x2
33
31
REF.
MOUNT BRUSHES AS SHOWN
CONVEYOR END PLATE SHOWN
FOR REFERENCE ONLY
D
ADDED TUBING CLAMPS PER ECN 3852.
ADDED QTY'S TO BALOONS. 11 & 33.
11-14-01
GHEALY
2X
2X
24
42
42
24
4/13/00
RMV'D P/N 1109208 PER ECN 3769B
4/16/01
RMV'D ITEM #30 (1150900) PER ECN 3814C
REV
APPROVED
REVISIONS
DESCRIPTION DATE
9/28/99
A
RELEASE PER ECN 3710
NOTES:
R. DOMPKOUSKI
SEE B.O.M.
±1°
±.03
±.010
1:1 9/28/99 1 1
4124401 D
ASSY ALUBE PLUMB 2 PORT
PART NO.
APPLICATION
NEXT ASSYCSD REF USED ON
.XX
MATERIAL:
.XXX
QTY
TOLERANCES
UNLESS OTHERWISE NOTED
DIMENSIONS ARE IN INCHES
ANGLES
ITEM
FINISH:
SCALE DATE SHEET OF
DRAWING NO.
MATERIAL SPECIFICATION
PARTS LIST
APPD
APPD
DESCRIPTION
DR
CHK
PRODUCT CODE.
D
SIZE
TITLE
REV.
VITRONICS CORPORATION
STRATHAM, NH 03885
"THIS DRAWING AND SPECIFICATIONS, HEREIN, ARE THE
PROPERTY OF VITRONICS CORPORATION AND SHALL NOT
BE REPRODUCED OR COPIED OR USED IN WHOLE OR IN
PART AS THE BASIS FOR THE MANUFACTURE OR SALE OF
ITEMS WITHOUT WRITTEN PERMISSION."
COPYRIGHT © 1999, VITRONICS CORPORATION
3124401
Parts List
Index

7
1
3
2
4
10
5
12x
12x
12x
9
9
REV
APPROVED
REVISIONS
DESCRIPTION DATE
7/14/99
C
RELEASE PER ECN 3685
NOTES:
MGT
SEE B.O.M.
±1°
±.03
±.010
1:1 6/11/99 1 1
4111401 C
ASSY WIDTH DRIVE MOTOR
PART NO.
APPLICATION
NEXT ASSYCSD REF USED ON
.XX
MATERIAL:
.XXX
QTY
TOLERANCES
UNLESS OTHERWISE NOTED
DIMENSIONS ARE IN INCHES
ANGLES
ITEM
FINISH:
SCALE DATE SHEET OF
DRAWING NO.
MATERIAL SPECIFICATION
PARTS LIST
APPD
APPD
DESCRIPTION
DR
CHK
PRODUCT CODE.
D
SIZE
TITLE
REV.
VITRONICS CORPORATION
STRATHAM, NH 03885
"THIS DRAWING AND SPECIFICATIONS, HEREIN, ARE THE
PROPERTY OF VITRONICS CORPORATION AND SHALL NOT
BE REPRODUCED OR COPIED OR USED IN WHOLE OR IN
PART AS THE BASIS FOR THE MANUFACTURE OR SALE OF
ITEMS WITHOUT WRITTEN PERMISSION."
COPYRIGHT © 1999, VITRONICS CORPORATION
3111401
Parts List
Index

Illustrated Parts Manual XPM
2
Blank Page for Future Use