5OM-1286-007_w.pdf - 第105页
$-4(3(',' $0:% 3RZHU6XSSO\6HFWLRQ 3RZHU6XSSO\6HFWLRQ

$-4(3(','
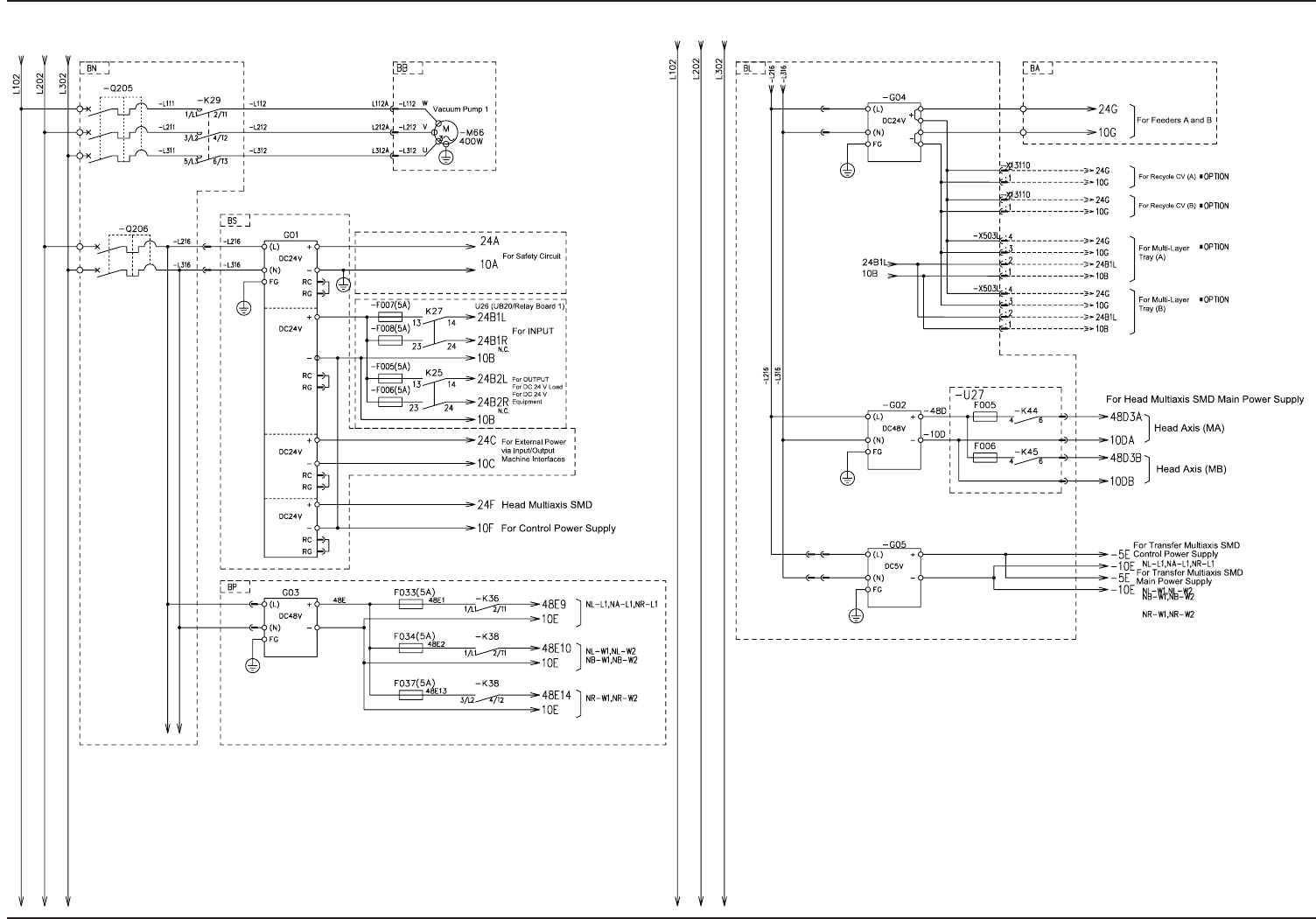
,QWHJUDWHG%ORFN&RQQHFWLRQ'LDJUDP'HWDLOV%
,QWHJUDWHG%ORFN&RQQHFWLRQ'LDJUDP'HWDLOV%

$-4(3(','
$0:%
3RZHU6XSSO\6HFWLRQ
3RZHU6XSSO\6HFWLRQ

$-4(3(','
%0:%
3RZHU6XSSO\6HFWLRQ
3RZHU6XSSO\6HFWLRQ